Sterownik wzmacniacza lampowego

Sterownik wzmacniacza lampowego
Pobierz PDF Download icon
Dobrze wykonany wzmacniacz lampowy potrafi być prawdziwą ozdobą i cieszyć ucho swoim brzmieniem. Jeszcze lepiej, gdy ma funkcjonalność zbliżoną do nowoczesnych wzmacniaczy sterowanych za pomocą mikrokontrolera. Taką możliwość zapewnia opisany sterownik, który można zastosować do (niemal) dowolnego wzmacniacza. Rekomendacje: dla konstruktorów sprzętu audio, którzy chcą wyposażyć swoje urządzenia w wygodny system sterowania.

Sterownik wzmacniacza lampowego składa się z 4 modułów: potencjometru, zasilacza, wyświetlacza oraz impulsatora. Oprócz nich w skład zestawu wchodzi również płytka pilota zdalnego sterowania. Opisywany projekt sterownika jest uniwersalny - można go zastosować do współpracy z dowolnym wzmacniaczem. Został zaprojektowany z myślą o układach lampowych, lecz nic nie stoi na przeszkodzie, by używać go również ze wzmacniaczem tranzystorowym lub hybrydowym.

Regulator głośności

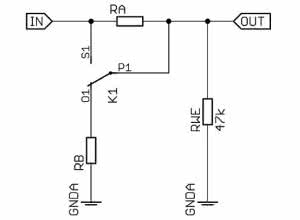
Rysunek 1. Schemat ideowy pojedynczego stopnia

Zastosowano nieczęsto spotykany sposób regulacji głośności, mający postać przełączanych dzielników rezystorowych. Owe przełączanie odbywa się za pośrednictwem przekaźników sygnałowych. Każdy dzielnik reprezentuje sobą określone tłumienie, o czym dalej.

Niewątpliwą zaletą takiego rozwiązania jest jego trwałość. W porównaniu z potencjometrami mechanicznymi, w których z czasem wyciera się węglowa ścieżka, tutaj żywotność określona jest jedynie czasem życia przekaźników, która sięga milionów przełączeń.

Przekaźniki dostępne są w hermetycznych, szczelnych obudowach, więc zjawisko starzenia się styków jest znacznie zredukowane. W porównaniu do potencjometrów cyfrowych, nie zachodzi tutaj niebezpieczeństwo przenikania do sygnału zakłóceń pochodzących od układu cyfrowego. Ponadto, w torze sygnału nie muszą znajdować się kondensatory separujące składową stałą, więc pasmo przenoszenia tego układu nie jest ograniczone od dołu.

Schemat ideowy jednego stopnia regulatora pokazano na rysunku 1. W zależności od pozycji styków przekaźnika, może być dzielnikiem rezystancyjnym (rezystor RA dzieli sygnał na połączonych równolegle RB i RWE) albo zwykłą rezystancją (równą RWE) wtrąconą do masy: wtedy rezystor RA zostaje zwarty i tłumienie znika. Warto dodać, że taki układ przedstawia sobą stałą rezystancję wejściową, niezależnie od liczby stopni ani pozycji.

Rezystor RWE ustala rezystancję wejściową układu i to od jej wyboru należy rozpocząć projektowanie układu. Tutaj przyjęto, że ma ona wynosić 47 kV, co jest często spotykane w systemach audio. Włącza się go na samym końcu łańcucha dzielników. Należy też przyjąć poziom tłumienia, który ma wprowadzać każdy stopień.

W tym projekcie posłużono się systemem dwójkowym - tłumienie sekcji to: 0,5 dB, 1 dB, 2 dB, 4 dB, 8 dB, 16 dB i 32 dB. Sterując każdym stopniem oddzielnie (wprowadzając określone tłumienie sygnału), można uzyskać 128 nastaw. Wymaga to sterowania siedmioma przekaźnikami jednocześnie, lecz w dobie programowanych układów cyfrowych nie jest to najmniejszym problemem.

Z punktu widzenia rezystancji wejściowej, powinna być ona stała, niezależnie od położenia styków

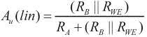
Natomiast tłumienie takiej sekcji wynosi (w skali liniowej)

Wzór można uprościć do postaci

Pomijając przekształcenia, otrzymujemy następujące wzory:

Logarytmiczna miara tłumienia jest wygodna ze względu na charakterystykę czułości ludzkiego ucha, lecz we wzorach należy korzystać z miary liniowej. Rezystancje zastosowane w tym układzie regulacji wymieniono w tabeli 1.

Tabela 1. Rezystancje oporników wchodzących w skład regulatora głośności

Jeżeli zaszłaby konieczność ustalenia innej rezystancji wejściowej, wystarczy odpowiednio przeskalować rezystancje wchodzące w skład regulatora. Należy przy tym pamiętać, że konieczny do pokrycia zakres wartości jest bardzo szeroki, więc należy mieć na uwadze naturalnie występujące ograniczenia: rezystancja ścieżek i styków (od dołu) oraz upływności izolacji (od góry).

Należy uściślić, że rezystancja wejściowa jest stała, lecz rezystancja wyjściowa, czyli widziana przez wejście wzmacniacza lampowego, ulega zmianom podczas przełączania. Trzeba mieć to na uwadze, ponieważ w niektórych układach wzmocnienie zależy również od oporu wyjściowego źródła sygnału. Dzieje się tak zwłaszcza wtedy, gdy pętla ujemnego sprzężenia zwrotnego jest dołączona do siatki sterującej lampy wejściowej.

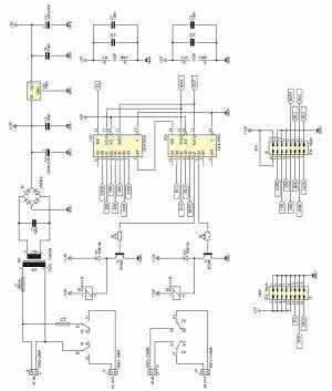
Rysunek 2. Schemat ideowy regulatora głośności

Schemat płytki regulatora pokazano na rysunku 2. Rezystory tworzące dzielniki zostały poskładane z jedenastu wartości, aby zmniejszyć liczbę wartości rezystancji. Wprowadza to pewne odchylenia od nominalnych wartości tłumienia, ale mieszczą się one w granicach tolerancji wykonania rezystorów.

Funkcję mute, powodującą całkowite wyciszenie dźwięku, realizuje przekaźnik K1. Aby zaciski wejściowe wzmacniacza nie były w tym czasie niepołączone z żadnym potencjałem, zastosowano zwieranie ich do masy. Źródła sygnału wejściowego są przełączane przez przekaźniki K2...K4.

Cewki wszystkich przekaźników są zbocznikowane diodami krzemowymi. Wprawdzie układ ULN2003 ma takie w swojej strukturze, lecz wtedy cały prąd płynący przez otwierającą się diodę musiałby przepływać również przez ścieżkę łączącą przekaźnik z danym wyjściem układu ULN2003.

Taka ścieżka byłaby źródłem silnych zakłóceń elektromagnetycznych, co mogłoby objawiać się trzaskami w głośnikach podczas regulacji głośności. Zamknięcie drogi prądu na niewielkim obszarze, tj. tuż przy przekaźniku, pozwala załagodzić ten problem.

Rysunek 3. Schemat montażowy płytki regulatora

Na płytce znajdują się dwie masy: analogowa, należąca do sygnałów audio oraz cyfrowa, która jest połączona z zasilaczem sterownika. Można je ze sobą połączyć w jednym punkcie za pomocą zworki JP1. Taki zabieg niekiedy redukuje poziom przydźwięku sieciowego w głośnikach, jednak czasem potrafi zwiększyć jego natężenie. Decyzja o tym powinna zostać podjęta przez konstruktora podczas testów wzmacniacza.

Płytka drukowana regulatora ma wymiary 70 mm×145 mm. Otwory montażowe o średnicy 3,2 mm znajdują się w rogach, 3 mm od krawędzi. Schemat montażowy pokazano na rysunku 3.

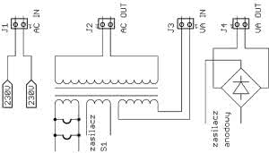
Zasilacz

Rysunek 4. Schemat ideowy zasilacza

Schemat ideowy zasilacza zamieszczono na rysunku 4. Zadaniem zasilacza jest dostarczenie dwóch napięć:

  1. Niestabilizowanego, o wartości ok. 12 V do zasilania przekaźników.
  2. Stabilizowanego, o wartości 5 V do zasilania układów cyfrowych.

Napięcie z transformatora sieciowego jest prostowane, a następnie filtrowane przez pojedynczy kondensator elektrolityczny. Nominalne napięcie skuteczne na wyjściu transformatora wynosi 9 V. Z kolei, napięcie stałe na kondensatorze filtru to 13...15 V, zależnie od liczby załączonych przekaźników. Kondensator C1 zapobiega przedostawaniu się do układu zakłóceń w.cz. przez pojemność między zwojeniami.

Do uzyskania stabilizowanego napięcia 5 V zastosowano układ typu 7805. Pobór prądu przez tę część wynosi 20...40 mA, zależnie od stanu pracy. Tracona moc jest na tyle mała, że odprowadzanie ciepła odbywa się jedynie za pośrednictwem metalowej wkładki.

Mikrokontroler, zamontowany na płytce wyświetlacza, wysyła informacje o stanie przekaźników za pośrednictwem interfejsu szeregowego na wejścia rejestrów przesuwnych typu 74HC595. Te układy mają szeregowe wejście oraz 8-bitowe, równoległe wyjście z zatrzaskami.

Dzięki temu, sterowanie trzynastoma przekaźnikami odbywa się poprzez trzy wyprowadzenia mikrokontrolera. Rejestry przesuwne zostały połączone kaskadowo. Wpisywanie danych (linia DS) odbywa się na narastającym zboczu zegara danych (linia SHCP).

Rysunek 5. Schemat włączenia sterownika do zasilacza wzmacniacza

Po wypełnieniu wszystkich przerzutników odpowiednimi stanami, narastającym zboczem na linii STCP aktualizuje się zawartość przerzutników wyjściowych. W ten sposób, podczas wpisywania nie ulegają zmianom stany logiczne na wyjściach.

Na płytce zasilacza znajdują się dwa złącza IDC: J5, przeznaczone dla płytki wyświetlacza (opis dalej) i J6, do którego wpina się taśmę prowadzącą do regulatora głośności. Takie rozwiązanie powoduje uproszczenie połączeń oraz, co ważniejsze, brak przenikania tętnień od układów cyfrowych na obwody sygnałowe.

Zasilanie wzmacniacza jest załączane dwoma przekaźnikami: K1 włącza transformator sieciowy, do którego są bezpośrednio dołączone żarniki oraz obwody polaryzacji siatek sterujących. Bezpiecznik F2 stanowi zabezpieczenie transformatora wzmacniacza przez poborem przezeń zbyt dużego prądu. Należy go dobrać do zapotrzebowania.

Rysunek 6. Schemat montażowy płytki zasilacza

Przekaźnik K2 załącza zasilanie anod wzmacniacza. Wyprowadzone zostały dwie pary styków, co umożliwia odcinanie obydwu doprowadzeń mostka Graetza, obydwu anod lampy prostowniczej lub zasilacza anod i siatek ekranujących, jeżeli są oddzielone. Ilustruje to rysunek 5.

Warto dodać, że dla szczególnie wysokich napięć anodowych (wyższych niż 400 V), należy mieć na uwadze wytrzymałość napięciową przekaźnika oraz złącz śrubowych J3 i J4. Może się okazać konieczne zastosowanie innego przekaźnika oraz lutowanie przewodów bezpośrednio do płytki. W każdym przypadku, warto przekaźnik włączać w przewód przewodzący prąd zmienny, ponieważ nie ciągnie łuku elektrycznego na rozłączających się stykach.

Płytka zasilacza ma wymiary 80 mm×115 mm, a otwory montażowe zostały odsunięte o 5 mm od krawędzi. Schemat montażowy pokazano na rysunku 6. W prototypie zastosowano transformator TSZZ 7/005M firmy Indel. Można użyć transformatora innego typu, lecz należy mieć na uwadze, że układ może pobierać prąd do 0,4 A.

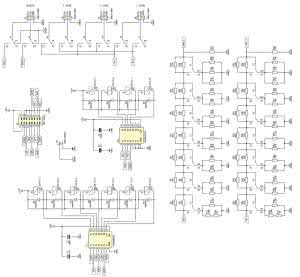
Wyświetlacz

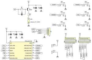
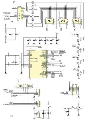
Rysunek 7. Schemat ideowy płytki wyświetlacza

Na płytce zawierającej wyświetlacz znajduje się mikrokontroler zarządzający pracą całego sterownika. Schemat ideowy tego obwodu pokazano na rysunku 7. Trzy pojedyncze wyświetlacze zostały połączone równolegle poszczególnymi segmentami, aby móc sterować je multipleksowo.

Załączaniem segmentów zajmuje się omawiany już układ 74HC595, zaś anody cyfr są sterowane bezpośrednio z wyprowadzeń mikrokontrolera. Rejestr przesuwny można taktować z częstotliwością rzędu dziesiątek megaherców, dlatego z powodzeniem sprosta on temu zadaniu.

Prąd każdego segmentu jest ograniczany przez rezystory 1 kV do ok. 3 mA. Dzięki temu, cała cyfra nie pobiera więcej niż 24 mA, dlatego można ją podłączyć wprost do mikrokontrolera. Głównym powodem tak znacznego ograniczenia prądu diod było ściemnienie wyświetlacza do jasności, która nie męczy wzroku nocą.

Zastosowanie filtru o barwie żółtej dodatkowo podniesie kontrast. Nic nie stoi na przeszkodzie, aby zastosować wyświetlacze świecące w innym kolorze. Można również podnieść prąd pobierany przez każdy segment poprzez wymianę rezystorów R3...R10, ale sumaryczny prąd cyfry (wraz z kropką) nie powinien przekraczać 40 mA.

Obok wyświetlaczy znajduje się scalony odbiornik podczerwieni typu TSOP4836. Napięcie zasilania dla niego musi być filtrowane przez filtr RC, w przeciwnym razie jego zachowanie jest niestabilne. Potencjometr P1 służy ustaleniu czasu rozgrzewania lamp po włączeniu sterownika.

Wartość napięcia jest przetwarzana przez przetwornik A/C na liczbę interpretowaną przez mikrokontroler. Rezystor R2 i kondensator C3 filtrują to napięcie, aby nie ulegało znacznym fluktuacjom, wywołanym np. tętnieniem od mikrokontrolera. Pod wyświetlaczami są cztery przyciski monostabilne, które umożliwiają obsługę wzmacniacza bez użycia pilota.

Pracą tych wszystkich podzespołów zarządza popularny mikrokontroler typu ATmega8. Jest on taktowany zegarem o częstotliwości 16 MHz z uwagi na konieczność szybkiej aktualizacji zawartości rejestru przesuwnego obsługującego wyświetlacze.

Rysunek 8. Schemat montażowy płytki wyświetlacza

W bezpośrednim otoczeniu mikrokontrolera znajduje się sześć ceramicznych kondensatorów o różnych pojemnościach, aby w możliwie dużym stopniu ograniczyć propagowanie się tętnień przez linię zasilającą. Złącze J1 służy do zaprogramowania mikrokontrolera, zaś do złącza J2 podłącza się impulsator obrotowy. Znajduje się on na odrębnej płytce, co ułatwia rozplanowanie płyty czołowej urządzenia.

Opisany układ został zmontowany na płytce drukowanej o wymiarach 72 mm×59 mm, a otwory montażowe są oddalone o 2,5 mm od krawędzi płytki. Schemat montażowy płytki pokazano na rysunku 8. W prototypie zastosowano kątowe złącze J2, co upraszcza poprowadzenie połączenia do płytki impulsatora.

Wykaz elementów

Płytka regulatora głośności

Rezystory: (SMD 0805)
R1, R33: 100 kΩ
R2, R28, R29, R32, R59, R60: 2,7 kΩ
R3, R4, R6, R26, R30, R34...R36, R57, R61: 10 kΩ
R5, R9, R11, R15, R20, R37, R41, R43, R46, R51: 220 kΩ
R7, R22, R27, R39, R53, R58: 82 kΩ
R8, R38: 22 kΩ
R10, R24, R40, R55: 33 kΩ
R12, R14, R31, R42, R44, R62: 47 kΩ
R13, R17, R19, R23, R45, R48, R50, R54: 2,2 MΩ
R16, R21, R47, R52: 1 MΩ
R18, R25, R49, R56: 470 kΩ

Kondensatory:
C1, C3: 1 nF (SMD 0805)
C2, C4: 100 nF (SMD 0805)

Półprzewodniki:
D1...D11: 1N4148 (miniMELF)
IC1, IC2: ULN2003AD (SO16)

Pozostałe:
J1...J4: ARK3/5 mm
J5: złącze IDC 2×8 pin; 2,54 mm; proste
JP1: goldpin prosty 2 pin; 2,54 mm + zworka
K1...K11: JRC-27F DPDT, 12 V, 2 A

Płytka zasilacza

Rezystory:
R1, R2 4,7 kΩ (SMD 0805)

Kondensatory:
C1, C3, C4, C7, C9: 100 nF (SMD 0805)
C2: 2200 µF/25 V (elektrolit.)
C5: 220 µF/16 V (elektrolit.)
C6, C8: 1 nF (SMD 0805)

Półprzewodniki:
B1: mostek 1A DIL8
D1, D2: 1N4148 (miniMELF)
T1, T2: BC846 lub podobne
US1: 7805 (TO-220)
US2, US3: 74HC595D (SO16)

Inne:
F1: gniazdo bezpiecznika 5×20 mm
+ bezpiecznik zwłoczny 100 mA
F2: gniazdo bezpiecznika 5×20 mm + bezpiecznik zwłoczny 1 A (opis w tekście) J1, J2: ARK2/5 mm
J3, J4: ARK2/7,5 mm (opis w tekście)
J5, J6: złącze IDC 2×8 pin; 2,54 mm; proste
K1, K2: przekaźnik JQX-115F DPDT, 12 V, 8 A (opis w tekście)
TR1: transformator TSZZ 7/005M (opis w tekście)
4 szt. wtyki żeńskie na taśmę IDC 2×8/2,54 mm
Taśma AWG28 16 żył, raster 1,27 mm

Płytka wyświetlacza

Rezystory: (SMD 0805)
R1: 220 Ω
R2: 10 kΩ
R3...R10: 1 kΩ
RN1: drabinka 8×10 kΩ (SIL9)
P1: 100 kΩ (pot. montażowy, leżący)

Kondensatory: (SMD 0805) C1, C10...C12: 1 nF C2, C6, C7: 10 µF
C3, C8, C9, C13: 100 nF
C4, C5: 15 pF

Półprzewodniki:
DISP1...DISP3: wyświetalcz LED-AS5613BY (opis w tekście)
IC1: TSOP4836
IC2: ATmega8 (TQFP32)
IC3: 74HC595D (SO16)

Inne:
J1: goldpin 5 pin; 2,54 mm; prosty
J2: goldpin 4 pin; 2,54 mm; kątowy (opis w tekście)
J3: IDC 2×8 pin; 2,54 mm; proste
Q1: 16 MHz (HC49S)
S1...S4: przycisk 6×6/10 mm (opis w tekście)
Taśma 4 żyły, goldpin żeńsko-żeński

Płytka impulsatora

Rezystory: (SMD 0805)
R1, R2: 10 kΩ
R3...R6: 220 Ω

Kondensatory: (SMD 0805)
C1, C3, C4: 100 nF
C2: 10 µF

Półprzewodniki:
IC1: CD4093D (SO16)

Inne:
J1: goldpin 4 pin; 2,54 mm; prosty
SW1: impulsator np. ED1110S-05-20C20-15KQ

Pilot

Rezystory:
R1: 1 kΩ (SMD 0805)
R2: 4,7 Ω (SMD 1206)
RN1, RN2: 8×10 kΩ (SIL9)

Kondensatory: (SMD 0805)
C1, C4: 1 nF
C2: 100 nF
C3, C5, C6: 10 µF

Półprzewodniki:
IC1: ATtiny24A-SSU (SOP14)
LED1: nadawcza IR L53F3C (opis w tekście)
T1: BC806 lub podobny

Inne:
SW1...SW6: przełącznik DT6 czarny
Koszyk baterii 2xAAA
2 baterie AAA
Obudowa Z14

Impulsator

Rysunek 9. Schemat ideowy płytki impulsatora

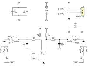
Najmniejszym elementem składowym sterownika wzmacniacza jest płytka zawierająca impulsator obrotowy, dzięki któremu użytkownik wzmacniacza może regulować głośność bez użycia pilota. Jej schemat znajduje się na rysunku 9.

Styk wspólny impulsatora został dołączony do masy, a jego styki przełączane są podciągnięte do potencjału +5 V za pośrednictwem rezystorów R1 i R2. Kondensatory C3 i C4 filtrują odbierane napięcie z zaburzeń, które wywołują iskrzące podczas przełączania styki.

Rolą rezystorów R3 i R4 jest ograniczenie prądu rozładowania tych kondensatorów do ok. 15 mA, co jest pożądane z punktu widzenia ich trwałości. Przełącznik w impulsatorze nie będzie wykorzystywany, dlatego jego styki zostały zwarte do masy.

Napięcie na kondensatorach wygładzających zakłócenia zmienia się ekspotencjalnie, a na dodatek szybkość ich przeładowywania zależy od kierunku zmiany napięcia. Układem formującym sygnał prostokątny jest bramka NAND z wejściem Schmitta, której obydwa wejścia zostały zwarte.

Rysunek 10. Schemat montażowy płytki impulsatora

Połączenie szeregowe dwóch uzyskanych w ten sposób negatorów powoduje, że sygnał nie jest odwrócony w fazie. Do tej roli został wybrany stary układ wykonany w technologii CMOS, ponieważ pobiera on niewielki prąd w stanie spoczynku oraz, co ważniejsze, szybkość narastania napięcia na jego wyjściu wynosi aż 90 ns (maksymalnie 145 ns).

Dzięki temu, sygnały propagujące się przez przewody łączące go z płytką wyświetlacza, w niewielkim stopniu emitują zaburzenia elektromagnetyczne.

W czułym wzmacniaczu lampowym jest to istotna cecha. Rezystory R5 i R6 ograniczają prąd płynący przez wyjścia bramek, co zapobiega uszkodzeniu się układu w razie wystąpienia przypadkowego zwarcia.

Opisany wyżej moduł zmontowano na płytce drukowanej o wymiarach 40 mm×24 mm pokazanej na rysunku 10. Ma ona sześć otworów montażowych, oddalonych o 3 mm od krawędzi.

W ten sposób, można płytkę przykręcić za pomocą dwóch, trzech lub czterech śrub M3, w zależności od preferencji. Złącze J1 należy przylutować po stronie przeciwnej niż impulsator.

Pilot zdalnego sterowania

Rysunek 11. Schemat ideowy pilota zdalnego sterowania

Odrębnym urządzeniem jest pilot zdalnego sterowania. Standardowe, programowalne piloty mają dużą liczbę przycisków, z których większość nie byłaby używana. Takie rozwiązanie jest niepraktyczne, dlatego podjęto decyzję o zaprojektowaniu specjalnego pilota - jego schemat ideowy pokazano na rysunku 11.

Komunikacja odbywa się za pomocą podczerwieni. Wykorzystano standard RC5 z nośną 36 kHz. Dzięki takiemu podejściu, można obsługiwać sterownik również za pośrednictwem zwykłego pilota uniwersalnego.

Kody poszczególnych komend znajdują się w tabeli 2. Wybrany adres nie jest przyporządkowany żadnej klasie urządzeń, dlatego nie powinny występować konflikty z innymi urządzeniami.

Tabela 2. Komendy RC5 pilota

Sterowaniem diody podczerwonej zajmuje się mikrokontroler ATtiny24A. Jest on idealny do tego celu, ponieważ można go zasilać napięciem z przedziału 1,8...5,5 V, więc będzie działał poprawnie zasilany dwiema bateriami AAA. Ponadto, każdy pin wejściowy można skonfigurować w tryb obsługi przerwania (PCINT), które z kolei może służyć wybudzaniu mikrokontrolera z typu wyłączenia (Power-down).

Pobór prądu w tym trybie nie przekracza 1 mA, co pozwala na kilka lat pracy na jednym komplecie baterii. Każdy pin wejściowy układu został podciągnięty do zasilania za pomocą drabinek rezystorowych. W ten sposób ładunki elektrostatyczne, na które takie urządzenie jak pilot jest narażone, nie będą zakłócały jego pracy.

Nadajnik IR jest sterowany przy użyciu klucza nasyconego, zrealizowanego na tranzystorze T1. Kondensator C1 przyśpiesza przeładowywanie bazy, a rezystor R1 ogranicza jej prąd w stanie ustalonym. Rezystor R2 ogranicza prąd płynący przez diodę podczerwoną.

Rysunek 12. Schemat montażowy pilota zdalnego sterowania

Płytka pilota ma wymiary 44 mm×60 mm - jej schemat montażowy pokazano na rysunku 12. Wymiary płytki umożliwiają jej zamontowanie w standardowej obudowie Z14 bez konieczności stosowania jakiegokolwiek mocowania.

Płytkę w obudowie można zobaczyć na fotografii 13, a gotowego pilota na fotografii 14. Koszyk baterii AAA bardzo dobrze mieści się w przeznaczonym do tego miejscu. Przyciski wystają ok. 1 mm nad powierzchnię obudowy. Do nawiercenia otworów pod przyciski bardzo dobrze nadaje się wiertło o średnicy 10 mm.

Fotografia 13. Wnętrze pilota zdalnego sterowania

Fotografia 14. Gotowy pilot zdalnego sterowania

W takich otworach nasadki na przyciski nie ocierają się o krawędzie. Do prawidłowego nawiercenia obudowy służą otworki o średnicy 1 mm, znajdujące się centralnie pod każdym przyciskiem. Można dzięki temu przyłożyć płytkę do obudowy, wykonać otworki małym wiertłem, a dopiero tak oznaczone miejsca dalej obrabiać, aż do uzyskania większej średnicy. Ponadto, z przodu należy wykonać otwór o średnicy 5 mm, przez którą będzie wystawiona dioda IR. Rozmieszczenie przycisków na płytce pokazano na rysunku 15.

Uruchomienie

Po przylutowaniu wszystkich podzespołów do płytek, należy je ze sobą połączyć. Zaciskając złącza IDC na taśmach należy pilnować, aby piny "1" na łączonych płytkach zgadzały się ze sobą. Po włączeniu zasilania może się okazać, że niektóre przekaźniki zostaną załączone. Nie należy się tym przejmować - stany wewnętrzne przerzutników w rejestrach przesuwanych są losowe. Uporządkuje je mikrokontroler, kiedy tylko zacznie pracę.

Rysunek 15. Rozmieszczenie przycisków na płytce pilota zdalnego sterowania

Rysunek 16. Bity zabezpieczające mikrokontrolera ATmega8

Mając zmontowany system, należy zaprogramować pamięć Flash mikrokontrolera ATmega8, który znajduje się na płytce wyświetlacza. W pierwszej kolejności, trzeba przestawić bity zabezpieczające na taktowanie zewnętrznym rezonatorem kwarcowym o częstotliwości oscylacji 16 MHz.

Widok okna konfiguracyjnego programu AVR Burn- O-Mat znajduje się na rysunku 16. Do tak przygotowanego układu można teraz wgrać zawartość pamięci programu. Mikrokontroler w pilocie nie wymaga zmiany bitów zabezpieczających. W nim wystarczy jedynie zaprogramować pamięć Flash.

Eksploatacja

Fotografia 17. Odliczanie czasu rozgrzewania lamp

Po włączeniu zasilania sieciowego, system zapobiegawczo wyłącza wszystkie przekaźniki. Mikrokontroler znajduje się w stanie aktywnym, lecz pobór mocy przez niego jest niewielki. Załączenie może się odbyć za pomocą przycisku ON/OFF na płytce wyświetlacza lub na pilocie. Po włączeniu, układ załączy zasilanie sieciowe wzmacniacza i zacznie odliczać czas przeznaczony na rozgrzewanie żarników lamp - fotografia 17.

Wartość początkowa jest ustalana potencjometrem i zostaje pobrana tylko w momencie włączenia zasilania sterownika. W przypadku chęci jej zmiany, należy wyłączyć układ z sieci i włączyć ponownie, aby zaktualizował tę wartość. Po doliczeniu do zera, układ odczytuje z nieulotnej pamięci EEPROM informacje o zapamiętanej głośności oraz wybranym kanale wejściowym.

Fotografia 18. Wyświetlanie informacji o głośności

Wyświetlana liczba jest odwrotnie proporcjonalna do tłumienia (w decybelach): "0.0" - najciszej, "63.5" - najgłośniej. W tym stanie można zmieniać kanał i regulować głośność - fotografia 18. Jeżeli zostanie wciśnięty przycisk zmiany kanału, informacja o aktualnie załączonym kanale będzie przez trzy sekundy widoczna na wyświetlaczu (fotografia 19).

Po tym czasie, układ powróci do poprzedniego stanu pracy, czyli regulacji głośności. Po załączeniu trybu mute, wyjście regulatora głośności zostanie zwarte do masy, a wyświetlacz będzie, co 0,5 s, migał aktualnie ustawionym poziomem głośności.

Fotografia 19. Aktualnie załączony kanał

W tym stanie, zmiana kanału oraz regulacja siły dźwięku są zablokowane. Podobna blokada istnieje w przypadku przejścia w tryb standby, który jest sygnalizowany trzema poziomymi kreskami - fotografia 20. W tym stanie, zasilanie anod lamp zostaje wyłączone.

W każdym z trybów, możliwe jest natychmiastowe wyłączenie wzmacniacza. Ponadto, jeżeli od załączenia opcji mute lub standby minęło około pół godziny, wówczas wzmacniacz zostanie całkowicie wyłączony, a sam sterownik przejdzie w stan wyłączenia.

Jest to zabezpieczenie przed przypadkowym pozostawieniem wyciszonego, lecz załączonego, wzmacniacza. Zapis do pamięci EEPROM następuje po ok. 2 sekundach od ostatniej zmiany poziomu głośności lub kanału. W ten sposób, ograniczona liczba cykli zapisu/odczytu z niej nie zostanie zbyt szybko wykorzystana.

Modyfikacje

Fotografia 20. Wyświetlacz w trybie standby

Sterownik można adaptować do współpracy z różnymi wzmacniaczami. Przykładowo, zmniejszając czas rozgrzewania lamp do zera oraz podłączając transformator sieciowy poprzez przekaźnik K2 na płytce zasilacza, można zarządzać pracą wzmacniacza tranzystorowego.

Impulsator można odłączyć od płytki wyświetlacza, jeżeli sterowanie ma się odbywać wyłącznie za pomocą pilota. Tak samo przyciski pod wyświetlaczami - można nie wlutowywać ich w ogóle lub zamontować inny rodzaj przycisków wewnątrz obudowy i podłączyć do płytki przewodami.

Korzystanie z wyświetlacza również nie jest niezbędne, aczkolwiek ułatwia obsługę. Nie lutując wyświetlaczy do płytki, na płytce czołowej wystarczy wykonać mały otworek pod odbiornik podczerwieni. W ten sposób, z zewnątrz nie będzie widoczny jakikolwiek ślad po zawartych wewnątrz układach cyfrowych.

Michał Kurzela, EP

Artykuł ukazał się w
Elektronika Praktyczna
maj 2016
DO POBRANIA
Pobierz PDF Download icon
Materiały dodatkowe
Elektronika Praktyczna Plus lipiec - grudzień 2012

Elektronika Praktyczna Plus

Monograficzne wydania specjalne

Elektronik listopad 2025

Elektronik

Magazyn elektroniki profesjonalnej

Raspberry Pi 2015

Raspberry Pi

Wykorzystaj wszystkie możliwości wyjątkowego minikomputera

Świat Radio listopad - grudzień 2025

Świat Radio

Magazyn krótkofalowców i amatorów CB

Automatyka, Podzespoły, Aplikacje listopad - grudzień 2025

Automatyka, Podzespoły, Aplikacje

Technika i rynek systemów automatyki

Elektronika Praktyczna listopad 2025

Elektronika Praktyczna

Międzynarodowy magazyn elektroników konstruktorów

Elektronika dla Wszystkich grudzień 2025

Elektronika dla Wszystkich

Interesująca elektronika dla pasjonatów