Moduł audio DAC dla Raspberry PI z wyjsciami I²S i S/PDIF

Moduł audio DAC dla Raspberry PI z wyjsciami I²S i S/PDIF
Pobierz PDF Download icon
W większości aplikacji multimedialnych Raspberry PI dobrze jest mieć dwa rodzaje wyjść sygnału audio: analogowe i cyfrowe. Ułatwia to elastyczne dołączenie do domowego systemu AV. Nie są dostępne takie rozwiązania komercyjne, każdorazowo trzeba składać HAT DAC i S/PDIF, co niepotrzebnie podnosi koszty. Przedstawione rozwiązanie integruje oba układy na jednej płytce i jest zgodne z dostępnym oprogramowaniem.

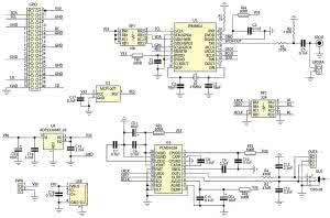
Rysunek 1. Schemat ideowy modułu przetwornika dla Raspberry PI

Schemat ideowy przetwornika Combo DAC pokazano na rysunku 1. Wyjściowy sygnał I²S ze złącza GPIO poprzez rezystor dopasowujący RP2 jest doprowadzony do nadajnika/odbiornika S/PDIF typu WM8804 (U1) oraz do układu przetwornika C/A typu PCM5102A. Oba układy są dobrze znane, więc opis działania zostanie pominięty.

Układ PCM5102A ma zintegrowany przetwornik C/A, pętlę PLL odtwarzającą sygnał MCLK z BLCK, wyjściowe filtry i stopnie analogowe wraz z ich przetwornicą zasilającą, czyli wszystko, co jest wymagane w takiej aplikacji. Dzięki temu może korzystać z sygnału I²S równolegle do WM8804 bez dodatkowych obwodów. Układ WM8804 jest konfigurowany za pomocą interfejsu I²C.

Po odfiltrowaniu za pomocą filtrów RC złożonych z rezystorów R4, R5 i kondensatorów C12, C13 jest dostępny na złączu OUT (mini Jack 3,5 mm) oraz OUTA typu SIP3. Sygnał cyfrowy S/PDIF jest dostępny na złączu RCA S/PDIF oraz "SPDIFA" typu SIP2. Powielenie złącz ułatwia okablowanie w aplikacjach wbudowanych.

Zasilanie toru analogowego, cyfrowego i pompy ładunkowej jest rozdzielone i filtrowane przez osobne obwody LC dla zmniejszenia poziomu zaburzeń. Moduł jest zasilany jest z niskoszumnego stabilizatora LDO (U4). Układ typu MCP100T3.0 (U2) zapewnia sygnał zerowania dla WM8804.

Dodatkowe złącze śrubowe PWR umożliwia zasilanie z zewnętrznego zasilacza o zwiększonej wydajności prądowej, zarówno Combo DAC, jak i Raspberry PI z pominięciem gniazda MicroUSB. Gniazdo USB zapewnia zasilanie dla zewnętrznego Huba USB lub konwertera USB/SATA często wykorzystywanego w aplikacjach multimedialnych.

Rysunek 2. Schemat montażowy modułu przetwornika dla Raspberry PI

Moduł zmontowano jest a niewielkiej, dwustronnej płytce drukowanej. Sposób montażu jest typowy i nie wymaga opisywania. Rozmieszczenie elementów pokazano na rysunku 2. Prawidłowo zmontowany moduł nie wymaga uruchamiania. Konieczne jest jedynie skonfigurowanie systemu operacyjnego. Najlepszym wyborem jest Raspbian, ponieważ ma wbudowaną obsługę programową (zgodną z Hifi-Berry-Digi).

Aby skonfigurować naszego Raspberry PI pracującego pod kontrolą Raspbiana do współpracy z przetwornikiem Combo DAC należy wykonać następujące czynności. Po pierwsze, na wszelki wypadek należy zaktualizować system:

sudo rpi-update
sync
sudo reboot

Następnie należy usunąć z pliku /etc/ modprobe.d/raspi-blacklist.conf linie:

blacklist i2c-bcm2708
blacklist snd-soc-pcm512x
blacklist snd-soc-wm8804

Teraz należy załączyć obsługę przetwornika dodając wpisy w pliku /etc/modules:

snd_soc_bcm2708
bcm2708_dmaengine
snd_soc_hifiberry_digi

Skonfigurować ALSA tworząc plik /etc/ asound.conf z zawartością:

pcm.!default {
type hw card 0
}
ctl.!default {
type hw card 0
}

Następnie należy zrestartować PI. Po uruchomieniu warto sprawdzić poprawność konfiguracji poleceniem:

sudo aplay –l.

Przetwornik powinien pojawić się na liście dostępnych urządzeń odtwarzających:

**** List of PLAYBACK Hardware Devices ****
card 0: sndrpihifiberry [snd_rpi_hifiberry_dac], device 0: HifiBerry DAC HiFi pcm5102a-hifi-0 []
Subdevices: 1/1
Subdevice #0: subdevice #0.

Do odtwarzanie plików muzycznych można użyć dowolnego odtwarzacza, np. LXMusic Player, Aqualung itp.

Adam Tatuś, EP

Artykuł ukazał się w
Elektronika Praktyczna
maj 2016
DO POBRANIA
Pobierz PDF Download icon
Materiały dodatkowe
Elektronika Praktyczna Plus lipiec - grudzień 2012

Elektronika Praktyczna Plus

Monograficzne wydania specjalne

Elektronik listopad 2025

Elektronik

Magazyn elektroniki profesjonalnej

Raspberry Pi 2015

Raspberry Pi

Wykorzystaj wszystkie możliwości wyjątkowego minikomputera

Świat Radio listopad - grudzień 2025

Świat Radio

Magazyn krótkofalowców i amatorów CB

Automatyka, Podzespoły, Aplikacje listopad - grudzień 2025

Automatyka, Podzespoły, Aplikacje

Technika i rynek systemów automatyki

Elektronika Praktyczna listopad 2025

Elektronika Praktyczna

Międzynarodowy magazyn elektroników konstruktorów

Elektronika dla Wszystkich grudzień 2025

Elektronika dla Wszystkich

Interesująca elektronika dla pasjonatów