Przejściówka USB/I²C

Przejściówka USB/I²C
Pobierz PDF Download icon
Miniaturowy moduł konwertera USB na I²C oparty o Arduino Leonardo. Stanowi doskonałe uzupełnienie warsztatu konstruktora oraz umożliwia skorzystanie z bogatej oferty układów z interfejsem I²C.

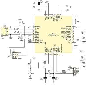
Moduł powstał z myślą o szybkim i komfortowym uruchamianiu urządzeń z interfejsem I²C. Jego schemat ideowy zamieszczono na rysunku 1. Układ jest uproszczoną - tylko do obsługi magistrali I²C - wersją Arduino Leonardo. Poza procesorem ATmega32U4 zawiera tylko złącza USB z układem polaryzacji, oscylator kwarcowy, złącze I²C, przycisk zerowania i dwie diody LED: jedną sygnalizującą załączenie zasilania, drugą "L" do wykorzystania programowo.

Rysunek 1. Schemat ideowy konwertera USB/I²C

Rysunek 2. Schemat montażowy konwertera USB/I²C

Moduł zmontowano na niewielkiej, dwustronnej płytce drukowanej w formie "klucza" wtykanego bezpośrednio do portu USB. Interfejs I²C oraz zasilanie +5 V wyprowadzono na złącze EH zgodne z Arduino. Rozmieszczenie elementów pokazano na rysunku 2. Układ zmontowany ze sprawnych elementów nie wymaga uruchamiania, należy tylko zaprogramować procesor bootloaderem Leonardo. Po zaprogramowaniu procesora złącze ISP można wylutować, zmniejszając wysokość modułu.

Adam Tatuś, EP

Artykuł ukazał się w
Elektronika Praktyczna
maj 2016
DO POBRANIA
Pobierz PDF Download icon
Materiały dodatkowe
Elektronika Praktyczna Plus lipiec - grudzień 2012

Elektronika Praktyczna Plus

Monograficzne wydania specjalne

Elektronik listopad 2025

Elektronik

Magazyn elektroniki profesjonalnej

Raspberry Pi 2015

Raspberry Pi

Wykorzystaj wszystkie możliwości wyjątkowego minikomputera

Świat Radio listopad - grudzień 2025

Świat Radio

Magazyn krótkofalowców i amatorów CB

Automatyka, Podzespoły, Aplikacje listopad - grudzień 2025

Automatyka, Podzespoły, Aplikacje

Technika i rynek systemów automatyki

Elektronika Praktyczna listopad 2025

Elektronika Praktyczna

Międzynarodowy magazyn elektroników konstruktorów

Elektronika dla Wszystkich grudzień 2025

Elektronika dla Wszystkich

Interesująca elektronika dla pasjonatów