Uniwersalny balanser aktywny 4S

Uniwersalny balanser aktywny 4S

Niewielki moduł balansera 4S będzie przydatny przy budowie pakietów akumulatorów do urządzeń przenośnych. Dzięki temu, że działa w sposób aktywny, nadmiar energii jest gromadzony w indukcyjności i przekazywany z ogniwa o wyższym napięciu do ogniwa o napięciu niższym.

Podstawowe parametry:
  • działa w sposób aktywny, nadmiar energii nie jest tracony w postaci ciepła,
  • dostosowany do pracy z 4 ogniwami (opcjonalnie z 3 ogniwami),
  • balansowanie jest wykonywane, jeżeli napięcia między ogniwami różnią się o więcej niż 100 mV,
  • maksymalna wartość prądu balansowania to ok. 1500 mA.

Za proces balansowania odpowiadają specjalizowane układy ETA3000 (ETA Solutions). Co 2 sekundy mierzą napięcia dwóch szeregowo połączonych ogniw pakietu (np. GND-CS1, CS1-CS2), jeżeli zmierzone napięcia różnią się o więcej niż 100 mV, a suma napięć dwóch cel jest większa od progu detektora ULVO=3,75 V, rozpoczyna się proces balansowania, tj. przekazywania energii z celi o wyższym napięciu do celi o niższym napięciu.

Budowa i działanie

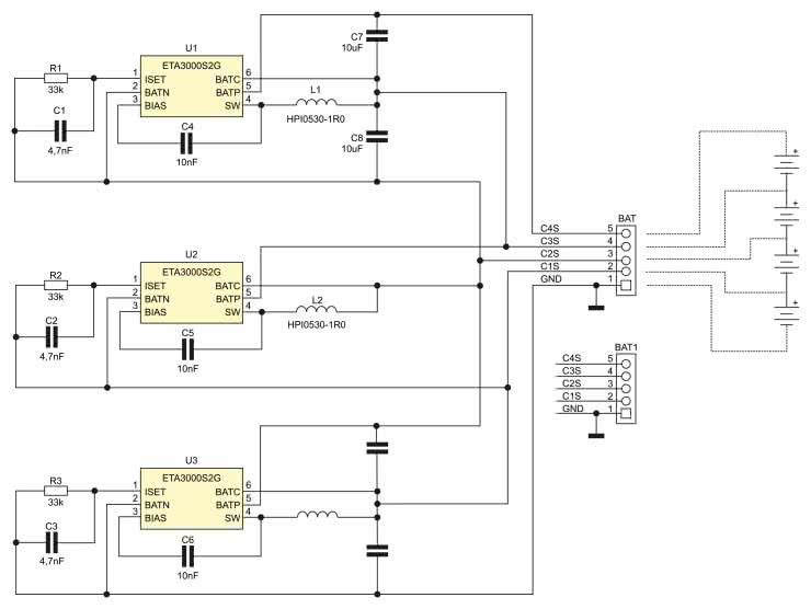
Schemat układu został pokazany na rysunku 1. Maksymalną wartość prądu balansowania ustala rezystor Rx podłączony do wyprowadzenia ISET, w modelu to ok. 1500 mA. Balansowanie zostaje zatrzymane, gdy napięcia na celach zostaną wyrównane, po czym układ przechodzi w stan SLEEP, pobierając nie więcej niż 2 μA, co zapewnia niskie samorozładowanie pakietu.

Rysunek 1. Schemat układu balansera 4S

Ze względu na rezystancje wewnętrzne ogniw i doprowadzeń wpływające na dokładność pomiaru napięć, maksymalna różnica na ogniwach po balansowaniu nie przekracza ±30 mV. Ze względu na zasadę działania, bazującą na wykrywaniu różnicy napięć, a nie ustalonego progu, układ jest uniwersalny i nadaje się do ogniw Li-FePo4 i Li-Ion, o ile napięcie pakietu dwóch ogniw nie przekracza 10 V. Warunek ten spełniają nawet nowoczesne ogniwa o podwyższonym do 4,35 V napięciu.

Dla balansowania większej liczby ogniw konieczne jest szeregowe łączenie układów ETA, w którym każdy z nich indywidualnie połączony jest do dwóch ogniw, ale obejmuje też jedno ogniwo z poprzedniego balansera, co umożliwia przekazywanie ładunku w całym pakiecie. Akumulator 4S podłączony jest do jednego ze złączy BAT typu JST PH 2 mm lub BAT1 typu SIP 2,54 w zależności od preferencji. Akumulator należy podłączać, zachowując kolejność cel - czyli w pierwszej kolejności łączymy wyprowadzenie masy, następnie w kolejności poszczególne cele CS1, CS2, CS3, CS4.

Montaż i uruchomienie

Układ wykonany jest na dwustronnej płytce drukowanej, której schemat pokazano na rysunku 2. Montaż układu nie wymaga szczegółowego opisu, a zmontowany moduł pokazuje fotografia tytułowa.

Rysunek 2. Schemat płytki PCB

Układ nie wymaga uruchamiania, wartość elementów należy dopasować do pojemności akumulatora i ustalonego prądu balansowania zgodnie z kartą katalogową ETA3000, która jest dostępna w materiałach dodatkowych do artykułu. Balanser można dostosować do akumulatora 3S, nie lutując elementów U1, R1, C1, C4, C7, L1 i pozostawiając wyprowadzenie C4S niepodłączone.

Adam Tatuś, EP

Wykaz elementów:
Rezystory:
  • R1, R2, R3: 33 kΩ 1% (SMD0603)
Kondensatory:
  • C1, C2, C3: 4,7 nF ceramiczny 5 V (SMD0603)
  • C4, C5, C6: 10 nF ceramiczny 50 V (SMD0603)
  • C7, C8, C9, C10: 10 μF ceramiczny 10 V (SMD0603)
Półprzewodniki:
  • U1, U2, U3: ETA3000S2G (SOT-23-6)
Pozostałe:
  • BAT1: złącze SIP5 2,54 (opcja)
  • BAT: złącze JST 2 mm kątowe
  • L1, L2, L3: dławik 1 μH HPI0530-1R0
Artykuł ukazał się w
Elektronika Praktyczna
kwiecień 2023
DO POBRANIA
Materiały dodatkowe
Elektronika Praktyczna Plus lipiec - grudzień 2012

Elektronika Praktyczna Plus

Monograficzne wydania specjalne

Elektronik listopad 2025

Elektronik

Magazyn elektroniki profesjonalnej

Raspberry Pi 2015

Raspberry Pi

Wykorzystaj wszystkie możliwości wyjątkowego minikomputera

Świat Radio listopad - grudzień 2025

Świat Radio

Magazyn krótkofalowców i amatorów CB

Automatyka, Podzespoły, Aplikacje listopad - grudzień 2025

Automatyka, Podzespoły, Aplikacje

Technika i rynek systemów automatyki

Elektronika Praktyczna listopad 2025

Elektronika Praktyczna

Międzynarodowy magazyn elektroników konstruktorów

Elektronika dla Wszystkich grudzień 2025

Elektronika dla Wszystkich

Interesująca elektronika dla pasjonatów