Konwertery poziomów logicznych - przegląd rozwiązań

Konwertery poziomów logicznych - przegląd rozwiązań
Pobierz PDF Download icon
Od czasów, gdy w urządzeniach cyfrowych stosowane były w zasadzie wyłącznie układy TTL z serii 74xx i kiedy tylko w nielicznych, specyficznych aplikacjach wymagano konwersji napięcia poziomu logicznego np. z TTL na ECL wiele się zmieniło. Dzisiaj mnogość układów oraz konieczność integrowania różnych układów zasilanych różnym napięciem, a co z tym związane - o różnych poziomach logicznych, wymusza stosowanie konwerterów między innymi dla zachowania jak najlepszych osiągów aplikacji. Artykuł jest przeglądem najbardziej popularnych rozwiązań układowych, gdy do poprawnego działania układu nie wystarczy już zwykły dzielnik napięcia lub pojedynczy tranzystor.

Rysunek 1. Przykładowe poziomy logiczne typowych rodzin układów cyfrowych

Zasada działania konwertera poziomów jest nieskomplikowana - układ dopasowuje poziomy napięciowe, a co z tym związane - poziomy logiczne (rysunek 1) pomiędzy rodzinami układów cyfrowych wykonanych w różnych technologiach, zasilanych najczęściej także różnym napięciem, które nie są ze sobą kompatybilne.

Problem dopasowania poziomów logicznych nie jest jedynym wymaganiem, ponieważ konwerter musi zapewniać odpowiednie obciążenie wyjść układów sterujących oraz odpowiednią wydajność prądową własnych wyjść. Oczywiste są też wymagania odnośnie do maksymalnej częstotliwości przełączania, krótkich czasów narastania i opadania oraz minimalnego poboru mocy.

Dobrze też, gdy układ nie jest wrażliwy na kolejność załączania napięć zasilających i toleruje napięcia na wyprowadzeniach I/O, gdy nie ma zasilania (szczególnie ważne w aplikacjach Hot-Plug).

Wśród dostępnych konwerterów (produkowanych min, przez Analog Devices, NXP, Texas Instruments, Maxim, ON-Semiconductors, STM, można wyróżnić następujące typowe podgrupy:

  • Z pojedynczym napięciem zasilającym:
    • Bramki/bufory.
    • Układy logiczne z konwerterem poziomu lub szeroką tolerancją napięcia I/O).
  • Z dwoma napięciami zasilania:
    • Konwertery jednokierunkowe.
    • Konwertery dwukierunkowe ze sterowanym kierunkiem przepływu.
    • Konwertery dwukierunkowe z automatycznym przełączaniem kierunku.
    • Konwertery specjalizowane np.: dla obsługi magistral równoległych/szeregowych.

Rysunek 2. Struktura wewnętrzna 74LVC1G98

Wiele z dostępnych układów stało się standardem, zgodnym parametrami oraz układem wyprowadzeń i można je znaleźć w ofercie kilku producentów (czasem ze zmienionymi oznaczeniami). We współczesnych aplikacjach najczęściej stosowane są konwertery poziomów: 3,3 V/5 V, 2,5 V/3,3 V, 1,8 V/3,3 V.

Wiele rozwiązań jest uniwersalnych i nie ogranicza się do konwersji ustalonych poziomów napięcia np. 3,3 V/5 V, ale dopuszcza szeroki zakres 1,2...3,3 V/2,5...5 V (w większości rozwiązań z warunkiem zachowania określonej różnicy napięć zasilających).

Bramki logiczne

Rysunek 3. Układ NLSV1T34

Bramki logiczne są najprostszymi, ale też najmniej elastycznymi konwerterami poziomów. Układy zasilane są jednym napięciem np.: 3,3 V lub 5 V i w zależności od technologii wykonania mogą dokonywać konwersji poziomów logicznych pomiędzy różnymi rodzinami łączonych układów. Najczęściej konwersja odbywa się z 5 V na 3,3 V. Wtedy jako konwerter mogą służyć bramki z serii LVC, LVX, LVT, AHC, które zasilane z 3,3 V tolerują napięcie wejściowe do 5 V.

Rysunek 4. Układ 74AUP1T34

Dla konwersji 3,3 V na 5 V odpowiednie są bramki z serii LVT, które zasilane z 3,3 V tolerują poziomy TTL, zarówno na wejściach, jak i wyjściach. Do najczęściej stosowanych układów należą bramki pojedyncze 74LV1T125, bramki Schmidta np. LV(...)14, bufory trójstanowe LV(...)125 oraz 8-bitowe LV(...)240/244/245. Stosując bramki każdorazowo należy przeanalizować akceptowane poziomy napięcia wejścia/wyjścia wymagane dla konwersji i dobrać odpowiednią rodzinę układów.

Rysunek 5. Układy NLSV2T244, NLSV4T244, NLSV8T244

Niestety, liczba dostępnych rodzin stale maleje, a ceny i dostępne obudowy układów powoli podważają sens ich stosowania. Ciekawą propozycją w tej grupie są układy produkowane przez NXP: 74AUP1T97, 74LVC1G98 (a także podobne SN74AUP1T57,58,98 TI).

Są to tzw. bramki uniwersalne, o trzech wejściach i realizowanej funkcji logicznej określanej stanem wyprowadzeń. Ze względu na szeroki zakres napięcia zasilania i tolerancję I/O, układy mogą służyć do konwersji poziomów (LVC 1,65...5,5 V, AUP 2,3...3,6 V), a przy okazji realizować "drobną", definiowaną funkcję logiczną. Układy dostępne są w obudowach SC88, SC74, XSON6. Schemat wewnętrzny układu 74LVC1G98 przestawia rysunek 2.

Konwertery jednokierunkowe

Rysunek 6. Układ 74LVC1T45

Konwertery jednokierunkowe to układy specjalizowane, zasilane dwoma napięciami odpowiadającymi napięciu zasilania łączonych układów. Stosowane są do konwersji poziomów w jednym kierunku. Układy występują w wersjach 1-, 2-, 4- i 8-bitowych.

Najprostszym przedstawicielem grupy jest układ NLSV1T34 (rysunek 3) firmy ON Semiconductor, który w obudowie SC-70 lub UDFN6 zawiera jeden jednokierunkowy, niesterowany translator poziomów o zakresie napięcia zasilania 0,9...4,5 V.

Układ ma zabezpieczenie wejść na poziomie 4,5 V, nie wymaga sekwencji załączania zasilania oraz nie warunkuje napięć Vcca/Vccb, co umożliwia konwersję zarówno "w dół", jak i "w górę".

Rysunek 7. Układ 74AVC16T245

Podobnymi cechami charakteryzują się układy NLSV1T244, NLSV1T240 (odwracający, B=!A), z wyjściem trójstanowym sterowanym sygnałem OE, umieszczone w obudowach UDFN6. W ofercie Texas Instruments znajdziemy odpowiedniki funkcjonalne 74AUP1T34, 74LV1T34 zawierające dwunapięciowy translator w wersji AUP w zakresie 0,9...3,6 V i LV 1,2...5,5 V w obudowie SOT23, SC70 (rysunek 4).

Unikalną cechą translatorów 74AUP1T34 jest tryb częściowego wyłączenia zasilania, gdy po zaniku Vcca ustawia wyjście B w stan wysokiej impedancji z jednoczesnym zabezpieczeniem przed prądem wstecznym.

W aplikacjach wymagających jednoczesnej konwersji kilku sygnałów, doskonale sprawdzą się NLSV2T244 (2-bitowy), NLSV4T244 (4-bitowy), NLSV8T244 (8-bitowy) dostępne w obudowach odpowiednio UDFN8, SO8, MicroSO8 i UQFN12, SOIC14, TSSOP14 oraz QFN20, SOIC20, TSSOP20 (rysunek 5).

Konwertery dwukierunkowe

Rysunek 8. Układ ADG3301

Konwertery dwukierunkowe ze sterowanym zewnętrznie kierunkiem przepływu są stosowane, gdy konwersja poziomów musi odbywać się w dwóch kierunkach, gdy mamy do dyspozycji sygnał umożliwiający zmianę kierunku transmisji (np. w wypadku komunikacji GPIO poprzez magistralę multipleksowaną).

Tutaj także do wyboru pozostaje kilkanaście rozwiązań zależnych od szerokości magistrali, umożliwiających konwersję od 1 do 32 bitów.

Najpopularniejszym sterowanym translatorem dwukierunkowym jest 1-bitowy 74LVC1T45 (TI) dla konwersji 1,8 V/5 V oraz odpowiednik niskonapięciowy 74AVCH1T45 dla konwersji 1,2 V/3,6 V. Oba układy są dostępne w obudowach SOT i DSBGA dla układów, w których ważnym kryterium jest oszczędność miejsca (rysunek 6).

Rysunek 9. Układ PCA9306 przeznaczony dla interfejsu I2C

Układy "wielobitowe" stosowane najczęściej do konwersji poziomów magistral pomiędzy niskonapięciowymi procesorami, a układami pamięci lub peryferiów. Przykładem mogą być układy NXP: 74AVC16T245, 74AVC20T245, 74AVC32T245 (rysunek 7).

Wszystkie wymienione wcześniej układy, niezależnie od szerokości magistrali, dopuszczają dwukierunkową konwersję w zakresie napięcia 0,9...3,6 V przy prędkości transmisji dochodzącej do 380 Mbit/s, mają grupowe wejścia !OE umożliwiające ustawienie stanu wysokiej impedancji wyprowadzeń I/O.

Konwertery dwukierunkowe

Rysunek 10. Układy MAX3390/92E przeznaczone dla interfejsu SPI

Konwertery dwukierunkowe z automatyczną detekcją kierunku. Idealne w zastosowaniach do interfejsów GPIO, gdy nie ma do dyspozycji sygnału sterującego kierunkiem transmisji lub gdy wypracowanie takiego sygnału jest niepraktyczne lub wręcz niemożliwe.

Przykładem może być rodzina ADG330x Analog Devices (rysunek 8), konwerterów 1-, 4- i 8-bitowych dopuszczających napięcie 1,15...5,5 V, charakteryzujących się szybkością transmisji do 50 Mbit/s oraz warunkiem różnicy napięcia Vcca<Vccy, wymaganej dla poprawnej pracy konwertera.

Układy w zależności od wersji dostępne są w obudowach SC70, TSSOP, LFCSP, WLCSP.

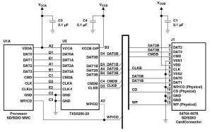
Rysunek 11. Układ TXS0206-29 służący do przyłączenia karty SD/ MMC

Odpowiednikiem funkcjonalnym ADG produkowanym przez TI są układy TXS010x, TXB010x. TXS dedukowany do aplikacji z interfejsem OD (Open Drain). Układy tolerują napięcie Vcca=1,65...3,3 V, Vccb=2,3...5.,5 V przy warunku Vcca<Vccb. Prędkość transmisji TXS010x wynosi do 24 Mbit/s w aplikacjach z interfejsem Push-Pull i spada do 2Mbit/s dla Open Drain, dla TXB010x dochodzi do 100MBit/s.

Gdy wymagana jest konwersja w układach niskonapięciowych doskonale sprawdzi się rodzina TXB030x, pracująca w zakresie 0,9...3,6 V. Bogatą ofertę układów konwersji poziomów z automatycznym wykrywaniem kierunku transmisji mają także firmy Maxim oraz NXP np.: MAX3372/3E, MAX3377/78E lub NTB(S)010x. W aplikacjach 8-bitowych często spotykany jest ST2387E firmy STM, pracujący w zakresie napięcia 1,71...5,5 V z prędkością 13 Mbit/s lub ST2189 przeznaczony do pracy przy napięciu z zakresu 1,65...3,6 V i prędkości do 92 Mbit/s.

Konwertery specjalizowane

Rysunek 12. Układ NCN4555 do przyłączenia karty SIM

Konwertery specjalizowane to układy przeznaczone do konwersji poziomów najczęściej używanych magistral komunikacyjnych, takich jak I²C, SMBus, SPI lub przy konstruowaniu interfejsów kart SIM, SD itp. W większości wypadków sprawdzają się także konwertery uniwersalne wymienione wcześniej, ale warto zapoznać się rozwiązaniami układowymi proponowanymi przez producentów.

Dla magistrali I²C/SMBus ciekawą propozycje ma NXP - układ PCA9306 (rysunek 9), umożliwiający konwersję poziomów pomiędzy 1,2...3,3 V, a 1,8...5,5 V. Układ PCA9306 jest dostępny w obudowach SSOP, VSSOP, WSON, DSBGA. Układ stał się standardem produkują go także inni producenci (TI). Wśród dostępnych rozwiązań alternatywnych, warto wymienić FXMA2102 Fairchild oraz TCA9406 TI.

W ofercie Maxim znajdują się układy MAX3390/92E dedykowane magistrali SPI, zawierające konwertery w układzie jednokierunkowym 3/1, w zależności od typu dla konwersji "w dół" lub "w górę" (rysunek 10). Układy pracują w zakresie 1.2-5.5V i posiadają wbudowane zabezpieczenie ESD. Dla rozwiązań wymagających konwersji poziomów dla portu UART, dedykowany jest MAX3375E, dostępny w obudowie SOT-23-8 i TDFN8 zawierający dwa konwertery pracujące w przeciwnych kierunkach.

Rysunek 13. Układ TXS02326 do przyłączenia dwóch kart SIM

Kolejnymi specjalizowanymi konwerterami poziomów, są układy przeznaczone dla obsługi kart pamięci SD oraz kart SIM. Przykładem pierwszego może być układ TXS0206 oraz TXS0206-29 (z wbudowanym LDO (rysunek 11), które oprócz konwerterów poziomów o odpowiedniej szybkości, posiadają zabezpieczenia przepięciowe oraz układy zasilania kart.

Ostatnią podgrupą są konwertery poziomów służące do obsługi kart SIM. Tutaj za przykład można podać NCN4555 (rysunek 12) ON Semiconductors (w obudowie QFN16) lub TXS02326 (rysunek 13) Texas Instruments (w obudowie QFN24). Oba konwertery oprócz konwersji poziomów NCN4555 zapewniają zabezpieczenia ESD oraz zasilania dla współpracującej karty. TXS02326 jest dodatkowo konfigurowalny programowo poprzez interfejs I2S i umożliwia współpracą z dwoma kartami SIM.

Przedstawione rozwiązania nie wyczerpują oczywiście dostępnej na rynku oferty, mają jedynie ułatwić orientację i dobór rozwiązania.

Adam Tatuś, EP

Artykuł ukazał się w
Elektronika Praktyczna
maj 2016
DO POBRANIA
Pobierz PDF Download icon
Elektronika Praktyczna Plus lipiec - grudzień 2012

Elektronika Praktyczna Plus

Monograficzne wydania specjalne

Elektronik listopad 2025

Elektronik

Magazyn elektroniki profesjonalnej

Raspberry Pi 2015

Raspberry Pi

Wykorzystaj wszystkie możliwości wyjątkowego minikomputera

Świat Radio listopad - grudzień 2025

Świat Radio

Magazyn krótkofalowców i amatorów CB

Automatyka, Podzespoły, Aplikacje listopad - grudzień 2025

Automatyka, Podzespoły, Aplikacje

Technika i rynek systemów automatyki

Elektronika Praktyczna listopad 2025

Elektronika Praktyczna

Międzynarodowy magazyn elektroników konstruktorów

Elektronika dla Wszystkich grudzień 2025

Elektronika dla Wszystkich

Interesująca elektronika dla pasjonatów