Kompaktowy licznik czasu pracy z detekcją przepływu prądu

Kompaktowy licznik czasu pracy z detekcją przepływu prądu

Czas pracy maszyny, mierzony podczas pobierania przez nią energii elektrycznej, to jeden z podstawowych parametrów warunkujących prawidłową pracę urządzeń, które wymagają okresowego serwisu. Prezentowany układ umożliwia łatwą realizację takiego pomiaru, a dodatkowo cechuje się kompaktową formą i prostą obsługą.

Podstawowe parametry:
  • pomiar czasu przepływu prądu przemiennego o wartości przekraczającej ustalony próg,
  • możliwość wyświetlania zmierzonego czasu w jednym z trzech wariantów: dni, dni i godzin, godzin i minut,
  • maksymalna pojemność licznika: 9999 dni lub 99 dni i 23 godziny lub 99 godzin i 59 minut,
  • pomiar pobieranego prądu poprzez przekładnik prądowy z izolacją galwaniczną,
  • możliwość ustawienia progu nieczułości wartości skutecznej prądu w zakresie 240 mA…24 A,
  • sygnalizacja przepełnienia licznika,
  • czytelny, czterocyfrowy wyświetlacz siedmiosegmentowy LED,
  • możliwość wyzerowania wskazań,
  • zapamiętywanie zmierzonego czasu podczas zaniku zasilania,
  • pobór prądu: około 20 mA,
  • napięcie zasilania: 9…30 V DC.

Wiele urządzeń przemysłowych wymaga tak trywialnej rzeczy, jak pomiar czasu ich pracy. Jest to wymagane do zachowania gwarancji producenta (nierzadko również ubezpieczenia!) danej maszyny, aby przechodziła ona przeglądy co ściśle określony czas. Jednocześnie wiele urządzeń, zwłaszcza starszej daty, nie została wyposażonych w tak prostą funkcję. Z kolei „ręczne” zliczanie na zasadzie oszacowania dziennego czasu pracy lub – co gorsza – w zeszycie z notatkami, jest niewygodne i niedokładne. Znacznie prościej jest polegać pod tym względem na elektronice.

Prezentowany układ mierzy czas upływający podczas zwiększonego poboru prądu przez maszynę. Rozdzielczość pomiaru wynosi 1 s, choć wynik jest prezentowany w jednej z trzech bardziej czytelnych form: dni, dni i godzin lub godzin i minut, w zależności od potrzeb. Pomiar prądu jest realizowany przez przekładnik prądowy, więc nie ma galwanicznego połączenia opisywanego licznika z siecią energetyczną.

Budowa układu

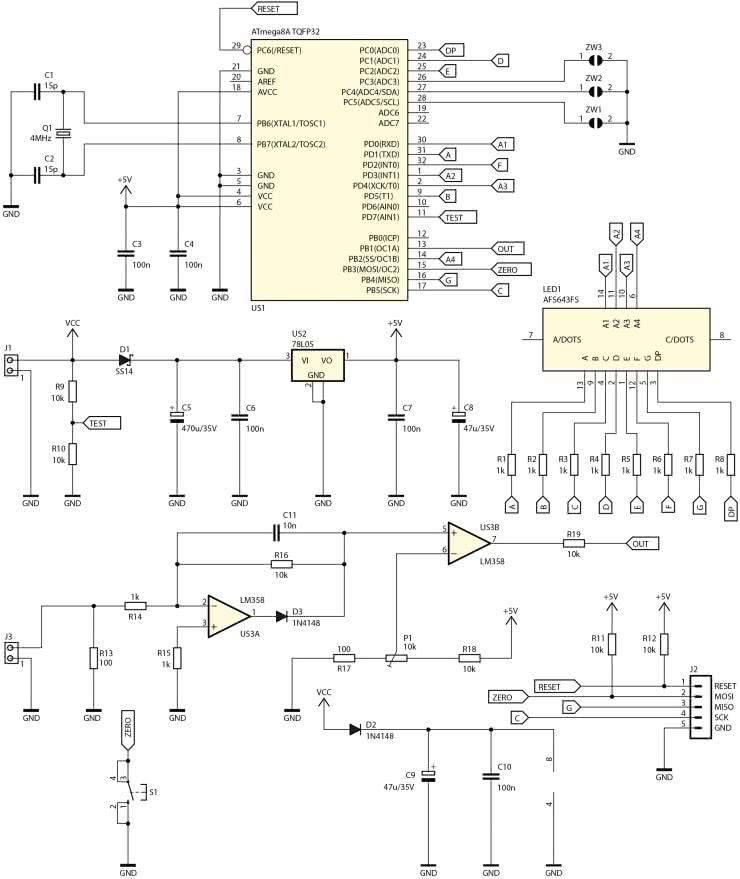
Schemat ideowy układu znajduje się na rysunku 1. Głównym podzespołem zawiadującym jego pracą jest mikrokontroler typu ATmega8A z 8-bitowym rdzeniem AVR, taktowanym sygnałem o częstotliwości 4 MHz, której wzorzec stanowi rezonator kwarcowy Q1.

Rysunek 1. Schemat ideowy kompaktowego licznika czasu pracy

Zastosowany w układzie wyświetlacz ma cztery cyfry, z których każda jest złożona z siedmiu segmentów oraz kropki. Do jego pełnego wysterowania w trybie multipeksowym potrzeba zatem dwunastu wyprowadzeń mikrokontrolera, których ten ma aż nadto. W ten sposób można było pominąć dodatkowe ekspandery, które zwiększałyby powierzchnię zajmowaną przez układ na PCB. Sterowanie segmentów odbywa się poprzez rezystory o stosunkowo wysokiej rezystancji (1 kΩ), zatem ich prąd wynosi około 3 mA – co umożliwia sterowanie całych cyfr wprost z wyjść mikrokontrolera, bez dodatkowych tranzystorów (sumaryczny prąd nie przekracza bowiem 24 mA). Dzięki tym (oraz innym) zabiegom płytka drukowana ma powierzchnię niewiele większą od samego wyświetlacza LED. Dwukropek nie jest w tej aplikacji używany, pozostał zatem niepodłączony.

Użytkownik ma do dyspozycji trzy zworki SMD, które służą do wyboru sposobu zliczania czasu, a także przycisk monostabilny przeznaczony do zerowania wskazań. Zaprogramowanie pamięci Flash mikrokontrolera montowanego powierzchniowo jest ułatwione dzięki obecności w układzie złącza J2, do którego zostały doprowadzone linie sygnałowe interfejsu ISP. Linie: zerująca mikrokontroler oraz zerująca wskazania zostały dodatkowo podciągnięte do dodatniego potencjału zasilającego przez zewnętrzne rezystory o wartości 10 kΩ, aby układ był bardziej odporny na pochodzące z zewnątrz zakłócenia elektromagnetyczne, których w środowisku przemysłowym jest przecież niemało.

Przekładnik prądowy wytwarza na swoich wyprowadzeniach napięcie (po obciążeniu go rezystorem), które ma bardzo małą amplitudę w stosunku do czułości mikrokontrolera. Dlatego sygnał prądowy zeń pochodzący jest konwertowany na napięcie przy pomocy równoległego połączenia rezystorów R13 i R14, których wypadkowa wartość wynosi około 91 Ω. Wzmacniacz operacyjny US3A został skonfigurowany do pracy w charakterze jednopołówkowego prostownika ze wzmocnieniem –10 V/V, którego zadaniem jest zwiększenie wartości szczytowej co drugiej połówki sygnału napięciowego, odłożonego na rezystancji obciążającej przekładnik. Kondensator C11 ogranicza pasmo przenoszenia tego układu, eliminując z sygnału krótkotrwałe zakłócenia szpilkowe oraz pewną część energii szumu. Warto zauważyć, że tylko ujemna połówka wejściowego sygnału napięciowego ulega wzmocnieniu, z kolei dodatnia przechodzi przez układ bez dodatkowego wzmocnienia. To jednak nie przeszkadza, bowiem można założyć, że są one sobie równe co do amplitudy.

Tak uzyskany, unipolarny sygnał napięciowy trafia na prosty komparator, którego rolę pełni drugi wzmacniacz operacyjny (US3B). Porównuje on wartość chwilową sygnału wyjściowego wzmacniacza z napięciem stałym, ustalonym przez położenie ślizgacza potencjometru P1. Z uwagi na występujący offset napięciowy, rezystor R17 pozwala na ustawienie minimalnego napięcia wynoszącego około 25 mV. Jest to także minimalna wartość szczytowa sygnału, która spowoduje zadziałanie funkcji odmierzania czasu. Z kolei zbyt wysoka regulacja „w górę” zakresu byłaby po prostu niewygodna i została ograniczona rezystorem R18. Przy wartościach elementów takich, jak na schemacie, przekłada się to na ustalenie progu zadziałania układu w przedziale od 0,24 A do 24 A wartości skutecznej prądu, przy założeniu sinusoidalnego kształtu jego przebiegu. Możliwość regulacji progu zadziałania jest wygodna w sytuacjach, kiedy nadzorowane urządzenie pobiera jakiś niewielki prąd w stanie spoczynku, który nie zalicza się jednak do jego czasu pracy.

Mikrokontoler jest zasilany stabilizowanym napięciem o wartości 5 V, dostarczanym przez układ US2. Pobór prądu jest na tyle niski, że niewielki układ scalony w obudowie SOT89 poradzi sobie z odprowadzeniem ciepła nawet przy wysokiej różnicy napięć między swoim wejściem a wyjściem. Ponieważ do zapisania w pamięci EEPROM konieczna jest znajomość momentu zaniku napięcia zasilającego, został dodany obwód składający się z dzielnika rezystancyjnego R9+R10, z którego napięcie trafia wprost na wejście mikrokontrolera. Jego rezystancja wyjściowa jest na tyle wysoka, że nawet przy wysokim napięciu zasilającym prąd płynący przez diodę zabezpieczającą wejście mikrokontrolera (wbudowaną w jego strukturę) nie przekroczy kilku miliamperów, a dodatkowo odciąży stabilizator.

Aby jednak możliwie szybko wykryć moment zaniku napięcia zasilającego, kondensatory elektrolityczne utrzymujące energię w układzie zostały oddzielone od wejścia zasilania diodami, co zapobiega sztucznemu podtrzymaniu napięcia na dzielniku w momencie, kiedy źródło zasilania już „padło”. Kondensator C5 stanowi główny rezerwuar energii dla mikrokontrolera, który musi dokonać zapisu odmierzonych wartości do pamięci EEPROM, wykorzystując jedynie energię zgromadzoną w C5. Dlatego wzmacniacz operacyjny US3 jest zasilany przez odrębny obwód, zawierający diodę D2 – dzięki temu nie obciąża on dodatkowo kondensatora C5, dając mikrokontrolerowi jak najwięcej czasu na dokonanie zapisu.

Montaż i uruchomienie

Układ został zmontowany na dwustronnej płytce drukowanej o wymiarach 90 mm × 29 mm. Jej wzór ścieżek oraz schemat montażowy pokazuje rysunek 2.

Rysunek 2. Schemat montażowy płytki: a) strona TOP, b) strona BOTTOM

Szczegóły na temat lokalizacji obiektów kluczowych dla wykonania obudowy (przycisku monostabilnego i wyświetlacza LED) znajdują się na rysunku 3. Wszystkie otwory montażowe mają średnicę 3,2 mm i znajdują się w odległości 3 mm od krawędzi płytki.

Rysunek 3. Położenie przycisku i wyświetlacza LED na powierzchni płytki drukowanej

Montaż proponuję rozpocząć od elementów montowanych powierzchniowo, które znajdują się wyłącznie na spodniej stronie płytki. Po dokonaniu ewentualnych poprawek radzę wlutować kondensatory elektrolityczne (C5, C8 i C9), potencjometr P1, rezonator kwarcowy Q1 i złącze J2. Po przycięciu ich wprowadzeń oraz upewnieniu się co do poprawności wykonanych lutów, można przejść do wlutowania złączy J1 i J3 (warto połączyć je razem), przycisku S1 i wyświetlacza LED1. Taka kolejność jest zalecana z racji zakrywania części pól lutowniczych przez wyświetlacz. Zmontowany układ można zobaczyć na fotografii tytułowej oraz fotografii 1. Nic nie stoi na przeszkodzie, by przycisk wlutować od drugiej strony laminatu, czyniąc go niedostępnym od strony płyty czołowej obudowy licznika czasu.

Fotografia 1. Widok zmontowanej płytki od strony BOTTOM

Na etapie uruchamiania konieczne jest zaprogramowanie pamięci Flash mikrokontrolera dostarczonym wsadem oraz zmiana ustawień jego bitów zabezpieczających. Oto ich nowe wartości:

Low Fuse = 0xBD
High Fuse = 0xD9

Szczegóły są widoczne na rysunku 4, który zawiera widok okna konfiguracji tychże bitów z programu BitBurner. W ten sposób zostanie uruchomiony wbudowany generator dla rezonatorów kwarcowych o średniej częstotliwości drgań oraz Brown-Out Detector, który wprowadzi mikrokontroler w stan zerowania, jeżeli jego napięcie zasilające spadnie poniżej 2,7 V. To znacznie zmniejsza ryzyko zawieszenia się mikrokontrolera podczas uruchamiania.

Rysunek 4. Szczegóły ustawienia bitów zabezpieczających

Poprawnie zaprogramowany układ jest gotowy do działania po podłączeniu zasilania do zacisków złącza J1. Powinno to być napięcie stałe, dobrze filtrowane, niekoniecznie stabilizowane. Powinno pochodzić ze źródła, które nie zawiera kondensatorów wyjściowych o wysokiej pojemności, aby zagwarantować szybki spadek napięcia zasilającego w momencie utraty zasilania sieciowego. Powolne zanikanie napięcia może sprawić, że układ nie zdąży zapisać danych. Pobór prądu jest zależny od aktualnego wskazania wyświetlacza i typowo nie przekracza 20 mA. Napięcie zasilające powinno zawierać się w przedziale 9…30 V.

Przed włączeniem zasilania należy również dokonać wyboru trybu pracy układu, poprzez zwarcie kroplą spoiwa lutowniczego tylko jednej z trzech zworek SMD:

  1. ZW1: odmierzanie dni w przedziale 0…9999,
  2. ZW2: odmierzanie dni w przedziale 0…99 i godzin w przedziale 0…23,
  3. ZW3: odmierzanie godzin w przedziale 0…99 i minut w przedziale 0…59.

Eksploatacja

Po podłączeniu przekładnika prądowego do złącza J3 oraz włączeniu zasilania, układ pokaże na matrycach ostatnio zapamiętany czas, jak na fotografii 2. Tutaj pokazywane są minuty i godziny (zwarta zworka ZW3). Jeżeli ustawiona jest zworka ZW1, świeci się kropka po prawej stronie wyświetlacza, za najmniej znaczącą cyfrą, która miga w czasie pomiaru czasu. W dwóch pozostałych przypadkach kropka ta jest położona pośrodku wyświetlacza, oddzielając symbolicznie dni od godzin lub godziny od minut.

Fotografia 2. Widok układu w czasie pracy

Ustawienie progu zadziałania licznika jest możliwe poprzez regulację potencjometrem P1. Powinien on być tak ustawiony, aby w czasie pracy maszyny kropka migała nieprzerwanie. Skręcanie ślizgacza w stronę MIN oznacza zwiększanie czułości (mniejszy prąd wymagany do zadziałania licznika), zaś ustawienie bliżej strony MAX przekłada się na większy prąd konieczny do aktywacji zliczania.

Zerowanie wskazań jest możliwe tylko podczas włączania zasilania układu, aby uchronić go przed przypadkowym wyzerowaniem w czasie pracy. Należy trzymać wciśnięty przycisk S1 i włączyć zasilanie – odmierzone wcześniej wartości zostaną wyzerowane. Potem można już puścić klawisz przycisku S1.

Wyświetlacz jest w stanie pokazać dwa komunikaty. Jeżeli zworki ZW1…ZW3 ustawione są nieprawidłowo (na przykład nie jest zwarta żadna lub zwarte więcej niż jedna), to układ pokaże napis „Err” i zatrzyma dalsze działanie. Należy wyłączyć jego zasilanie, poprawić ustawienie zworek SMD i włączyć ponownie. Jeżeli zaś licznik ulegnie przepełnieniu w danym zakresie, układ pokaże kreski „----”. Trzeba go wówczas wyzerować, stosując opisaną wcześniej procedurę z użyciem przycisku S1.

Przekładnik prądowy należy połączyć z płytką przy użyciu możliwie krótkich przewodów. Warto, aby nie były one drastycznie cienkie, co tłumiłoby sygnał użyteczny – choć nie jest to krytyczne, wszak układ nie dokonuje pomiaru natężenia prądu, a jedynie wykrywa jego obecność. Użycie przewodu ekranowanego jest wskazane; oplot warto podłączyć do zacisku masy (GND) na płytce.

Michał Kurzela, EP

Wykaz elementów:
Rezystory: (SMD 1206)
  • R1…R8, R14, R15: 1 kΩ
  • R9…R12, R16, R18, R19: 10 kΩ
  • R13, R17: 100 Ω
  • P1: 10 kΩ potencjometr montażowy leżący
Kondensatory:
  • C1, C2: 15 pF (SMD 1206)
  • C3, C4, C6, C7, C10: 100 nF (SMD 1206)
  • C5: 470 μF 35 V elektrolityczny (raster 5 mm)
  • C8, C9: 47 μF 35 V elektrolityczny (raster 2,5 mm)
  • C11: 10 nF (SMD 1206)
Półprzewodniki:
  • D1: SS14
  • D2, D3: 1N4148 (MiniMELF)
  • LED1: AF5643FS
  • US1: ATmega8A (TQFP32)
  • US2: 78L05 (SOT89)
  • US3: LM358 (SO8)
Pozostałe:
  • J1, J3: ARK2/500
  • J2: goldpin 5 pin męski (2,54 mm, THT)
  • Q1: kwarc 4 MHz (niski)
  • S1: microswitch 6×6, h=1,5 mm
  • Przekładnik prądowy, typ: TALEMA ASM-010
Elektronika Praktyczna Plus lipiec - grudzień 2012

Elektronika Praktyczna Plus

Monograficzne wydania specjalne

Elektronik styczeń 2026

Elektronik

Magazyn elektroniki profesjonalnej

Raspberry Pi 2015

Raspberry Pi

Wykorzystaj wszystkie możliwości wyjątkowego minikomputera

Świat Radio styczeń - luty 2026

Świat Radio

Magazyn krótkofalowców i amatorów CB

Automatyka, Podzespoły, Aplikacje listopad - grudzień 2025

Automatyka, Podzespoły, Aplikacje

Technika i rynek systemów automatyki

Elektronika Praktyczna grudzień 2025

Elektronika Praktyczna

Międzynarodowy magazyn elektroników konstruktorów

Elektronika dla Wszystkich styczeń 2026

Elektronika dla Wszystkich

Interesująca elektronika dla pasjonatów