Micro Head do gitary elektrycznej. Wzmacniacz gitarowy o mocy 25 W

Micro Head do gitary elektrycznej. Wzmacniacz gitarowy o mocy 25 W
Pobierz PDF Download icon
Wbrew pozorom, wielu muzyków ma smykałkę do elektroniki. Z jednej strony z konieczności, a z drugiej z zamiłowania. Z konieczności, ponieważ niejednokrotnie sprzęt przeznaczony do współpracy z ich instrumentami jest koszmarnie drogi. Z zamiłowania, ponieważ dzięki temu mogą tworzyć niepowtarzalne, unikatowe urządzenia nadające ciekawe brzmienie instrumentom. I chociaż opisywany projekt wzmacniacza nie wniesie niczego szczególnego do brzmienia instrumentu (bynajmniej nie powinien), to na pewno przyda się niejednemu muzykowi, nie tylko gitarzyście. Rekomendacje: przydatny w domu jako wzmacniacz małej mocy, świetnie sprawdza się w studiu nagrań, na scenie koncertowej, może pełnić rolę wzmacniacza odsłuchowego.

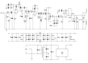
Rysunek 1. Schemat ideowy wzmacniacza gitarowego

Schemat ideowy wzmacniacza zaprezentowano na rysunku 1. Wzmacniacz można podzielić na trzy bloki funkcjonalne:

  1. Przedwzmacniacz (stopień wejściowy, korekta barwy dźwięku, stopień wzmacniający, wtórnik napięciowy).
  2. Końcówka mocy (wzmacniacz mocy zasilający głośnik lub zespół głośników).
  3. Zasilacz (blok odpowiedzialny za zasilanie całego urządzenia).

Stopień wejściowy wykonano na jednym z dwóch wzmacniaczy operacyjnych mieszczących się w obudowie układu scalonego NE5532. W skład tego stopnia wchodzą: rezystory R1...R6, kondensatory C1...C6 oraz potencjometr VR1, który służy do wstępnej regulacji wzmocnienia. Impedancję wejściową wyznacza rezystor R1 i wynosi ona 1 MΩ.

Czułość wejścia wynosi około 0,5 V i jest optymalna dla gitary elektrycznej. Pozwala przy tym na bez problemową regulację przedwzmacniacza w stopniu wejściowym. Wzmocnienie napięciowe tego stopnia mieści się w zakresie 29 dB dla tonów niskich oraz ok. 35 dB dla tonów wysokich pasma akustycznego.

Dodatkowe informacje

Fragmenty utworów oraz próbki dźwiękowe zawarte w materiałach dodatkowych zostały udostępnione do celów poglądowych. Materiał muzyczny można kopiować i rozpowszechniać w dowolnej formie, i na dowolnym nośniku. Wyraził na to zgodę autor artykułu, który jest też autorem utworów muzycznych. Zabrania się wykorzystywania utworów lub ich fragmentów w inny sposób bez zgody autora.

Wzmocnienie skrajnych pasm wypełnia lukę charakterystyki częstotliwościowej przetwornika gitary elektrycznej. Z reguły przetwornik gitary elektrycznej z pojedynczą cewką (single coil) pracuje w zakresie od 150...300 Hz do maksymalnie do 6...10 kHz, co wynika to z budowy przetwornika. Przeciętna impedancja takiego przetwornika wynosi około 4 kV, chociaż bezpiecznie jest założyć, że mieści się w zakresie 2...6 kΩ.

Przetwornik "single coil" brzmi "jaśniejszą" barwą tonów wysokich, ma dużo "środka" i mniej niskich tonów. Sprawa ma się nieco inaczej z przetwornikami z podwójną cewką (humbucker). Taki przetwornik pracuje w paśmie od 100...200 Hz do 5...8 kHz.

Rysunek 2. Schemat montażowy przedwzmacniacza gitarowego

Brzmienie uzyskiwane za pomocą takiego przetwornika jest "ciemniejsze", bez wyeksponowanych wysokich tonów, zawierające w barwie znacznie więcej tonów średnich i niskich. Impedancja humbuckera mieści się w zakresie 4...12 kV - średnio 8 kΩ.

Analizując charakterystyki częstotliwościowe przetworników możemy wyciągnąć wniosek, iż nie są one liniowe. Dlatego istotne jest podbicie skrajnych pasm w celu poprawy uzyskiwanego brzmienia. Ponieważ przetworniki gitarowe - bez względu na rodzaj i liczbę cewek - słabo przenoszą częstotliwości poniżej 100 Hz i powyżej górnej granicy pasma (zwykle 5 kHz), a znacznie lepiej od 100 Hz aż do ok. 5 kHz.

Głośnik gitarowy działa w paśmie od ok. 100 Hz do 5 kHz, ale charakterystyka częstotliwościowa w tym paśmie jest nieliniowa i można by zaryzykować twierdzenie, że tyle ile jest modeli głośników gitarowych, tyle jest różnych charakterystyk tych głośników. Dlatego przedwzmacniacz tak opracowano, by "wycisnąć" maksymalnie najwięcej brzmienia z przetwornika gitarowego i przełożyć to brzmienie na głośnik gitarowy.

Kolejnym stopniem jest pasywna korekcja tonów - należy ją traktować jako tłumiącą, ponieważ ustawienie potencjometrów na minimum spowoduje całkowite wyciszenie sygnału. Maksymalne rozkręcenie potencjometrów zbliży poziom sygnału do 0 dB (w praktyce jest to ok. -3 dB). Zastosowane korekcję typu Quasi fenderowsko - marshallowską. "Stack" i podobne korektory działają w zbliżony sposób.

Kolejną ważną rzeczą dotyczącą korektora tego typu jest zależność między potencjometrami. Oznacza to, że zmieniając ustawienie potencjometru np. tonów wysokich wpływamy również na tę część brzmienia, za której ustawienie odpowiada potencjometr regulujący basy i tony średnie. Jest to celowe działanie mające na celu lepsze zbalansowanie i uwydatnienie pasm w trakcie regulacji, aby była bardziej odczuwalne dla ucha. Wspomniany regulator wykonano w oparciu o rezystor R7 i kondensatory C7, C8 oraz potencjometry VR2...VR4.

Za pasywnym korektorem tonów mieści się stopień wzmacniacza napięciowego, który zbudowano z rezystorów R8, R9, kondensatorów C9...C11 oraz wzmacniacza operacyjnego NE5532. Wzmacnia on sygnał o 33 dB - tak duże wzmocnienie jest konieczne, ponieważ sygnał za korektorem jest stłumiony.

Rysunek 3. Schemat montażowy wzmacniacza mocy

Po wzmocnieniu sygnał jest kierowany na potencjometr VR5 regulujący poziom głośności (potencjometr VR5 oraz kondensatory C13 i C14 tworzą obwód regulacji dopasowany do właściwości ucha ludzkiego). Suwak potencjometru jest dołączony za pomocą rezystora do wejścia wtórnika napięcia z tranzystorem Q1. Pełni on rolę bufora pomiędzy przedwzmacniaczem, a wzmacniaczem mocy dopasowując ich rezystancje.

Dalej, sygnał jest kierowany na wejście końcówki z układem TDA2050. Uzyskiwana moc wynosi 25 W przy obciążeniu 4 Ω (17 W przy obciążeniu 8 Ω). Blok ten wyposażono w dodatkowe wejście "CD/MP3 Player" (dla odtwarzacza MP3 lub innego) oraz trzy wyjścia "Slave Out" (dla innej końcówki lub sprzętu nagrywającego), "Headphones" (dla słuchawek) i "Speaker Out" (dla głośników). Do wyjścia końcówki mocy dołączono diody prostownicze w kierunku zaporowym względem biegunów zasilania. Ma to na celu zmniejszenia zjawiska przystuku w momencie włączania i wyłączania zasilania.

Ostatnim blokiem jest zasilacz. Na pierwszy rzut oka jego budowa przypomina inne konstrukcje zasilaczy symetrycznych używanych we wzmacniaczach, jednak dodatkowo włączono w nim kondensator elektrolityczny C32 o pojemności 2200 µF/50 V. Pełni on dwie ważne funkcje: zmniejsza poziom "stuknięcia" słyszanego w głośnikach w momencie włączania i wyłączania zasilania oraz stanowi dodatkowy rezerwuar mocy dla wzmacniacza.

Schemat zasilacza należy podzielić na dwa segmenty. Pierwszy zawiera kondensatory C30...C32, C28, C29, C33 i diody prostownicze D6...D8. Ta część zasilacza odpowiada głównie za zasilanie końcówki mocy. Tylko niewielka część mocy zostaje przekazana na drugi segment zasilacza stabilizowanego, parametrycznego, zbudowanego na diodach Zenera D10 i D11 (DZ9,1V/1,3W).

Kondensatory o małej pojemności redukują szumy. Zastosowanie diod prostowniczych spolaryzowanych zaporowo względem zasilania redukuje przepięcia w momencie załączania i wyłączania zasilania. Rezystory R27 i R26 dodatkowo symetryzują zasilacz parametryczny służący do zasilania przedwzmacniacza. Napięcie zasilające przedwzmacniacz to ±9 V, a jego tolerancja ±0,5 V dla każdego bieguna zasilania.

Jeśli w praktyce uzyskiwane napięcie nie będzie mieściło się w zakresie (co do wartości bezwzględnej) 8,5...9,5 V, to należy zmienić diodę Zenera odpowiedzialną za daną gałąź zasilacza. Zasilacz współpracuje z transformatorem o mocy 40 VA i napięciu wyjściowym 2×12 V. Taka moc jest wystarczająca dla uzyskania mocy wyjściowej 25 W przy obciążeniu 4 Ω.

Wykaz elementów

Rezystory:
R22: 10 Ω
R21, R25: 100 Ω
R24: 470 Ω
R28, R29: 470 Ω/1...2 W
R23: 1 kΩ
R20: 1,5 kΩ
R14, R18: 4,7 kΩ
R6: 5,6 kΩ
R5: 6,8 kΩ
R8, R10, R15, R16: 10 kΩ
R7, R30: 22 kΩ
R17, R19, R26, R27: 47 kΩ
R2...R4: 100 kΩ
R11, R12: 220 kΩ
R9: 330 kΩ
R1: 1 MΩ
R13: 3,3 MΩ
ΩR1: 200 kΩ/A
ΩR2: 50 kΩ/A
ΩR3, ΩR5: 100 kΩ/C
ΩR4: 10 kΩ/C

Kondensatory:
C2: 100 pF/50 V (ceramiczny)
C5, C10, C11, C13: 220 pF/50 V (ceramiczny)
C14: 470 pF/50 V (ceramiczny)
C7: 1 nF/50 V (ceramiczny)
C4: 10 nF/50 V (ceramiczny)
C21, C23...C25, C28, C29, C33, C35...C37: 100 nF/50 V (ceramiczny)
C34: 220 nF/300 V
C1, C8: 220 nF/50 V (ceramiczny)
C6: 470 nF/50 V (ceramiczny)
C3, C9, C12, C15, C17...C19: 1 µF/50 V (ceramiczny)
C16, C20: 10 µF/25 V (tantalowy)
C22, C26, C27: 47 µF/25 V (elektrolit.)
C30, C31: 2200 µF/25 V (elektrolit.)
C32: 2200 µF/50 V (elektrolit.)

Półprzewodniki:
D1...D8: 1N4007
D9: dioda LED niebieska, 5 mm
D10, D11: dioda Zenera 9,1 V/1,3 W
Q1: BC547
US1: NE5532 (zamiennie TL062, TL072, TL082, LM353, LM358, NE4558)
US2: TDA2050
Mostek Graetza 50 V/4...6 A

Inne:
Transformator sieciowy 2×12 V/40 VA
Gniazda

Montaż i uruchomienie

Schemat montażowy przedwzmacniacza pokazano na rysunku 2, natomiast wzmacniacza mocy na rysunku 3. Montaż należy rozpocząć typowo, od najmniejszych elementów. Układ zmontowany ze sprawdzonych elementów działa już po włączeniu zasilania i nie wymaga żadnych dodatkowych regulacji.

Układ scalony wzmacniacza mocy TDA2050 należy zamontować na radiatorze żeberkowym o wymiarach około 70 mm×80 mm×35 mm (ostatni wymiar to wysokość żebra). Masę transformatora łączymy z masą zasilacza mocy. Rezystor R30 łączymy bezpośrednio z niebieską diodą LED, a dalej przewodami do mostka Gretza.

Ważne uwagi dotyczące zasilania i końcówki mocy

Tabela 1. Pojemność kondensatorów C30…C32 oraz wartość napięcia zasilającego zależnie od zastosowanego układu scalonego końcówki mocy

Nie zasilania końcówki mocy napięciem wyższym niż ±20 V. Układ scalony TDA2050 wytrzymuje zasilanie nawet napięciem ±25 V, ale już przy napięciu ±21,5 V pogarszają się parametry, co skutkuje podwyższonym poziomem szumów własnych i wzrostem zniekształceń harmonicznych.

Dlatego odradzam zasilanie napięciem zbliżonym do maksymalnego, ponieważ chciałbym zaoszczędzić czasu i pieniędzy czytelnikom, którzy zdecydują się na zbudowanie tego układu opartego na końcówce TDA2050 i mogą napotkać problem, z którym osobiście "walczyłem" przez ponad dwa miesiące.

Próbowałem przy tym różnych wariantów płytki drukowanej zmieniając prowadzenie masy, usuwając pętle masy i montując za każdym razem nową partię elementów. Dlatego obecna wersja płytki końcówki mocy jest połączona z płytką zasilacza mocy i zasilacza przedwzmacniacza.

Zamiast układu TDA2050 można użyć TDA2040, TDA2030 lub TDA2006 lub ewentualnie mocniejszego - TDA2051 o mocy 35 W. Te układy są kompatybilne pod względem aplikacji i wyprowadzeń, a różnią się maksymalną mocą wyjściową oraz dopuszczalnym napięciem zasilania. Tabela 1 ułatwi dobór kondensatorów i transformatora do odpowiedniej końcówki mocy.

Piotr Łuciuk

Artykuł ukazał się w
Elektronika Praktyczna
maj 2016
DO POBRANIA
Pobierz PDF Download icon
Materiały dodatkowe
Elektronika Praktyczna Plus lipiec - grudzień 2012

Elektronika Praktyczna Plus

Monograficzne wydania specjalne

Elektronik listopad 2025

Elektronik

Magazyn elektroniki profesjonalnej

Raspberry Pi 2015

Raspberry Pi

Wykorzystaj wszystkie możliwości wyjątkowego minikomputera

Świat Radio listopad - grudzień 2025

Świat Radio

Magazyn krótkofalowców i amatorów CB

Automatyka, Podzespoły, Aplikacje listopad - grudzień 2025

Automatyka, Podzespoły, Aplikacje

Technika i rynek systemów automatyki

Elektronika Praktyczna listopad 2025

Elektronika Praktyczna

Międzynarodowy magazyn elektroników konstruktorów

Elektronika dla Wszystkich grudzień 2025

Elektronika dla Wszystkich

Interesująca elektronika dla pasjonatów