Pierwsze kroki z FPGA. Szkoła MAXimatora - pierwszy projekt z edytorem schematów. cz. 2

Pierwsze kroki z FPGA. Szkoła MAXimatora - pierwszy projekt z edytorem schematów. cz. 2
Pobierz PDF Download icon
W pierwszej części kursu przedstawiliśmy podstawowe informacje na temat tego skąd i jakie narzędzia programowe będą nam potrzebne do rozpoczęcia przygody z układami FPGA i zestawem MAXimator. W tej części pokażemy jak krok-po-kroku przygotować pierwszy projekt. Ze względu na dostępny w bezpłatnej wersji programu Quartus Prime zestaw bogato wyposażonych bibliotek oraz łatwość przygotowania projektu z wykorzystaniem edytora schematów, w naszych pierwszych krokach skupimy się na implementacji projektu bazującego na modelach znanych elektronikom modelach układów z biblioteki TTL-7400.

Schemat blokowy pierwszego projektu, jaki zaimplementujemy w zestawie MAXimator, pokazano na rysunku 1. Jest on - jak widać - nieskomplikowany i podczas jego implementacji nie zużyjemy zbyt wielu zasobów FPGA. Ta prostota ułatwi nam skupienie uwagi na przebiegu realizacji projektu w środowisku Quartus Prime Lite z wykorzystaniem wbudowanego w nie edytora schematów.

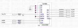
W implementowanym projekcie użyjemy 4-bitowego, binarnego, synchronicznego licznika znanego z rodziny TTL, oznaczonego symbolem 74169 (rysunek 2). Układ ten jest pozbawiony dedykowanego wejścia zerującego, dlatego do zerowania licznika użyjemy 4-bitowego wejścia równoległego D3...D0 (na którego liniach są przypisane stany 0000) i linii ładowania wartości początkowej LD.

Rysunek 1. Schemat blokowy pierwszego projektu

Rysunek 2. 4-bitowy, binarny licznik synchroniczny 74169

Fotografia 3. Wyjścia licznika dołączono do 4 LED będących elementem wyposażenia płytki bazowej MAXimator

Licznik 74169 wyposażono w wejście zmiany kierunku zliczania U/DN, na którym stan logiczny określa czy stan licznika po każdym impulsie zegarowym ulega zwiększeniu czy zmniejszeniu o jeden. Do wejść LED i U/DN są dołączone przyciski, które fizycznie są zamontowane na shieldzie wchodzącym w skład zestawu MAXimator.

Wyjścia licznika 74169 dołączono do 4 LED będących elementem wyposażenia płytki bazowej MAXimator (fotografia 3). Służą one do monitorowania stanów wyjść licznika Q3...Q0, przy czym trzeba pamiętać, że ich katody są sterowane z wyjść FPGA co oznacza, że diody świecą wtedy, gdy na wyjściach FPGA są stany "0".

Tworzenie projektu

Pracę rozpoczniemy od utworzenia projektu za pomocą kreatora wbudowanego w oprogramowanie, co wymaga - po uruchomieniu programu Quartus Prime Lite - wybrania opcji w menu File>New Project Wizard (rysunek 4). Kolejno będą wyświetlane okna kolejnych kroków kreatora, w których musimy podać nazwę projektu (w przykładzie jako nazwę przyjęliśmy licznik_74169) i lokalizację plików wchodzących w jego skład (rysunek 5).

Rysunek 4. Pracę rozpoczniemy od utworzenia projektu za pomocą kreatora wbudowanego w oprogramowanie

Rysunek 5. Wskazanie lokalizacji plików

Rysunek 6. Wybór rodziny MAX10

W kolejnych krokach pomijamy możliwość modyfikowania domyślnych ustawień, dopiero w oknie Family & Device Settings wybieramy rodzinę MAX10 (rysunek 6) i typ docelowego układu 10M08DAF256C8GES (rysunek 7). Na tym kończymy wstępną konfigurację projektu i przechodzimy do utworzenia i edycji schematu.

Quartus Prime i Windows 32?

Quartus Prime w wersjach obsługujących układy MAX10 jest dostępny dla Windows wyłącznie 64-bitowych.

Rysowanie schematu

W projekcie założonym według wcześniejszego opisu tworzymy planszę schematu, co wymaga wybrania w menu opcji File>New, w wyniku czego wyświetla się okno pokazane na rysunku 8. Wybieramy w nim opcję (w sekcji Design Files) Block Diagram/Schematic File w wyniku czego do projektu licznik_74169 zostanie dodana czysta plansza schematu, jak pokazano na rysunku 9.

Rysunek 7. Wybór typu docelowego układu 10M08DAF256C8GES

Rysunek 8. Tworzenie planszy schematu

Rysunek 9. Czysta plansza schematu

Dwukrotne kliknięcie prawym przyciskiem myszy na planszy schematu powoduje otwarcie okna dostępu do predefiniowanych graficznych symboli bibliotecznych (rysunek 10), z których użyjemy element z biblioteki others>max2plus o nazwie 74169 (rysunek 11).

Rysunek 10. Okno dostępu do predefi niowanych symboli

Rysunek 11. Wybór komponentu 74169

Rysunek 12. Ułożenie komponentu na planszy

Element wybrany z listy kładziemy na planszy schematu (rysunek 12), teraz "obrysujemy" go, wykonując lokalne połączenia, zgodnie z opisem na wstępie i dokumentacją licznika 74169. Potrzebny nam symbol "masy" (odpowiadający stanowi logicznemu "0") także pobieramy z biblioteki elementów graficznych, jest on dostępny w katalogu primitives>other (rysunek 13). Połączenia wykonujemy za pomocą narzędzia Orthogonal Node Tool, które jest dostępne w menu programu (rysunek 14).

MAXimator - zacznij przygodę z FPGA

Zestaw MAXimator jest atrakcyjną propozycją nie tylko dla początkujących z FPGA. Jednym z jego poważnych atutów jest bardzo niska cena, co udało się producentowi uzyskać dzięki ścisłej współpracy z kilkoma firmami, które wsparły zamysł edukacyjny pomysłu.

I tak: firmy Altera i EBV dostarczyły podzespoły do zestawu, firma NCAB wyprodukowała płytki drukowane zestawu, firma Semicon zmontowała elementy, a KAMAMI opracowała zestaw, stronę internetową, dokumentacje i materiały supportowe.

Po narysowaniu linii połączeniowych przypisujemy do nich symbole wejść i wyjść, do czego służy narzędzie Pin Tool dostępne w menu (rysunek 15). Dostępne są w nim trzy opcje: wejście, wyjście i linia dwukierunkowa. Wybieramy typy właściwe dla poszczególnych linii, w razie wątpliwości kierując się opisem symbolu bibliotecznego (rysunek 16 - kolumna Directions), który można wyświetlić klikając na symbol prawym przyciskiem myszy i wybierając opcję Properties>Ports.

Rysunek 13. Pobranie symbolu masy

Rysunek 14. Połączenia wykonujemy za pomocą narzędzia Orthogonal Node Tool

Rysunek 15. Narzędzie Pin Tool

Na rysunku 17 pokazano planszę schematu z narysowanymi połączeniami i przypisanymi od nich symbolami wejść i wyjść zgodnie z kierunkami linii licznika 74169.

W kolejnym kroku nadamy własne nazwy liniom I/O. W tym celu należy dwukrotnie kliknąć na symbolu linii lub naciskając prawy przycisk myszy wybrać opcję Properties, co spowoduje wyświetlenie okna pokazanego na rysunku 18.

W linii Pin name(s) wprowadzamy nazwy poszczególnych linii, które powinny być łatwe do skojarzenia, są bowiem używane nie tylko podczas implementacji projektu w układzie FPGA, ale także analizie funkcjonalnej i czasowej projektu - chodzi o to, aby nazwa wyraźnie sugerowała funkcję i pochodzenie sygnału. Na rysunku 19 pokazano proponowane nazwy sygnałów.

Rysunek 16. Wybieramy typy właściwe dla poszczególnych linii

Rysunek 17. Plansza schematu z narysowanymi połączeniami i przypisanymi od nich symbolami wejść i wyjść

Rysunek 18. Okno Properties

Kolejnym krokiem jest wstępna kompilacja projektu, co jest niezbędne do weryfikacji poprawności przygotowanego opisu, a także wygenerowaniu przez narzędzie do syntezy logicznej listy sygnałów oraz linii I/O. Jest ona nam niezbędna do ustalenia przypisań linii I/O do fizycznych wyprowadzeń układu FPGA. Kompilację uruchamia przycisk pokazany na rysunku 20.

Przypisania linii I/O do fizycznych wyprowadzeń układu FPGA wykonuje się za pomocą specjalnego edytora o nazwie Pin Planner, który jest uruchamiany za pomocą dwukrotnego kliknięcia opcji Pin Planner (rysunek 21). Otwarte okno edytora przypisań pokazano na rysunku 22.

Rysunek 19. Proponowane nazwy sygnałów

Rysunek 20. Przycisk uruchamiający kompilator

Rysunek 21. Uruchomienie edytora Pin Planner

Najważniejsza dla nas na tym etapie będzie tabela ulokowana w dolnej części okna, w której wylistowane są linie I/O, ich kierunkowość, przypisania do fizycznych wyprowadzeń zaproponowane wstępnie przez fitter (kolumna Fitter Location), domyślny standard napięciowy linii I/O, a także kilku innych parametrach mniej istotnych dla naszego projektu.

Modyfikacje poszczególnych opcji są możliwe po dwukrotnym kliknięciu w wybrane okno tabeli. Zaczynamy od ustalenia standardu napięciowego linii, zmieniając w każdym wierszu domyślną wartość 2,5 V na 3,3-V LVTTL.

Rysunek 22. Otwarte okno edytora przypisań

Rysunek 23. Ustalenie oznaczeń fizycznych linii FPGA

Rysunek 24. Przypisania ustalone dla projektu

Następnie w kolumnie Location przypisujemy wyprowadzenia implementowanego licznika w taki sposób, żeby wykorzystać przycisk zerujący oraz przycisk L (do zmiany kierunku zliczania) zamontowane na shieldzie, diody LED zamontowane na płytce MAXimatora do monitorowania stanów wyjść licznika, a sygnał zegarowy na jednej z wolnych linii I/O złącza Arduino.

Ustalenie oznaczeń fizycznych linii FPGA, do których będą przypisane sygnały projektu ułatwi mapa wyprowadzeń (rysunek 23) dostępna do pobrania na stronie maximator-fpga.org. Przypisania ustalone dla projektu przedstawiono na rysunku 24. Dodanie przypisań do fizycznych wyprowadzeń FPGA po ich wprowadzeniu staje się także widoczne na schemacie, jak to widać na rysunku 25.

Szukasz supportu?

Projekty przykładowe, dokumentacje oraz filmy poświęcone MAXimatorowi są dostępne na stronie www.maximator-fpga.org.

Po wprowadzeniu przypisani ponownie kompilujemy projekt (za pomocą przycisku pokazanego na rysunku 20) i w przypadku poprawnego jej zakończenia możemy zaprogramować układ FPGA z zestawie MAXimator.

W tym celu musimy mieć dołączony do komputera programator USB Blaster (wchodzący w skład zestawu MAXimator - przypominam o tym, że zazwyczaj konieczne jest ręczne wskazanie systemowi ścieżki do driverów programatora, co zostało opisane w EP4/2016), a sam programator za pomocą 10-żyłowego przewodu złącza JTAG do płytki MAXimator z dołączonym zasilaniem.

Rysunek 25. Dodanie przypisań do fizycznych wyprowadzeń FPGA

Rysunek 26. Uruchomienie programatora

Rysunek 27. Okno programatora

Program obsługujący programator jest uruchamiany za pomocą ikony w menu pokazanej na rysunku 26. Jego okno pokazano na rysunku 27. Jeżeli programator USB Blaster nie zostanie samoczynnie wykryty przez pakiet Quartus, klikamy przycisk Hardware Setup i w wyświetlonym oknie, w zakładce Hardware Settings wybieramy w oknie wyboru Currently selected hardware aktywny programator (rysunek 28).

W kolejnym kroku naciskamy w oknie obsługującym programator przycisk Add File... (rysunek 29) i w wyświetlonym oknie wskazujemy plik wynikowy, który użyjemy do programowania FPGA. Pliki wynikowe są domyślnie ulokowane w podkatalogu o nazwie output_files ulokowanym w katalogu projektu. Quartus domyślnie generuje dwa rodzaje plików:

  • o rozszerzeniu nazwy sof, który jest używany do bezpośredniej konfiguracji pamięci RAM w FPGA. Jego użycie zalecamy podczas eksperymentów z implementacją projektów, częsta modyfikacja zawartości RAM nie wpływa na żywotność pamięci konfiguracji Flash,
  • o rozszerzeniu nazwy pof, który służy do zapisania konfiguracji projektu w nieulotnej pamięci konfiguracji typu Flash. Jego użycie zalecamy do zaprogramowania FPGA ostateczną wersją implementowanego projektu.

Rysunek 28. Wybranie aktywnego programatora

Rysunek 29. Wskazanie pliku do programowania FPGA

Rysunek 30. Dodanie pliku sof powoduje wyświetlenie symbolu układu w oknie programu obsługującego programator

Dodanie pliku sof powoduje wyświetlenie symbolu układu w oknie programu obsługującego programator (rysunek 30) z domyślnie aktywną opcją Program/Configure, co umożliwia szybkie zapisanie konfiguracji do pamięci RAM FPGA. W przypadku wybrania pliku pof dostępne opcje są nieco inne (rysunek 31), omówimy je w kolejnych odcinkach kursu.

Rysunek 31. W przypadku wybrania pliku pof dostępne opcje są nieco inne

Przygotowanie i zapisanie do pamięci konfiguracji FPGA projektu przygotowanego według opisu gwarantuje jego poprawne działanie, przy czym należy pamiętać o dostarczeniu do linii D13 (C16) sygnału zegarowego o częstotliwości kilknastu...kilkuset Hz, który umożliwi obserwację na LED pracy licznika.

Zestaw MAXimator jest wyposażony w dwa własne źródła sygnałów zegarowych (generator kwarcowy 10 MHz i wewnętrzny generator zegarowy wbudowany w układ FPGA MAX10), ale częstotliwości generowanych przez nie sygnałów są zbyt duże, żeby można było zaobserwować zmiany stanów LED.

Można zastosować preskaler dzielący częstotliwość sygnału generatora kwarcowego do wartości >200 Hz, co umożliwi obserwację pracy licznika bez konieczności stosowania dodatkowego generatora sygnału zegarowego - temu poświęcamy nasz konkurs.

Piotr Zbysiński, EP

Artykuł ukazał się w
Elektronika Praktyczna
maj 2016
DO POBRANIA
Pobierz PDF Download icon
Elektronika Praktyczna Plus lipiec - grudzień 2012

Elektronika Praktyczna Plus

Monograficzne wydania specjalne

Elektronik listopad 2025

Elektronik

Magazyn elektroniki profesjonalnej

Raspberry Pi 2015

Raspberry Pi

Wykorzystaj wszystkie możliwości wyjątkowego minikomputera

Świat Radio listopad - grudzień 2025

Świat Radio

Magazyn krótkofalowców i amatorów CB

Automatyka, Podzespoły, Aplikacje listopad - grudzień 2025

Automatyka, Podzespoły, Aplikacje

Technika i rynek systemów automatyki

Elektronika Praktyczna listopad 2025

Elektronika Praktyczna

Międzynarodowy magazyn elektroników konstruktorów

Elektronika dla Wszystkich grudzień 2025

Elektronika dla Wszystkich

Interesująca elektronika dla pasjonatów