Użyteczne powielacze napięcia

Użyteczne powielacze napięcia

W praktyce konstruktora zdarza się, że potrzebne jest napięcie wyższe od tego, które można znaleźć w danym układzie. Zastosowania podwyższonego napięcia są różne, lecz najczęściej chodzi o prawidłowe zasilenie jakiegoś niewielkiego bloku analogowego lub pamięci podczas jej programowania. W jaki sposób można je uzyskać inaczej niż przy użyciu przetwornicy impulsowej?

Przykład, całkiem zresztą „świeży”: urządzenie było zasilane napięciem 5 V, pochodzącym z zewnętrznego zasilacza stabilizowanego. Liniowego, bo w tej konkretnej aplikacji bardzo zależało mi na możliwie niskim poziomie emitowanych zakłóceń elektromagnetycznych. Traf chciał, że potrzebowałem wzmacniacza napięciowego do wzmocnienia sygnału z czujnika. Aby jednak ten wzmacniacz mógł poprawnie pracować z sygnałem wyjściowym o wartości do 5 V, trzeba go było zasilić napięciem o przynajmniej 3 V wyższym, czyli około 8 V. Wzmacniacze rail-to-rail słabo spisują się przy napięciu wyjściowym bliskim potencjałowi dodatniej szyny zasilania, wolałem więc dać pewien margines dla poprawnej (liniowej) pracy jego stopnia wyjściowego. A do dyspozycji było tylko 5 V. Cytując klasyka: nie mamy pańskiego płaszcza i co nam pan zrobi?

Można użyć przetwornicy impulsowej typu boost i nie zastanawiać się nad tym więcej. Tyle że ten układ miał być „elektromagnetycznie cichy”. Owszem, można dobrać dobry dławik, można popracować nad częstotliwością kluczowania, można również wsadzić to wszystko w ekran z porządnej stali – ale tutaj uznałem, że nie ma takiej potrzeby. Powiem więcej, moje potrzeby całkowicie zaspokoił zwykły powielacz napięcia – całkiem użyteczny układ, znany m.in. ze sprzętu RTV pochodzącego z byłej NRD.

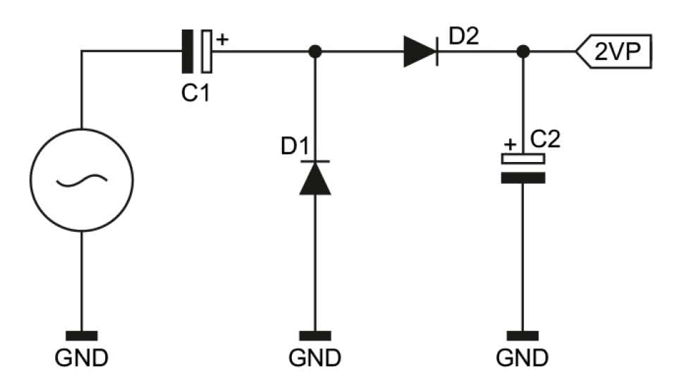
Na rysunku 1 zamieściłem schemat podwajacza napięcia w jego klasycznej wersji. Dwie diody półprzewodnikowe, dwa kondensatory i źródło napięcia przemiennego. W teoretycznym uproszczeniu na wyjściu powinniśmy uzyskać napięcie stałe o wartości równej podwojonej wartości szczytowej napięcia wejściowego. Uwzględniając nieco praktyki, trzeba jednak odjąć sumę spadków napięcia na diodach oraz opór wewnętrzny takiego zasilacza. Zaletą układu jest to, że masy napięć wyjściowego i wejściowego są wspólne, czego nie można powiedzieć o np. mostku Graetza.

Rysunek 1. Najprostszy podwajacz napięcia

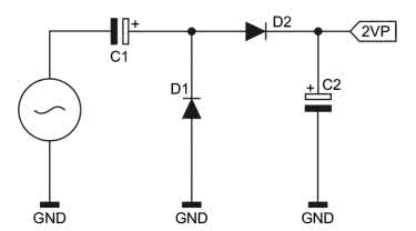
W tym urządzeniu nie miałem jednak do dyspozycji sinusoidalnego napięcia przemiennego, toteż musiałem zrealizować całość nieco inaczej. Mikrokontroler, który i tak znalazł się w tym urządzeniu, z łatwością może wygenerować unipolarny przebieg prostokątny o amplitudzie 5 V, wypełnieniu 50% i niemal dowolnej częstotliwości. Jednak do pracy podwajacza potrzebny jest sygnał bipolarny, czyli o polaryzacji dodatniej i ujemnej względem masy. Nie ma tutaj takiego przebiegu, ale można klasyczny podwajacz odpowiednio oszukać. Gdyby tego nie zrobić, ów „kanoniczny” układ w ogóle by nie zadziałał.

Przykładową ideę obrazuje schemat z rysunku 2. Jedno wyprowadzenie mikrokontrolera klasycznie zasila wejście podwajacza, zaś drugie – pracujące w przeciwfazie – zasila anodę diody D1. Dzięki temu rozwiązaniu, kondensator C1 i dioda D1 „widzą” sygnał bipolarny – wprawdzie prostokątny, a nie sinusoidalny, ale nie ma to znaczenia. Do symulacji użyłem kondensatorów o pojemności 100 μF, modeli popularnych diod Schottky’ego typu BAT54 (zależało mi na niskim napięciu przewodzenia) oraz dodałem rezystancję szeregową wyjść mikrokontrolera rzędu 20 Ω. Wyjście podwajacza zostało obciążone źródłem prądowym pobierającym prąd o natężeniu 2 mA – mniej więcej tyle pobiera niewielki wzmacniacz operacyjny. Czas symulacji jest równy 120 ms. Częstotliwość sygnałów prostokątnych zasilających symulowany podwajacz wynosi 1 kHz, a ich wypełnienie 50%. Do obliczeń użyłem programu LTspice.

Rysunek 2. Podwajacz napięcia przystosowany do pracy z mikrokontrolerem

Efekty okazały się wyśmienite, co obrazuje przebieg znajdujący się na rysunku 3. Napięcie wyjściowe narasta płynnie, by po około 100 ms ustalić się na wartości nieznacznie przekraczającej 9 V. To bardzo dobry rezultat, gdyż pozwala na dodanie filtru RC redukującego amplitudę napięcia tętnień, mamy wszak 1 V zapasu względem oczekiwań projektowych. Tym bardziej, że uzyskanie zanegowanego sygnału PWM jest proste – wystarczy bufor odwracający lub nawet odpowiedni mikrokontroler, który sprzętowo wspiera generowanie sygnałów w fazie oraz w przeciwfazie.

Rysunek 3. Przebieg napięcia wyjściowego podwajacza z rysunku 2 w funkcji czasu

Załóżmy jednak, że potrzebujemy napięcia znacznie wyższego, na przykład 20 V (lub nieco mniej) do wysterowania bramki tranzystora IGBT lub MOSFET, mając na pokładzie jedynie 5 V. Wtedy może okazać się przydatny powielacz czterostopniowy, zbudowany analogicznie do podwajacza z rysunku 2, a którego kompletny schemat symulacyjny znajduje się na rysunku 4.

Rysunek 4. Schemat symulacyjny czterostopniowego powielacza napięcia

Przy prądzie obciążenia równym 2 mA, na wyjściu tego układu ustaliło się napięcie zbliżone do 18 V, czyli idealne do sterowania większością dostępnych na rynku tranzystorów – rysunek 5.

Rysunek 5. Przebieg napięcia wyjściowego powielacza z rysunku 4 w funkcji czasu

W ten oto sposób można łatwym i niedrogim sposobem uzyskiwać napięcie wyższe od zasilającego, przy niewielkiej wydajności prądowej, niekoniecznie zaprzęgając do pracy przetwornice impulsowe. Ich poprawne zaprojektowanie jest bardziej wymagające od prostego powielacza, pracującego z częstotliwością setek herców czy pojedynczych kiloherców.

Michał Kurzela, EP

Elektronika Praktyczna Plus lipiec - grudzień 2012

Elektronika Praktyczna Plus

Monograficzne wydania specjalne

Elektronik grudzień 2025

Elektronik

Magazyn elektroniki profesjonalnej

Raspberry Pi 2015

Raspberry Pi

Wykorzystaj wszystkie możliwości wyjątkowego minikomputera

Świat Radio listopad - grudzień 2025

Świat Radio

Magazyn krótkofalowców i amatorów CB

Automatyka, Podzespoły, Aplikacje listopad - grudzień 2025

Automatyka, Podzespoły, Aplikacje

Technika i rynek systemów automatyki

Elektronika Praktyczna grudzień 2025

Elektronika Praktyczna

Międzynarodowy magazyn elektroników konstruktorów

Elektronika dla Wszystkich grudzień 2025

Elektronika dla Wszystkich

Interesująca elektronika dla pasjonatów