Stacjonarny odtwarzacz audio Media PI

Stacjonarny odtwarzacz audio Media PI
Pobierz PDF Download icon
W artykule przedstawiono stacjonarny odtwarzacz plików audio oparty o Raspberry PI. Podstawowym założeniem przy projektowaniu układu była prostota użytkowania i całkowita samodzielność urządzenia. Dzięki zastosowaniu dystrybucji Openelec, uruchomienie odtwarzacza sprowadza się do zainstalowania obrazu systemu na karcie SD. Rekomendacje: estetyczny, funkcjonalny odtwarzacz audio, który może uatrakcyjnić niejeden ? zwłaszcza starszy ? zestaw audio lub być bazą do wykonania własnego, podobnego odtwarzacza.

W większości aplikacji multimedialnych Raspberry Pi pracuje w charakterze odtwarzacza sieciowego, pozbawionego wyświetlacza, klawiatury i własnej pamięci masowej. Przykładem takiego urządzenia jest opisywany w EP 1/2016 „Audiofilski odtwarzacz muzyki z Raspberry Pi”. Urządzenie prezentowane w tym artykule jest inne. Wszystkie pliki muzyczne są przechowywane na wbudowanym, 2,5-calowym dysku twardym, odtwarzacz ma nieskomplikowaną i czytelny wyświetlacz LCD. Odtwarzacz Media PI współpracując z aktywnymi zestawami głośnikowymi, staje się kompletnym systemem audio lub zastępuje odtwarzacz CD będąc źródłem muzyki dla „klasycznego” zestawu audio.

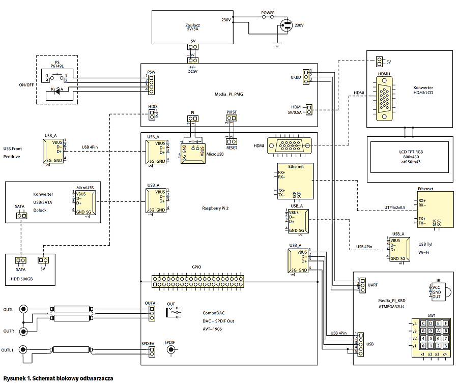
Schemat blokowy odtwarzacza pokazano na rysunku 1. Składa się on wyświetlacza LCD RGB o przekątnej 5” (wielkość wyświetlacza dopasowano do użytej obudowy) oraz klawiatury funkcyjnej zintegrowanej z odbiornikiem podczerwieni. Mikrokomputer wykorzystuje interfejs HDMI do bezpośredniego sterowania wyświetlaczem typu AT050TN43. Zarówno wyświetlacz, jak i płytka konwertera HDMI, pochodzą ze znanego serwisu aukcyjnego. Oczywiście, przekątna wyświetlacza może być dostosowana do budowanego przez siebie urządzenia. Ważne, aby interfejs był zasilany z 5 V i nie pobierał więcej niż 0,5 A, które to wymagania spełnia większość wyświetlaczy LCD o przekątnej poniże 8” z podświetleniem LED.

Do obsługi odtwarzacza służy 12-przyciskowa klawiatura z wszystkimi potrzebnymi przyciskami, zarówno nawigacyjnymi, jak i obsługującymi odtwarzanie. Klawiatura wykorzystuje mikrokontroler ATmega32U4 symulujący pracę płytki Arduino Leonardo. Dzięki temu można było łatwo wykonać urządzenie, które służy jako klawiatura i odbiornik podczerwieni (kod RC5). Dzięki oprogramowaniu napisanemu w środowisku Arduino jest możliwa łatwa modyfikacja na przykład w celu dostosowania do odbioru rozkazów z innego pilota. Klawiatura jest dołączona jest do Raspberry PI przez interfejs USB, a dzięki pracy w trybie klawiatury HID nie wymaga dodatkowych driverów. Schemat ideowy klawiatury przedstawia rysunek 2.

Do sterowania pracą Openeleca służą kody skrótów klawiszowych (tabela 1), które klawiatura dekoduje z przycisków i odbiornika podczerwieni.

Ze względu na brak kompleksowego rozwiązania dla wyłącznika zasilania Raspberry PI, klawiatura przejmuje także funkcje związane ze sterowaniem załączaniem zasilania. Część wykonawcza układu mieści się na płytce Media PI PMG, której schemat pokazano na rysunku 3.

Zasada działania jest następująca. Gdy Raspberry PI jest wyłączone, klawiatura nie ma zasilania dostarczonego z portu USB, więc jest nieaktywna. Sygnał EN na złączu UKBD-1 zostaje wyzerowany i po zanegowaniu zasila transoptor IS. Gdy zostanie naciśnięty przycisk zasilania ON/OFF – PS, poprzez IS Raspberry PI zostaje wyzerowane, co rozpoczyna ładowanie systemu Openelec. Gdy zostanie zasilona klawiatura, sygnał EN zostaje ustawiony „odcinając” przycisk od sterowania sygnałem Reset. Jednocześnie dioda LED sygnalizuje załączenie zasilania. Sygnał EN steruje także „inteligentnym” wyłącznikiem zasilania U1 (TPS2064). Po podaniu poziomu wysokiego układ załączy zasilanie 5 V na złącza HDD (zasilanie dysku HDD), EXT (rezerwa).

Układ ma wbudowane zabezpieczenie przed przeciążeniem. Zasilanie Raspberry PI oraz sterownika HDMI/LCD nie jest odłączane. Wyłączenie zasilania odbywa się po ponownym naciśnięciu przycisku PS, co powoduje wyzerowanie sygnału POF, po którego wykryciu procesor klawiatury wysyła sekwencję „Shutdown” (ESC, „s”, Enter) do Raspberry PI wprowadzając je w tryb wyłączenia zasilania. Po wyłączeniu zasilania USB dla klawiatury urządzenie wraca do stanu oczekiwania na załączenie. Uproszczony sposób realizacji załączenia Raspberry PI nie jest najbardziej elegancki technicznie, ale nie wymaga jakichkolwiek modyfikacji oprogramowania Openelec. Do całkowitego wyłączenia zasilania służy przycisk POWER na tylnej ściance urządzenia.

Płytka Media PI PMG pełni nie tylko rolę menedżera zasilania, ale jest też płytą bazową dla Raspberry PI i służy do zamocowania dysku HDD 2,5”.

Jak wspominano, do przechowywania plików muzycznych służy dysk twardy SATA. Niestety, mikrokomputer Raspberry PI nie jest wyposażony w ten interfejs, więc jest konieczne użycie konwertera USB/SATA. W modelu zastosowano przeznaczony dla Raspberry PI konwerter firmy Delock. Rozwiązanie nie jest najtańsze, ale jako jedne z nielicznych nie stwarzało jakichkolwiek problemów podczas nieprzerwanej, kilkudniowej eksploatacji. Przy wyborze dysku warto szukać modeli o jak najmniejszym poborze mocy i możliwie cichych podczas pracy. W modelu zastosowano dysk Toshiba MQ01ABD050 mieszczący 500 GB. Kabel zasilający 5 V–SATA trzeba wykonać samodzielnie np.: z przejściówki zasilania SATA 3,5” z komputera PC. Układ uzupełniają gniazda USB wyprowadzone na przód i tył urządzenia ułatwiające przyłączenie pendriva (przód) lub karty Wi-Fi (tył). Oczywiście, wyprowadzone jest gniazdo RJ45 umożliwiające przyłączenie do sieci w celu sterowania i udostępniania zasobów oraz korzystania z serwisów streamingowych lub radia internetowego.

Za część audio odtwarzacza odpowiada opisana w EP 5/2016 (AVT1906) karta Combo dla Raspberry PI integrująca przetwornik C/A (PCM5102) oraz nadajnik
S/PDIF (WM8804), umożliwiająca współpracę z systemami audio analogowymi i cyfrowymi.

Montaż

Płytki klawiatury i menedżera zasilania wykonano jako dwustronne. Ich schemat montażowy pokazano na rysunkach 45. Montaż płytek jest typowy i nie wymaga opisywania.

Montaż układu zależy od zastosowanej obudowy. W prototypie dysk jest zamocowany do płytki Media PI PMG od spodu za pomocą tulejek amortyzujących. Mikrokomputer Raspberry PI z płytką Combo i konwerterem SATA za pomocą tulejek do górnej strony Media PI PMG. Wyświetlacz LCD, klawiatura i przełącznik zasilania są mocowane do płyty czołowej. Sposób montażu pokazano na fotografiach 6…8. Jako kable SATA i HDMI wykorzystano dostępne na aukcjach kable płaskie o długości około 30 cm. Jest do dosyć ważne ze względu ma możliwość uszkodzenia (wyrwania) złącz, szczególnie HDMI zbyt twardymi kablami.

Uruchomienie

Uruchomienie odtwarzacza sprowadza się do zaprogramowania klawiatury plikiem Media_PI_KBD.hex, przygotowania dysku HDD z naszymi ulubionymi plikami audio (mp3, flac, wav) i instalacji systemu Openelec. W modelu wykorzystano gotową dystrybucję udostępnioną wraz z instalatorem na stronie HifiBerry. Przed zainstalowaniem systemu należy sformatować kartę SD o pojemności większej niż 4 GB, aby zmieściły się na niej ewentualne aktualizacje i rozszerzenia Openeleca.

Po pobraniu ze strony https://goo.gl/KpYVfY i uruchomieniu instalatora należy postępować zgodnie ze wskazówkami, wybierając odpowiednią wersję dystrybucji i Raspberry PI (rysunki 10…15). Po zainstalowaniu i uruchomieniu należy skonfigurować urządzenie wyjściowe audio w zakładce SystemUstawieniaOdtwarzanie dźwiękuUrządzenie odtwarzania na ALSA (snd_rpi_hifiberry_digi S/PDIF), jak na rysunku 16 i spersonalizować system.

Po ponownym uruchomieniu odtwarzacz jest gotowy do użytku. Miłego odsłuchu!

Adam Tatuś, EP

Artykuł ukazał się w
Elektronika Praktyczna
sierpień 2016
DO POBRANIA
Pobierz PDF Download icon
Materiały dodatkowe
Elektronika Praktyczna Plus lipiec - grudzień 2012

Elektronika Praktyczna Plus

Monograficzne wydania specjalne

Elektronik listopad 2025

Elektronik

Magazyn elektroniki profesjonalnej

Raspberry Pi 2015

Raspberry Pi

Wykorzystaj wszystkie możliwości wyjątkowego minikomputera

Świat Radio listopad - grudzień 2025

Świat Radio

Magazyn krótkofalowców i amatorów CB

Automatyka, Podzespoły, Aplikacje listopad - grudzień 2025

Automatyka, Podzespoły, Aplikacje

Technika i rynek systemów automatyki

Elektronika Praktyczna listopad 2025

Elektronika Praktyczna

Międzynarodowy magazyn elektroników konstruktorów

Elektronika dla Wszystkich grudzień 2025

Elektronika dla Wszystkich

Interesująca elektronika dla pasjonatów