Oświetlacz pierścieniowy LED

Oświetlacz pierścieniowy LED
Pobierz PDF Download icon
Oświetlacz tego typu okaże się szczególnie cenny przy korzystaniu z kamery mikroskopowej połączonej z komputerem. Idealnie sprawdzi się również w roli oświetlacza do mikroskopu, wiertarki, głowicy drukarki 3D i do fotografowania. Pozwala on na optymalne oświetlenie obiektów, daje równomierne światło, pozbawione efektu migotania.

Oświetlacz pierścieniowy to płytka drukowana o średnicy wewnętrznej 54 mm, na której powierzchni zamontowano 12 diod LED typu 5050 z rezystorami ograniczającymi prąd ich zasilania. Diody LED tego typu są niezwykle popularne z uwagi na dobre parametry świetlne i korzystną cenę. Są one powszechnie stosowane w taśmach LED, zapewniają wysoką jasność przy małym zużyciu energii.

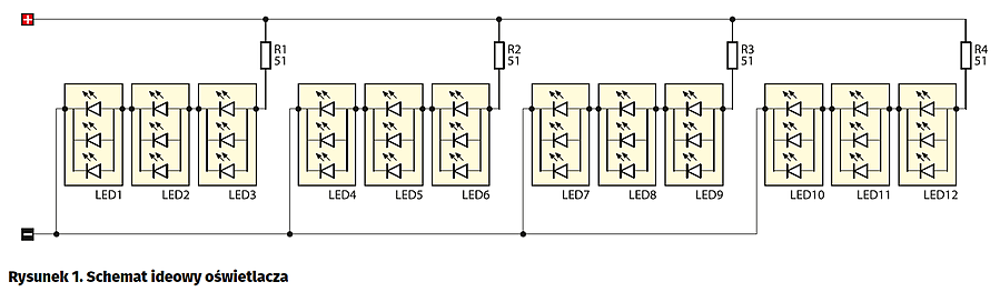
Schemat ideowy oświetlacza LED pokazano na rysunku 1, natomiast montażowy na rysunku 2. Diody LED zostały połączone szeregowo-równolegle w 4 grupy, po 3 diody każda. Prąd płynący przez diody jest ograniczany za pomocą rezystorów R1…R4. Dla ułatwienia montażu oświetlacza, na płytce drukowanej umieszczono dwa niewielkie „uszka” ułatwiające jego przymocowanie. Oświetlacz powinien być zasilany napięciem 12 V DC.

EB

Artykuł ukazał się w
Elektronika Praktyczna
sierpień 2016
DO POBRANIA
Pobierz PDF Download icon
Elektronika Praktyczna Plus lipiec - grudzień 2012

Elektronika Praktyczna Plus

Monograficzne wydania specjalne

Elektronik listopad 2025

Elektronik

Magazyn elektroniki profesjonalnej

Raspberry Pi 2015

Raspberry Pi

Wykorzystaj wszystkie możliwości wyjątkowego minikomputera

Świat Radio listopad - grudzień 2025

Świat Radio

Magazyn krótkofalowców i amatorów CB

Automatyka, Podzespoły, Aplikacje listopad - grudzień 2025

Automatyka, Podzespoły, Aplikacje

Technika i rynek systemów automatyki

Elektronika Praktyczna listopad 2025

Elektronika Praktyczna

Międzynarodowy magazyn elektroników konstruktorów

Elektronika dla Wszystkich grudzień 2025

Elektronika dla Wszystkich

Interesująca elektronika dla pasjonatów