Przetwornik audio DAC z interfejsem USB i układem scalonym AD1852

Przetwornik audio DAC z interfejsem USB i układem scalonym AD1852
Pobierz PDF Download icon
Opisywane urządzenie jest alternatywą dla DAC USB z PCM5102 dla bardziej wymagających użytkowników. Dzięki zastosowaniu wysokiej jakości elementów oraz "wysokonapięciowego" toru analogowego, może z powodzeniem konkurować z najlepszymi urządzeniami komercyjnymi. Rekomendacje: wysokiej jakości DAC USB dla amatorów PC-audio ze znanym i cenionym przetwornikiem AD1852 firmy Analog Devices.

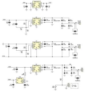
Rysunek 1. Schemat ideowy przetwornika audio DAC z interfejsem USB i AD1852

Prezentowany projekt przetwornika audio zbudowano w oparciu o dwa główne bloki funkcjonalne: popularnego modułu konwertera USB/I²S Amanero Combo384 oraz układu scalonego przetwornika cyfrowo - analogowego firmy Analog Devices typu AD1852.

Szczególną uwagę przy konstruowaniu urządzenia zwrócono na poprawę jakości i separację zasilania. Układy cyfrowe mają osobne zasilacze oparte o niskoszumne stabilizatory ADP710x. Całość uzupełnia układ CPLD odpowiedzialny za konfigurację sprzętową AD1852.

Schemat ideowy urządzenia zamieszczono na rysunku 1. Moduł M1 (Combo384) jest odpowiedzialny za wydzielenie ze strumienia danych audio przysyłanego poprzez USB sygnału audio i jego transkodowanie na sygnał w standardzie I²S.

Moduł składa się z procesora ARM SAM3U, współpracujacego z nim układu CPLD X2C64 oraz precycyjnych generatorów zegarowych. Wysoki koszt zakupu modułu rekompensuje wyjątkowa łatwość zastosowania, co jest nie do przecenienia, jeżeli przeanalizuje się nakład czasu, który jest potrzebny wykonanie własnego rozwiązania, zarówno od strony sprzętowej jak i programowej.

Rysunek 2. Schemat blokowy układu scalonego przetwornika AD1852

Wydzielony w module M1 sygnał I²S wraz z sygnałami sterującymi jest doprowadzony do CPLD typu XC9536XL (U1). Układ U1 jest odpowiedzialny za konfigurowanie przetwornika U3, w zależności od częstotliowsci próbkowania sygnału z modułu M1 oraz za wyciszanie i zerowanie po włączeniu zasilania.

Sercem układu jest oczywiście U3, czyli przetwornik D/A typu AD1852 o rozdzielczości 24 bitów i maksymalnej częstotliowości próbkowania 192 kHz. Schemat blokowy AD1852 pokazano na rysunku 2.

Rysunek 3. Schemat ideowy zasilacza

Układ U3 wymaga sprzętowej konfiguracji częstotliwości próbkowania, w zależności od fs, moduł M1 wystawia na wyjściach F3...F0 informację o jej wartości w zakresie 32...384 kHz. Dodatkowe informacje pomocne w konfiguracji U3 to sygnał PLUG informujący o przyłączeniu modułu do USB, MUTE aktywujący wyciszenie oraz DSD o transmisji audio w standardzie DSD (nieobsługiwanej przez moduł).

Sygnały F3...F0 dekodowane są na sterowanie wejść F192/F96 konfiguracji przetwornika. Jeżeli fs>192 kHz, jest aktywowany sygnał wyciszania MUTE. Sygnał wyciszania jest także aktywny, gdy Amanero nie jest przyłączone lub sygnalizuje wyciszenie oraz podczas restartu wymuszanego przez U2 typu MCP100T-3.0 po włączeniu zasilania. Sygnał MUTE nie tylko aktywuje odpowiednie wejście, ale wycisza sygnał SDATA (wyjście SDATA jest zerowane).

Moduł M1 jest także źródłem sygnału zegarowego UMCLK dla układu U3 pracującego w trybie slave I²S. Przetworzony sygnał audio jest filtrowany i buforowany przez U4 typu SSM2135, niskoszumny wzmacniacz przeznaczony do zastosowania w torach audio o wysokiej jakości.

Wartości elementów powinny być dobrane (szczególnie dotyczy to kondensatorów filtru) ze względu na wartość, jak i zgodność pomiędzy kanałami. W prototypie zastosowano dobierane rezystory MMA0204 Beyschlag oraz kondensatory FKP2 Wima.

Rysunek 4. Schemat montażowy przetwornika audio DAC z interfejsem USB i AD1852

Wyjściowy sygnał audio jest doprowadzony do złącz RCA OUTL/R oraz powielony na listwach szpilkowych. Każdy z układów ma odpowiednie filtry napięcia zasilającego zbudowane z zestawu kondensatora ceramicznego i tantalowego.

Złącze JTAG służy do zaprogramowania U1. Układ U8 jest odpowiedzialny za generowanie kilkusekundowej zwłoki po włączeniu zasilania dla uniknięcia zakłóceń na wyjściu (zwieranym do masy przekaźnikiem RL).

Przetwornik audio uzupełnia zasilacz, którego schemat pokazano na rysunku 3. Dostarcza on napięć ±12 V i +5 V dla części analogowej oraz 5 V/3,3 V dla części cyfrowej. Zasilacz wykorzystuje niskoszumne stabilizatory LDO z rodziny ADP710x.

Do zbudowania zasilacza dostarczającego napięć symetrycznych ±12 V wykorzystano układy scalone w wersji o regulowanym napięciu, ustalonym dzielnikami rezystorowymi R15 i R16, R18 i R19, a dla pozostałych w wersji o ustalonym napięciu wyjściowym. Napięcie 3,3 V dla części cyfrowej jest otrzymywane - ze względu na niewielki pobór prądu - stabilizatorem typu ADM7160.

Wykaz elementów

Moduł z mikrokontrolerem

Rezystory: (metalizowane, tolerancja 1%)
R1, R2, R5, R6, R8, R9, R12, R13: 1,87 kΩ (1206)
R3, R4, R10, R11: 1,96 kΩ (1206)
R7, R14: 200 Ω (1206)
R15, R18: 115 kΩ (0805)
R16, R17, R19, R20: 13 kΩ (0805)
R21: 33 Ω (0805)
R22: 2,2 MΩ (0805)
R23: 4,7 kΩ (0805)
RP1: 47 Ω (drabinka rezystorowa CRA06S08)
RP2: 1 kΩ (drabinka rezystorowa CRA06S08)

Kondensatory:
C1...C7, C21, C24, C28: 0,1 µF (0805)
C8, C9, C13, C14: 1 nF/5% (foliowy)
C10, C11, C15, C16: 220 pF/5% (foliowy)
C12, C17: 10 nF/5% (foliowy)
C18, C19, C22, C25, C27: 1 µF (0805)
C20, C29: 1 µF/35 V (0805)
C23: 1 µF/25 V (0805)
C26: 10 nF (0805)
C30...C32: 4,7 µF (0805)
CE1...CE4: 10 µF/10 V (SMD "A")
CE5, CE6: 4,7 µF/20 V (SMD "A")
CE7, CE8: 1000 µF/25 V (elektrolit. LOW ESR R=5 mm)
CE9: 1000 µF/16 V (elektrolit. LOW ESR R=5 mm)

Półprzewodniki:
D1...D8: RS1D (dioda szybka)
D9, D10: LL4148 (SMD 1206)
D11...D14: SK13 (dioda Schottky)
LD1: dioda LED SMD
U1: XC9536XLVQ44 (VQFP44)
U2: MCP100T (SOT-23)
U3: AD1852JRSZ (SSOP28)
U4: SSM2135P (SO8)
U5: ADP7102-50 (SO8TP)
U6, U7: ADP7104-ADJ (SO8TP)
U8: ICM7555 (SO8)
U9: ADP7104-5.0 (SO8TP)
U10: ADP7160-3.3AUJZ (SOT-23-5)
V1, V2: P6SMB16C (transil, SMB)
V3: P6SMB10C (transil, SMB)

Inne:
AC6, AC12N, AC12P: złącze ARK/5 mm
FB: dławik ferrytowy PBY201209T-601Y
JL, JR, LED: złącze SIP2, szpilkowe, męskie, R=2,54 mm
JTAG: złącze SIP2, szpilkowe, męskie, R=2,54
M1: moduł Amanero Combo384 + złącze
OUTL, OUTR: złącze RCA CC134, para
G6K-2F-5V: przekaźnik G6K z cewką 5 V

Za dostarczenie odpowiednio odfiltrowanych napięć odpowiadają typowe układy mostków Graetza z filtrami pojemnościowymi. W torze analogowym zastosowano szybkie diody, w torze cyfrowym diody Schottky. Każde z wejść zasilania AC jest zabezpieczone transilem przed skutkami przepięcia.

Do zasilania układu zastosowano dwa transformatory toroidalne: dla toru analogowego 12 V/0,5 A+12 V/0,5 A, dla toru cyfrowego 6 V/0,5 A. Dioda LD1 sygnalizuje załączenie napięcia zasilania. Jeżeli to konieczne, można sygnalizację wyprowadzić poza płytkę korzystając ze złącza LED i nie montować diody LD1.

Układ zmontowano na dwustronnej płytce drukowanej, której schemat montażowy zamieszczono na rysunku 4. Montaż jest typowy i nie wymaga opisywania. Przed uruchomieniem należy sprawdzić poprawność montażu i lutowania padów termicznych stabilizatorów LDO.

Rysunek 5. Poprawnie zainstalowane oprogramowanie modułu Amanero

Rysunek 6. Konfi guracja Amanero

Moduł M1 jest montowany w gnieździe IDC20. Cztery otwory mocujące M2,5 zapewniają odpowiednią stabilność montażu. Po włączeniu zasilania, należy sprawdzić obecność napięć zasilających i jeśli wszystko jest w porządku, należy zaprogramować plikiem main.jed układ U1.

Po poprawnym montażu modułu, konieczne jest zainstalowanie odpowiednich driverów (do pobrania ze strony http://goo.gl/vW1UzU), w zależności od posiadanego systemu operacyjnego oraz sterowników ASIO (Windows). Poprawnie zainstalowany moduł powinien być widoczny w Menedżerze Urządzeń, jak pokazano na rysunku 5.

Następnie za pomocą oprogramowania Oemtool (http://goo.gl/rXmu8i) należy aktywować obwód wyciszania i sygnalizacji fs oraz ustawić sygnał wyjściowy w standardzie I²S (rysunek 6). Domyślna wersja oprogramowania modułu to 1.080 i nie należy jej zmieniać.

W zależności od preferowanego programu do odtwarzania muzyki, należy skonfigurować go do współpracy z Amanero zgodnie z obsługą programu (min. wybierając domyślne urządzenie audio w systemie). Używając np. Foobara, po zainstalowaniu bibliotek ASIO i DSD, jest możliwe programowe odtwarzanie plików nie tylko w standardzie PCM, ale także coraz popularniejszych plików DSD (dekodowanych programowo do standardu PCM).

Życzę miłego słuchania!

Adam Tatuś, EP

Artykuł ukazał się w
Elektronika Praktyczna
czerwiec 2016
DO POBRANIA
Pobierz PDF Download icon
Materiały dodatkowe
Elektronika Praktyczna Plus lipiec - grudzień 2012

Elektronika Praktyczna Plus

Monograficzne wydania specjalne

Elektronik listopad 2025

Elektronik

Magazyn elektroniki profesjonalnej

Raspberry Pi 2015

Raspberry Pi

Wykorzystaj wszystkie możliwości wyjątkowego minikomputera

Świat Radio listopad - grudzień 2025

Świat Radio

Magazyn krótkofalowców i amatorów CB

Automatyka, Podzespoły, Aplikacje listopad - grudzień 2025

Automatyka, Podzespoły, Aplikacje

Technika i rynek systemów automatyki

Elektronika Praktyczna listopad 2025

Elektronika Praktyczna

Międzynarodowy magazyn elektroników konstruktorów

Elektronika dla Wszystkich grudzień 2025

Elektronika dla Wszystkich

Interesująca elektronika dla pasjonatów