Przedwzmacniacz audio. cz. 1

Przedwzmacniacz audio. cz. 1
Pobierz PDF Download icon
Jakość toru sygnałowego jest tak dobra, jak jest dobry jego najsłabszy element. Ta zasada dotyczy również elektroakustycznego toru sygnałowego. Entuzjaści dobrego brzmienia wkładają dużo wysiłku i ponoszą spore wydatki na skompletowanie dobrego źródła sygnału, wzmacniacza mocy i zestawów głośnikowych. Ci bardziej "ortodoksyjni" wierzą w zbawienny wpływ materiałów, z których są wykonane kable sygnałowe, głośnikowe, sieciowe i obudowy. Przedwzmacniacz jest elementem toru, który często jest uważany za mniej istotny dla jakości odtwarzanego dźwięku. W obiegowej opinii jest kojarzony z tylko elementem regulującym poziom odtwarzanego sygnału. Takie uproszczone podejście może w konsekwencji powodować degradację sygnału o wiele bardziej istotną, niż zastosowanie przetwornika C/A lub wzmacniacza mocy o trochę gorszych parametrach. Rekomendacje: przedwzmacniacz audio wysokiej klasy, który przyda się do wykonania domowego zestawu audio.

Rysunek 1. Schemat blokowy układu PGA2311

Klasyczny blok przedwzmacniacza jest zbudowany z selektora sygnału wejściowego, wejściowego stopnia wzmacniającego, regulatora poziomu sygnału wyjściowego - potencjometru i opcjonalnie z układu regulacji barwy tonu z filtrem "kontur".

Przyjęło się, że układy regulacji barwy nie są stosowane w wysokiej jakości torach przeznaczonych do odtwarzania muzyki. Przyczyny są dwie. Pierwsza z nich to zniekształcenia wnoszone przez filtry kształtujące charakterystykę częstotliwościową.

Trudno się z tym nie zgodzić. Drugi powód jest "ideologiczny": odtwarzamy muzykę taką, jak została zarejestrowana, a tor akustyczny nie może powodować żadnych modyfikacji nieprzewidzianych przez artystę w momencie rejestracji.

Jak w przypadku każdej idei, można się z nią zgodzić lub nie. Według mojej, subiektywnej opinii można by stosować filtr "kontur" poprawiający brzmienie przy cichym odsłuchu, ale nie jest to niezbędne. Typowym elementem przeznaczonym do regulacji poziomu sygnału jest potencjometr. Niestety, z potencjometrami zawsze były problemy.

Ścieżki rezystancyjne potencjometrów stereofonicznych o charakterystyce logarytmicznej muszą być wykonane bardzo dokładnie, ponieważ tolerancja wykonania powodowała problemy z ustawieniem balansu. Pół biedy, jeśli nierównomierność w obu kanałach była stała w funkcji kąta obrotu osi - można to było wyregulować potencjometrem balansu.

Zdarzało się jednak, że nierównomierność nie była stała i taki potencjometr nie nadawał się do użytku. Kolejnym problemem jest styk ślizgacz - warstwa rezystancyjna. W potencjometrach gorszej klasy, z powodu źle dobranych materiałów lub niewłaściwego wykonania, na tym styku powstają szumy.

Proces starzenia się lub wysychania smarów poprawiających kontakt powoduje występowanie przerw i dokuczliwych trzasków. Ten problem jest znany użytkownikom starszego sprzętu audio wyposażonego w potencjometry. Aby wyeliminować wady typowych potencjometrów zaczęto budować drabinki rezystancyjne z dzielnikiem przełączanym za pomocą dobrej jakości przełącznika obrotowego.

Rysunek 2. Układ wzmacniacza nieodwracającego

Ale tu również występują problemy. Po pierwsze, dla najłatwiejszej do wykonania drabinki mamy jeden rezystor szeregowy i szereg rezystorów dołączanych do masy przez przełącznik. Takie rozwiązanie powoduje, że całkowita rezystancja dzielnika zmienia się przy każdym przełączeniu i źródło sygnału jest za każdym razem obciążane inaczej.

Oczywiście, można zrobić drabinkę z przełączanymi dwoma rezystorami, ale jest to bardziej skomplikowane i droższe. Duże trudności sprawia zdalne sterowanie takimi elementami. Ale tu też poradzono sobie stosując do napędu silniki krokowe. Pełna drabinka rezystancyjna ze sterowaniem silnikiem krokowym, to najbardziej bezkompromisowa konstrukcja, dająca najlepsze rezultaty, ale za to kosztowna do wykonania i trudna w zastosowaniu.

Kolejnym elementem przedwzmacniacza jest wzmacniacz wstępny. Wielu audiofilów uważa stosowanie wzmacniacza wstępnego za zupełnie niepotrzebne, a wręcz szkodliwe, bo jest to kolejny element wprowadzający zniekształcenia. Pojawiły się konstrukcje przedwzmacniaczy nazywane "pasywkami", zawierające tylko mechaniczny selektor wejść i potencjometr. Pomijam tu niekonsekwencję w nazywaniu przedwzmacniaczem układu, który nie zawiera elementu wzmacniającego.

Aby rozstrzygnąć czy wzmacniacz wstępny jest konieczny, czy nie, należy co nieco wiedzieć o parametrach wyjściowych źródła sygnału. W tym przypadku najważniejszym parametrem źródła będzie jego impedancja wyjściowa.

Jeżeli dysponujemy przetwornikiem C/a, na którego wyjściu włączono wtórnik lub wzmacniacz o bardzo małej impedancji wyjściowej, to możemy go obciążyć bezpośrednio potencjometrem o rezystancji np. 10 kV i najprawdopodobniej nic złego się nie stanie.

Jeżeli jednak impedancja źródła będzie duża, to przy obciążeniu potencjometrem może się okazać, że mogą wystąpić zniekształcenia. Aby im zapobiec stosuje się wzmacniacze wstępne o znanej impedancji wejściowej np. 47 kV, aby przedwzmacniacz nie obciążał źródła sygnału. Stosowanie wzmacniacza wstępnego pozwala też na dopasowanie poziomów sygnałów z różnych źródeł, na przykład, z odtwarzacza CD (przetwornika C/A) i tunera radiowego.

Według mnie wzmacniacz wstępny jest koniecznym elementem przedwzmacniacza. Pozwala na ustalenie stałej impedancji wejściowej dopasowanej do prawidłowo zaprojektowanych źródeł sygnału i umożliwia dopasowanie poziomów z różnych źródeł. Zbudowanie takiego wzmacniacza o bardzo dobrych parametrach z wykorzystaniem nowoczesnych wzmacniaczy operacyjnych zaprojektowanych dla zastosowań w technice audio nie stanowi większego problemu.

Założenia projektowe

Rysunek 3. Regulacja poziomu sygnału w PGA2311

Przez rozpoczęciem budowy przedwzmacniacza trzeba było poczynić pewne założenia projektowe. Jak już wspomniałem budowa wzmacniacza wstępnego nie jest wielkim problemem. Dlatego należało się głównie zmierzyć z wyborem elementu regulacyjnego poziom sygnału.

Ponieważ regulacja miała się odbywać za pomocą zdalnego sterowanie początkowo rozważałem zastosowanie dobrej jakości potencjometru zintegrowanego z silnikiem elektrycznym prądu stałego. Jednak to rozwiązanie zawierało wszystkie wady klasycznego potencjometru.

Drabinki rezystancyjne z powodu ceny i skomplikowania sterowania również zostały wyeliminowane. Można stosować układy scalone z funkcją potencjometru. W strukturze są umieszczone dwa potencjometry z odczepami przełączanymi przez sterowny cyfrowo multiplekser z kluczami analogowymi. Ja zdecydowałem się na układ PGA2311, który działa na trochę innej zasadzie.

Jest to wzmacniacz o cyfrowo regulowanym tłumieniu/wzmocnieniu. Kolejnym założeniem było zastosowanie sterownika mikroprocesorowego sterującego poziomem sygnału poprzez układ PGA2311, z wyświetlaczem LCD, możliwością zdalnego sterowania pilotem na poczerwień i zegarem czasu rzeczywistego RTC. Selektor wejść miał umożliwiać wybór jednego z trzech wejść stereofonicznych. Do przełączania mają być wykorzystane przekaźniki sygnałowe sterowane ze sterownika mikroprocesorowego.

Układ PGA2311

Tabela 1. Wybrane parametry wzmacniacza PGA2311

Układ scalony wzmacniacza PGA2311 - aktualnie produkowany przez firmę Texas Instruments - jest wzmacniaczem o regulowanym wzmocnieniu przeznaczonym do zastosowania w systemach audio o wysokiej jakości. Chociaż układ jest wiele lat na rynku, to jego doskonałe parametry powodują, że jest ciągle produkowany i chętnie stosowany. Wybrane parametry układu umieszczono w tabeli 1.

Jak można zauważyć, parametry układu PGA2311 są imponujące i przy poprawnej aplikacji tor przedwzmacniacza nie wnosi istotnych zniekształceń. Schemat blokowy PGA2311 pokazano na rysunku 1. Jego głównym elementem jest wzmacniacz operacyjny pracujący w konfiguracji wzmacniacza nieodwracającego.

Wzmocnienie takiego układu wynosi G=1+R2/R1 (rysunek 2). Z tej zależności wynika, że wzmocnienie może osiągać wartość minimalną równą 1 dla R2=0. Stopień w tej konfiguracji może regulować wzmocnienie w zakresie 0...+23,5 dB.

Żeby można było realizować tłumienie, w torze regulacji poziomu sygnału najprawdopodobniej ustawia się wzmocnienie równe 1, a sygnał z wejścia jest tłumiony przez sterowany cyfrowo dzielnik rezystancyjny, jak na rysunku 3.

Układ PGA2311 ma dwa niezależne tory regulacji przeznaczone dla sygnałów stereofonicznych. Masy analogowe kanałów AGNDL i AGNDR są dołączone do osobnych wyprowadzeń układu. Umożliwia to ich rozdzielenie na płytce drukowanej, nie tylko masy analogowej od cyfrowej, ale też rozdzielenie mas analogowych każdego z kanałów.

Sekcja analogowa jest zasilana napięciem ±5 V, a sekcja cyfrowa napięciem +5 V. Sygnał na wejściu może mieć maksymalną amplitudę 7,5 VPP (±3,75 V). Źródło sygnału wejściowego powinno mieć impedancję 600 Ω lub mniejszą. Zwiększanie impedancji źródła powoduje zwiększanie zniekształceń THD+N - zależność tę pokazano na rysunku 4. Do komunikacji z cyfrowym sterownikiem jest używany szeregowy interfejs SPI.

Budowa przedwzmacniacza

Rysunek 4. Zależność zniekształceń THD+N w funkcji impedancji źródła sygnału

Przedwzmacniacz podzielono na 3 moduły: sterownika mikroprocesorowego, zasilacza i regulatora z selektorem wejść. Każdy moduł jest umieszczony na osobnej płytce i są one połączone kablami z zaciskanymi wtykami IDC.

Moduł sterownika mikroprocesorowego
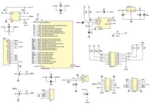
Schemat modułu sterownika pokazano na rysunku 5. Głównym elementem jest 8-bitowy mikrokontroler PIC16F1936 produkowany przez Microchipa. Wybór był podyktowany stosunkowo niską ceną przy sporych możliwościach.

Mikrokontroler ma wbudowaną pamięć programu Flash o pojemności 8192 słów, pamięć RAM o pojemności 512 bajtów i pamięć nieulotną EEPROM o pojemności 256 bajtów. Pojemność pamięci jest ważna, bo program sterujący jest rozbudowany i zbyt mała pamięć mogłaby spowodować problemy ze zmieszczeniem wszystkich procedur lub wymusić ograniczenie funkcjonalności.

Pamięć EEPROM jest używana do zapamiętywania nastaw programu sterownika. Wybranie mikrokontrolera bez tej pamięci wymagałoby dołączenia zewnętrznego układu. Oprócz pojemnej pamięci mikrokontroler ma wbudowanych szereg modułów peryferyjnych wykorzystywanych w układzie sterownika.

Najważniejsze z nich to: licznik TMR0 odliczający interwały o czasie 1 ms i zgłaszający przerwania oraz licznik TMR2 wykorzystywany do taktowania układu ECCP z modułem PWM sterującym jasnością podświetlania wyświetlacza. Kolejną właściwością bardzo pożądaną w tej aplikacji jest możliwość taktowania rdzenia wewnętrznym oscylatorem RC o maksymalnej częstotliwości 32 MHz.

Wewnętrzne taktowanie w porównaniu z klasycznym oscylatorem kwarcowym i dołączanym kwarcem zmniejsza poziom zakłóceń EMC (brak zewnętrznych połączeń mikrokontrolera z rezonatorem). W układach audio każda redukcja zakłóceń cyfrowych jest bardzo pożądana.

Ważnym motywem wyboru mikrokontrolera jest możliwość pisania programu w bezpłatnym środowisku projektowym MPLABX IDE oraz możliwość nieograniczonego wykorzystania bezpłatnej wersji kompilatora MPLAB XC8 przeznaczonej dla mikrokontrolerów rodzin PIC16F i PIC18F.

Interfejs użytkownika zawiera wyświetlacz alfanumeryczny 4 wiersze×20 znaków, impulsator z dodatkowym stykiem zwieranym za pomocą przyciśnięcia ośki oraz odbiornika podczerwieni 36 kHz.

Początkowo rozważałem zastosowanie kolorowego wyświetlacza graficznego z panelem dotykowym. Jednak przedwzmacniacz w założeniu jest obsługiwany głównie z użyciem pilota zdalnego sterowania. Panel dotykowy byłby prawie niewykorzystywany, a całość byłaby znacznie droższa z powodu wyższej ceny wyświetlacza i mikrokontrolera sterującego. Zastosowany wyświetlacz z niebieskim podświetleniem jest dobrze widoczny z większej odległości, a liczba wyświetlanych znaków jest wystraczająca.

Wyświetlacz jest sterowany magistralą pracującą w trybie 4-bitowym. Do regulacji jasności podświetlenia jest wykorzystany przebieg PWM generowany przez sprzętowy moduł ECCP i dostępny na wyprowadzeniu RC2/CCP1. Steruje on przez rezystor R15 bazą tranzystora Q1. Rezystor R14 ogranicza prąd diod LED podświetlających matrycę LCD, gdy tranzystor Q1 jest w nasyceniu. Potencjometr R7 reguluje kontrast wyświetlacza.

Głównym elementem manipulacyjnym jest impulsator obrotowy z dodatkowym stykiem (IMP1) przeznaczony do regulacji siły głosu oraz do wprowadzania wszystkich nastaw sterownika. Jak wspomniano, obsługa skonfigurowanego przedwzmacniacza będzie polegała na zmianie siły głosu i wyborze aktywnego wejścia sygnału audio.

Najwygodniej jest to zrobić pilotem na podczerwień. Sterownik ma wbudowany scalony odbiornik TSOP34836 przeznaczony do odbioru sygnału modulowanego z częstotliwością 36 kHz. W obecnej wersji oprogramowania jest obsługiwany tylko najpopularniejszy standard RC5. Zgodnie z notą aplikacyjną, odbiornik jest zasilany z napięciem +5 V przez filtr zbudowany z rezystora R16 i kondensatora C12.

Rysunek 5. Schemat modułu sterownika

Sterownik mikroprocesorowy można w prosty sposób wyposażyć w zegar czasu rzeczywistego RTC. Może to być zewnętrzny układ, lub funkcja programowa. Mikrokontrolery PIC16F mają wbudowany drugi oscylator mogący współpracować kwarcem "zegarkowym" o częstotliwości 32,768 kHz. Częstotliwość tego oscylatora może być zliczana przez moduł Timer1.

To rozwiązanie jest tanie i działa bardzo dobrze, ale ma jedna wadę - jest problem z zapewnieniem podtrzymania bateryjnego w momencie braku zasilania sieciowego. Głównie z tego powodu zdecydowałem się na zastosowanie sprawdzonego, znanego układu DS1307.

Dostępne są nowsze układy, ale trudno jest znaleźć taki, który mógłby być zasilany napięciem +5 V. W porównaniu z nowszymi konstrukcjami, układ DS1307 nie ma możliwości kalibrowania częstotliwości własnego (wbudowanego) generatora RC.

Poza tym, spełnia wszystkie wymagania łącznie z podtrzymaniem bateryjnym z baterii litowej o napięciu +3 V. Komunikacja zegara ze sterownikiem odbywa za pomocą interfejsu I²C. Rezystory R3 i R4 realizują wymagane podciąganie do plusa zasilania linii SDA i SCL.

Sterownik mikroprocesorowy zawsze jest źródłem zaburzeń elektromagnetycznych. Wynika to z charakteru pracy układów cyfrowych. Te zaburzenia, a szczególnie szum generowany w obwodach masy, przenoszą się do układów analogowych i degradują sygnał elektroakustyczny.

Układ PGA2311 jest sterowany za pomocą interfejsu SPI sterownika i siłą rzeczy masy obu układów powinny być ze sobą połączone. Aby zminimalizować zakłócenia w PGA2311 rozdziela się masę analogową od cyfrowej, ale w końcu i tak musza być ze sobą połączone galwanicznie.

Żeby jeszcze bardziej zminimalizować poziom szumów postanowiłem za pomocą transoptorów oddzielić galwanicznie zaszumioną masę sterownika od masy cyfrowej PGA2311. Do tego celu użyto poczwórnego transoptora TLP281-4 (U3). Taka izolacja jest łatwa do wykonania, bo interfejs SPI używany do komunikacji z PGA2311 nie ma linii dwukierunkowych, jak SDA i SCL w I²C.

Przebiegi SDO, SCK i CS linii magistrali SPI są przyłączone do katod diod LED transoptorów. Anody tych diod są połączone przez rezystory 150 V z plusem zasilania. Kiedy na linia sterująca jest wyzerowana, to przez diodę płynie prąd i tranzystor transoptora się nasyca, a na wyjściu transoptora występuje poziom niski.

Kiedy linia sterująca jest ustawiona, to przez diodę nie płynie prąd, tranzystor jest zatkany, a rezystor włączony pomiędzy kolektor i plusem zasilania wymusza poziom wysoki. Przy takim połączeniu transoptor nie odwraca sygnału i przebiegi na magistrali są przenoszone bez zmiany kształtu.

Do sterowania selektorem wejść przeznaczono linie portów SEL1, SEL2 i SEL3. Tranzystory sterujące przekaźnikami selektora i rezystory ograniczające prąd bazy są zamontowane na płytce regulatora. Sygnał MUTE steruje przekaźnikiem zwierającym sygnał wyjściowy. Sygnał STANDBY steruje przekaźnikiem wyłączającym zasilanie układów analogowych. Na płytce sterownika jest zamontowany stabilizator U5 typu SPX1117-5.

Wykaz elementów

Płytka zasilacza

Rezystory: (metalizowane 0,6 W)
R18, R22: 470 Ω
R20, R25: 3,9 kΩ
R21, R26: 2 kΩ
R19, R23: 220 Ω
R24: 1,5 kΩ

Kondensatory: C14, C15, C21, C22: 100 nF (SMD 1206)
C16, C17, C19, C20, C23, C24, C27, C28, C29, C30: 1 µF/35 V (tantalowe, ewentualnie elektrolityczne 10 µF/50 V)
C18, C25, C31, C33: 4700 µF/25 V
C26: 1 nF (MKP Y2/X1 300VAC - uwaga! Nie stosować innego typu!)

Półprzewodniki:
D1...D13: 1N4007
U6, U7: LM317 (TO220)
U8, U9: LM337 (TO220)
U10: 7805 (TO220)

Inne:
K1: przekaźnik RM84-12V
T1: transformator TSZZ7/008M INDEL
T2: transformator TSZZ7/003M INDEL
Płytka drukowana
Listwa podwójnych goldpinów raster 2,54 mm

Bezpieczniki:
F1, F2 500 mA

Płytka sterownika

Rezystory: (SMD 1206)
R1...R4, R6: 10 kΩ
R11...R13, R16: 150 Ω
R5, R8...R10, R14, R15, R17: 1 kΩ
R7: 47 kΩ (potencjometr)

Kondensatory:
C1, C3, C5, C6, C8, C10, C12, C13: 10 µF/16 V (SMD 3528)
C2, C4, C11: 100 nF (SMD 1206)

Półprzewodniki:
U1: DS1307 (SMD)
U2: PIC16F1936 I/SO (SOIC, zaprogramowany)
U3: TLP281-4 (SMD)
U4: odbiornik IR - opis w tekście
U5: SPX1117-5 (SOT223)
Q1, Q2: BD139-16

Inne:
Wyświetlacz LCD 4×20 znaków - opis w tekście
BAT - pojemnik na baterię CR2032 - do druku
Y1 - kwarc zegarkowy
IMP1 - impulsator ze stykiem zwiernym Piher
Listwa podwójnych goldpinów raster 2,54 mm
Płytka drukowana

Płytka regulatora

Rezystory: (SMD 1206)
R1, R2, R8, R9: 47 kΩ
R4, R11, R13, R15: 100 kΩ
R3, R10, R12, R14: 100 Ω
R5...R7, R16: 1 kΩ

Kondensatory:
C1, C2, C8, C9, C17: 10 µF/16 V (SMD 3528)
C3, C4, C10, C11, C18: 100 nF (SMD 1206)
C5, C6: 2,2 µF/63 V (MKP lub 4,7 µF/25V unipolarny, elektrolityczny)
C7, C12: 100 pF (SMD 1206, opcjonalnie)
C13, C14, C15, C16: 220 µF/40 V (elektrolityczny)

Półprzewodniki:
D14...D17: 1N4148
Q1...Q4: BC237
U1: OPA2134 (opis w tekście)
U2: PGA2311

Inne:
K2...K5: przekaźnik Axicom P20551 (lub podobny z cewką 5 VDC)
Płytka drukowana
P1, P2, P8...P11, P14, P15: gniazda Cinch do druku typu LUMBERG BTOR 1
Podstawki precyzyjne 8 i 16 nóżek
Listwa podwójnych goldpinów raster 2,54 mm

Moduł zasilacza

Rysunek 6. Schemat ideowy zasilacza

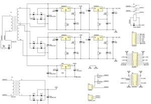
Kolejnym modułem przedwzmacniacza jest zasilacz, którego schemat ideowy pokazano na rysunku 6. Praktycy projektujący układy analogowe - w tym układy analogowe audio - wiedzą, że zasilacz jest bardzo istotnym elementem układu. W przedwzmacniaczu zasilacz ma za zadanie dostarczyć:

  • ±5 V do zasilania układów analogowych PGA23116.
  • ±12 V do zasilania układu wzmacniacza wstępnego.
  • +5 V do zasilania układów cyfrowych PGA2311.
  • +9...12 V do zasilania sterownika mikroprocesorowego (stabilizator +5 V jest zamontowany na płytce sterownika - to napięcie jest całkowicie izolowane od pozostałych).

Do zasilania układów analogowych zastosowałem popularne układy stabilizatorów napięcia dodatniego LM317 i napięcia ujemnego LM337. Dodatnia i ujemna gałąź tego układu zasilania ma odrębne mostki prostownicze zbudowane z diod krzemowych 1N4007 w obudowie do montażu przewlekanego.

Napięcie +5 V zasilające układy cyfrowe PGA2311 jest stabilizowane za pomocą popularnego układu 7805. Cały układ zasilania wzmacniacza wstępnego i regulatora ma swój transformator T1. Napięcie pierwotne 230 VAC tego transformatora jest podawane przez przekaźnik K1 sterowny sygnałem STANDBY sterownika.

Umożliwia to wyłączanie zasilania tej części układu bez wyłączania zasilania sterownika. Elementy R24 i C26 mają za zadanie gaszenie przepięcia (iskrzenia) styków przekaźnika K1 w trakcie wyłączania i załączania transformatora T1.

Napięcia zasilające są podawane do układów sterownika i regulatora przez zaciskane na taśmie złącza IDC. Połączenia zostały zwielokrotnione. Jeżeli jednak ktoś by miał wątpliwości odnośnie do niezawodności takiego rozwiązania, to może połączyć moduł zasilacza z modułem regulatora kablami wlutowanymi w listwę pinów P3. Wyprowadzenia P3 są dołączone równolegle do złącza IDC P4.

Transformator T2 z mostkiem sterowniczym i kondensatorem filtrującym C33 ma za zadanie dostarczenie napięcia z zakresu +7...9 V do zasilania sterownika.

Cały układ zasilania ma trzy masy:

  • Cyfrową masę sterownika mikroprocesorowego GND. Jest ona odizolowana galwanicznie od masy toru analogowego. Izolacja sygnałów interfejsu SPI przeznaczonego do wpisywania danych o tłumieniu/wzmocnieniu do układu PGA2311 jest realizowana przez transoptor na płytce sterownika. Izolacja sterowania torem sygnałowym selektora wejść i układu MUTE jest wykonana na przekaźnikach.
  • Cyfrową masę układu PGA2311 ADGND. Ta masa jest połączona galwanicznie z masą układów analogowych AGND, co wymusza budowa PGA2311. Jednak elektryczne połączenie ADGND i AGND jest wykonane w jednym punkcie w module zasilacza, tak by nie było wspólnych ścieżek dla sygnału analogowego i cyfrowego.
  • Masa analogowa toru sygnałowego AGND. W obrębie selektora wejść, wzmacniacza wstępnego i regulatora PGA2311 masa sjest wykonana w formie wylewki.

Moduł regulatora

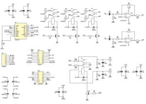
Rysunek 7. Schemat ideowy regulatora

Schemat ideowy modułu regulatora pokazano na rysunku 7. Składa się on z trzech zasadniczych bloków:

  1. Selektora sygnału wejściowego. Selektor umożliwia wybranie jednego z trzech sygnałów stereofonicznych doprowadzonych do wejść IN1, IN2, IN3.
  2. Stereofonicznego wzmacniacza wstępnego o impedancji wejściowej 47 kΩ.
  3. Cyfrowo sterowanego regulatora PGA2311 z układem MUTE zrealizowanym na przekaźniku.

Sygnały wejściowe są wybierane przez zwieranie styków przekaźników K2, K3, K4. Cewki przekaźników zasila napięcie +5 V (mierzone w odniesieniu do masy GND sterownika mikroprocesorowego). Umożliwia to nieskomplikowane sterowanie tranzystorami Q1, Q2 i Q3 z linii portów mikrokontrolera, przy zachowaniu galwanicznej izolacji mas.

Napięcie zasilające +5 V, masa GND oraz sygnały sterujące są doprowadzone przez złącze P16. Program sterujący tak steruje liniami SEL1, SEL2 i SEL3, by tylko jedna z nich była aktywna (zależnie od wybranego wejścia).

Tomasz Jabłoński, EP

Elektronika Praktyczna Plus lipiec - grudzień 2012

Elektronika Praktyczna Plus

Monograficzne wydania specjalne

Elektronik grudzień 2025

Elektronik

Magazyn elektroniki profesjonalnej

Raspberry Pi 2015

Raspberry Pi

Wykorzystaj wszystkie możliwości wyjątkowego minikomputera

Świat Radio styczeń - luty 2026

Świat Radio

Magazyn krótkofalowców i amatorów CB

Automatyka, Podzespoły, Aplikacje listopad - grudzień 2025

Automatyka, Podzespoły, Aplikacje

Technika i rynek systemów automatyki

Elektronika Praktyczna grudzień 2025

Elektronika Praktyczna

Międzynarodowy magazyn elektroników konstruktorów

Elektronika dla Wszystkich styczeń 2026

Elektronika dla Wszystkich

Interesująca elektronika dla pasjonatów