Dozownik detergentu, czyli czas na elektronizację WC

Dozownik detergentu, czyli czas na elektronizację WC
Pobierz PDF Download icon
Aby utrzymać toaletę w czystości, często korzysta się z detergentów w postaci krążków zatapianych w wodzie, zawieszek i podobnych artykułów higienicznych. Mają one wiele wad, zaczynając od ceny, poprzez krótki czas działania i bardzo nierównomierne dawkowanie. W supermarketach budowlanych można też znaleźć mechaniczny dozownik automatyczny, sterowany poziomem wody, ale wymaga on kupna drogiego preparatu i działa dobrze jedynie przy dużej regularności korzystania z WC. W artykule opisano automatyczny, elektroniczny dozownik detergentu do WC zbudowany na bazie pompy perystaltycznej i sterownika bazującego na mikrokontrolerze. Zestaw działa z praktycznie każdym detergentem i zapewnia adaptacyjną regulację dawki, w zależności od ilości spuszczanej wody. Zasilanie akumulatorowe i prosta konstrukcja pozwalają na całkowite ukrycie urządzenia w instalacji. Rekomendacje: dozownik przyda się w każdym domu.

Rysunek 1. Schemat instalacji dozownika i sposób montażu czujnika poziomu

Koncepcja dozownika opiera się na wykorzystaniu małej pompy perystaltycznej przeznaczonej do użytku głównie w systemach akwariów morskich. Pompa taka składa się z silniczka komutatorowego o mocy około 2 watów na napięcie 6 V, przekładni planetarnej i systemu trzech rolek ugniatających wężyk silikonowy.

Ma ona niewielką wydajność sięgającą 60 ml płynu na minutę, niemniej do opisywanego zastosowania nadaje się doskonale: zapewnia brak kontaktu detergentu z częścią mechaniczną pompy, jest trwała i pozwala na prosty serwis.

Pompa perystaltyczna ma charakter ssąco-tłoczący, co upraszcza budowę instalacji do minimum. W projekcie autora całość składa się z 2-litrowego kanisterka z detergentem, wężyka z pompką, który prowadzi od zbiornika do tylnej ścianki zbiornika na wodę, w którym - przez wywiercony otwór - wężyk wprowadzony jest do zbiornika, jak na rysunku 1.

Fotografia 2. Przykładowa pompa perystaltyczna wymaga 6 V/0,35 A i zapewnia przepływ do ok. 60 ml/minutę. Jej wymiary to Ø32 mm×23 mm (silnik) i 54 mm×46 mm (tłocznia). Wężyk ma średnicę ok. 4,5 mm

Budowa pompy pozwala na pracę ze zbiornikiem umieszczonym powyżej lub poniżej tego wylotu, dzięki czemu "hydraulika" układu jest banalnie łatwa do wykonania. Zaletą użytej pompy (fotografia 2) jest stosunkowo dobra dostępność (portale aukcyjne w kraju i za granicą) i niewielka cena, rzędu 40...50 złotych.

Dozowanie w takim układzie polega na dodaniu do zbiornika w toalecie czujnika poziomu wody i przyłączeniu go razem z pompą do sterownika. Sterownik, na podstawie czasu, przez który poziom wody w zbiorniku jest niski, a więc czasu napełniania się zbiornika odpowiadającemu mniej więcej ilości wody nalewanej w cyklu, wyznacza dawkę detergentu i uruchamia na zakończenie każdego cyklu na kilka sekund pompę, tłocząc porcję detergentu do zbiornika.

Cechą sterownika jest praca adaptacyjna, którą należy rozumieć jako dopasowanie dawki do ilości nalewanej wody. Wiadomo, że w użyciu są różne systemy spłuczek: z przyciskiem start-stop lub 3/6 litrów, dlatego system powinien raz dolewać więcej płynu, raz mniej, po to, aby mniej więcej utrzymać stałe proporcje.

Na taką pracę pozwala wykorzystanie typowego czujnika poziomu wody z pływakiem piankowym z zatopionym magnesem i kontaktronem w środku. Taki czujnik musi zostać zamontowany w środku zbiornika, a przewód z niego trzeba doprowadzić do sterownika. W prototypie czujnik został przymocowany do boku zaworu spustowego (rysunek 1).

Zasilanie niestety tylko akumulatorowe

Z uwagi na konieczność zapewnienia bezpieczeństwa użytkownika oraz w związku z koniecznością zainstalowania czujnika połączonego ze sterownikiem wewnątrz zbiornika, a także z uwagi na to, że w sąsiedztwie WC nie zawsze jest dostępna sieć energetyczna, urządzenie jest zasilane wyłącznie z akumulatora. Bezsprzecznie komplikuje to istotnie dozownik, ale eliminuje potencjalne zagrożenie dla zdrowia i pozwala na zamontowanie go w każdym miejscu.

Do zasilania użyto popularnych akumulatorów litowo-jonowych 3,7 V typu 18650 (O18×65 mm). Można je kupić nowe lub lepiej pozyskać z uszkodzonych pakietów akumulatorowych z laptopów. Są one bardzo wydajne (pojemności ok. 2200 mAh) i zapewniają długi czas działania, bo w wykonanym układzie pompa załączana jest na około 3 sekundy w cyklu.

Przy poborze prądu przez pompę 0,35 A i zasilaniu 6 V, otrzymujemy po konwersji przez przetwornicę wymagane zasilanie na wejściu ok. 3,7 V/ 0,7 A. Jedno ogniwo powinno więc starczyć szacunkowo do maksymalnie 2200/700×3/3600=2600 cykli. Autor wykorzystał 6 ogniw połączonych równolegle (cały pakiet z laptopa, bo akurat wszystkie były sprawne) i liczy, że ładowanie nie będzie wymagane częściej niż raz na rok.

Dzięki równoległemu połączeniu ogniw odpada problem konieczności wykonania balansera ładunku. Przy łączeniu równoległym należy tylko pilnować, aby ogniwa były w tym samym stanie (naładowania i kondycji). Niemniej, sterownik działa poprawnie już z jednym ogniwem Li-Ion 3,7 V i od tego można zacząć.

Blok zasilania pompy

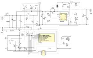
Rysunek 3. Schemat ideowy dozownika

Sterownik dozownika składa się z kilku części funkcjonalnych. Pierwszym jest blok zasilania pompy złożony z przetwornicy DC/DC podwyższającej napięcie z poziomu dostarczanego przez akumulator, a więc z 3...4 V do wartości nominalnej 6 V. Ponieważ budowa ma charakter uniwersalny, użyta przetwornica pozwala na regulowanie napięcia od 5 do 12 V. Dzięki temu można także użyć innej pompy, nie tylko tej grafiki z fotografii 2.

Schemat ideowy dozownika pokazano na rysunku 3. Przetwornicę wykonano na popularnym układzie MC33063A. Chip ten ma nie najlepszą opinię układu mało nowoczesnego, ale w tym zastosowaniu jego wady nie mają większego znaczenia. Dzięki dużej popularności jest on za to bardzo tani w porównaniu do rozwiązań konkurencyjnych.

Napięcie z akumulatora jest doprowadzone do układu przez bezpiecznik F1, który wraz z diodą D1 stanowi zabezpieczenie przed pomyleniem biegunów zasilania. Kolejnym blokiem jest włącznik zasilania sterowany sygnałem z mikrokontrolera, który załącza przetwornicę i pompę.

Ponieważ budowa układu podwyższającego (step-up) ma taką topologię, że nawet przy zablokowanym sterowniku na jej wyjściu występuje napięcie akumulatora (przez dławik), konieczne jest odcięcie zasilania w obwodach wejściowych. Realizuje to tranzystor MOSFET T3.

Napięcie zasilania układu jest niewielkie, nawet 3 V, więc konieczne jest tutaj użycie elementu o niskiej wartości napięcia progowego UGS(TH). Standardowe MOSFET-y mają go na poziomie 3...4 V i do tego zastosowania się nie nadają.

Ponieważ można mieć trudności ze zdobyciem takiego tranzystora, przewidziano wyjście awaryjne - na płytce jest miejsce na przekaźnik K1 i tranzystor T4, których można użyć zamiast T3. Warto zauważyć, że tranzystor T3 odcina masę od przetwornicy, a nie plus zasilania. To dlatego, że tranzystor P-MOSFET z niskim UGS(TH) jest jeszcze trudniejszy do kupienia w detalu w wersji THT. Tak jest zapewne mniej elegancko, ale za to bez kłopotu.

Układ przetwornicy IC2 pracuje w typowej aplikacji, z zewnętrznym tranzystorem przełączającym po to, aby zapewnić pożądany przez pompę prąd obciążenia i to z zapasem, bo nie wiadomo, którą wersję pompy uda się kupić.

Niemniej, tutaj ponownie tranzystor przełączający wymaga sporej rozwagi przy selekcji, bo jak wspomniano, całość zasilacza musi działać już przy napięciu 3 V. W takich warunkach T2 musi się dobrze nasycać, aby przetwornica działała z dużą sprawnością, a więc współczynnik h21 tego tranzystora przy dużym prądzie kolektora powinien być jak największy, a jego UCE(SAT) jak najmniejsze.

Strzałem w dziesiątkę okazał się 2SC3807 (UCE(SAT) <0,5 V, a h21>600 dla IC=1 A!). Rozważania te przytoczono po to, aby przy ewentualnych zmianach elementów wiedzieć, jak dobrać coś w zamian. Wydajność prądowa przetwornicy pozwala na zasilanie pomp o napięciu do 12 V i mocy do ok. 4 W. Cała reszta elementów, poza wymienionymi tranzystorami, nie jest krytyczna.

W układzie zasilania jest jeszcze przycisk S1, za którego pomocą można uruchomić pompę w każdych warunkach lub też załączyć na chwilę napięcie wyjściowe, aby wyregulować potencjometrem jego wartość. Przydaje się on podczas pierwszego zalewania układu detergentem lub obsługi serwisowej.

Sterowanie

Sygnał z czujnika poziomu dociera do złącza J2A. Do sterowania pracą potrzebny jest czujnik, który jest zwierany, gdy poziom wody jest niski. Obniżenie się wody w zbiorniku powoduje podanie napięcia na kondensator C1, który wraz z tranzystorem T1 generuje dla mikrokontrolera sygnał zerowania, wybudzając go z głębokiego uśpienia, chwilowo obniżając napięcie na końcówce 1.

Uruchomiony mikrokontroler odczytuje wartość napięcia na ślizgaczu potencjometru R2. Jest on prostym zadajnikiem czasu nominalnego (średniego) włączenia pompy. Potencjometr R5 z dzielnikiem dostarcza do mikrokontrolera napięcie akumulatora.

Obniżenie się potencjału na ślizgaczu poniżej 1,1 V powoduje włączenie sygnalizacji konieczności ładowania. Gdy akumulator ma 3,15 V, dla bardzo rozładowanego akumulatora o napięciu 3 V pompa nie jest już załączana, bo sterownik uznaje, że nie ma sensu "dobijać" akumulatora. Sygnalizacja polega na załączeniu świecenia żółtej diody i włączeniu brzęczyka na chwilę po zakończeniu pracy.

Po nalaniu się wody mikrokontroler oblicza czas włączenia pompy i uruchamia blok zasilania. Potem "usypia" swoje działanie i czeka na kolejne zdarzenie. W układzie jest też port ISP do procesora. Jest on częścią prac w wersji prototypowej nad oprogramowaniem i w wersji fi nalnej nie musi być, montowany.

Wykaz elementów

Rezystory:
R1 22 kΩ
R2: 10 kΩ (pot. nastawny)
R3: 2,2 Ω (lub lepiej dławik 470 mH/20 mA)
R4: 33 kΩ
R5: 22 kΩ (pot. nastawny, precyzyjny)
R6: 10 kΩ
R7: 1 MΩ
R8: 1 kΩ
R9: 68 kΩ
R10, R14: 1,5 kΩ
R11, R12: 0,33 Ω/1 W
R13: zwora lub rezystor 10 Ω, gdy SG1 jest zbyt głośny
R15: 150 Ω
R16: 330 Ω
R17: 3,9 kΩ
R19: 1,6 kΩ
R18: 10 kΩ (pot. nastawny)

Kondensatory:
C1, C4: 22 nF
C2: 1000 µF/10 V
C3, C6, C8, C11: 100 nF
C5, C7: 10 µF/16 V
C9: 680 pF
C10: 470 µF/16 V

Półprzewodniki:
IC1: ATtiny 45 (zaprogramowany)
IC2: MC34063A
T1: BC547C
T3: IRFL540 lub T4 - BS170 i K1 - HM4100F 5 V
T2: 2SC3807
D1, D3: 1N4001 lub podobna
D2: 1N5819
LED2: dioda LED żółta, 3 mm
LED1: dioda LED, zielona 3 mm

Inne:
F1: bezpiecznik 3,15 A kubkowy
L1: 50 µH/2,5 A 50L3
S1: TACT switch kątowy
SG1: brzęczyk 14 mm np. KPI-1410
J1: złącze śrubowe raster 3,8 mm
J2: złącze zasilające KWM4505-04R
Wężyki igelitowe, czujnik poziomu typ NC, pompa

Oprogramowanie

Fotografia 4. Widok zmontowanego sterownika w obudowie

Praca adaptacyjna wymaga zebrania danych na temat cykli pracy WC, które mikrokontroler zapisuje w pamięci EEPROM. Po pierwszym uruchomieniu przez 15 cykli czas załączania pompy nie podlega regulacji, co ułatwia uruchomienie i nastawienie czasu nominalnego potencjometrem R2 i ogranicza wahania działania.

Potem czas pracy jest zmniejszany lub zwiększany w stosunku do wartości nominalnej w zależności od sygnałów płynących z czujnika poziomu. Zebranie kompletu 120 próbek kończy czas uczenia się do adaptacji, niemniej co jakiś czas sterownik "pozbywa się" najstarszych próbek i odświeża dane adaptacyjne. Decyzja jest podejmowana losowo z prawdopodobieństwem raz na 128 cykli. To po to, aby oszczędzić pamięć EEPROM i nie zapisywać do niej stale danych, bo jak wiadomo, trwałość pamięci EEPROM jest skończona.

Krótkie wyzwolenie działania, a więc gdy sygnał z czujnika poziomu trwa krócej niż 3 sekundy, nie uruchamia pompy wcale.

Włączenie układu z potencjometrem R5 skręconym na zero (lub lepiej załączenie zasilania z na chwilę zwartym do masy ślizgaczem na czas włączenia) uruchamia tryb testu. Układ wówczas pozwala na wyregulowanie progu detekcji rozładowanego akumulatora (R5) i kodem błyskowym (żółta dioda) przesyła informacje o danych adaptacyjnych oraz liczbie aktywacji mechanizmu odświeżania pamięci EEPROM. Można je też odczytać w programatorze.

Załączenie czujnika poziomu wody na czas dłuższy niż 100 sekund jest stanem rozpoznawanym jako "brak wody lub awaria". W takiej sytuacji działanie sterownika jest blokowane do czasu powrotu normalnych warunków pracy. Dodatkowo w tym momencie kasowana jest pamięć EEPROM, a jej skasowanie potwierdzają trzy błyski diody LED2. Takie działanie warto wywołać ręcznie, zwierając piny w złączu J2 po zmianach w instalacji (np. wymianie pompy na inną) lub po testach.

Montaż i uruchomienie

Rysunek 5. Schemat montażowy dozownika

Schemat montażowy dozownika zamieszczono na rysunku 5. Sterownik modelowy zmontowano na niewielkiej płytce dwustronnej, zawierającej wszystkie elementy poza akumulatorami. Elementy sygnalizacyjne i sterujące oraz główne gniazdo J2 do podłączenia pompy i czujnika poziomu zostały zgromadzone na jednym boku, co pozwala na wyprowadzenie ich na płytę czołową, co ilustruje fotografia 4. Kolejność lutowania jest typowa, upakowanie na tyle niewielkie, że nie powinno stanowić problemu.

Pracę warto podzielić na etapy. Najpierw zmontować przetwornicę z IC2 i ją uruchomić, podając napięcie bezpośrednio na jej wejście. Potem można zamontować włącznik i jak całość będzie reagowała na naciskanie przycisku S2, przejść do montażu mikrokontrolera.

Następnie podłączyć zasilanie do całości i symulując działanie czujnika poziomu, sprawdzić załączanie pompy i wyregulować potencjometrem R2 czas pompowania. Oprogramowanie działa na domyślnych ustawieniach fusebitów MCU.

Ustawienie progu sygnalizacji rozładowanego akumulatora wymaga zasilenia sterownika napięciem 3,15 V i takiego ustawienia potencjometru R5, aby po wyzwoleniu działania zapalała się żółta LED. Można też wywołać autotest.

Po regulacji i zakończeniu testów warto wykasować pamięć EEPROM w mikrokontrolerze, aby nie zostały w niej zapisane przypadkowe dane z okresu testów (zwarcie J2A na ok. 100 s aż do potwierdzenia 3×).

Do ładowania akumulatora użyta została ładowarka USB 5 V/1 A, w której zmieniono napięcie wyjściowe na 4,3 V przez zmianę podziału dzielnika we wzmacniaczu napięcia błędu. Można też użyć wersji 5-voltowej, podłączając akumulator przez szeregowo włączoną diodę krzemową.

Robert Magdziak

Artykuł ukazał się w
Elektronika Praktyczna
czerwiec 2016
DO POBRANIA
Pobierz PDF Download icon
Materiały dodatkowe
Elektronika Praktyczna Plus lipiec - grudzień 2012

Elektronika Praktyczna Plus

Monograficzne wydania specjalne

Elektronik listopad 2025

Elektronik

Magazyn elektroniki profesjonalnej

Raspberry Pi 2015

Raspberry Pi

Wykorzystaj wszystkie możliwości wyjątkowego minikomputera

Świat Radio listopad - grudzień 2025

Świat Radio

Magazyn krótkofalowców i amatorów CB

Automatyka, Podzespoły, Aplikacje listopad - grudzień 2025

Automatyka, Podzespoły, Aplikacje

Technika i rynek systemów automatyki

Elektronika Praktyczna listopad 2025

Elektronika Praktyczna

Międzynarodowy magazyn elektroników konstruktorów

Elektronika dla Wszystkich grudzień 2025

Elektronika dla Wszystkich

Interesująca elektronika dla pasjonatów