Lidia 80 Digital. Przystawka do odbiornika homodynowego na pasmo 80 m. cz. 1

Lidia 80 Digital. Przystawka do odbiornika homodynowego na pasmo 80 m. cz. 1
Pobierz PDF Download icon

Proste odbiorniki nasłuchowe są wciąż bardzo popularnymi urządzenia wśród radioamatorów-krótkofalowców. Kosztują niewiele, zajmują mało miejsca i pozwalają przy tym z powodzeniem prowadzić dobre nasłuchy w różnych warunkach. Popularny, łatwy do wykonania odbiornik homodynowy "Lidia 80" wg Włodka SP5DDJ został skonstruowany tak, że można go z powodzeniem wykorzystywać w wersji podstawowej, ale daje się też rozbudowywać o kolejne funkcjonalności. Autor tego projektu, zachęcony pozytywnymi doświadczeniami z podstawową wersją odbiornika, postanowił dokonać jego rozbudowy o kolejne funkcje. Apetyt rósł w miarę jedzenia i dlatego ostatnia, prezentowana wersja urządzenia została wyposażona nie tylko w pomiar częstotliwości pracy, ale także w jej regulację i stabilizację z krokiem minimalnym 10 Hz, graficzny S-metr oraz automatyczną regulację wzmocnienia ARW w zakresie 12 dB (dwie jednostki "S"). Rekomendacje: odbiornik jest przeznaczony dla osób, które chcą zająć się krótkofalarstwem. Prawidłowo zmontowany i zestrojony odbiornik umożliwia nasłuch stacji amatorskich telegraficznych i jednowstęgowych przy użyciu anteny dipolowej lub drutowej (Long-Wire).

Z projektem tego odbiornika na pasmo 80 metrów po raz pierwszy spotkałem się czytając czasopismo "Świat Radio" nr 06/2013. Znalazłem w nim krótki artykuł "Lidia 80 SP5DDJ". Pełny artykuł opisywał projekt, który wydał mi się łatwy do wykonania i przystępny, a przy tym ciekawy i obiecujący niezłe parametry użytkowe.

Od dłuższego czasu konstruuję różne urządzenia elektroniczne i nabrałem w końcu apetytu na zrobienie jakiegoś urządzenia radiokomunikacyjnego. Pomysłów było wiele, ale ten gwarantował szybką i pewną realizację - maksymalnie w jeden weekend. W sam raz na dobry początek!

Szybko skontaktowałem się z Włodkiem SP5DDJ i zostałem szczęśliwym posiadaczem kilku mini-kitów "Lidii 80". Po uzupełnieniu brakujących podzespołów i obudowy Kradex Z3J szybko zabrałem się do pracy. Wyczerpujące informacje i doskonała instrukcja montażu udostępnione na stronie internetowej http://www.sp5ddj.pl okazały się niezwykle pomocne. Budowa zakończyła się sukcesem i już wkrótce cieszyłem się pierwszymi nasłuchami.

Niestety, bardzo brakowało mi porządnej skali cyfrowej (pomiaru częstotliwości VFO homodyny), która pozwoliłaby precyzyjnie dostroić odbiornik i sprawnie kontrolować dryft częstotliwości. I tak to się właśnie zaczęło, a urządzenie stało się świetnym pretekstem do praktycznego rozwoju radiokomunikacyjnych pasji konstruktorskich.

Odbiornik "Lidia 80" w wersji oryginalnej

Rysunek 1. Schemat blokowy odbiornika RX-80 Lidia

Na rysunku 1 pokazano schemat blokowy urządzenia w wersji podstawowej, a na rysunku 2 jego schemat ideowy. Wejście odbiornika jest dołączone do regulowanego tłumika antenowego zrealizowanego na potencjometrze liniowym o rezystancji 1 kΩ. Za tłumikiem znajdują się dwuobwodowe wejściowe filtry w.cz. ze sprzężeniami pojemnościowymi.

W filtrach zastosowano popularne dławiki osiowe, umieszczone na płytce drukowanej "jeden za drugim" w tej samej osi, aby sprzężenie między nimi przez pole magnetyczne było jak najmniejsze. Elementy filtru dobrano w taki sposób, by zminimalizować wpływ rozrzutu ich wartości (zwłaszcza popularnych dławików osiowych o sporych tolerancjach) na jego pasmo przenoszenia i tłumienność.

Rysunek 2. Schemat ideowy odbiornika RX-80 Lidia

Co prawda, lepsze parametry mają filtry ze sprzężeniem indukcyjnym (najlepiej: transformatorowym), ale te w "Lidii 80" są skuteczne, a zwalniają mniej doświadczonych konstruktorów z konieczności własnoręcznego nawijania cewek.

Z filtru wejściowego sygnał jest podawany na wejście mieszacza-detektora odbiorczego (układ MC3361C) - w układzie o bardzo dużym wzmocnieniu. Na drugie wejście mieszacza podany jest sygnał z przestrajanego generatora VFO, zrealizowanego w układzie Colpittsa z wykorzystaniem aktywnych elementów wewnątrz struktury tego samego układu scalonego.

Generator VFO jest przestrajany w całym paśmie 80 m za pomocą diody pojemnościowej BB104G, a zakres tego przestrajania ustalają: trymer ceramiczny (z ewentualnym dodatkowym kondensatorem stałym) oraz dwa potencjometry montażowe, przeznaczone do ustalenia zakresu napięcia strojenia warikapu.

Częstotliwość VFO reguluje się potencjometrem liniowym 10 kΩ, najlepiej wieloobrotowym lub wyposażonym w dodatkowy precyzer. Warto zwrócić uwagę na fakt, że w VFO zastosowano dławik SMD, co znacząco poprawiło termiczną stabilność generatora (po około 20-minutowym wygrzaniu poprawnie zmontowany układ ma stabilność częstotliwości nie gorszą od około 100 Hz na 0,5 godziny).

W strukturze kostki MC3361C za mieszaczem-detektorem zlokalizowano przedwzmacniacz m.cz., z przełączanym prostym filtrem CW/SSB, a cały układ scalony zasilany jest stabilizowanym napięciem 8 V z układu LM78L08. Sygnał m.cz. z przedwzmacniacza jest doprowadzony do potencjometru logarytmicznego 50 kΩ służącego do regulacji głośności odbioru.

Rolę wzmacniacza głośnikowego pełni popularny układ LM386N. Do wyjścia audio można dołączyć głośnik 8-omowy o niewielkiej mocy rzędu 0,5...1 W, słuchawki lub wysterować z niego zewnętrzny wzmacniacz, np. wbudowany do głośników komputerowych.

Poprawności polaryzacji podłączonego zasilania +12 V urządzenia "pilnuje" szeregowa dioda prostownicza 1N4007, a jego obecność sygnalizuje zielona dioda LED. Urządzenie daje się zamontować w plastikowej obudowie Kradex Z3. Znacznie więcej informacji na temat konstrukcji, montażu i strojenia odbiornika "Lidia 80" można znaleźć w obszernej i wyczerpującej instrukcji, opracowanej przez Włodka SP5DDJ. Dlatego, na potrzeby tego projektu przyjmujemy, że mamy od czynienia z urządzeniem poprawnie zmontowanym, uruchomionym i zestrojonym.

Wykaz elementów

Rezystory: (0,25 W/5%):
R1: 10 Ω
R2: 100 Ω
R3, R6, R8, R13, R14, R72: 22 kΩ
R4: 3,9 kΩ
R5: 22 Ω
R7, R9, R19: 100 kΩ
R10...R12, R54, R55, R65, R67, R69...R71: 10 kΩ
R15: 47 kΩ
R16: 15 kΩ
R17, R60: 330 Ω
R18, R57: 1 kΩ
R20, R21, R23, R25, R27, R29, R31, R33, R35, R37, R39, R41, R43, R45, R47, R49, R51: 20 kΩ/1%
R22, R24, R26, R28, R30, R32, R34, R36, R38, R40, R42, R44, R46, R48, R50: 10 kΩ/1%
R52, R59: 150 Ω
R53: 5,1 kΩ
R56, R62: 47 Ω
R58, R61: 150 kΩ
R63: 470 Ω
R64: 3,3 kΩ
R66: 2,2 kΩ
R68: 4,7 kΩ
R73: 330 kΩ
R74: 470 kΩ
R75: 680 kΩ
PR1: 10 kΩ/A (montażowy)
PR2: 50 kΩ/A (montażowy)
PR3: 50 kΩ/C (obrotowy)

Kondensatory:
C1: 470 µF/16 V
C2, C6, C10: 330 nF
C3, C5, C8, C9: 100 µF/16 V
C4, C13...C15, C18, C20, C28, C32, C33, C35, C36, C38, C50: 100 nF
C7, C22, C25, C41: 470 nF
C11: 22 µF/16 V
C12, C19, C34: 10 µF/16 V
C16, C17: 22 pF
C21, C24, C27, C40: 47 nF
C23, C26, C45, C47: 1 µF/16 V
C29: 10nF
C30: 4,7 pF
C31: 150 pF
C37: 4,7 µF/16 V
C39: 220 µF/16 V
C42, C48: 3,3 nF
C43: 680 nF
C44: 4,7 nF
C46: 2,2 µF
C49: 15 nF

Półprzewodniki
D1, D2: 1N4148
D3, D4: BAT85
Q1...Q9: BC547B
U1: LM7809
U2: LM7805
U3: LM78L05
U4: ATmega8A-PU (DIP-28)
U6: CD4093D
U7, U8: 74HC595
U9: LM358

Inne:
U5: wyświetlacz LCD 2×16 (HD44780)
Podstawki pod układy: DIP-28 (1 szt.), DIP-14 (1 szt.), DIP-16 (2 szt.), DIP-8 (1 szt.)
L1: dławik osiowy 10 mH
L2: dławik osiowy 33 mH
P1: złącza śrubowe ARK2/5 mm
P2: złącze "goldpin" męskie (5 pinów)
P3: złącze "goldpin" męskie (2 piny)
P4: złącze "goldpin" męskie (2 piny)
P5: złącze "goldpin" męskie (3 piny)
X1: 16 MHz (rezonator kwarcowy z podkładką izolacyjną)
Gniazdo antenowe koncentryczne 50 Ω typu UC-1 (przykręcane do panelu)
Gniazdo mini-jack (3,5mm) z odłączalnym obwodem głównym (3-stykowe)
Gniazdo zasilania zewnętrznego, np. koncentryczne 5,5/2,1 mm
Enkoder mechaniczny 20 imp./obrót z przyciskiem
Obudowa Kradex Z2 lub podobna
Włącznik zasilania "ON-OFF" min. na 12V/0,2A,
Włącznik zwierny typu "ON-OFF" do przełączania filtru CW/SSB (na panel)
Potencjometr obrotowy 1 kV/A do regulacji RF GAIN
Gałki na potencjometry i enkoder - stosowne do wymiarów i rozmieszczenia elementów
Przewody montażowe i gotowe kabelki do połączeń "goldpin" - wg opisu w tekście
Kołki typu "goldpin" do montażu na PCB i ekranie LCD - wg opisu w tekście
Śrubki M2,5 z podwójnym zestawem nakrętek i podkładek - 12 kpl.

Możliwości rozwoju pierwotnego projektu

Jak nietrudno zauważyć, odbiornik "Lidia 80" nie należy do skomplikowanych. Warto jednak podkreślić, że dzięki stabilnemu (po wygrzaniu) VFO oraz dogodnie wyprowadzonym na portach potencjometrów regulacyjnych "otwartym interfejsom" torów: w.cz., m.cz. i regulacji częstotliwości, układ sam "zaprasza" do eksperymentów prowadzących do jego modyfikacji i rozbudowy.

Jak wspomniano, najbardziej chyba kusi możliwość dodania cyfrowego odczytu częstotliwości VFO (FVFO, czyli tzw. "skali cyfrowej", ponieważ potencjometr jednoobrotowy nie umożliwia dokładnego pokrycia i dostrojenia się w całym paśmie KF 80 m. Sytuacji nie poprawi także zastosowanie pośredniego pomiaru napięcia Uvfo sterującego warikapem np. za pomocą bargrafu diodowego, ponieważ zależność częstotliwości FVFO od tego napięcia jest silnie nieliniowa. Jedyne rozsądne rozwiązanie, to cyfrowy pomiar częstotliwości, co powszechnie realizuje się za pomocą odpowiednio oprogramowanych mikrokontrolerów.

Sygnał do pomiaru częstotliwości FVFO należy pobrać z generatora VFO. Można to zrobić na dwa sposoby. Pierwszy, to pobranie sygnału do pomiaru z wyprowadzenia 1 układu MC3361C, które jest wejściem wzmacniacza generatora VFO i dlatego zapewnia dobrze odfiltrowany z harmonicznych sygnał sinusoidalny. Należy tego obowiązkowo dokonać za pośrednictwem wtórnika-separatora najlepiej na tranzystorze polowym.

Jeśli jednak nie zależy nam na czystości widmowej, to znacznie korzystniejszym rozwiązaniem będzie pobranie sygnału mierzonego z wyprowadzenia 2 będącego wyjściem wzmacniacza w generatorze VFO. Ten sygnał, co prawda nie jest "czysty" widmowo, ale ma za to większą amplitudę, a wyjście wzmacniacza VFO jest znacznie mniej podatne na dewiacje częstotliwości FVFO spowodowane dołączeniem obwodu pomiarowego.

Po dodaniu bardzo dokładnego (rozdzielczość 1 Hz) pomiaru częstotliwości FVFO w trakcie nasłuchów zacząłem obserwować stabilność VFO. Cały układ nie był jeszcze zabudowany (stał na dokręconych śrubkach na drewnianej podstawie) i przez to był bardziej podatny na zmiany temperatury. Nieco poirytowany takim stanem rzeczy postanowiłem dodać do układu automatyczną stabilizację częstotliwości VFO.

Mając do dyspozycji dokładny pomiar częstotliwości FVFO z góry odrzuciłem wszelkie pomysły oparte wyłącznie o jej termiczną stabilizację poprzez termostatyzację i/lub dogrzewanie generatora. Poważnie potraktowałem jedynie metody oparte o elektroniczną regulację (podstrajanie) VFO w zamkniętej pętli ujemnego sprzężenia zwrotnego, która będzie reagowała zmiany Fvfo względem zadanej częstotliwości nośnej Fc.

W grę wchodziły dwie metody: z pętlą fazową PLL oraz z pętlą częstotliwościową FLL. Pętla fazowa PLL jest znacznie szybsza i dokładniejsza od FLL, jednak wymaga zastosowania: komparatora faz, programowanego dzielnika częstotliwości oraz wzorca częstotliwości do porównania. Uznałem ją za nieodpowiednią do tego zastosowania, ponieważ byłaby zbyt złożona i kłopotliwa.

Obserwacje stabilności pracy VFO w odbiorniku "Lidia 80", po dokonaniu bardzo prostych zabiegów, mających na celu jego stabilizację termiczną (zalanie elementów VFO stearyną we wspólnym bloczku oraz umieszczenie całego układu w zamkniętej obudowie) przyniosły optymistyczne wnioski. Generator VFO pracował ze stabilnością zgodną z deklaracjami konstruktora. Oznaczało to, że stabilizacja częstotliwości w prostej pętli FLL może okazać się zupełnie wystarczająca do skutecznej korekcji powolnych zmian FVFO.

Chociaż pierwsza wersja przystawki do "Lidii 80" nie była do końca udana, to pozwoliła na poczynienie kilku przydatnych spostrzeżeń konstruktorskich, sprawdzenie paru rozwiązań układowo-programowych i zaostrzyła apetyt na więcej modyfikacji i rozszerzeń w odbiorniku - układ automatycznej regulacji wzmocnienia (ARW) oraz powiązany z nim zwykle pomiar siły odbieranego sygnału, czyli tzw. "S-metr".

Oba te urządzenia stosunkowo łatwo jest zrealizować we wspólnym bloku, ponieważ wymagają pomiaru amplitudy sygnału odbieranego - zarówno w celu prezentacji dla operatora odbiornika, jak i do jego automatycznej regulacji. Dlatego realizując jeden z tych bloków szkoda jest rezygnować z drugiego.

I tu pojawiło się istotne zagadnienie projektowe. Otóż, w klasycznych odbiornikach z pojedynczą przemianą, pomiar i regulację poziomu sygnału przeprowadza się zwykle za filtrem pośredniej częstotliwości. Tu mamy do czynienia z tzw. "homodyną", w której pośrednia częstotliwość nie występuje (mówimy wtedy o tzw. zerowej czy bezpośredniej przemianie częstotliwości odbieranego sygnału), zatem do pomiaru poziomu sygnału można w praktyce użyć tylko zdemodulowanego sygnału m.cz. Osobną kwestią pozostaje to, gdzie wtrącić regulację amplitudy sygnału?

Najlepiej przed wzmacniaczem w.cz. i demodulatorem m.in. po to, aby zoptymalizować jego pracę (poprawa stosunku sygnału do szumu SNR przy słabych sygnałach odbieranych, ograniczenie ryzyka przesterowania przy sygnałach bardzo silnych). Niestety, za dwuobwodowym filtrem w.cz. dostępne są sygnały z całego odbieranego pasma 80 m, co czyni regulację poziomu sygnału w tym miejscu niezbyt pożyteczną, ponieważ wzmacniając słabiutki sygnał pożądany możemy przesterować wejście wzmacniacza w.cz. innym, "obcym", ale za to mocnym sygnałem sąsiednim. Pozostaje do dyspozycji tylko ARW wyłącznie po stronie m.cz. A więc zarówno pomiar siły sygnału jak i korektę jego poziomu należy wykonać całkowicie po stronie częstotliwości audio - za demodulatorem i przedwzmacniaczem m.cz.

Budowa przystawki

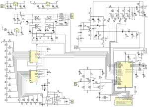
Rysunek 3. Schemat ideowy przystawki do odbiornika RX-80 Lidia

Mając do dyspozycji opisane powyżej doświadczenia i przemyślenia projektowe zabrałem się do pracy nad kolejną wersją urządzenia, które z założenia miało z bardzo prostego odbiornika analogowego uczynić urządzenie funkcjonalne i wygodne w obsłudze. W ramach projektu opracowano przystawkę realizującą pomiar, regulację i stabilizację częstotliwości pracy VFO z dokładnością i krokiem minimalnym 10 Hz, graficzny S-metr oraz automatyczną regulację wzmocnienia ARW w zakresie 12 dB, czyli dwóch jednostek "S".

Teoretyczne prace projektowe zostały zwieńczone powstaniem działającego prototypu na płytce stykowej. Po skrupulatnym "przepisaniu" układu połączeń poszczególnych bloków urządzenia do schematu elektrycznego pokazanego na rysunku 3, zaprojektowano dwustronną płytkę drukowaną o szerokości zbliżonej do płytki odbiornika "Lidia 80".

Pierwszym zaprojektowanym i uruchomionym blokiem urządzenia był wzmacniacz-separator, formujący sygnał pobierany z VFO, przeznaczony do pomiaru jego częstotliwości. Sygnał pobierany z wyprowadzenia 2 układu MC3361C w odbiorniku, poprzez port P3 płytki przystawki i dalej przez kondensator separujący C30 (4,7 pF) jest doprowadzony do wejścia pierwszego stopnia wzmacniającego z tranzystorem Q1 (BC547B).

Ten stopień ma impedancję wejściową rzędu kilkunastu kiloomów i oprócz separacji od wyjścia VFO, zapewnia kilkudecybelowe wzmocnienie sygnału odbieranego z obciążenia indukcyjnego (dławik L2) w kolektorze Q1. Poziom tego sygnału jest wystarczający do wysterowania drugiego stopnia wzmacniającego w układzie wspólnego emitera z tranzystorem Q2 (BC547B), który dalej wzmacnia sygnał FVFO i formuje go do postaci umożliwiającej odczyt i pomiar mikrokontrolerem ATmega8 (U4).

Uformowany do poziomów logicznych układów CMOS 0V/5V sygnał niosący informację o częstotliwości VFO jest wprowadzany na pin 11 mikrokontrolera, który jest wejściem zliczającym timera T1, a zmierzona z dokładnością do 10 Hz częstotliwość FVFO jest następnie wykorzystywana do jej korekty względem zadanej wartości Fc należącej do przedziału 3,5..3,8 MHz.

Do mikrokontrolera dołączono elementy filtrujące zasilanie jego bloków (w tym przetwornika analogowo-cyfrowego ADC): kondensatory C13..C15 i dławik L1, rezonator kwarcowy X1 (16 MHz) z kondensatorami C16, C17, dzielnik do pomiaru napięcia zasilania urządzenia z elementami R3, R4, C12 oraz wyświetlacz alfanumeryczny LCD 16x2 znaki (U5) z elementami: R5 (ograniczenie jasności podświetlenia LED), PR1 (regulacja kontrastu LCD) i C18 (odprzężenie napięcia zasilania).

Zmierzony sygnał FVFO jest porównywany z zadaną wartością częstotliwości nośnej odbieranego sygnału Fc w celu przeprowadzenia jej ewentualnej korekty. Odbywa się to za pomocą bloku sterowania częstotliwością VFO, którego zadaniem jest precyzyjne wysterowanie warikapu w podstawowej (analogowej) części odbiornika tak, by uzyskać zakres przestrajania 3,5..3,8 MHz z bezpiecznym zapasem i rozdzielczością lepszą niż 10 Hz.

Z prostego oszacowania wynika, że podział zakresu częstotliwości 3,5..3,8 MHz, o szerokości 300 kHz z krokiem 10 Hz, wymaga dostępności co najmniej (300 kHz/10 Hz)+1 = 30001 poziomów napięć. W praktyce należy założyć, że napięcie sterujące UVFO powinno zmieniać się w zakresie 1,7...6,1 V (bezpieczniej 1,5...7 V). Dodatkowo, należy wziąć pod uwagę także to, że zależność częstotliwości FVFO w funkcji napięcia sterującego UVFO jest nieliniowa.

Oznacza to, że liczba poziomów napięcia dostępnych na wyjściu przetwornika C/A sterującego pracą VFO powinna być większa o około 1,5 raza od szacowanych teoretycznie 30001 poziomów, co daje około 45 tys. poziomów. Jako właściwe i dogodne rozwiązanie praktyczne zastosowano przetwornik 16-bitowy mający 65 tys. poziomów napięć. Zrealizowano go za pomocą drabinki rezystorów R-2R. W tym projekcie oporność R wynosi 10 kV natomiast 2R, to 20 kV. Są to rezystancje korzystne z punktu widzenia zarówno parametrów wyjść sterujących układów cyfrowych CMOS, jak i szybkości oraz dokładności działania całego układu.

Wspomnianą drabinkę R-2R formują rezystory R20...R51. Jego wejścia są sterowane poziomami logicznymi z wyjść rejestrów przesuwnych U7, U8 (74HC595). Rejestry przesuwne są sterowane transmisją szeregową z wyprowadzeń 2...4 mikrokontrolera U4 (PD0...PD2). Napięcie zasilania +5 V układów U7 i U8 stanowi napięcie referencyjne dla przetwornika C/A.

Wobec potrzeby wysterowania UVFO w zakresie od ok. 1,5 do 7 V napięcie wyjściowe z przetwornika C/A musi być wzmocnione. Po odfiltrowaniu kondensatorem C36 (100 nF) jest doprowadzane do wtórnika, a następnie wzmocnione około 1,5 raza w strukturze z podwójnym wzmacniaczem operacyjnym U9 (LM358). Na wyjściu wzmacniacza sterującego VFO, zasilanego napięciem +9 V, włączono się końcowy filtr dolnoprzepustowy RC (R55-C37), który zapewnia łagodne przejścia między poziomami wyjściowymi napięcia z C/A w trakcie przestrajania lub automatycznego dostrajania układu.

Daje to nie tylko komfort odsłuchu, ale także gwarancję, że skoki napięcia UVFO nie spowodują niestabilności kontroli częstotliwości. Warto dodać, że w przypadku eksperymentów z zastosowaną metodyką pomiaru częstotliwości, może być potrzebna zmiana wartości stałej czasowej R55/C37, jednak w prezentowanym układzie nie należy jej dalej zwiększać.

Również eksperymentalnie potwierdzone zostało to, że większa stała czasowa wspomnianego układu niewątpliwie spowoduje problemy ze stabilnością pętli kontroli częstotliwości. Ta stała czasowa powinna wynosić nie więcej, niż około 0,33...1×okres cyklicznych pomiarów i kontroli częstotliwości, który wynosi tu około 100 ms.

Finalnie, na wyjściu P4 układu przystawki otrzymujemy stabilny, pozbawiony zaburzeń sygnał sterujący warikapem w VFO odbiornika analogowego "Lidia 80", który należy podać na jego wyprowadzenie, przeznaczone dla potencjometru regulacji częstotliwości FVFO.

Do ręcznej zmiany częstotliwości VFO zastosowano enkoder. Ma on w tym projekcie ma dwa zadania: zmienę częstotliwości VFO oraz kroku jej regulacji. Częstotliwość zmienia się obracając pokrętłem, natomiast krok przestrajania (10 k, 1 k 100 Hz lub 10 Hz) jest zmieniany przez naciśnięcie osi enkodera. Wykonano sprzętowy układ obsługi enkodera, aby odciążyć mikrokontroler.

Składa się on z 4 bramek logicznych NAND z przerzutnikami Schmitta (CD4093). Rezystory R11...R14 z kondensatorami C21 i C24 są odpowiedzialne za filtrowanie drgań styków enkodera. Bramki U6C i U6D pracują jako proste inwertery NOT, których zadaniem jest formowanie impulsów o poziomach logicznych 0/5V do dalszego przetwarzania.

Przetwarzanie to odbywa się w bramkach Schmitta NAND (U6A i U6B), które na jedno wejście otrzymują informację o stanie styku "A" enkodera, a na drugie o tym, czy w danej chwili nastąpiła zmiana poziomu z niskiego na wysoki styku "B" (różniczkowanie zboczy na elementach: R6, R8, C22, C25). Wykrycie takiego zdarzenia powoduje zmianę poziomu wyjściowego bramki U6A lub U6B na niski, a w konsekwencji rozładowanie pojemności C23 lub C26 normalnie naładowanych do poziomu +5 V przez rezystory R7 i R9, co jest odnotowywane przez mikrokontroler U4 jako obrót enkodera w prawo lub w lewo.

Z kolei pin 1 portu P2 przekazuje na wejście PB.4 (pin 18) mikrokontrolera ATmega8 (U4) informację o tym, czy został naciśnięty przycisk w enkoderze, co jest interpretowane jako potrzeba zmiany kroku strojenia (zmiany) częstotliwości VFO. Elementy R10 i C27 odpowiadają za polaryzację i filtrację drgań styku przycisku w enkoderze.

Rezystor R5 i kondensator C40 stanowią prosty filtr dolnoprzepustowy RC, którego zadaniem jest ograniczenie pasma przenoszenia toru audio. Podobną funkcję (ograniczenie pasma przenoszenia) pełni kondensator C42 w torze ujemnego sprzężenia zwrotnego kolektor-baza tranzystora Q3, który z elementami R58, R59, R60 jest wzmacniaczem wstępnym sygnału m.cz.

Wzmocnienie tego stopnia, równe około 6 dB, zostało wprowadzone po to, aby można było zrealizować automatyczną regulację wzmocnienia ARW, która może wprowadzać tłumienie sygnału audio maksymalnie do 12 dB, a więc wypadkowo za przedwzmacniaczem będzie to -6...+6 dB. Z przedwzmacniacza z tranzystorem Q3 sygnał rozdzielany podawany jest dalej na dwa bloki: przez kondensator C43 do kolejnego wzmacniacza z tranzystorem Q4 oraz przez pojemność C47 do regulowanego tłumika ARW z tranzystorami Q5..Q8.

Wzmacniacz z tranzystorem Q4 i elementami: R61, R62, R63 oraz C44 zapewnia dodatkowe wzmocnienie napięciowe na poziomie około 20 dB, co jest bardzo korzystne z punktu widzenia zakresu mierzonych poziomów sygnałów. Jest to szczególnie istotne, ponieważ za tym wzmacniaczem znajduje się prostownik szczytowy (w układzie podwajacza napięcia) z kondensatorami C45, C46, diodami D3, D4 i potencjometrem PR2.

Gdyby nie było wzmacniacza z tranzystorem Q4, to pomiar najmniejszych sygnałów byłby bardzo zafałszowany lub wręcz niemożliwy z uwagi na konieczność przekroczenia wartości napięć progowych diod D3 i D4. Wyprostowane i odfiltrowane dolnoprzepustowo napięcie z detektora szczytowego jest podawane na potencjometr montażowy PR2, którego zadaniem jest właściwe wyskalowanie (kalibracja) S-metra.

Sygnał napięciowy o odpowiednio wyregulowanym za pomocą PR2 poziomie jest podawany dalej na pin 27 w U4 (port PC.4), który jest skonfigurowany jako wejście przetwornika analogowo-cyfrowego ADC.4. Odczytane napięcie jest przetwarzane na skalę logarytmiczną i obrazowane w jednostkach "S" (z krokiem 6 dB) na wyświetlaczu LCD (U5) za pomocą zaaranżowanego programowo bargrafu (dokładniejsze informacje na ten temat są podane w dalszej części artykułu, przy omawianiu oprogramowania sterującego układem).

Zmierzone na potrzeby wyświetlania przez S-metr napięcie jest także wykorzystywane do sterowania układem ARW, aby uzyskać na jego wyjściu napięcie o średniej wartości szczytowej zbliżonej do 250 mVp-p (przy około 500 mVp-p w punkcie pomiędzy wyjściem przedwzmacniacza audio w kostce MC3361C a wejściem wzmacniacza audio z układem LM386N obwody analogowej "Lidii 80" ulegają przesterowaniu, co jest niedopuszczalnym zjawiskiem).

Cały układ ARW (wraz ze sterowaniem za pomocą mikrokontrolera U4) jest skonstruowany tak, że poziom napięcia na wyjściu analogowej części tego bloku (pin 2 w złączu P5), równy 250 mVp-p, jest automatycznie utrzymywany przy użytecznym sygnale wejściowym w.cz. o poziomie w zakresie od 7 do 9 jednostek "S", czyli od 12,5 do 50uV, mierzonych na standaryzowanej impedancji wejściowej, równej 50 Ω.

Układ ARW składa się z dzielnika rezystancyjnego, w którego górnej gałęzi pracuje rezystor R64 (3,3 kΩ), a w dolnej R73 (330 kΩ) oraz cztery przełączane rezystory: R66, R68, R70 i R72. Przełączanie tych rezystorów następuje za pomocą tranzystorów Q5...Q8, których bazy są sterowane poziomami logicznymi 0/5 V z wyjść PC.0...PC.4 (piny 23...26) mikrokontrolera U4 przez rezystory R65, R67, R69 i R71 ograniczające prądy baz tranzystorów.

Obecność niskiego poziomu logicznego na wyjściu sterującym sprawia, że tranzystor jest zatkany, natomiast wysokiego wprowadza go w stan nasycenia. Wówczas klucz należy uznać za zamknięty, a dzielnik oporowy jest zwarty do masy przez rezystory: R66, R68, R70, R72. A zatemw dolnej gałęzi dzielnika rezystancyjnego realizującego funkcję ARW pracują połączone równolegle oporniki z grupy R66, R68, R70, R72, przy czym kombinację załączonych oporników ustalają poziomy logiczne na wyjściach PC.0...PC.4 układu U4.

Dla słowa sterującego Nagc=0 występuje najmniejsze tłumienie (rzędu 0,1 dB), a przy maksymalnej wartości Nagc=15 mamy tłumienie największe, równe około 12 dB. Skala tego tłumika nie jest idealnie liniowa. Największy krok regulacji wynosi 1,4 dB a najmniejszy, to 0,4 dB, co można uznać za wartości pozwalające na komfortową dla słuchającego pracę układu (praktycznie niezauważalne dla ucha zmiany głośności sygnału m.cz.) Natomiast wartość Att równa około 6 dB (dokładnie: 5,8 dB), czyli połowa zakresu regulacji ARW jest osiągana przy wartości słowa sterującego Nagc=5.

Tłumik jest regulowany przez mikrokontroler U4 w sposób deterministyczny, tzn. właściwa wartość słowa sterującego Nagc jest wyliczana na podstawie zmierzonego (także na potrzeby realizacji funkcji S-metra) poziomu sygnału odbieranego w taki sposób, że ARW skutecznie pracuje z sygnałami o poziomach w zakresie od 7 do 9 jednostek "S", czyli w zakresie 12 dB.

Adam Sobczyk SQ5RWQ
sq5rwq@gmail.com
http://sq5rwq.pl/

Artykuł ukazał się w
Elektronika Praktyczna
styczeń 2016
DO POBRANIA
Pobierz PDF Download icon
Materiały dodatkowe
Elektronika Praktyczna Plus lipiec - grudzień 2012

Elektronika Praktyczna Plus

Monograficzne wydania specjalne

Elektronik listopad 2025

Elektronik

Magazyn elektroniki profesjonalnej

Raspberry Pi 2015

Raspberry Pi

Wykorzystaj wszystkie możliwości wyjątkowego minikomputera

Świat Radio listopad - grudzień 2025

Świat Radio

Magazyn krótkofalowców i amatorów CB

Automatyka, Podzespoły, Aplikacje listopad - grudzień 2025

Automatyka, Podzespoły, Aplikacje

Technika i rynek systemów automatyki

Elektronika Praktyczna listopad 2025

Elektronika Praktyczna

Międzynarodowy magazyn elektroników konstruktorów

Elektronika dla Wszystkich grudzień 2025

Elektronika dla Wszystkich

Interesująca elektronika dla pasjonatów