Przetwornik audio DAC z AD1955. Wysokiej jakości przetwornik DAC z kultowym układem Analog Devices

Przetwornik audio DAC z AD1955. Wysokiej jakości przetwornik DAC z kultowym układem Analog Devices
Pobierz PDF Download icon

Przetwornik audio DAC opisywany w artykule składa się z dwóch bloków: cyfrowego z odbiornikiem S/PDIF typu WM8804 i układem scalonym przetwornika AD1955 oraz bloku analogowego z konwerterem prąd na napięcie i filtrem dolnoprzepustowym opartym o wzmacniacze operacyjne AD797. Całość uzupełniają niskoszumne zasilacze, odrębne dla każdego bloku funkcjonalnego, zasilane z dwóch oddzielnych transformatorów dla części analogowej i cyfrowej przetwornika. Rekomendacje: przetwornik ucieszy ucho niejednego audiofila.

Rysunek 1. Schemat blokowy AD1955 (za notą Analog Devices)

Schemat przetwornika AD1955 pokazano na rysunku 1. Układ AD1955 jest przystosowany do przetwarzania sygnałów w standardach PCM i DSD. W przedstawionym układzie jest wykorzystywany jest tylko I2S/PCM, jednak dla osób pragnących eksperymentować np. z konwerterami USB/PCM (DSD over PCM), sygnały sterujące AD1955 oraz wejście I²S zostały wyprowadzone na złącza zewnętrzne.

Schemat ideowy odbiornika S/PDIF zamieszczono na rysunku 2. Cyfrowy sygnał wejściowy z gniazda S/PDIF jest doprowadzony do odbiornika U8 (WM8804) pracującego w trybie konfiguracji sprzętowej master I2S z rozdzielczością 24 bitów.

Diody świecące LD1 i LD2 sygnalizują zasilanie i poprawny odbiór S/PDIF. Złącze LED umożliwia dołączenie diod LED zamontowanych np. na panelu frontowym obudowy. Układ U8 pracuje z kwarcem 12 MHz, dławiki i kondensatory filtrują napięcie zasilające poszczególne bloki funkcjonalne odbiornika.

Wyjściowe sygnały interfejsu S/PDIF (LRCKO, BCLKO, DATAO) i zegarowy MCLKO są doprowadzone do złącza USP. Podczas normalnej eksploatacji to złącze musi mieć założone zwory pomiędzy wyprowadzeniami 1-2, 3-4, 5-6, 7-8.

Do złącza może być doprowadzony zewnętrzny sygnał I2S np. z konwertera USB/ I2S, upsamplera i innych. Sygnały z gniazda USP wymagają zgodności z 3,3 V. Na złącze jest wyprowadzone też pomocnicze zasilanie 3,3 V/100 mA.

Wykaz elementów

DAC1955 - część analogowa

Rezystory: (metalizowane, 1%, DALE RN60)
R1, R4: 115 kΩ/1% (SMD 0805)
R2, R3, R5, R6: 13 kΩ/1% (SMD 0805)
R10L, R10R, R13L, R13R: 324 Ω
R11L, R11R: 100 Ω
R12L, R12R, R8L, R8R: 681 Ω
R14L, R14R, R9L, R9R: 226 Ω
R15L, R15R: 332 Ω
R1L, R1R, R2L, R2R, R4L, R4R, R6L, R6R: 2,0 kΩ
R3L, R3R: 402 Ω
R5L, R5R, R7L, R7R: 100 Ω/1% (SMD 0805)

Kondensatory:
C1, C3, C4, C6: 1 µF (SMD 0805)
C2, C5, C9R...C15R, C9L...C15L: : 100 nF (SMD 0805)
C1L...C3L, C1R...C3R: 100 pF (SMD 0805, NP0)
C4L, C4R, C5L, C5R: 5,6 nF/2% (foliowy)
C6L, C6R, C7L, C7R: 2,7 nF/2% (foliowy)
C8L, C8R: 3,9 nF/2% (foliowy)
CE1, CE2, CE4, CE5: 470 µF/25 V (elektrolityczny FC)
CE3, CE6: 10 µF/35 V (SMD "B")
CE1L...CE6L, CE1R...CE6R: 4,7 µF/25 V (SMD "A")

Półprzewodniki:
D1...D8: RS1D (dioda szybka, SMD)
U1, U2: ADP7102 (SO8)
U1L...U3L, U1R...U3R: AD797 (SO8)

Inne:
A12: złącze KK5 proste, kompletne
OUTL, OUTR: złącze RCA CC134
UICV: złącze IDC10 żeńskie do druku ZL262-10DG

DAC1955 - część cyfrowa

Rezystory: (SMD 0805, 1%)
R1: 2,21 kΩ
R2: 2,80 kΩ
R3: 2,49 kΩ/1% (metalizowany, DALE RN60) R4, R7: 40,2 kΩ
R5, R6, R8, R9, R12, R13: 13 kΩ
R10: 22 Ω
R11: 100 kΩ
R14: 22,1 kΩ
R15: 75 Ω
R16: 10 kΩ
R17, R19: 1 kΩ
R18: 2,2 kΩ
RP1, RP2: 22 Ω (CRA06S08, drabinka SMD 5%)

Kondensatory: (SMD 0805)
C1...C6, C8, C11, C14, C16, C18, C19: 10 nF
C7, C9, C10, C12, C15, C17, C20: 1 µF
C21, C22: 18 pF (ceram. NP0)
CE1, CE2: 47 µF/20 V (SMD "B")
CE3, CE5, CE7, CE8, CE10: 10 µF/10 V (SMD "A")
CE4, CE6, CE9: 1000 µF/16 V (elektrolit. FC)

Półprzewodniki:
D1...D12: RS1D (dioda szybka, SMD)
LD1, LD2: dioda LED SMD 0805
U1: AD1955 (SSOP28)
U2: ADG3304 (SSOP14)
U3, U4, U7: ADP7102 (SO8)
U5: SN74LVC1T45 (DBV)
U6: ADM811 (SOT-143)
U8: WM8804 (SSOP20/300)

Inne:
CFG CONN SIP5 1 Listawa SIP5 opcja
L1, L2, L3: 1 µH (dławik PBY201209T-601Y)
LED: listwa SIP4 (opcja)
PWR: złącze KK6 proste, kompletne
SPDIF: złącze RCA CC134
UICV: listwa 2×5 męska, 20 mm
USP: złącze kątowe IDC10+4 zwory
XT: 12 MHz (kwarc SMD)

Sygnały interfejsu I²S ze złącza USP (LRCKI, BCLKI, DATAI, MCLKI) są doprowadzone do konwertera poziomów U2 (ADG3304), natomiast sygnał zegarowy MCLKI do konwertera z układem U5 (LVC1T45). Sygnały I2S wraz z sygnałem RES generowanym przez U6 (ADM811T) są zgodne z 5 V i doprowadzone do przetwornika U1 (AD1955).

Rysunek 2. Schemat odbiornika S/PDIF

Rysunek 3. Schemat przetwornika C/A

W modelu AD1955 pracuje z konfi guracją sprzętową. Umożliwia to dekodowanie sygnału PCM o częstoliwości próbkowania 96 kHz i rozdzielczości 24 bitów. Na złącze CFG są wyprowadzone sygnały interfejsu sterującego umożliwiającego zmianę ustawień oraz wykorzystanie wbudowanej regulacji głośności.

Domyślnie należy zewrzeć wszystkie sygnały złącza CFG do masy za pomocą zwory SIP5. Rezystor konwersji R3 jest najważniejszym elementem układu i należy zadbać o zastosowanie komponentu o bardzo dobrej stabilności termicznej i odpowiedniej jakości. W protoypie użyto wyselekcjonowanego rezystora typu RN60 DALE. Podobnie rezystory obwodu polaryzacji R1, R2 powinny być o jak najwyższej jakości. Schemat idowy przetwornika pokazano na rysunku 3.

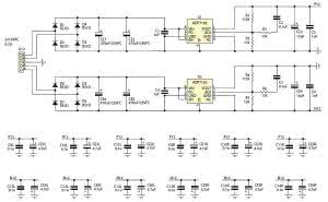
Rysunek 4. Schemat zasilacza modułu C/A

Rysunek 5. Schemat bloku analogowego

Wyjściowy sygnał prądowy z AD1955 oraz napięcie polaryzacji są doprowadzone do złącza UICV i stąd do modułu bloku analogowego. Moduł przetwornika C/A jest zasilany z niskoszumnego zasilacza LDO, którego schemat przedstawiony jest na rysunku 4.

Układ dostarcza trzech napięć, U3 - V50A zasilającego część analogową AD1955, U4 - V50D zasilającego część cyfrową AD1955 i konwertery poziomów U2,5 oraz U7 dostarczający napięcia V33D dla zasilania odbiornika SPDIF i pozostałych układów cyfrowych. Każdy ADP7102 zasilany jest z osobnego uzwojenia transformatora.

Rysunek 6. Schemat zasilacza bloku analogowego

Współpracujące z ADP7102 dzielniki ustalają napięcia wyjściowe stabilizatorów. Możliwe jest zastosowanie układów o ustalonym napięciu wyjściowym +5 V i +3,3 V(przy zwartym R4 i niezamontowanych rezystorach R5 i R6, kondensatorze C8 i odpowiadających im komponentów w pozostałych zasilaczach).

Blok analogowy zawierający konwertery I/U oraz dolnoprzepustowy filtr wyjściowy przedstawia rysunek 5. Różnicowy, prądowy sygnał analogowy ze złącza UICNV jest doprowadzony do konwerterów U/I z układami U1L oraz U2L. Po konwersji jest doprowadzony do filtra dolnoprzepustowego z układem U3L.

Wyjściowy sygnał analogowy jest doprowadzony do złącza OUTL/R. W układzie zastosowano niskoszumne wzmacniacze operacyjne AD797. Podobnie jak w wypadku elementów R1...R3 przetwornika C/A wszystkie elementy bloku analogowego muszą być precyzyjne i o jak najwyższej jakości (np. DALE RN60), kondensatory powinny być o tolerancji co najwyżej 2%.

Układ analogowy jest zasilany z zasilacza napięcia symetrycznego ±12 V opartego o układy ADP7102 zasilane z osobnych uzwojeń transformatora sieciowego zgodnie ze schematem z rysunku 6. Odpowiednie filtrowanie zasilania wzmacniaczy operacyjnych zapewniają kondensatory C9L...C14R, CE1L...CE6R.

Napięcia przemiennego dostarczają dwa transformatory toroidalne o mocy 20 VA w wyknaniu audio. Dla sekcji cyfrowej 3×7,5 V/0,6 A, dla analogowej 2×13 V/0,8 A. Należy szczególnie zadbać o jakość zasilania częsci analogowej, ponieważ przekroczenie odfiltrowanego napięcia wejściowego 22 V spowoduje uszkodzenie stabilizatorów ADP7102!

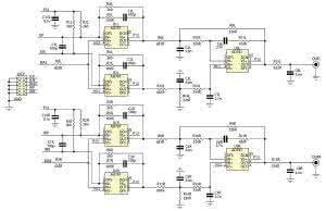
Rysunek 7. Schemat montazowy płytki cyfrowej

Rysunek 8. Schemat montażowy części analogowej

Układ zmontowano na dwóch płytkach drukowanych: jednej dla układów cyfrowych (rysunek 7), drugiej dla bloku analogowego (rysunek 8). Montaż modułów należy rozpocząć od wlutowania elementów zasilaczy dla obu płytek. Po doprowadzeniu napięcia z transformatorów należy sprawdzić napięcia wyjściowe dla każdego stabilizatora i dokonać ewentualnych korekt, gdyż od dokładności stabilizacji napięcia zasilającego zależy praca przetwornika AD1955 i części analogowej (napięcia V50A, P12).

Po ustaleniu napięcia montaż przebiega typowo. Moduły cyfrowy i analogowy połączone są gniazdem i listwą IDC10 o wysokości 20 mm oraz mechanicznie kołkami montażowymi. Należy pamiętać o zwarciu sygnałów gniazda CFG oraz założeniu zwór na złącze USP zgodnie z opisem.

Po umieszczeniu w obudowie audio DAC1955 jest gotowy do działania.

Adam Tatuś, EP

Artykuł ukazał się w
Elektronika Praktyczna
styczeń 2016
DO POBRANIA
Pobierz PDF Download icon
Materiały dodatkowe
Elektronika Praktyczna Plus lipiec - grudzień 2012

Elektronika Praktyczna Plus

Monograficzne wydania specjalne

Elektronik listopad 2025

Elektronik

Magazyn elektroniki profesjonalnej

Raspberry Pi 2015

Raspberry Pi

Wykorzystaj wszystkie możliwości wyjątkowego minikomputera

Świat Radio listopad - grudzień 2025

Świat Radio

Magazyn krótkofalowców i amatorów CB

Automatyka, Podzespoły, Aplikacje listopad - grudzień 2025

Automatyka, Podzespoły, Aplikacje

Technika i rynek systemów automatyki

Elektronika Praktyczna listopad 2025

Elektronika Praktyczna

Międzynarodowy magazyn elektroników konstruktorów

Elektronika dla Wszystkich grudzień 2025

Elektronika dla Wszystkich

Interesująca elektronika dla pasjonatów