Izolator USB

Izolator USB
Pobierz PDF Download icon

Urządzenie ma za zadanie uchronić interfejs USB w komputerze przed przepięciami lub nadmiernym obciążeniem. Polecany jest wszystkim tym, którzy dołączają do PC urządzenia na potencjale sieci, niemające uziemienia lub urządzenia pracujące w rozległych sieciach.

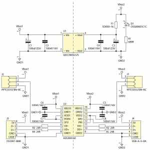
Schemat ideowy izolatora USB pokazano na rysunku 1. Zbudowano go z zastosowaniem układu typu ADUM4160 firmy Analog Devices. Jest to cyfrowy izolator USB zapewniający izolację do 5 kV. Jest zasilany napięciem 5 V DC z portu USB. Na rysunku 2 zamieszczono schemat funkcjonalny układu zaczerpnięty z noty aplikacyjnej.

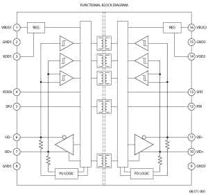
Wyprowadzenia UD-, UD+, DD-, DD+ służą do komunikacji USB. Za pomocą SPU i SPD można wybrać prędkość transmisji. Wyprowadzenie PDEN (Pull-Down Enable) umożliwia wprowadzenie układu w stan niskiej impedancji i wykonanie pomiarów (tu nieużywany).

Pin SPD można przyłączyć do VDD2 lub do źródła zewnętrznego sygnału służącemu opóźnieniu w enumeracji USB. W tej aplikacji nie korzystam z tej funkcji, więc pin SPD podłączyłem do VDD2. Piny VBUS1, VBUS2, VDD1, VDD2, GND1, GND2 służą do zasilania, odpowiednio, "lewej" lub "prawej" strony izolatora.

Rysunek 1. Schemat ideowy izolatora USB

Rysunek 2. Schemat funkcjonalny układu

Układ U1 to izolowana przetwornica DC/DC QDC2WSIL5/5 o napięciu wejściowym 5 V i napięciu wyjściowym 5 V. Zapewnia ona izolację do 1 kV. Przetwornicę można wymieniać ją na inną, o wyższym napięciu przebicia, w obudowie SIL. Przetwornica ma moc 2 W.

Na wyjściu przetwornicy dodano bezpiecznik polimerowy o napięciu znamionowym 16 V, prądzie znamionowym 0,5 A i prądzie przełączania 1 A. Dodano również zieloną diodę LED, która sygnalizuje występowanie napięcia 5 V na wyjściu przetwornicy.

Zwory J1 i J2 służą do wyboru prędkości transmisji. Układ może pracować z jedną z dwóch prędkości: Low Speed (1,5 Mbps) lub Full Speed (12 Mbps). Aby układ działał poprawnie, obie zworki muszą być ustawione w tej samej pozycji. W ramach testów prędkości, dołączyłem najpierw pendrive bezpośrednio do komputera i zmierzyłem jego prędkość zapisu i odczytu (rysunek 3). Wyniki pomiaru są oznaczone czerwona ramką. Później dołączyłem ten sam pendrive, ale tym razem przez izolator USB i ponownie zmierzyłem prędkość zapisu i odczytu. Wyniki w czerwonej ramce pokazano na rysunku nr 4.

Izolator testowany był również podczas programowania płytki z serii Nucleo przez wbudowany w płytkę programator ST-Link. Nie było żadnych problemów z programowaniem i z odczytem zawartości pamięci mikrokontrolera. Komunikację z komputerem udawało mi się nawiązać tylko w trybie Full Speed. W trybie Low Speed system Windows wyświetlał komunikat o nierozpoznaniu urządzenia USB.

Rysunek 3. Prędkość pendrive bez izolatora

Rysunek 4. Prędkość pendrive z izolatorem

Izolator wykonano na dwustronnej płytce drukowanej, której schemat montażowy pokazano na rysunku 5. Montaż jest typowy i nie wymaga omawiania. Proponuję rozpocząć go od wlutowania układu ADUM4160.

Izolator jest gotowy do działania natychmiast po zmontowaniu. W celu nawiązania połączenia najpierw ustalamy prędkość transmisji za pomocą zworek J1 i J2. Złącze J3 dołączamy do komputera. Po włożeniu powinna zaświecić się zielona dioda, sygnalizująca poprawną pracę przetwornicy. Izolowane urządzenie dołączamy do złącza J4.

Samo włożenie izolatora do portu USB komputera nie spowoduje żadnej reakcji systemu Windows. Dopiero przyłączenie do niego np. pendrive spowoduje rozpoznanie przez system operacyjny. Jeżeli mamy urządzenie, które wymaga ładowania z portu USB (telefon, e-papieros itp.), a boimy się czy to urządzenie nie zainfekuje przypadkiem naszego komputera złośliwym oprogramowaniem, to możemy z izolatora zrobić "bezpieczną ładowarkę". Są na to dwa sposoby:

Zworki J1 i J2 ustalamy na różne prędkości. Dzięki temu nie uda się nawiązać komunikacji urządzenia z komputerem, a urządzenie będzie zasilane.

Nie montujemy elementów: J2, C6, C7, R2, R4, U2, C5, C8, R3, R5, J1. Natomiast montujemy: C1, C3, U1, C4, C2, F1, D1, R1. I również w tej metodzie urządzenie nie będzie mogło nawiązać komunikacji z komputerem, a będzie ładowane przez przetwornicę.

Sławomir Kabat
elektronika@sigaris.pl

Artykuł ukazał się w
Elektronika Praktyczna
styczeń 2016
DO POBRANIA
Pobierz PDF Download icon
Materiały dodatkowe
Elektronika Praktyczna Plus lipiec - grudzień 2012

Elektronika Praktyczna Plus

Monograficzne wydania specjalne

Elektronik listopad 2025

Elektronik

Magazyn elektroniki profesjonalnej

Raspberry Pi 2015

Raspberry Pi

Wykorzystaj wszystkie możliwości wyjątkowego minikomputera

Świat Radio listopad - grudzień 2025

Świat Radio

Magazyn krótkofalowców i amatorów CB

Automatyka, Podzespoły, Aplikacje listopad - grudzień 2025

Automatyka, Podzespoły, Aplikacje

Technika i rynek systemów automatyki

Elektronika Praktyczna listopad 2025

Elektronika Praktyczna

Międzynarodowy magazyn elektroników konstruktorów

Elektronika dla Wszystkich grudzień 2025

Elektronika dla Wszystkich

Interesująca elektronika dla pasjonatów