Klasyk - wzmacniacz lampowy EL84SE

Klasyk - wzmacniacz lampowy EL84SE

Prezentowany projekt jest prostym wzmacniaczem dla osób rozpoczynających przygodę z elektroniką lampową. Jest to klasyczna aplikacja najbardziej popularnych lamp przeznaczonych do wzmacniaczy audio – pentody EL84 i triody ECC83.

Podstawowe parametry:
  • stereofoniczna konstrukcja oparta na popularnych lampach EL84 i ECC83,
  • moc wyjściowa: 4...4,5 W @ 8 Ω,
  • pasmo przenoszenia @ 1 W: 20...50000 Hz,
  • czułość przy mocy znamionowej 4 W: 820 mV,
  • zniekształcenia przy mocy znamionowej, 100 Hz/1 kHz/10 kHz: 2/1,5/1,2%,
  • zniekształcenia przy mocy 1 W, 100 Hz/1 kHz/10 kHz: 0,5/0,4/0,4%.

Zasada działania

Konstrukcja urządzenia jest klasyczna i bazuje na wzmacniaczu dwustopniowym. Stopnień wzmocnienia napięciowego zrealizowany został na podwójnej triodzie ECC83 (fotografia 1, rysunek 1), a końcówka mocy – na pentodzie EL84 (fotografia 2, rysunek 2). Taki zestaw lamp umożliwia wykonanie prostego wzmacniacza o mocy około 4...4,5 W, pracującego w konfiguracji SE.

Fotografia 1. Wygląd lampy ECC83
Rysunek 1. Schemat wyprowadzeń lampy ECC83
Fotografia 2. Wygląd lampy EL84
Rysunek 2. Schemat wyprowadzeń lampy EL84

Schemat ideowy wzmacniacza pokazano na rysunku 3.

Rysunek 3. Schemat ideowy wzmacniacza

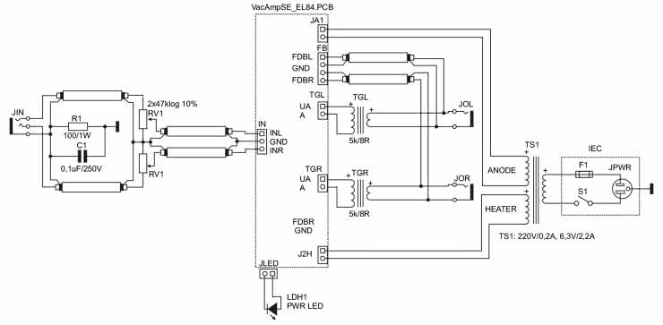
Elementy kanału lewego oznaczono „L”, zaś kanału prawego – „R”. Elementy wspólne dla obu kanałów nie mają dodatkowych oznaczeń. Schemat połączeń gotowego wzmacniacza prezentuje rysunek 4.

Rysunek 4. Schemat montażowy wzmacniacza

Sygnał wejściowy z gniazda JIN doprowadzany jest do potencjometru regulacji głośności RV1, a stąd do złącza IN na płytce wzmacniacza. Dalej, już bez kondensatora separującego składową stałą (praktycznie wszystkie urządzenia mają separację, więc nie ma sensu jej powielać), sygnał trafia na siatkę sterującą triody V1 poprzez rezystor „antywzbudzeniowy” R2L. V1 pracuje w układzie polaryzacji automatycznej – do wytworzenia ujemnego napięcia na siatce sterującej, ustalającego punkt pracy, stosowany jest spadek napięcia, jaki wywołuje przepływ prądu anodowego przez rezystor katodowy R3L+R5L. Wzmocniony sygnał wejściowy wysterowuje – poprzez kondensator C2L (separujący składową stałą) – siatkę pentody V2L. R8L, podobnie jak wcześniej, pełni funkcję antywzbudzeniową (tworzy z pojemnością wejściową lampy filtr dolnoprzepustowy). Wzmacniacz objęty jest pętlą globalnego sprzężenia zwrotnego R4L/C1L. Elementy R7L i CE2L zapewniają dodatkową filtrację napięcia zasilającego stopnie wstępne.

R10L, CE3L odpowiadają za automatyczną polaryzację pentody. Rezystor R11L polaryzuje drugą siatkę pentody. W obwód anodowy V2L włączony jest transformator głośnikowy 5 kΩ/8 Ω, dopasowujący niską impedancję głośnika. Kondensator C1L w obwodzie sprzężenia zwrotnego kształtuje charakterystykę wzmacniacza. Jeżeli zastosowany zostanie inny transformator, należy odpowiednio dobrać jego wartość w celu jak najwierniejszego przenoszenia przebiegu prostokątnego.

Napięcie anodowe dostarczone jest z uzwojenia 230 V/0,2 A transformatora sieciowego o mocy 60 VA. Po wyprostowaniu i wygładzeniu napięcie to filtrowane jest w stopniu aktywnym, opartym na tranzystorze Q1, wymagającym niewielkiego radiatora. Napięcie żarzenia 6,3 V dostarczone jest z drugiego uzwojenia transformatora TS1. Aby zminimalizować przydźwięk od żarzenia, zastosowana jest symetryzacja rezystorami R5, R6. Z obwodu żarzenia zasilana jest także dioda LED sygnalizująca pracę wzmacniacza.

UWAGA! We wzmacniaczu występują wysokie napięcia (300 V DC) niebezpieczne dla życia oraz wysoka temperatura. Uruchamianie należy przeprowadzić z zachowaniem szczególnej ostrożności, wszelkie manipulacje bądź zmiany wartości elementów wykonujemy po wyłączeniu wzmacniacza i odczekaniu do rozładowania kondensatorów elektrolitycznych. Wzmacniacz musi być podłączony do sprawnej instalacji zasilającej poprzez gniazdo sieciowe 230 V z bolcem ochronnym.

Montaż wzmacniacza

Wzmacniacz zmontowany jest na dwustronnej płytce drukowanej – rozmieszczenie elementów pokazują rysunki 5a i 5b. Aby umożliwić odpowiednie wyeksponowanie lamp, podstawki montowane są na warstwie TOP, na której nie ma innych wystających elementów. Ułatwia to mocowanie płytki do górnej części obudowy wzmacniacza za pomocą kołków dystansowych o długości 10...12 mm. Wszystkie gniazda połączeniowe płytki są łatwo dostępne od spodu obudowy.

Rysunek 5. Rozmieszczenie elementów wzmacniacza (a – strona TOP, b – strona BOTTOM)

Montaż wzmacniacza podzielony jest na dwa etapy. W pierwszej kolejności montujemy płytkę drukowaną. Kolejność montażu jest klasyczna i nie wymaga opisu. Należy pamiętać, aby wszystkie rezystory o mocy większej niż 0,5 W oddalić od powierzchni płytki drukowanej, żeby ułatwić odprowadzenie ciepła. W płytce przewidziano kilkanaście otworów umożliwiających cyrkulację powietrza wokół lamp i nagrzewających się elementów.

Drugi etap to montaż wzmacniacza w obudowie wg schematu z rysunku 4. Ze względu na różnorodność zastosowanych obudów etap ten musi być przemyślany indywidualnie. Należy jednak starać się odsunąć lampy i transformatory głośnikowe od transformatora sieciowego, polecam też zastosowanie transformatora toroidalnego, cechującego się mniejszym rozproszeniem pola magnetycznego. Połączenia sygnałowe wejść i sprzężenia zwrotnego należy poprowadzić przewodem w ekranie, pozostałe przewody – szczególnie te doprowadzające napięcie żarzenia – należy prowadzić skrętką i – w miarę możliwości – daleko od przewodów sygnałowych. Przewody sieciowe, napięcia anodowego oraz uzwojeń anodowych transformatorów głośnikowych należy dodatkowo zaizolować rurką termokurczliwą lub koszulką olejową. Nie należy zapominać o zapewnieniu odpowiedniej cyrkulacji powietrza wokół lamp poprzez wykonanie otworów wentylacyjnych w obudowie wzmacniacza.

Zmontowaną płytkę pokazano na fotografii 3.

Fotografia 3. Zmontowana płytka wzmacniacza

Uruchomienie

Po sprawdzeniu poprawności montażu wyjmujemy lampy z płytki i podłączamy wzmacniacz do sieci zasilającej (najlepiej przez autotransformator). Sprawdzamy obecność napięć żarzenia (6,3 VAC), anodowego (ok. 260...300 V DC), jeżeli nic nie budzi naszych wątpliwości, wyłączamy wzmacniacz, czekamy chwilę na rozładowanie pojemności, wkładamy lampy w podstawki, do wejścia podłączamy generator audio, wyjście obciążamy rezystorami 8 Ω/10 W, a na koniec podłączamy oscyloskop. Ponownie podajemy zasilanie sieciowe. Lampy powinny się żarzyć, a napięcie anodowe powinno wynosić ok. 270 V DC. Na rezystorach katodowych napięcie względem masy powinno wynosić ok. 6...7 V (w zależności od stanu lamp). Jeżeli wzmacniacz wzbudzi się, należy go wyłączyć i zamienić wyprowadzenia strony anodowej transformatorów głośnikowych. Jeżeli wszystko jest w porządku, wzmacniacz jest gotowy do eksploatacji. W przypadku zastosowania innych transformatorów wyjściowych warto skorygować wartości elementów C1L/R.

Pomimo prostoty układu, wzmacniacz ma przyjemne brzmienie i całkiem znośne parametry – patrz tabela 1.

Przykładowe przebiegi uzyskane podczas testów przedstawia rysunek 6. Pokrywają się całkowicie z wynikami pomiarów zniekształceń.

Rysunek 6. Przykładowe przebiegi uzyskane podczas testów wzmacniacza

Ze względu na niewielką moc wyjściową, warto postarać się o efektywne głośniki – kryterium to spełniają doskonale starsze głośniki szerokopasmowe.

Miłego odsłuchu!

Adam Tatuś, EP

Wykaz elementów:
Rezystory:
  • R1, R2L, R2R, R8L, R8R: 2,7 kΩ (SMD 1206, 1%)
  • R2: 33 kΩ/1 W (THT, metalizowany)
  • R3, R4, R1L, R1R, R9L, R9R: 470 kΩ (SMD 1206, 1%)
  • R5, R6: 100 Ω (SMD 1206, 1%)
  • R7, R4L, R4R: 4,7 kΩ (SMD 1206, 1%)
  • R10L, R10R: 130 Ω/2 W (THT, metalizowany)
  • R11L, R11R: 270 Ω/1 W (THT, metalizowany)
  • R3L, R3R: 2 kΩ (SMD 1206, 1%)
  • R5L, R5R: 680 Ω (SMD 1206, 1%)
  • R6L, R6R: 220 kΩ/1 W (THT, metalizowany)
  • R7L, R7R: 22 kΩ/0,6 W (THT, metalizowany)
Kondensatory:
  • C1L, C1R: 680 pF (SMD 1206, NP0, 50 V)
  • C2L, C2R: 100 nF/400 V (THT osiowy, foliowy)
  • CE1: 100 μF/400 V (SNAP 25 mm, elektrolityczny)
  • CE2: 22 μF/350 V (SNAP 12 mm, elektrolityczny)
  • CE3, CE2L, CE2R: 10 μF/350 V (THT 10 mm, elektrolityczny)
  • CE1L, CE1R: 22 μF/16 V (THT 5 mm, elektrolityczny)
  • CE3L, CE3R: 220 μF/25 V (THT 10 mm, elektrolityczny)
Półprzewodniki:
  • D1...D5: SUF4007 (SMB)
  • D6: 1N4148 (SMD 1206)
  • Q1: STP5NK50ZF (TO-220 izolowany)
Pozostałe:
  • FB: złącze KK4 proste (kompletne)
  • HT: HS135-38 (radiator 38 mm z zestawem montażowym)
  • IN: złącze KK3 proste (kompletne)
  • JA, JH, TGL, TGR: złącze ARK 5 mm
  • JLED: złącze KK2 proste (kompletne)
  • V1: ECC83 (lampa ECC83 z podstawką noval do druku)
  • V2L,V2R: EL84 (lampa EL84 z podstawką noval do druku)
  • Transformatory (opis w tekście)
Artykuł ukazał się w
Elektronika Praktyczna
marzec 2025
DO POBRANIA
Materiały dodatkowe
Elektronika Praktyczna Plus lipiec - grudzień 2012

Elektronika Praktyczna Plus

Monograficzne wydania specjalne

Elektronik listopad 2025

Elektronik

Magazyn elektroniki profesjonalnej

Raspberry Pi 2015

Raspberry Pi

Wykorzystaj wszystkie możliwości wyjątkowego minikomputera

Świat Radio listopad - grudzień 2025

Świat Radio

Magazyn krótkofalowców i amatorów CB

Automatyka, Podzespoły, Aplikacje listopad - grudzień 2025

Automatyka, Podzespoły, Aplikacje

Technika i rynek systemów automatyki

Elektronika Praktyczna listopad 2025

Elektronika Praktyczna

Międzynarodowy magazyn elektroników konstruktorów

Elektronika dla Wszystkich grudzień 2025

Elektronika dla Wszystkich

Interesująca elektronika dla pasjonatów