Przełącznik z interfejsem Bluetooth

Przełącznik z interfejsem Bluetooth
Pobierz PDF Download icon
W artykule opisano zdalnie sterowany przełącznik z dwoma przekaźnikami. Ponieważ do sterowania użyto interfejsu Bluetooth, przełącznikiem można sterować za pośrednictwem komputera, tabletu lub smartfona. Komendy sterujące włączeniem i wyłączeniem przekaźników mają format tekstowy. Do obsługi przełącznika napisano specjalną androidową aplikację, jednak do wysyłania komend można wykorzystać dowolny program terminalu. Każdy z przekaźników można włączyć na stałe lub na zaprogramowany czas.Rekomendacje: przełącznik przyda się do zdalnego otwierania furtki, sterowania oświetleniem i w innych systemach automatyki np. budynkowej.

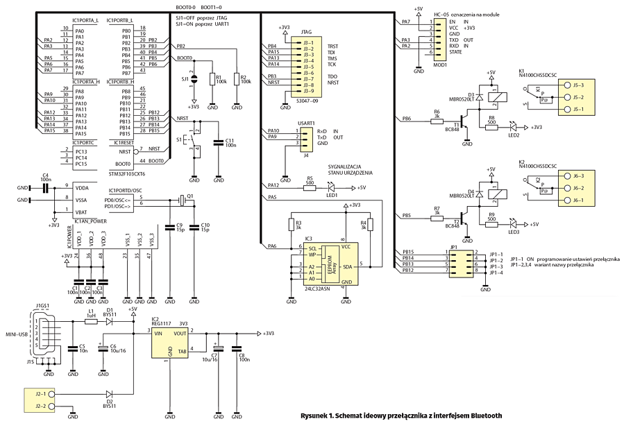
Schemat ideowy przełącznika z interfejsem Bluetooth pokazano na rysunku 1. Komendy sterujące, wysyłane np. z programu uruchomionego na smartfonie, odbierane są przez moduł Bluetooth MOD1 (HC-05). Moduł jest dołączony do linii RxD i TxD interfejsu UART2 mikrokontrolera IC1 (STM32F103C8). Poprzez port UART2 kontroler odczytuje rozkazy odebrane przez moduł MOD1 oraz wysyła potwierdzenia. W pamięci EEPROM układu IC3 pamiętane są takie nastawy, jak nazwa własna przełącznika wyświetlana na smartfonie i czasy załączenia każdego przekaźnika. Mikrokontroler steruje cewkami przekaźników podłączonymi do kolektorów tranzystorów T1, T2 zabezpieczonych przed przepięciami diodami D3, D4. Dioda LED1 służy do sygnalizacji stanu sterownika.

Złącza i styki przełączne (jumpery)

Niżej zamieszczono opis funkcji wszystkich złączy i styków znajdujących się na płytce przełącznika:

• J1 – gniazdo mini USB, J2 – gniazdo śrubowe. Oba gniazda służą do doprowadzenia napięcia zasilającego. Diody D1 i D2 zabezpieczają przed błędną polaryzacją zasilania. Chronią przy tym zewnętrzne zasilacze na wypadek, gdyby do obu gniazd jednocześnie doprowadzono napięcie o różnym potencjale.
• J5, J6 – gniazda śrubowe połączone ze stykami przekaźników wykonawczych K1 i K2. Jeśli przekaźniki są wyłączone, styki CN są zwarte z NC (JP5-3 i JP6-3). Jeśli przekaźniki są załączone, styki CN są zwarte z NO (JP5-1 i JP6-1).
• JP1 – 4-pozycyjne pole konfiguracyjne (zworki) używane podczas programowania ustawień.
• J4 – doprowadzenia interfejsu UART1. Normalnie nieużywane. Port UART1 może służyć do zapisania nowej wersji oprogramowania do pamięci Flash mikrokontrolera.
• J3 – złącze interfejsu JTAG, normalnie nieużywane, chociaż może przydać się przy opracowywaniu nowej wersji oprogramowania.
• SJ1 – zwarcie tej zwory po restarcie wymusza przejście mikrokontrolera do trybu gotowości do zapisu nowego oprogramowania do pamięci Flash, normalnie otwarta.
• S1 – przycisk wymuszający restart mikrokontrolera.

Uwagi odnośnie do montażu

Schemat montażowy przełącznika pokazano na rysunku 2. Ponieważ najmniejsze obudowy elementów na płytce są typu 0805, montaż nie powinien przysporzyć problemów nawet średnio zaawansowanemu elektronikowi. Jedyną decyzją, którą należy podjąć w czasie montażu, jest sposób dołączenia modułu MOD1. Jeżeli do zamocowania modułu użyjemy gniazda tzw. goldpinów, moduł w stosunku do płytki drukowanej będzie mocowany prostopadle i zajmie sporo miejsca. Alternatywnie można moduł położyć na płytce i przyłączyć za pomocą dodatkowo wykonanego mostka. W tym celu najpierw należy do płytki wlutować grzebień 6 prostych goldpinów. Następnie do goldpinów trzeba przylutować pod kątem prostym gniazdo dla modułu. Lutowanie gniazda najwygodniej przeprowadzić, gdy jest ono nałożone na wyprowadzenia modułu HC-05.

Uruchamianie

Aby zabezpieczyć się przed kłopotliwymi niespodziankami, pierwsze włączenie napięcia zasilania wykonujemy bez modułu Bluetooth w gnieździe MOD1. Napięcie stabilizatora IC2 powinno wynosić 3,3 V. Można je zmierzyć albo na wyjściu stabilizatora, albo na wyprowadzeniu MOD1-2 oznaczonego „VCC”. Jeżeli mikrokontroler został prawidłowo zaprogramowany, po włączeniu zasilania lub naciśnięciu przycisku zerowania S1 dioda LED1 powinna dwukrotnie błysnąć: krótko i dłużej. Po wyłączeniu zasilania można do gniazda na płytce przełącznika dołączyć moduł Bluetooth. Jeżeli moduł jest sprawny, po ponownym włączeniu zasilania dioda LED zamontowana na module powinna szybko migotać.

Ustawienia początkowe

Po uruchomieniu należy ustawić parametry domyślne. W tym celu zwiera się wyprowadzenia JP1-1. Następnie należy jednocześnie nacisnąć przycisk na module oraz przycisk zerowania – S1. Jeżeli ustawienia początkowe zostały przywrócone, obie diody będą migotały:

• Dioda LED na płytce przełącznika – 0,6 s/0,3 s.
• Dioda LED modułu Bluetooth – migotanie 2 s/2 s.

W razie błędu, gdy np. przycisk modułu nie był naciskany i ustawienia początkowe nie zostały zapisane, dioda LED przełącznika będzie szybko migotać – 0,3 s/0,3 s.

Ustawienia początkowe uaktywniają komendy sterujące włączaniem i wyłączaniem przekaźników. Są one następujące:

• K1_ON – tekst komendy, po której odebraniu przełącznik włączy przekaźnik K1.
• K1_OFF – tekst komendy, po której odebraniu przełącznik wyłączy przekaźnik K1.
• K1_ON_OFF – tekst komendy, po której odebraniu przełącznik załączy przekaźnik K1 na ustalony czas. Po jego upłynięciu przekaźnik zostanie wyłączony.
• K2_ON – tekst komendy, po której odebraniu przełącznik włączy przekaźnik K2.
• K2_OFF – tekst komendy, po której odebraniu przełącznik wyłączy przekaźnik K2.
• K2_ON_OFF – tekst komendy, po której odebraniu przełącznik załączy przekaźnik K2 na ustalony czas. Po jego upłynięciu przekaźnik zostanie wyłączony.
• INT_K1:dd_K2:dd – tekst komendy, po której odebraniu w przełączniku programowane są czasy zał?czania przeka?nik?w K1 i?K2, po?odebraniu komend K1_ON_OFF i?K2_ON_OFF. Litery ączania przekaźników K1 i K2, po odebraniu komend K1_ON_OFF i K2_ON_OFF. Litery dd oznaczają cyfry dziesiętne czasu załączenia w zakresie od 1 do 60 sekund. W ustawieniach początkowych czas załączenia obydwu przekaźników jest standardowo ustawiony na 1 sekundę.

Oprócz tego podczas przywracania ustawień początkowych programowany jest tryb pracy modułu Bluetooth. Ustawiane są następujące parametry pracy modułu:

• Tryb slave.
• Parametry transmisji UART: 38400, 1 bit stop, parzystość none.
• Kod PIN: 1234.
• Nazwa: nadawana jest nazwa „Sterownik x”, gdzie x jest numerem z przedziału 1…8. O wyborze numeru decyduje ustawienie zworek JP1…JP4 w momencie przywracania ustawień początkowych. W tabeli 1 podano kombinacje ustawień zworek.

Po usunięciu zworki JP1-1 i naciśnięciu przycisku zerującego przełącznik jest gotowy do pracy. Powinien reagować na tekst standardowych komend sterujących przekaźnikami.

Parowanie z urządzeniem sterującym

Przełącznik można wysterować, wysyłając komendy z komputera, tabletu czy smartfona. Jak w wypadku wszystkich urządzeń Bluetooth, komunikacja pomiędzy nimi jest możliwa po wcześniejszym sparowaniu. W zależności od typu urządzenia procedura parowania może się różnić w szczegółach.

Najpierw należy włączyć zasilanie zdalnie sterowanego przełącznika. Potem w opcjach np. smartfona, związanych z Bluetooth, trzeba uruchomić procedurę wyszukiwania dostępnych urządzeń. Gdy przełącznik zostanie odnaleziony, na ekranie powinna wyświetlić się jego nazwa, np. Sterownik1. Jeżeli za pierwszym razem zdalnie sterowany przełącznik nie zostanie wykryty, należy procedurę ponowić po naciśnięciu przycisku S1.

Po wykryciu przełącznika trzeba go wskazać jako urządzenie do sparowania. Zostanie wyświetlone żądanie podania PIN, w tym wypadku 1234. Od tej chwili można nawiązywać połączenie pomiędzy urządzeniem sterującym a przełącznikiem. Po uruchomieniu dowolnego programu terminalowego dla testu można wysłać komendę tekstową K1_ON, co powinno spowodować załączenie przekaźnika K1 i odesłanie potwierdzenia k1_on=OK. Po wysłaniu komendy K1_OFF przekaźnik powinien zostać wyłączony.

W przypadku nawiązania prawidłowego połączenia między urządzeniem sterującym a przełącznikiem dioda na module Blue-
tooth powinna migać dwoma krótkimi błyskami z ok. 2 sekundami przerwy między grupami błysków.

Program sterujący Ster_HC05_2Rel

Do sterowania zdalnym przełącznikiem wykonano aplikację dla urządzeń z systemem Android. Jej działanie polega na wysyłaniu rozkazów sterujących i odbieraniu potwierdzeń wykonania, odsyłanych przez sterownik przełącznika.

Po uruchomieniu aplikacji pojawi się ekran podobny do tego pokazanego na rysunku 3. Zależnie od stanu urządzenia może wyświetlić się także prośba o pozwolenie włączenia modułu Bluetooth. Na początku aktywny jest tylko przycisk BLUETOOTH, po którego naciśnięciu przechodzi się do opcji związanych z interfejsem radiowym. Ekran wyboru opcji pokazano na rysunku 3. Korzystając z przycisków, można włączyć lub wyłączyć interfejs Bluetooth w smartfonie, wyświetlić listę urządzeń pozostających w zasięgu (rysunek 4) oraz listę urządzeń sparowanych (rysunek 5). Klikając na pozycję z listy sparowanych urządzeń, inicjujemy połączenie pomiędzy smartfonem a urządzeniem, np. Sterownik8. Po nawiązaniu połączenia następuje automatyczny powrót do ekranu pierwszego, którego wygląd się zmienił (rysunek 6). Stają się dostępne pozostałe przyciski, po których naciśnięciu można sterować włączaniem i wyłączaniem przekaźników K1 i K2. Na dole ekranu jest wyświetlana nazwa przełącznika, z którym nawiązano połączenie i który jest kontrolowany.

W prawym górnym rogu ekranu umieszczono przycisk o nazwie KONFIGURACJA. Jego naciśnięcie pozwala przejść do ekranu pokazanego na rysunku 7, na którym można ustawić czasy włączenia przekaźników po odbiorze rozkazów chwilowego załączenia. Można ustawić te czasy niezależnie dla obydwu przekaźników w zakresie od 1 sekundy do 60 sekund.

Programy terminalowe

Do sterowania oprócz aplikacji Ster_HC05_2Rel można się posłużyć dowolnym programem terminalowym pozwalającym wysłać ciąg znaków. Najwygodniejsze w użyciu będą takie, które wyświetlanym przyciskom pozwolą na stałe przypisać komendy sterujące. Dodatkowa opcja wyświetlająca tekst wysyłanych rozkazów i odbieranych potwierdzeń pozwoli upewnić się, że komunikacja z przełącznikiem przebiega prawidłowo. Krótko opiszę trzy wybrane programy terminalowe. Każdy ma nieco inne możliwości, chociaż ogólny schemat działania jest podobny.

BT Simple Terminal v.1.7 

Na rysunku 8 pokazano widok ekranu startowego programu. Pracuje on z wcześniej sparowanymi urządzeniami Bluetooth. Z wyświetlanej listy należy wybrać urządzenie, z którym program ma się połączyć – w tym wypadku będzie to Sterownik4. Z interesujących nas właściwości program ma pole do ręcznego wpisywania tekstów do wysłania (ASCII data). Dodatkowo jest dostępnych 6 przycisków i pole wyświetlające komunikaty potwierdzeń odbierane ze sterownika. Każdy z 6 przycisków może być indywidualnie oprogramowany przez użytkownika. Dzięki temu każdemu z nich można przypisać rozkaz sterujący, który będzie wysyłany po naciśnięciu.

Bluetooth spp pro 

Nieco bardziej skomplikowany, o dodatkowych możliwościach, jest program terminalu o nazwie Bluetooth spp pro. Pozwala on na pracę z niesparowanymi urządzeniami, ponieważ ma opcję wyszukiwania dostępnych urządzeń Bluetooth i umożliwia inicjowanie parowania. Na rysunku 9 pokazano ekran startowy programu. Po połączeniu z wybranym urządzeniem wyświetlane są podstawowe parametry modułu Blue-
tooth. Można także wybrać tryb pracy programu. Program terminalu daje do dyspozycji użytkownika 12 konfigurowalnych przycisków. Na górze jest pole do wyświetlania danych odebranych (potwierdzeń ze sterownika) oraz danych wysyłanych (komend). Każdy przycisk można indywidualnie konfigurować. Służą do tego pola tekstowe. Wypełniając je, użytkownik może określić napis pojawiający się na przycisku i kod wysyłany po naciśnięciu. Dodatkowo można przypisać kod wysyłany po dłuższym przytrzymaniu przycisku i po jego puszczeniu.

BlueTooth Serial Controller 16 

Najbardziej rozbudowanym programem o wielu opcjach konfiguracyjnych jest program terminalu nazwany przez twórcę Blue-
tooth Serial Controller 16. Jego ekran startowy pokazano na rysunku 10. Program daje do dyspozycji użytkownika 5 zestawów po 16 konfigurowalnych przycisków. Każdemu z nich można przypisać opis oraz ciąg znaków (komend) wysyłanych po naciśnięciu. Dodatkowo, można decydować o liczbie wyświetlanych przycisków, ich wymiarach, czasie powtarzania transmisji i wielu innych parametrach. Na ekranie głównym oprócz pola przycisków jest wyświetlana sekwencja wysyłanej komendy, potwierdzenie oraz pole do ręcznego wpisywania wysyłanych komend.

Ryszard Szymaniak, EP

Artykuł ukazał się w
Elektronika Praktyczna
wrzesień 2016
DO POBRANIA
Pobierz PDF Download icon
Materiały dodatkowe
Elektronika Praktyczna Plus lipiec - grudzień 2012

Elektronika Praktyczna Plus

Monograficzne wydania specjalne

Elektronik listopad 2025

Elektronik

Magazyn elektroniki profesjonalnej

Raspberry Pi 2015

Raspberry Pi

Wykorzystaj wszystkie możliwości wyjątkowego minikomputera

Świat Radio listopad - grudzień 2025

Świat Radio

Magazyn krótkofalowców i amatorów CB

Automatyka, Podzespoły, Aplikacje listopad - grudzień 2025

Automatyka, Podzespoły, Aplikacje

Technika i rynek systemów automatyki

Elektronika Praktyczna listopad 2025

Elektronika Praktyczna

Międzynarodowy magazyn elektroników konstruktorów

Elektronika dla Wszystkich grudzień 2025

Elektronika dla Wszystkich

Interesująca elektronika dla pasjonatów