Licznik błysków, czyli tworzenie unikatowych fotografii

Licznik błysków, czyli tworzenie unikatowych fotografii
Pobierz PDF Download icon

Tworzenie rozmaitych efektów na zdjęciach jest tak stare, jak sama fotografia. Na przestrzeni lat technika zmieniała się, lecz niektóre triki pozostały. Opisane w tym artykule urządzenie pozwala otworzyć migawkę aparatu na ustalony czas lub na określoną liczbę wyzwoleń lampy błyskowej. Rekomendacje: urządzenie przyda się tym bardziej ambitnym pasjonatom fotografowania, którzy wolą naturalne efekty od tych tworzonych za pomocą edytorów graficznych.

Podstawowe parametry:
  • Płytka drukowana o wymiarach 57,2×68,8 mm.
  • Mikrokontroler ATmega48V.
  • Zasilanie za pomocą 2 paluszków AA.
  • Przystosowany do obudowy KM35.
  • Menu użytkownika obsługiwane za pomocą enkodera i wyświetlacza 7-segmentowego.
  • Sterowanie stykiem focus i wyzwalaniem migawki.
  • Błyski lampy zliczane za pomocą fototranzystora.
  • Programowane parametry pracy.

Prezentowany licznik błysków lampy aparatu fotograficznego może służyć do wykonywania takich zdjęć, jak na fotografii 1.

Fotografia 1. Zdjęcie testowe, wykonane techniką punktowych rozbłysków

W bezksiężycową noc ustawiono aparat na statywie i otwarto migawkę aparatu. Za pomocą lampy błyskowej oświetlono punktowo obiekt w kilku miejscach. Po odliczeniu określonej liczby błysków zamknięto migawkę. Korzystając z tego urządzenia, można również sprawić wrażenie, jakoby człowiek miał wiele rąk, czego przykładem jest fotografia 2. Problem polega na tym, że poruszenie aparatu z otwartą migawką może doprowadzić do rozmazania zdjęcia – zwłaszcza wtedy, gdy pomieszczenie nie jest idealnie ciemne. Jeżeli nie jest to pomieszczenie, wówczas źródłem światła jest chociażby Księżyc. Dlatego warto zapewnić sobie możliwość bezdotykowej obsługi aparatu.

Fotografia 2. Zdjęcie postaci oświetlającej się błyskami lampy

Na ekranie licznika wybiera się tryb pracy: odliczanie impulsów albo sekund. Po ustawieniu żądanej liczby należy wcisnąć zewnętrzny przycisk. Po upływie 300 ms od jego wciśnięcia zostaje zwarty styk sterujący focus, zaś po sekundzie jest otwarta migawka. Te opóźnienia służą ustaniu drgań aparatu. Zależnie od wybranego trybu pracy migawka zamknie się samoczynnie po ustalonej liczbie sekund lub po zliczeniu określonej liczby błysków. W tym czasie można chodzić po obiekcie z lampą błyskową w ręku i wyzwalać ją w różnych miejscach. Można również wykonać szybką serię błysków, w czasie których oświetlany nimi człowiek przejdzie przez pomieszczenie. Możliwości jest całe mnóstwo, a pasjonaci fotografii z pewnością wymyślą ich jeszcze więcej.

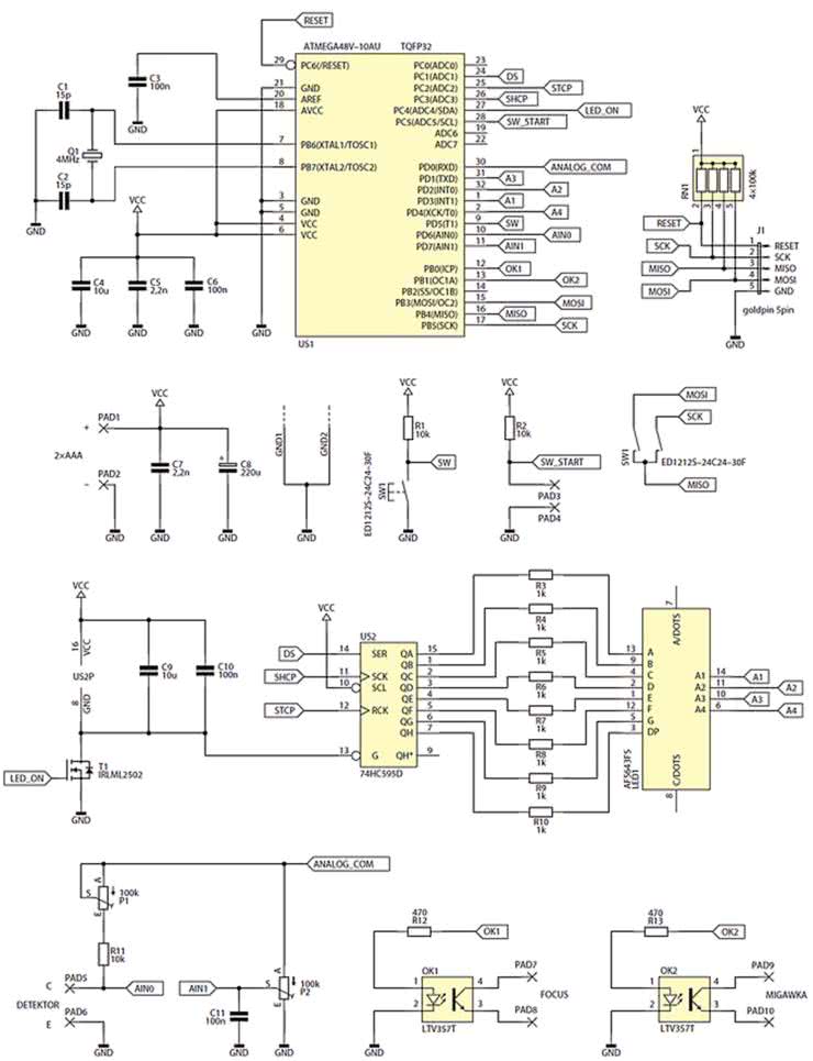
Schemat ideowy proponowanego rozwiązania licznika błysków zamieszczono na rysunku 3. Podzespoły na nim pogrupowano w bloki funkcjonalne.

Rysunek 3. Schemat ideowy licznika błysków

Detektor

Detekcja błysków jest realizowana za pomocą fototranzystora dołączonego przewodami do pól lutowniczych PAD5 i PAD6. Pracuje on w układzie wspólnego emitera, a obciążeniem kolektora jest rezystancja składająca się z rezystora R11 i potencjometru P1. Potencjometrem można ustalać czułość układu: im wyższa jest sumaryczna rezystancja widziana przez kolektor, tym większe wzmocnienie ma układ.

Oczywiście, może to doprowadzać do nasycania się tranzystora w sytuacji, kiedy otoczenie jest niedostatecznie zacienione lub gdy prąd ciemny tranzystora jest zbyt duży. Dlatego wprowadzono możliwość regulacji.

Napięcie kolektor-emiter fototranzystora jest porównywane z napięciem ustalonym przez dzielnik napięciowy na potencjometrze P2. Kondensator C11 filtruje napięcie odniesienia, co redukuje poziom jego
szumów. Ponadto zmniejsza impedancję wewnętrzną tego obwodu, co zmniejsza wpływ zaburzeń elektromagnetycznych. Doświadczenia wykazały, że tego problemu nie można bagatelizować, zwłaszcza wtedy, kiedy rezystancje gałęzi są wysokie, dla zmniejszenia poboru prądu z baterii.

Porównanie odbywa się poprzez wbudowany w mikrokontroler komparator analogowy. Jego parametry nie są zachwycające z punktu widzenia dzisiejszej elektroniki (wejściowe napięcie niezrównoważenia – typowo 10 mV, maksymalnie – 40 mV), lecz dla tych celów jest to wystarczające. Należy się spodziewać, że błysk będzie znacznie silniejszy od oświetlenia tła, nawet dla czujnika oddalonego od lampy błyskowej. Dzięki temu możliwe było wyeliminowanie dodatkowego układu scalonego. Użyty fototranzystor jest przeznaczony do podczerwieni, lecz praktyka wykazała, że na światło emitowane przez lampę błyskową reaguje z wystarczającą czułością. Zasilanie dla części analogowej (fototranzystora oraz dzielnika na potencjometrze) nie pochodzi wprost z baterii, lecz z wyprowadzenia mikrokontrolera. W stanie uśpienia jego potencjał obniża się do zera i pobór prądu przez tę część znika.

Wyświetlacz

Do wskazywania użytkownikowi aktualnych nastaw służy 4-cyfrowy wyświetlacz 7-segmentowy. Świeci w kolorze czerwonym, ponieważ ta długość fali jest stosunkowo słabo rejestrowana przez przetworniki obrazu, które przecież odwzorowują czułość ludzkiego oka. Urządzenie będzie prawdopodobnie przytwierdzone do statywu i jego wyświetlacz zostanie skierowany w stronę przeciwną do obiektywu aparatu, więc emitowane przezeń światło i tak nie powinno zostać ujęte przez matrycę aparatu. Niemniej jednak warto i tę możliwość zminimalizować. Inną alternatywą jest użycie wyświetlacza świecącego w barwie niebieskiej. Jest to jednak alternatywa znacznie droższa oraz wymagająca wyższego napięcia zasilania.

Aby ograniczyć liczbę użytych wyprowadzeń mikrokontrolera, do sterowania wyświetlaczem został zaprzęgnięty rejestr przesuwny z wyjściem równoległym. Dzięki temu załączenie każdej cyfry polega na „wsunięciu” odpowiedniego ciągu bitów w rejestr oraz załączeniu odpowiedniej anody. Układ typu 74HC595 bardzo dobrze sobie radzi z tak niskim (rzędu 3 V) napięciem zasilania. Prąd segmentów ograniczono do ok. 1,5 mA, przy którym to wyświetlacz jest czytelny, a zyskano obniżenie poboru prądu z baterii. Duża jasność świecenia jest niewskazana z wyżej wspomnianego powodu. Urządzenie i tak będzie eksploatowane w ciemności, za to dodanie czerwonego filtru znacznie podniesie kontrast cyfr.

Cały blok wyświetlacza jest załączany tranzystorem MOSFET. W ten sposób można dodatkowo oszczędzać energię w stanie uśpienia. Tranzystor typu IRLML2502 ma bardzo małą rezystancję otwartego kanału (rzędu 35 mΩ przy UGS = 3 V), przez co spadek napięcia na nim będzie pomijalny. Również prąd potrzebny do jego wysterowania jest niemal zerowy.

Kondensatory C9 i C10 zmniejszają impedancję widzianą przez zaciski zasilające układu US2. Dlatego są dołączone bezpośrednio do nich, a nie pomiędzy linie zasilające.

Transoptory

Zamiast styków manualnego pilota, odpowiednie pary przewodów są zwierane poprzez nasycające się tranzystory wbudowane w strukturę transoptora. Jest to rozwiązanie tańsze od przekaźników. Ponadto, zasilanie diod w transoptorach zużywa mniej energii niż cewki przekaźników. Istotną wadą transoptorów jest to, że tranzystor wyjściowy musi być spolaryzowany w odpowiednią stronę, aby mógł się załączyć.

Ponieważ każdy producent może sobie dowolnie ustalić potencjały na zwieranych przewodach, konieczne było zapewnienie możliwości dowolnego mieszania wyprowadzeń tranzystorów. Stąd pomysł, aby oddzielić galwanicznie te tranzystory zarówno od płytki urządzenia, jak i od siebie nawzajem. Prąd płynący przez diodę świecącą transoptora to ok. 4 mA. Wartość współczynnika CTR optoizolatorów może znajdować się w bardzo szerokim przedziale: od 50% aż do 600%. Aby zapewnić możliwość nasycenia tranzystora w każdych warunkach, konieczne było dostarczenie do nadajnika prądu o odpowiednio wysokim natężeniu.

Sterowanie

Do zadawania żądanej liczby impulsów/ sekund, zmiany trybu pracy oraz załączania urządzenia służy enkoder z przyciskiem. Pin wspólny enkodera jest dołączony do mikrokontrolera – w stanie uśpienia jego potencjał jest podciągany do dodatniej linii zasilania. W ten sposób pozostawienie którejkolwiek pary styków zwartych nie spowoduje przyspieszonego zużycia baterii, ponieważ pozostałe styki również są na tym samym potencjale. Wbudowane rezystory podciągające są wyłączone ze względu na konieczność utrzymywania kilku wyprowadzeń w stanie niskim podczas uśpienia, dlatego zastępuje je bramka rezystorowa RN1. W przypadku przycisków, tę funkcję pełnią rezystory R1 i R2.

Mikrokontroler

Układem zarządzającym pracą całego urządzenia jest mikrokontroler ATmega48V w obudowie TQFP32. Ma wystarczającą liczbę wyprowadzeń oraz pojemną pamięć Flash. Bardzo istotną właściwością jest możliwość zasilania go napięciem już od 1,8 V, co przy dwóch bateriach AAA połączonych szeregowo daje wystarczający margines na rozładowanie się baterii. W przypadku układów z serii „L” (np. ATmega8L) minimalne napięcie zasilania to 2,7 V, więc baterie zapewniałyby znacznie krótszy czas eksploatacji.

Częstotliwość zegara mikrokontrolera jest stabilizowana za pomocą rezonatora kwarcowego o częstotliwości oscylacji 4 MHz. Dzięki temu odliczany czas jest wystarczająco stabilny w funkcji napięcia zasilającego i temperatury. Relatywnie duża częstotliwość taktowania nie ma znaczącego wpływu na czas eksploatacji baterii, ponieważ generator zegara jest wyłączony w trybie uśpienia. Za to możliwe było zapewnienie dużej (ok. 500 Hz) częstotliwości odświeżania wyświetlacza – jego migotanie jest całkowicie niewidoczne.

Zasilanie

Urządzenie jest przystosowane do zasilania napięciem stałym o wartości ok. 3 V. W przegrodzie baterii obudowy Z32 mieści się koszyk na dwie baterie AAA, więc takimi jest zasilany prototyp. Pobór prądu przez układ jest następujący:

  • Poniżej 1 μA w stanie uśpienia.
  • Około 11 mA w stanie aktywnym (z włączonym wyświetlaczem).
  • Około 20 mA przy załączonych transoptorach (przy otwartej migawce aparatu).

Licznik błysków samoczynnie przechodzi w stan uśpienia, ponieważ użytkownik może zapomnieć o przełączeniu przycisku zasilania na jego obudowie podczas chowania całego sprzętu fotograficznego.

Montaż

Licznik błysków zmontowano na dwustronnej płytce drukowanej o wymiarach 57,2 mm×68,8 mm. Schemat montażowy pokazano na rysunku 4.

Rysunek 4. Schemat montażowy licznika błysków

Od górnej strony płytki drukowanej znajduje się wyświetlacz LED, enkoder i kilka elementów SMD oraz mikrokontroler. Wszystkie pozostałe elementy należy wlutować od spodu płytki. Dzięki temu dokonywanie regulacji oraz włożenie płytki do obudowy nie będzie nastręczało problemów. W obudowie Z32 należy wykonać kilka otworów. W górnej pokrywie musi znaleźć się prostokątny otwór pod wyświetlacz oraz okrągły pod oś enkodera, o średnicy min. 6 mm. Położenie tych elementów na płytce ilustruje rysunek 5.

Rysunek 5. Połączenie enkodera i wyświetlacza na płytce

Otwory w rogach zostały tak rozłożone, aby pokrywały się z miejscami na wkręty scalającymi obudowę. Aby jednak obudowa złożyła się poprawnie, należy zeszlifować tuleje dystansowe w obydwu połówkach o ok. 1 mm. W ten sposób obudowa złoży się bez szczeliny.

Otwory na doprowadzenie kabli (na ściankach bocznych) można wykonać według własnego uznania. Otworki w płytce przed polami montażowymi służą do dwukrotnego przewleczenia kabli – w ten sposób zostaną zabezpieczone przed wyrwaniem. Można też zawiązać na nich węzeł.

Licznik osadzony w obudowie prezentuje fotografia 6. Widać na niej również, że wyprowadzenia fototranzystora i przycisku zostały zabezpieczone rurką termokurczliwą. Kable prowadzące do tych elementów nie muszą być ekranowane, o ile długość połączenia nie przekroczy ok. 1 m. W przypadku kabla łączącego fototranzystor należy pamiętać, aby pojemność pomiędzy przewodami nie była znacząca – dlatego lepiej użyć niedługiego odcinka kabla nieekranowanego.

Fotografia 6. Licznik zamknięty w obudowie

Wyświetlacz został zabezpieczony czerwonym filtrem, przeznaczonym do obudowy KM35. Konieczne było jego skrócenie. Do obudowy został przyklejony za pomocą kleju na gorąco.

Uruchomienie

W pierwszej kolejności należy zaprogramować pamięć Flash mikrokontrolera ATmega48V odpowiednim wsadem. Trzeba również zmienić bity zabezpieczające, aby sygnał zegarowy był stabilizowany kwarcem.

Konfigurację tych bitów w programie AVR Burn-O-Mat pokazuje rysunek 7. Po wykonaniu powyższych czynności należy przystąpić do podłączenia odpowiednich przewodów z kabla pilota sterującego aparatem.

Rysunek 7. Bity zabezpieczające mikrokontrolera ATmega48V

Koszt takiego pilota nie jest wysoki (rzędu kilkunastu złotych), za to uzyskujemy pasujący do aparatu kabel z odpowiednim wtykiem.

Po otwarciu pilota należy zidentyfikować, za pomocą woltomierza, napięcia na poszczególnych parach przewodów i przyporządkować je odpowiednim wyprowadzeniom transoptorów.

Na fotografii 8 jest widoczne podłączenie przewodów pilota aparatu Nikon D5000. W kablu były tylko trzy żyły, więc dwa pola lutownicze musiały zostać zwarte.

Fotografia 8. Przylutowanie przewodów pilota do pól lutowniczych

Po sprawdzeniu, że aparat prawidłowo reaguje na polecenia licznika, polecam ustawić potencjometry P1 i P2 w połowie. Jest to optymalna czułość na błyski, którą można potem doregulować wedle uznania.

Eksploatacja

Włączenie urządzenia (wybudzenie ze stanu uśpienia) następuje po wciśnięciu osi enkodera. Tryb pracy i zadana wartość jest taka, jak przed uśpieniem. Te pozycje są zapamiętywane w pamięci RAM, więc odłączenie zasilania przywróci wartości domyślne: 10 impulsów i 10 sekund.

Rysunek 9. Widok wyświetlacza podczas ustawiania czasu

Zmiana trybu pracy odbywa się przez wciśnięcie osi enkodera. Zadaną wartość reguluje się, obracając osią. Maksymalna liczba błysków to 100, zaś maksymalna liczba sekund to 300. Wartości zmieniają się w pętli, tj. po zmniejszeniu poniżej zera wskakuje wartość najwyższa, a powyżej maksimum – zero. Tryb pracy jest sygnalizowany odpowiednią literką po lewej stronie wyświetlacza: „t” dla odmierzania czasu (rysunek 9) i „P” dla odliczania błysków (rysunek 10).

Rysunek 10. Widok wyświetlacza podczas ustawiania liczby błysków

Uruchomienie odliczania następuje po chwilowym wciśnięciu zewnętrznego przycisku. Po rozwarciu styków licznik najpierw odczekuje 300 ms, po czym załącza styki focus. Po upływie 1 sekundy zostaje otwarta migawka i kropka na ekranie gaśnie. Zwłoka w otwarciu migawki pozwala ustabilizować aparat z ewentualnych drgań Jest również niezbędna dla automatyki aparatu, aby zachowanie licznika odwzorowywało obsługę manualnego pilota.

Odliczanie od zadanej wartości przebiega w dół, aż do zera. Na wyświetlaczu przez cały czas widoczna jest pozostała liczba impulsów lub sekund. Kiedy odliczanie zakończy się, zaciski migawki i focusa zostają rozwarte, a na ekranie pojawia się kropka. Zakończyć odliczanie można również wcześniej, wciskając ponownie zewnętrzny przycisk.

Potencjometrem P1 ustawia się czułość, zaś potencjometrem P2 próg zadziałania. Ustawienie ślizgacza P1 bliżej maksimum jest wskazane, kiedy błyski pochodzące od lampy są zbyt słabe i urządzenie nie reaguje na nie. Z kolei, za pomocą P2 można zniwelować wpływ częściowego oświetlenia tła. Moje doświadczenia wykazują, że ustawienie ich w połowie zapewnia optymalną czułość na błyski lampy.

Michał Kurzela, EP

Wykaz elementów:
Rezystory: (SMD 0805)
  • R1, R2, R11: 10 kΩ
  • R3…R10: 1 kΩ
  • R12, R13: 470 Ω
  • RN1: 4×100 kΩ (SIL5)
  • P1, P2: 100 kΩ (pot. montażowy, leżący)
Kondensatory: (SMD 0805)
  • C1, C2: 15 pF
  • C3, C6, C10, C11: 100 nF
  • C4, C9: 10 μF
  • C5, C7: 10 nF
  • C8: 220 μF/16 V (THT, elektrolit.)
Półprzewodniki:
  • LED1: AF5643FS
  • OK1, OK2: LTV357T
  • T1: IRLML2502
  • US1: ATmega48V-10AU (TQFP32)
  • US2: 74HC595 (SO16)
  • Fototranzystor L-53P3C
Pozostałe:
  • J1 goldpin 5 pin pionowy THT
  • Q1 4 MHz THT niski
  • SW1 impulsator ED1212S-24C24-30F
  • Obudowa Z32
  • Filtr czerwony
  • Koszyk na baterie 2×AAA
  • Przycisk monostabilny na przewód
  • Kabel do aparatu (opis w tekście)
Artykuł ukazał się w
Elektronika Praktyczna
wrzesień 2016
DO POBRANIA
Pobierz PDF Download icon
Materiały dodatkowe
Elektronika Praktyczna Plus lipiec - grudzień 2012

Elektronika Praktyczna Plus

Monograficzne wydania specjalne

Elektronik listopad 2025

Elektronik

Magazyn elektroniki profesjonalnej

Raspberry Pi 2015

Raspberry Pi

Wykorzystaj wszystkie możliwości wyjątkowego minikomputera

Świat Radio listopad - grudzień 2025

Świat Radio

Magazyn krótkofalowców i amatorów CB

Automatyka, Podzespoły, Aplikacje listopad - grudzień 2025

Automatyka, Podzespoły, Aplikacje

Technika i rynek systemów automatyki

Elektronika Praktyczna listopad 2025

Elektronika Praktyczna

Międzynarodowy magazyn elektroników konstruktorów

Elektronika dla Wszystkich grudzień 2025

Elektronika dla Wszystkich

Interesująca elektronika dla pasjonatów