Licznik czasu pracy wyzwalany za pomocą przepływu prądu

Licznik czasu pracy wyzwalany za pomocą przepływu prądu
Pobierz PDF Download icon
W ?Elektronice Praktycznej? 12/2015 był opublikowany projekt miniaturowego licznika czasu pracy, który można wmontować w nadzorowane urządzenie. Prezentowany projekt jest rozszerzeniem tamtej idei o możliwość odmierzania czasu, gdy pobór prądu przez urządzenie przekroczy ustaloną wartość. Rekomendacje: licznik może przydać się np. służbom utrzymania ruchu do planowania remontów maszyn i urządzeń.

Wiele urządzeń, podczas przestoju w pracy, może znajdować się w trybie czuwania. Nie wykonują one żadnej pracy, są pozornie wyłączone, ale obwody sterujące są zasilane. Aby wydobyć informację użyteczną z punktu widzenia czasu pracy, należałoby pobrać ją z wnętrza urządzenia, co może skończyć się utratą gwarancji.

Opisywany licznik czasu pracy wyposażono w przekładnik prądowy, którego zadaniem jest pomiar prądu pobieranego przez urządzenie. Jeżeli wzrośnie on powyżej ustalonego ręcznie progu, wówczas uznaje się, że urządzenie przystąpiło do działania i jest liczony czas jego faktycznej pracy. Do tego wystarczy przewlec jeden z przewodów sieciowych przez otwór w przekładniku.

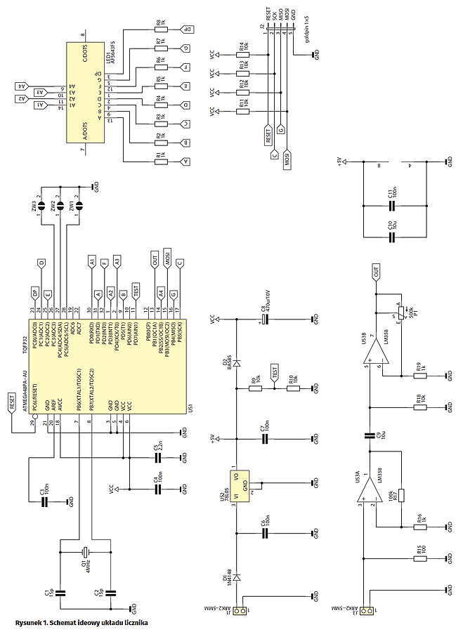
Schemat ideowy

Schemat ideowy licznika czasu pracy pokazano na rysunku 1. Użyty w nim mikrokontroler to ATmega48PA. W tej aplikacji jego dużą zaletą jest możliwość pracy przy napięciu zasilania wynoszącym 1,8 V. Ma to kluczowe znaczenie podczas zapisu danych do nieulotnej pamięci EEPROM, kiedy układ jest zasilany wyłącznie z pojemności filtrujących. Częstotliwość generatora taktującego mikrokontroler jest stabilizowana za pomocą rezonatora kwarcowego (4 MHz). Ten sam generator służy do odmierzania czasu.

Wyświetlacz ma 4 cyfry, każda ze wspólną anodą. Sterowanie wszystkimi wyprowadzeniami odbywa się bezpośrednio z wyprowadzeń mikrokontrolera, ponieważ prąd segmentów został ograniczony do ok. 2,5 mA, dzięki czemu cała cyfra nie pobiera więcej niż 20 mA.

Zasilanie doprowadza się do złącza J1. Dioda D1 zabezpiecza układ przed zniszczeniem w razie błędnego dołączenia napięcia zasilania. Napięcie stabilizowane 5 V służy do zasilenia bloku analogowego oraz dzielnika rezystancyjnego. Ten dzielnik, w warunkach normalnej pracy, polaryzuje wejście odwracające komparatora wbudowanego w mikrokontroler potencjałem ok. 2,5 V. Z kolei do wejścia nieodwracającego jest dołączone wewnętrzne źródło referencyjne, o napięciu 1,23 V. Wyjście komparatora jest wyzerowane.

W momencie zaniku zasilania stabilizator przestaje zasilać dzielnik i wyjście komparatora zostaje ustawione. To zbocze narastające powoduje uruchomienie obsługi przerwania, w której jest wyłączany wyświetlacz, a do pamięci EEPROM są zapisywane aktualne wskazania czasu. Takie rozwiązanie nie nadwyręża pamięci EEPROM regularnym zapisywaniem, co ma swoje uzasadnienie, ponieważ liczba cykli zapisu do niej/odczytu z niej jest ograniczona.
Złącze J2 służy do zaprogramowania mikrokontrolera wlutowanego w płytkę. Proces ten odbywa się za pomocą standardowego interfejsu ISP (In-System Programming).

Do zacisków złącza J3 podłącza się przewody prowadzące do przekładnika prądowego. Rezystor R15 stanowi obciążenie jego uzwojenia, przez co odkłada się na nim napięcie. Dla użytego w prototypie przekładnika ASM-010 firmy Talema rezystor obciążający powinien mieć rezystancję 50 V. W rzeczywistości zastosowano rezystor o dwukrotnie większej rezystancji, ponieważ istotna jest czułość, a nie liniowość.

Napięcie sinusoidalnie zmienne, które odkłada się na R15, ma amplitudę rzędu miliwoltów. Tak małych wahań napięcia mikrokontroler nie jest w stanie zarejestrować. W tym celu dodano wzmacniacz o bardzo dużym wzmocnieniu napięciowym. Pierwszy człon ma sztywno ustalone wzmocnienie ok. 100 V/V. Warto zauważyć, że napięcie podawane na wejście nieodwracające wzmacniacza operacyjnego jest bipolarne, a sam wzmacniacz zasilany jest asymetrycznie. Wzmacniana jest jedynie dodatnia połówka wchodzącej sinusoidy, zaś ujemną pomija się, ponieważ nie niesie ona żadnej dodatkowej informacji. Powoduje to znaczące uproszczenie układu. Stopień wejściowy LM358 jest w stanie pracować poprawnie, o ile chwilowy potencjał któregokolwiek wejścia nie spadnie poniżej –0,3 V, co powoduje otwarcie złącza baza-kolektor. W tym układzie jest to zagwarantowane: wartość szczytowa napięcia na rezystorze R15 nie przekroczy ok. 100 mV.

Drugi stopień wzmacniacza ma regulowane wzmocnienie w zakresie od 1 V/V do ok. 500 V/V. Kondensator C9 separuje składową stałą tak, aby drugi stopień nie nasycał się od napięcia stałego, które uzyskuje z wyjścia pierwszego stopnia. Rezystor R18 polaryzuje to wejście potencjałem 0 V. Stała czasowa obwodu C9…R18 jest na tyle duża (100 ms), że kondensator nie przeładowuje się i sygnał zmienny o częstotliwości 50…60 Hz niemal nie „dostrzega” jego obecności.

Na rysunku 2 pokazano przebiegi napięcia wejściowego, odkładającego się na rezystorze R15 (niebieski) oraz wyjściowego (żółty), mierzonego na wyjściu układu US3B. Sygnał sinusoidalny o amplitudzie około 1 mV jest wzmacniany do postaci impulsów o maksymalnym napięciu ok. 3,8 V z offsetem wynoszącym ok. 0,5 V. Przez przekładnik przewleczony był przewód doprowadzający zasilanie sieciowe do żarówki 28 W, a wzmocnienie ustawiono na maksymalne.

Taka wartość maksymalna napięcia wyjściowego wynika z ograniczeń układu LM358, którego stopień wyjściowy w pełni obsługuje napięcie bliskie potencjałowi ujemnej linii zasilania. Jednak przez mikrokontroler będzie ono interpretowane poprawnie: wystarczy, by szczytowa wartość tych impulsów przekraczała 3 V. Offset zaś jest efektem istnienia napięcia niezrównoważenia wzmacniacza oraz nieskompensowanych prądów wejściowych. Jego wartość zależy od ustalonego wzmocnienia. Dla tego mikrokontrolera nie może on mieć wartości większej niż 1,5 V, ponieważ nie będzie możliwe rozróżnianie stanów logicznych przez rejestr wejściowy.

Bardzo duże wzmocnienie napięciowe nie niesie ze sobą ryzyka wzbudzenia. Jest to efektem niskiej częstotliwości granicznej układu LM358, która wynosi 1 MHz. Pasmo pierwszego stopnia jest więc ograniczone do ok. 10 kHz, a drugiego do ok. 2 kHz.

Podczas testów układ nie wykazywał jakichkolwiek skłonności do wzbudzania się, więc nie dodano jakichkolwiek elementów, które dodatkowo kształtowałyby charakterystykę częstotliwościową. Zmierzony czas narastania napięcia wyjściowego to 700 ms, co przekłada się na górną częstotliwość graniczną rzędu 500 Hz.

Montaż

Licznik czasu pracy zmontowano na dwustronnej płytce drukowanej, której schemat montażowy pokazano na rysunku 3. Montaż najłatwiej rozpocząć od elementów montowanych powierzchniowo, ponieważ wszystkie znajdują się na spodniej stronie płytki. Warto przy okazji zewrzeć kroplą cyny jedną zworkę, która odpowiada wymaganemu reżimowi zliczania:

− ZW1: dni w zakresie 0…9999.
− ZW2: dni i godziny w zakresie 00:00…99:23.
− ZW3: godziny i minuty w zakresie 00:00…23:59.

Kondensator C8 należy pozostawić na nieco dłuższych nóżkach, aby możliwe było jego położenie na powierzchni płytki. Rezonator kwarcowy Q1 należy również przylutować na nieco dłuższych wyprowadzeniach, lecz tylko po to, aby jego metalowa obudowa nie zwarła znajdujących się pod nią ścieżek.

Prawidłowo zmontowane urządzenie można zaprogramować wsadem w postaci pliku HEX. Przedtem należy wyłączyć podział częstotliwości zegara przez 8 (bit zabezpieczający CKDIV8) oraz przestawić taktowanie mikrokontrolera na zewnętrzny rezonator kwarcowy 3…8 MHz. Aby możliwe było prawidłowe uruchomienie urządzenia, do złącza J3 należy dołączyć przekładnik prądowy, a potencjometr P1 ustawić na maksimum. Jeżeli długość połączenia pomiędzy przekładnikiem a płytką będzie większa niż kilkanaście centymetrów, można rozważyć użycie przewodu ekranowanego. Wówczas jego oplot dołącza się do zacisku masy w złączu J3.

Uruchomienie i eksploatacja

Jedyną czynnością uruchomieniową, jaką należy wykonać, jest ustawienie wzmocnienia toru analogowego. Najprościej jest to zrobić przez przeciągnięcie jednego z przewodów zasilających nadzorowane urządzenie przez przekładnik prądowy i takie ustawienie potencjometru P1, przy którym moment przejścia w tryb czuwania jest prawidłowo rozpoznawany. Odliczanie czasu jest sygnalizowane miganiem kropki z częstotliwością 0,5 Hz. Przy zliczaniu dni, znajduje się ona na końcu aktualnej liczby dni a w pozostałych przypadkach jest na środku i rozdziela dwie wartości. Kiedy pobierany prąd będzie mniejszy od wartości minimalnej, impulsy z wyjścia wzmacniacza przestaną mieć amplitudę wystarczającą do zinterpretowania ich jako wysoki poziom logiczny w rejestrze wejściowym mikrokontrolera. Odliczanie czasu zostaje wstrzymane, kropka przestaje migać. Aby uodpornić układ na chwilowe spadki amplitudy, wywołane np. zakłóceniami, odliczanie odbywa się jeszcze przez 1 s od ostatniej detekcji logicznej „1” na wejściu. Jeżeli w tym czasie nie nadejdzie kolejny impuls, licznik zatrzymuje się.

Zresetowanie zapamiętanych wskazań odbywa się w tej kolejności:

− Wyłączenie zasilania licznika.
− Założenie zworki na piny 4 i 5 złącza J2 (oznaczone „ZERO”).
− Włączenie zasilania i zdjęcie zworki po upływie min. sekundy.

Dzięki temu, że obecność zworki jest badana jedynie podczas uruchamiania, nie ma ryzyka wyzerowania licznika przy przypadkowym zwarciu tych wyprowadzeń podczas pracy.

Przekroczenie zakresu, czyli osiągnięcie wartości maksymalnej dla danego zakresu, jest sygnalizowane 4 poziomymi kreskami na wyświetlaczu. Z kolei błąd w odczycie położenia zworek ZW1…ZW3 (zwarta więcej niż jedna lub brak) układ oznajmia napisem „Err”. Ich położenie również jest sprawdzane wyłącznie po załączeniu zasilania lub restarcie mikrokontrolera.

Jeżeli okaże się, że czułość układu jest zbyt mała, wówczas można zwiększyć rezystancję R15. W przeciwnym wypadku, gdyby przez przewód w przekładniku płynął prąd o dużym natężeniu, należy dostosować do tego sam przekładnik, aby nie uległ uszkodzeniu. Użyty w prototypie ASM-010 przystosowany jest do maksimum 10 A.

Układ LM358 jest niewątpliwie tani, lecz jego wadą jest relatywnie wysokie napięcie niezrównoważenia, które może – w bardzo niekorzystnych warunkach – maskować wejściowy sygnał sinusoidalny. Jeżeli zmiany opisane wyżej nie przyniosą rezultatów, można rozważyć zastosowanie innego wzmacniacza operacyjnego, np. TLC277. Ważne jest, aby jego stopień wejściowy prawidłowo obsługiwał napięcie bliskie zeru.

Po wykonaniu regulacji układ licznika jest gotowy do pracy. Pobór prądu wynosi ok. 11…15 mA, przy czym zależy od aktualnej zawartości wyświetlacza LED. Zasilanie powinno odbywać się napięciem stałym, dobrze filtrowanym i niekoniecznie stabilizowanym, z zakresu 8…30 V.

Michał Kurzela, EP

Artykuł ukazał się w
Elektronika Praktyczna
wrzesień 2016
DO POBRANIA
Pobierz PDF Download icon
Materiały dodatkowe
Elektronika Praktyczna Plus lipiec - grudzień 2012

Elektronika Praktyczna Plus

Monograficzne wydania specjalne

Elektronik listopad 2025

Elektronik

Magazyn elektroniki profesjonalnej

Raspberry Pi 2015

Raspberry Pi

Wykorzystaj wszystkie możliwości wyjątkowego minikomputera

Świat Radio listopad - grudzień 2025

Świat Radio

Magazyn krótkofalowców i amatorów CB

Automatyka, Podzespoły, Aplikacje listopad - grudzień 2025

Automatyka, Podzespoły, Aplikacje

Technika i rynek systemów automatyki

Elektronika Praktyczna listopad 2025

Elektronika Praktyczna

Międzynarodowy magazyn elektroników konstruktorów

Elektronika dla Wszystkich grudzień 2025

Elektronika dla Wszystkich

Interesująca elektronika dla pasjonatów