Stereofoniczna, cyfrowa linia opóźniająca

Stereofoniczna, cyfrowa linia opóźniająca
Pobierz PDF Download icon
Niegdyś linie opóźniające budowało się z zastosowaniem sprężyn i przetworników elektromechanicznych. Współcześnie do ich konstrukcji można zastosować układy cyfrowe, co daje nieporównywalnie większe możliwości. Można nie tylko opóźniać sygnał, ale również wprowadzać dodatkowe efekty akustyczne. Opisywane urządzenie to moduł linii opóźniającej, który przyda się przy tworzeniu własnych konstrukcji. Jest przy tym nieskomplikowany w budowie i łatwy w zastosowaniu. Rekomendacje: Stereofoniczna cyfrowa linia opóźniająca audio przydatna w systemach wielodrożnych do wyrównywania fazy poszczególnych pasm lub jako podstawowy moduł przy budowie efektów instrumentalnych

Układ pracuje z sygnałem analogowym o poziomie liniowym. Przetwornik A/D dokonuje konwersji sygnału analogowego na cyfrowy w standardzie I2S. Specjalizowana pamięć TPA5052 (firmy Texas Instruments) opóźnia sygnał danych I2S pomiędzy wejściowym przetwornikiem A/D a wyjściowym D/A. Dzięki zastosowaniu układu opóźniającego, wykorzystywanego w telewizji cyfrowej do wyrównywania opóźnienia pomiędzy obrazem i dźwiękiem, budowa urządzenia jest nieskomplikowana, a osiągnięte parametry są bardziej niż zadowalające.

Częstotliwość próbkowania może być dostosowana do wymagań jakościowych i do obróbki sygnału audio może wynosić 96 kHz, do obróbki sygnału z instrumentów muzycznych w kanałach efektowych można obniżyć ją do 48 kHz. Maksymalny czas opóźnienia wynosi 170 ms przy częstotliwości próbkowania 48 kHz w każdym kanale i może być regulowany za pomocą zworek w 32 krokach (wspólnych dla obu kanałów). W trybie monofonicznym, przy połączeniu szeregowym obu kanałów, można uzyskać maksymalny czas opóźnienia 340 ms (2×8191 sampli).

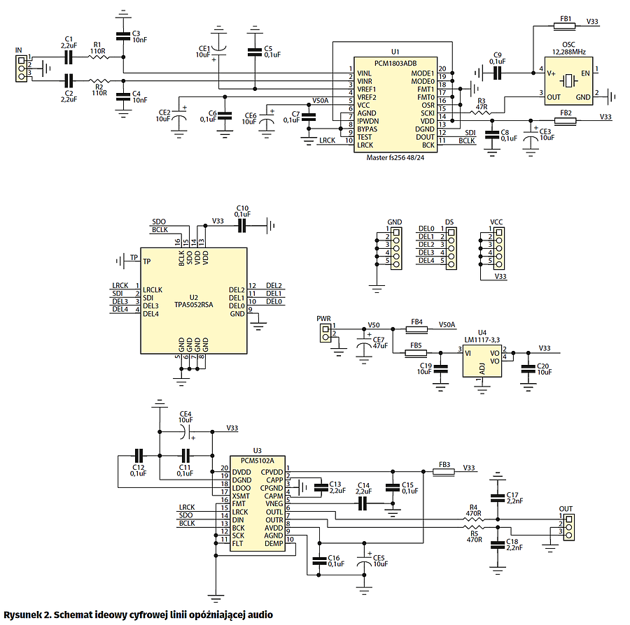
Schemat blokowy cyfrowej linii opóźniającej pokazano na rysunku 1, a ideowy na rysunku 2. Sygnał wejściowy z gniazda IN, po odseparowaniu składowej stałej i podstawowej filtracji dolnoprzepustowej jest podawany na wejście przetwornika A/D typu PCM1803 (U1). Pracuje on w trybie master i jest taktowany zewnętrznym, stabilnym generatorem kwarcowym OSC o częstotliwości zależnej od zastosowania:

− 12,288 MHz dla częstotliwości próbkowania 48 kHz, do tworzenia dłuższych opóźnień i przy paśmie przenoszenia rzędu 20 kHz dla np. efektów instrumentalnych.

− 24,576 MHz dla częstotliwości próbkowania 96 kHz, krótszych opóźnień i pasma przenoszenia powyżej 40 kHz, w torach audio wysokiej jakości.

Sygnał I2S z przetwornika A/D jest doprowadzony do układu pamięci U2 typu TPA5052, której schemat blokowy przedstawiono na rysunku 3. Układ pamięci ma obwody wyciszania, dzięki którym zarówno podczas włączenia, jak i zmiany opóźnienia wyjście SDO jest wyciszane, co zapobiega niepożądanym efektom dźwiękowym.

Sygnały BCLK/LRCK dołączone są do pamięci i bezpośrednio do przetwornika D/A typu PCM5102 (U3). Sygnał danych SDI z przetwornika A/D zostaje opóźniony przez U2 i wyprowadzony do przetwornika D/A za pomocą wyjścia SDO. Układ U2 ma możliwość regulacji czasu opóźnienia w zakresie 255…8192 próbek za pomocą poziomów logicznych wyprowadzeń DEL0…DEL4 ustawianych zworkami DS. Po przetworzeniu D/A sygnał analogowy jest dostępny na złączu OUT.

Układ uzupełnia zasilacz 3,3 V z układem stabilizatora LM1117-3.3 (U4), zasilający część cyfrową urządzenia. Moduł jest zasilany napięciem 5 V DC z zewnętrznego stabilizatora. Napięcie to powinno być odpowiednio stabilne i „niskoszumowe”, ponieważ bezpośrednio zasila bloki analogowe przetwornika A/D. Moduł uzupełniają człony FBx/Cx/Cex filtrujące napięcia zasilające poszczególnych stopni układu.

Układ zmontowano na niewielkiej, dwustronnej płytce drukowanej. Sposób montażu jest typowy i nie wymaga opisywania, rozmieszczenie elementów przedstawia rysunek 4. Linia opóźniająca nie wymaga uruchomienia. Po zmontowaniu i sprawdzeniu poprawności działa od pierwszego włączenia.

Adam Tatuś, EP

Artykuł ukazał się w
Elektronika Praktyczna
lipiec 2016
DO POBRANIA
Pobierz PDF Download icon
Materiały dodatkowe
Elektronika Praktyczna Plus lipiec - grudzień 2012

Elektronika Praktyczna Plus

Monograficzne wydania specjalne

Elektronik listopad 2025

Elektronik

Magazyn elektroniki profesjonalnej

Raspberry Pi 2015

Raspberry Pi

Wykorzystaj wszystkie możliwości wyjątkowego minikomputera

Świat Radio listopad - grudzień 2025

Świat Radio

Magazyn krótkofalowców i amatorów CB

Automatyka, Podzespoły, Aplikacje listopad - grudzień 2025

Automatyka, Podzespoły, Aplikacje

Technika i rynek systemów automatyki

Elektronika Praktyczna listopad 2025

Elektronika Praktyczna

Międzynarodowy magazyn elektroników konstruktorów

Elektronika dla Wszystkich grudzień 2025

Elektronika dla Wszystkich

Interesująca elektronika dla pasjonatów