Wzmacniacz audio klasy D o mocy do 2×50 W

Wzmacniacz audio klasy D o mocy do 2×50 W
Pobierz PDF Download icon

Wzmacniacze audio cieszą się nieustającym zainteresowaniem elektroników. Dawniej były one bardzo trudne do wykonania, a do uruchomienia wymagały wiedzy i specjalistycznego sprzętu - np. oscyloskopu. Współcześnie, dzięki zastosowaniu układów scalonych, wykonanie wzmacniacza jest znacznie łatwiejsze i dostępne praktycznie dla każdego. Rekomendacje: niewielka końcówka stereofoniczna średniej mocy pracująca w klasie D, która znajdzie zastosowanie w nagłośnieniu samochodu, aktywnych zespołach głośnikowych lub w PC-audio.

Moduł wzmacniacza jest oparty na układzie TPA3116 zawierającym dwa kanały mostkowego wzmacniacza mocy, ze wspólnymi obwodami załączenia, wyciszania i zabezpieczeń. W zależności od zastosowanego typu układu U1 możliwe jest - bez zmian schematu i płytki drukowanej - dopasowanie mocy, impedancji obciążenia wzmacniacza. Parametry wzmacniacza, zależnie od zastosowanego układu scalonego i napięcia zasilania, wymieniono w tabeli 1. Zmontowana płytka jest gotowym blokiem funkcjonalnym systemu audio.

Rysunek 1. Schemat ideowy modułu wzmacniacza mocy

Schemat ideowy wzmacniacza mocy zamieszczono na rysunku 1. Układ U1 (w modelu zastosowano TPA3116 o mocy 2×50 W) pracuje w podstawowej aplikacji, zgodnej z notą aplikacyjną firmy Texas Instruments. Wzmacniacze mocy poszczególnych kanałów są wykonane w układzie mostkowym, co umożliwia osiągnięcie sporej mocy wyjściowej bez konieczności używania przetwornic podwyższających napięcie zasilania lub zasilania symetrycznego.

Moc przy zastosowaniu układu TPA3116, "najmocniejszego" układu z rodziny, podawana przez producenta przy zasilaniu 21 V to 2×50 W przy obciążeniu 4 V. Moc wyjściowa osiągana w rzeczywistości w dużej mierze zależy od jakości źródła zasilania i skuteczności odprowadzenia ciepła ze struktury układu.

Rysunek 2. Schemat montażowy modułu wzmacniacza mocy

Sygnał wyjściowy po przejściu przez filtr dolnoprzepustowy zbudowany z dławików L1 i L2 oraz kondensatorów C5...C10 jest doprowadzony do zacisków wyjściowych O1 (dla "górnego" kanału). Kondensatory C13 i C14 oraz rezystory R1 i R2 kompensują wzrastającą wraz z częstotliwością impedancję obciążenia. Kondensatory C1...C4 są elementami układu polaryzacji bramek tranzystorów mocy. Zespoły kondensatorów C17... C20, CE1...CE4 (low ESR) filtrują zasilanie wzmacniacza U1. Obwód złożony z rezystorów R8 i R9 umożliwia zewnętrzne wyciszanie układu poprzez rozwarcie wyprowadzeń złącza SDN. Ułatwia to realizację jednoczesnego włączenia w przypadku układów wielokanałowych oraz wykonanie układu opóźnionego załączania wzmacniacza.

Układ ma wzmocnienie ustalone na 20 dB. Wejścia układu są symetryczne, co ułatwia doprowadzenie sygnału dłuższymi przewodami (skrętka) oraz zwiększa odporność na zakłócenia. Kondensatory C22...C25 eliminują składową stałą. Jeżeli nie dysponujemy sygnałem symetrycznym, na płytce przewidziano zwory ZW1, ZW2 zwierające nieodwracające wejście wzmacniacza do masy. W tym przypadku sygnał wejściowy należy doprowadzić pomiędzy wejścia nieodwracające, a masę złącza IN.

Wzmacniacz jest zmontowany na dwustronnej płytce drukowanej, której schemat montażowy pokazano na rysunku 2. Montaż jest typowy i nie wymaga opisu. Ze względu na wydzielaną moc układ U1 wymaga montażu radiatora o odpowiedniej powierzchni, dostosowanej do wydzielanej mocy. Przy użyciu TPA3118 lub TPA3130 odprowadzenie ciepła odbywa się przez pad termiczny od spodu układu, który w tym celu musi być poprawnie przylutowany do masy.

Wykaz elementów

Rezystory:
R1...R5: 3,3 Ω/0,5 W (SMD 1206)
R6, R8: 100 kΩ/1% (SMD 0805)
R7: 5,6 kΩ/1% (SMD 0805)
R9: 1 kΩ/1% (SMD 0805)

Kondensatory: (SMD 0805, X5R, 50 V)
C1...C4: 0,22 µF
C5...C8, C22...C25: 0,68 µF/63 V(polipropylenowy R=5 mm)
C9...C12, C17, C19: 1 nF/50 V
C13...C16: 10 nF/50 V
C18, C20, C21: 0,1 µF
C26: 1 µF (foliowy R=5 mm)
CE1...CE4: 470 µF/35 V (elektrolit. Low ESR,R=5 mm)

Półprzewodniki:
U1: TPA3116 (HTSSOP32 z radiatorem)

Inne:
IN: złącze KK6 proste
L1...L4: 10 mH (dławik DE1207-10)
O1, O2, PWR: złącze ARK2/5 mm
SDN: złącze KK2, proste

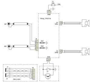
Rysunek 3. Schemat połączeń modułu wzmacniacza

Układ TPA3116 ma wkładkę w górnej części i wymaga zastosowania radiatora o możliwie dużej powierzchni. Do mocowania radiatora przewidziano dwa otwory w płytce drukowanej. Do jego wykonania doskonale nadają się przycięte kawałki radiatorów z układów BGA, kawałek profilu aluminiowego C lub gruby płaskownik aluminiowy.

Należy tylko pamiętać o użyciu odpowiedniej pasty termoprzewodzącej i zachowaniu należytego dystansu od kondensatorów w otoczeniu układu U1. Gdy nie przewidujemy zbyt forsownej pracy wzmacniacza, do odprowadzenia ciepła wystarczy niewielki radiator BGA naklejany na układ.

Schemat dołączenia modułu wzmacniacza pokazano na rysunku 3. W zależności od rodzaju źródła sygnału wejściowego należy:

  • Dla sygnału niesymetrycznego zewrzeć zwory ZW1, ZW2 i dołączyć do złącza IN zgodnie z rysunkiem 3.
  • Dla sygnału symetrycznego zwory muszą być rozwarte, a sygnał doprowadzony zgodnie z opcją wyróżnioną linią przerywaną.

Tabela 1. Podstawowe parametry układów z rodziny TPA31xxD2

W zależności od długości połączenia konieczne może być zastosowanie przewodów ekranowanych. Do zasilania układu można wykorzystać typowy zasilacz nieregulowany o odpowiedniej wydajności i pojemnościach filtrujących (powyżej 10 mF) lub lepiej i taniej - modułowy zasilacz impulsowy.

Adam Tatuś, EP

Artykuł ukazał się w
Elektronika Praktyczna
luty 2016
DO POBRANIA
Pobierz PDF Download icon
Materiały dodatkowe
Elektronika Praktyczna Plus lipiec - grudzień 2012

Elektronika Praktyczna Plus

Monograficzne wydania specjalne

Elektronik listopad 2025

Elektronik

Magazyn elektroniki profesjonalnej

Raspberry Pi 2015

Raspberry Pi

Wykorzystaj wszystkie możliwości wyjątkowego minikomputera

Świat Radio listopad - grudzień 2025

Świat Radio

Magazyn krótkofalowców i amatorów CB

Automatyka, Podzespoły, Aplikacje listopad - grudzień 2025

Automatyka, Podzespoły, Aplikacje

Technika i rynek systemów automatyki

Elektronika Praktyczna listopad 2025

Elektronika Praktyczna

Międzynarodowy magazyn elektroników konstruktorów

Elektronika dla Wszystkich grudzień 2025

Elektronika dla Wszystkich

Interesująca elektronika dla pasjonatów