Trójdrożna zwrotnica aktywna

Trójdrożna zwrotnica aktywna
Pobierz PDF Download icon

Opracowanie zwrotnicy pasywnej, nawet nieskomplikowanej, 2-drożnej, poparte wstępnymi symulacjami komputerowymi, wymaga poniesienia sporych kosztów elementów biernych poświęconych na „dostrajanie” zwrotnicy. Wykonanie zwrotnicy 3-drożnej, jest jeszcze bardziej złożone i kosztowne. Nieliniowość głośników, zmienna impedancja, różnice w efektywności, wzajemny wpływ elementów poszczególnych torów, bardzo często zmuszają do wielu kompromisów mających wpływ na uzyskany efekt końcowy, więc warto wypróbować rozwiązanie zwrotnicy aktywnej tym bardziej, że gotowy moduł wzmacniacza końcowego mocy zwykle jest tańszy od dobrej cewki i kondensatora. Rekomendacje: zwrotnica aktywna jest używana w charakterze podstawowego elementu 3-drożnego systemu głośnikowego. Dzięki łatwiej budowie i strojeniu ułatwia rozpoczęcie eksperymentów z aktywnymi zestawami głośnikowymi.

Podstawowe parametry:
  • Napięcie zasilające: 12…15 V DC/ min. 100 mA.
  • Topologia VSF (Variable State Filter) umożliwia uzyskanie jednoczesnego podziału na 3 pasma.
  • Łatwa budowa i uruchomienie.
  • Brak konieczności stosowania „nietypowych” wartości rezystancji i pojemności.
  • Do zastosowania w 3-drożnych torach audio np. zestawach głośnikowych.

Filtry i zwrotnice aktywne przeciętnemu konstruktorowi kojarzą się głównie z nietypowymi oraz trudnodostępnymi wartościami elementów kształtujących charakterystykę filtra. Sytuacja ta pogarsza się, gdy trzeba przestrajać np. dwa lub trzy pasma. Wymusza to stosowanie wielosekcyjnych przełączników, potencjometrów oraz precyzyjnie dobieranych rezystorów i kondensatorów o dobrej stabilności. Aby wyeliminować opisane niedogodności zastosowano filtr w topologii zmiennych stanu (Variable State Filter, VSF) – jego schemat blokowy pokazano na rysunku 1. Umożliwia on jednoczesne uzyskanie charakterystyk, dolno-, środkowo- i górnoprzepustowych.

Rysunek 1. Topologia filtru zmiennych stanu (Variable–State)

Budowa

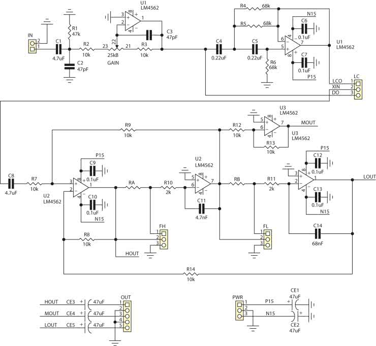
Schemat ideowy zwrotnicy 3-drożnej zamieszczono na rysunku 2. Sygnał wejściowy jest doprowadzony do wzmacniacza U1-1 o regulowanym potencjometrem GAIN wzmocnieniu, ułatwiającym dopasowanie czułości zwrotnicy. Następnie, sygnał poprzez filtr górnoprzepustowy w topologii Sallen-Key, usuwający z sygnału częstotliwości poniżej pasma akustycznego (poniżej 15 Hz), jest doprowadzony do złącza LC, gdzie zworą lub zewnętrznym przełącznikiem możemy załączyć/wyłączyć działanie filtru górnoprzepustowego (zwarcie LCO-XIN lub DO-XIN). Dalej, sygnał trafia na regulowany filtr w topologii zmiennych stanu.

Rysunek 2. Schemat ideowy aktywnej zwrotnicy 3-drożnej

Na wyjściu wzmacniacza sumującego U2-1 jest dostępny sygnał po filtracji dolnoprzepustowej, czyli pasmo wysokie HOUT. Ten sygnał przez integrator o regulowanych stałych czasowych (rezystory RA+R10/ kondensator C11) jest doprowadzony do wzmacniacza odwracającego U3-2, gdzie jest dostępne pasmo środkowe MOUT oraz do drugiego integratora U3-1, gdzie dostępne jest pasmo niskich częstotliwości LOUT.

W zależności od potrzeb, gdy filtr pracuje z ustaloną częstotliwością, można wlutować odpowiednio dobrane rezystory RA i RB bezpośrednio w płytkę. Jeśli zależy nam na płynnym przestrajaniu, można wykorzystać złącza FH i FL do przyłączenia zewnętrznych potencjometrów (wyprowadzenia 1-2 złącz) i pominąć na płytce rezystorów RA, RB. Sygnały pasmowe po filtracji dostępne są na złączu OUT.

W przypadku VSF mamy możliwość przestrajania jednoczesnego filtru przy pomocy tylko dwóch elementów R lub C w każdym integratorze. Częstotliwość podziału filtru wynosi: (Ra+R10 i C11 lub RB + R11 i C14)

Dla wartości podanych na schemacie i potencjometrów FH=25 kC, FL=50 kC, możliwe jest uzyskanie podziałów w zakresie niskim 45…1,1 kHz i wysokim 1,25…17 kHz. Pasmo środkowe jest wynikowe.

Montaż i uruchomienie

Układ zwrotnicy zmontowano na dwustronnej płytce drukowanej. Rozmieszczenie elementów przedstawia rysunek 3. Montaż nie wymaga opisywania. W zwrotnicy należy stosować niskoszumne, podwójne wzmacniacze operacyjne, bezwzględnie stabilne przy zamkniętej pętli, o wysokim SR i dużej wydajności prądowej (minimalnie 20 mA). W prototypie zastosowano układy LM4562.

Rysunek 3. Schemat montażowy aktywnej zwrotnicy 3-drożnej

Zwrotnica powinna być zasilana napięciem symetrycznym, stałym, doprowadzonym do złącza PWR, najlepiej z przedziału ±12…15 V(minimalna obciążalność zasilacza to 100 mA), dla zapewnienia odpowiedniego zapasu na przesterowanie. Zasilacz można oprzeć o układy LM7815/LM7915 lub LM317/LM337.

Uruchomienie sprowadza się do kontroli poprawności zasilania. Warto dołączyć wejście zwrotnicy do generatora akustycznego, a wyjścia filtrów do wejść oscyloskopu lub woltomierza m.cz. Po doprowadzeniu do wejścia zwrotnicy przebiegu sinusoidalnego o regulowanej częstotliwości i amplitudzie, możemy ocenić poprawność i zakres regulacji wzmocnienia (czułości). Jeżeli posiadamy miernik częstotliwości lub oscyloskop z analizatorem widmowym sygnału, możemy określić dokładnie częstotliwość podziału zwrotnicy. Przestrajając generator od 20 Hz do 20 kHz możemy sprawdzić działanie poszczególnych wyjść.

Rysunek 4. Przykładowe charakterystyki zwrotnicy

Przykładową charakterystykę przenoszenia modelu pokazano na rysunku 4.

Adam Tatuś, EP

Wykaz elementów:
Rezystory: (SMD 1206, 1%)
  • R1: 47 kΩ
  • R2, R3, R7…R9, R12…R14: 10 kΩ
  • R4…R6: 68 kΩ
  • R10, R11: 2 kΩ
  • RA, RB: 1 kΩ* (dobrać)
  • GAIN: 25 kΩ/B (PTD90, potencjometr 9 mm)
Kondensatory:
  • C1, C8: 4,7 µF (foliowy R=5 mm)
  • C2, C3: 47 pF (SMD 1206)
  • C4, C5: 220 nF (foliowy R=5 mm)
  • C6, C7, C9, C10, C12, C13: 100 nF (SMD 0805)
  • C11: 4,7 nF (foliowy R=5 mm)
  • C14: 68 nF (foliowy R=5 mm)
  • CE1…CE5: 47 µF (elektrolit. FC 2,5 mm)
Półprzewodniki:
  • U1…U3: LM4562 (DIP-8)
Pozostałe:
  • FH, FL, LC: złącze SIP3
  • IN, OUT: złącze śrubowe R=3,5 mm DG381-3.5-2
  • PWR, OUT: złącze śrubowe R=3,5 mm DG381-3.5-3
Artykuł ukazał się w
Elektronika Praktyczna
grudzień 2016
DO POBRANIA
Pobierz PDF Download icon
Materiały dodatkowe
Elektronika Praktyczna Plus lipiec - grudzień 2012

Elektronika Praktyczna Plus

Monograficzne wydania specjalne

Elektronik listopad 2025

Elektronik

Magazyn elektroniki profesjonalnej

Raspberry Pi 2015

Raspberry Pi

Wykorzystaj wszystkie możliwości wyjątkowego minikomputera

Świat Radio listopad - grudzień 2025

Świat Radio

Magazyn krótkofalowców i amatorów CB

Automatyka, Podzespoły, Aplikacje listopad - grudzień 2025

Automatyka, Podzespoły, Aplikacje

Technika i rynek systemów automatyki

Elektronika Praktyczna listopad 2025

Elektronika Praktyczna

Międzynarodowy magazyn elektroników konstruktorów

Elektronika dla Wszystkich grudzień 2025

Elektronika dla Wszystkich

Interesująca elektronika dla pasjonatów