Uniwersalny regulator mocy

Uniwersalny regulator mocy
Pobierz PDF Download icon

Zwykle regulatory mocy są dostosowane do konkretnego rodzaju sterowanych odbiorników. Ich użycie w inny sposób powoduje rożne niepożądane zjawiska: generowanie męczącego „buczenia”, migotanie, zakłócenia. Prezentowany regulator daje możliwość wyboru metody regulacji, dlatego znajdzie wiele różnych zastosowań, a dzięki przyjaznemu interfejsowi pozwala na precyzyjnie ustawienie parametrów pracy – optymalnych dla danego odbiornika. Rekomendacje: regulator przyda się do zasilania urządzeń grzejnych i/lub chłodzących.

Podstawowe parametry:
  • Regulacja mocy urządzeń zasilanych napięciem 230 V AC.
  • Maksymalna moc dołączonego urządzenia: 1000 W.
  • Trzy metody regulacji: fazowa, grupowa i grupowa 10-stopniowa.
  • Parametry pracy pokazywane na wyświetlaczu LCD.
  • Obsługa menu użytkownika za pomocą impulsatora.
  • Funkcja szybkiego załączenia/wyłączenia.
  • Zapamiętywanie ustawień.
  • Zasilanie 230 V AC.
  • Wymiary 100 mm×80 mm×50 mm.

Elektroniczne regulatory mocy urządzeń zasilanych napięciem przemiennym 230 V AC najczęściej używają jednej z dwóch metod regulacji: fazowej lub grupowej. Każda z nich ma wady i zalety, każda też nadaje się dla odbiorników mających różnych charakter.

Fazowa regulacja mocy.

Typowa, stosowana w Europie sieć energetyczna 230 V AC dostarcza napięcie przemienne o kształcie sinusoidalnym. W uproszczeniu, regulacja fazowa polega na zasilaniu odbiornika nie całym przebiegiem sinusoidalnym, ale jego częścią. Przebiegi na wejściu regulatora i wyjściu, dla różnych ustawień mocy, pokazano na rysunku 1.

Rysunek 1. Zasada działania regulacji fazowej

Zaletą metody fazowej jest ciągły sposób pracy – w każdym okresie przebiegu napięcia zasilającego część energii jest przekazywana do odbiornika, więc np. przy zasilaniu żarówki nie występuje efekt migotania (może ono być widoczne tylko przy zasilaniu żarówek o najmniejszej mocy). Wadą tej metody jest powstawanie silnych zaburzeń elektromagnetycznych, co powoduje konieczność stosowania dodatkowych elementów przeciwzakłóceniowych – dużych dławików. Mimo tego, jeśli filtr został wykonany niewłaściwie, zasilane urządzenia mogą wydawać dźwięki przypominające buczenie lub brzęczenie. Ponadto, przewody połączeniowe powinny być jak najkrótsze.

Ta metoda jest odpowiednia do regulacji mocy m.in. silników komutatorowych i żarówek. Jest również możliwe regulowanie mocy transformatora, a więc i mocy prądu płynącego w uzwojeniu wtórnym, jednak dotyczy to tylko transformatorów o małej mocy wynoszącej maksymalnie 100 W.

Regulacja grupowa

W tej metodzie energia do odbiornika jest dostarczana z przerwami. Czasy załączenia i przerwy są zmieniane w zależności od tego, jaka ma być moc wyjściowa. Im dłuższe załączenie i krótszy czas przerwy, tym większa moc dostarczona do odbiornika. Ta metoda regulacji znalazła zastosowanie przy budowie zwykłego regulatora temperatury opartego o bimetal. Przebiegi na wejściu regulatora i wyjściu, dla różnych ustawień mocy, przedstawia rysunek 2.

Rysunek 2. Zasada działania regulacji grupowej

Punkty załączenia i wyłączenia mają ściśle wyznaczone położenie w czasie, są zsynchronizowane z przebiegiem zasilającym, aby przepuszczać tylko pełne okresy przebiegu. Dzięki temu metoda regulacji grupowej nie powoduje powstawania zaburzeń, co jest dużą zaletą w porównaniu z regulacją fazową.

Wadą jest nieciągły sposób pracy. Metoda grupowa jest odpowiednia do załączania różnych elementów grzejnych lub chłodzących. Dobrze sprawdza zwłaszcza przy współpracy z wentylatorami i grzałkami rezystancyjnymi – bezwładność wirnika wentylatora lub grzałki powodują, że przerwy w zasilaniu są niezauważalne.

Prezentowane urządzenie może pracować wykorzystując jedną z opisanych metod: fazową, grupową oraz grupową10. Metoda grupowa10 różni się od grupowej „normalnej” tym, że jeden pełny cykl, czyli czas załączenia i przerwy, zawiera się w 10 okresach przebiegu zasilającego. W metodzie grupowej typowo jest to 100 okresów, dzięki czemu jest możliwa dokładniejsza regulacja (ze skokiem 1%), ale powoduje długie przerwy w napięciu wyjściowym. Metoda grupowa10 umożliwia regulację ze skokiem 10%, ale za to przerwy są niewielkie, co umożliwia zasilanie m.in. wentylatorów.

Obsługa

Interfejs użytkownika tworzą: wyświetlacz, impulsator z przyciskiem oraz przycisk. Na wyświetlaczu prezentowane są informacje o poziomie regulacji, w zakresie 0...100% oraz o wybranej metodzie regulacji Fazowa / Grupowa / Grup10. Jeśli jest aktywne wyjście układu, to zamiast metody regulacji jest wyświetlane migające ostrzeżenie AKTYWNY.

Pokrętło impulsatora służy do ustawiania poziomu regulacji. Wciśnięcie pokrętła powoduje zmianę metody regulacji. Zmiana możliwa jest tylko przy wyłączonym wyjściu. Do załączania i wyłączania wyjścia służy przycisk pod impulsatorem. Dłuższe przytrzymanie przycisku powoduje zapamiętanie ustawień. Od tego momentu, przy każdym uruchomieniu urządzenia rozpocznie ono pracę z tymi ustawieniami. Funkcje i rozmieszczenie elementów panelu przedstawia rysunek 3.

Rysunek 3. Opis elementów panelu przedniego

Budowa

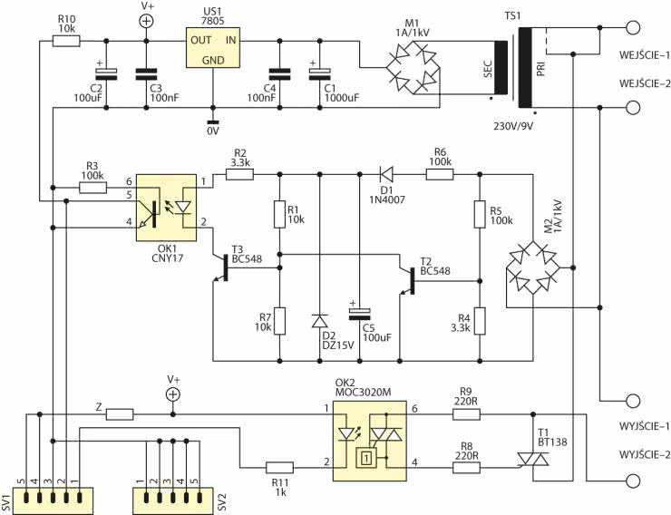
Regulator podzielono na dwie części: wykonawczą i sterującą, których schematy pokazano na rysunkach 4 i 5. W części wykonawczej znajduje się blok zasilania zawierający transformator TS1, mostek prostowniczy M1, stabilizator US1 oraz elementy bierne, wytwarzający stabilizowane napięcie 5 V. Część wykonawcza zawiera blok detekcji przejścia fazy napięcia sieciowego przez zero. Składają się na niego elementy mostek M2, tranzystory T2 i T3, transoptor OK1 oraz elementy bierne. Na jego wyjściu są otrzymywane szpilki powstające w momencie przejścia fazy napięcia przez zero. Ostatnim blokiem części wykonawczej jest obwód sterujący wyjściem urządzenia – triak T1 i optotriak OK2.

Rysunek 4. Schemat części wykonawczej
Rysunek 5. Schemat części sterującej

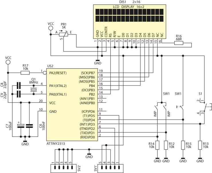
Blok sterujący zawiera przede wszystkim elementy interfejsu użytkownika, czyli: wyświetlacz LCD, impulsator, przycisk oraz kilka niezbędnych elementów biernych. Głównym elementem bloku sterującego jest mikrokontroler US2, ale najważniejszego elementu urządzenia nie widać na schemacie – jest nim program sterujący zawarty w pamięci mikrokontrolera.

Montaż i uruchomienie

Urządzenie zostało zaprojektowane dla elementów przewlekanych, więc montaż nie powinien sprawić trudności. Należy jedynie zwrócić uwagę na poprawną polaryzację elementów półprzewodnikowych, zwłaszcza mostków prostowniczych M1 i M2 oraz elementów optoelektonicznych OK1 i OK2. W urządzeniu będą występowały napięcia niebezpieczne dla życia i zdrowia, dlatego zanim zostanie dołączone zasilanie musimy mieć pewność, że montaż został wykonany prawidłowo. Schematy montażowe obu płytek pokazano na rysunku 6. W montażu przyda się też fotografia 7.

Rysunek 6. Schematy montażowe płytek sterującej i wykonawczej
Fotografia 7. Zmontowany regulator

Elementy panelu sterującego należy zamontować nie po stronie elementów, ale po stronie lutowania. Wyświetlacz zasłoni wtedy większość punktów lutowniczych, więc montujemy go na samym końcu. Płytki muszą być połączone ze sobą poprzez złącza SV1 oraz SV2. Połączenie można wykonać za pomocą złącz goldpin kątowy – gniazdo goldpin, jak w prototypie. Połączenie można tez wykonać przewodami. Ułatwi to montaż w obudowie, jednak przewody nie powinny być dłuższe niż 10 centymetrów. Po zmontowaniu należy ustawić kontrast wyświetlacza potencjometrem PR1.

Ze względu na obecność na płytce regulatora niebezpiecznego napięcia, warto przygotować obudowę dla urządzenia. Musi to być obudowa z tworzywa i z otworami wentylacyjnymi – może to być np. obudowa typu Z3W. Jeśli przewidujemy długotrwałą pracę urządzenia z dużym obciążeniem, warto element T1 (triak) wyposażyć w większy radiator. Do złącza oznaczonego WEJŚCIE należy doprowadzić zasilanie 230 V AC, natomiast do złącza WYJŚCIE należy dołączyć odbiornik, którego moc będziemy regulowali.

KS

Wykaz elementów:
Rezystory:
  • R1, R7, R10, R12…R15, R17: 10 kΩ
  • R2: 3,3 kΩ
  • R3: 100 kΩ
  • R4: 3,3 kΩ/1 W
  • R5: 100 kΩ/1 W
  • R6: 100 kΩ/1 W
  • R8, R9: 220 Ω
  • R11: 1 kΩ
  • R16: 68 Ω
  • PR1: 5 kΩ (potencjometr)
Kondensatory:
  • C1: 1000 µF/25 V
  • C2, C5, C7: 100 µF/25 V
  • C3, C4, C6: 100 nF
  • C8, C9: 22 pF
Półprzewodniki:
  • M1, M2: mostek prostowniczy 1 A/1000 V
  • D1: 1N4007
  • D2: dioda Zenera 15 V
  • T1: BT139
  • T2, T3: BC548
  • US1: 7805
  • US2: ATtiny2313 (zaprogramowany)
  • OK1: CNY17
  • OK2: MOC3022
Pozostałe:
  • DIS1: wyświetlacz LCD 1×16
  • Q1: 8 MHz (rezonator kwarcowy)
  • IMP: Impulsator z przyciskiem + gałka
  • S1: mikroprzycisk
  • Z: zwora
  • SV1, SV2: goldpin kątowy + gniazdo goldpin 1×5
  • WEJ, WYJ: złącze śrubowe DG301/5-2
  • TS1: transformator230 V/8…10 V AC, 2…3 VA
  • Radiator
Artykuł ukazał się w
Elektronika Praktyczna
grudzień 2016
DO POBRANIA
Pobierz PDF Download icon
Materiały dodatkowe
Elektronika Praktyczna Plus lipiec - grudzień 2012

Elektronika Praktyczna Plus

Monograficzne wydania specjalne

Elektronik listopad 2025

Elektronik

Magazyn elektroniki profesjonalnej

Raspberry Pi 2015

Raspberry Pi

Wykorzystaj wszystkie możliwości wyjątkowego minikomputera

Świat Radio listopad - grudzień 2025

Świat Radio

Magazyn krótkofalowców i amatorów CB

Automatyka, Podzespoły, Aplikacje listopad - grudzień 2025

Automatyka, Podzespoły, Aplikacje

Technika i rynek systemów automatyki

Elektronika Praktyczna listopad 2025

Elektronika Praktyczna

Międzynarodowy magazyn elektroników konstruktorów

Elektronika dla Wszystkich grudzień 2025

Elektronika dla Wszystkich

Interesująca elektronika dla pasjonatów