Sterownik naświetlarki UV

Sterownik naświetlarki UV
Pobierz PDF Download icon

Do wytwarzania płytek drukowanych metodą „domową” zaczęliśmy używać zaawansowanych metod fotochemicznych dających doskonały efekt, a przy tym łatwych w użyciu. Dla potrzeb tej metody opracowano timer sterujący naświetlarką UV, który załącza jej zasilanie przez zaprogramowany czas, a po otwarciu obudowy automatycznie przełącza się na bezpieczne światło czerwone (niereagujące z lakierami UV).

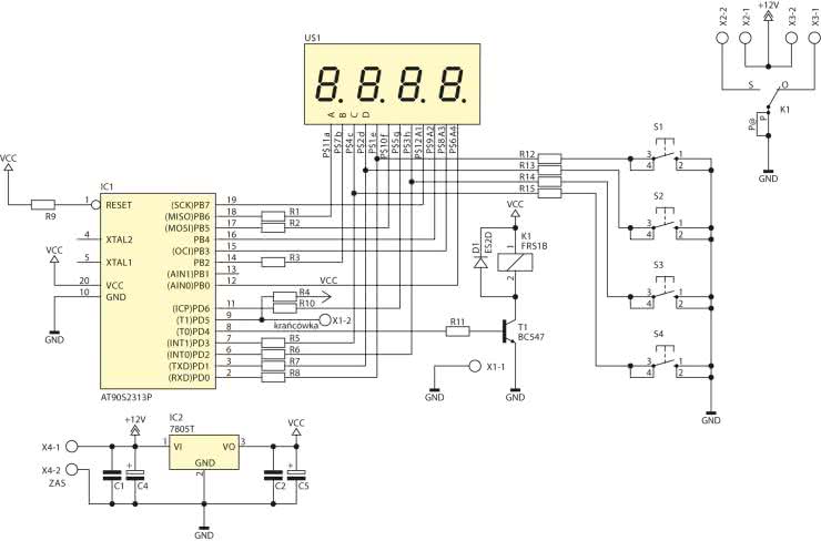
Schemat ideowy timera pokazano na rysunku 1. Sercem urządzenia jest mikrokontroler ATtiny2313 pracujący z taktowaniem za pomocą wewnętrznego oscylatora RC. Do taktowania rdzenia wybrano częstotliwość 4 MHz.

Rysunek 1. Schemat ideowy timera

Aktualnie nastawy czasu wyświetlane są na 4-cyfrowym wyświetlaczu LED i można je ustawić za pomocą przycisków „+10sek”, „–10sek”, „START”. Dodatkowo, w pamięci mikrokontrolera zawarto kilka predefiniowanych, typowych nastaw czasu.

Timer ma 2 wyjścia do zasilania diod LED UV oraz czerwonych, które służą do odświetlenia płytki w celu dokładnego ustawienia szablonu na płytce. Efekty naświetlania w dużej mierze zależą od jakości i liczby zastosowanych diod UV. W urządzeniu jest także wyłącznik krańcowy ze stykiem normalnie zamkniętym – służy on do zatrzymania timera po otwarciu obudowy naświetlarki oraz załączenia czerwonych diod LED. Po zamknięciu obudowy i ponownym wciśnięciu przycisku „START” układ ponownie zaczyna odliczanie od momentu jego przerwania.

Schemat montażowy timera zamieszczono na rysunku 2. Montaż należy zacząć od wlutowania złącza zasilania, kondensatorów oraz stabilizatora (7805). Po zamontowaniu tych elementów należy dostarczyć do układu napięcia stałe +12 V i zmierzyć napięcie zasilania mikrokontrolera pomiędzy nóżkami 10 i 20.

Rysunek 2. Schemat montażowy timera

Następnie montujemy rezystory oraz wyświetlacz.

Rysunek 3. Ustawienie bitów konfiguracyjnych mikrokontrolera

Prawidłowo zmontowany timer (z użyciem zaprogramowanego mikrokontrolera) powinien działać już po włączeniu zasilania. Fusebity ustawiamy jak na rysunku 3.

Adrian Wypenda

Wykaz elementów:
Rezystory:
  • R1…R8: 680 Ω
  • R9…R11: 4,7 kΩ
  • R12…R15: 10 kΩ
Kondensatory:
  • C1, C2: 100 nF
  • C4, C5: 100 µF/16 V
Półprzewodniki:
  • IC1: ATtiny2313
  • IC2: LM7805
  • T1: BC547
  • D1: 1N4007
Pozostałe:
  • S1…S4: przyciski do druku
  • K1: przekaźnik
  • X1…X4: ARK2
Artykuł ukazał się w
Elektronika Praktyczna
grudzień 2016
DO POBRANIA
Pobierz PDF Download icon
Materiały dodatkowe
Elektronika Praktyczna Plus lipiec - grudzień 2012

Elektronika Praktyczna Plus

Monograficzne wydania specjalne

Elektronik listopad 2025

Elektronik

Magazyn elektroniki profesjonalnej

Raspberry Pi 2015

Raspberry Pi

Wykorzystaj wszystkie możliwości wyjątkowego minikomputera

Świat Radio listopad - grudzień 2025

Świat Radio

Magazyn krótkofalowców i amatorów CB

Automatyka, Podzespoły, Aplikacje listopad - grudzień 2025

Automatyka, Podzespoły, Aplikacje

Technika i rynek systemów automatyki

Elektronika Praktyczna listopad 2025

Elektronika Praktyczna

Międzynarodowy magazyn elektroników konstruktorów

Elektronika dla Wszystkich grudzień 2025

Elektronika dla Wszystkich

Interesująca elektronika dla pasjonatów