Dwustanowy sterownik elektrozaworu DC

Dwustanowy sterownik elektrozaworu DC

Zaworami (najczęściej kulowymi) ze zintegrowanym silnikiem prądu stałego można sterować poprzez załączanie jednego z ich wejść: podanie zasilania na jeden przewód otwiera zawór, zaś na drugi – zamyka. Prezentowany układ może przełączać zasilanie w taki sposób na zadany czas, przy czym na wejście kontrolera wystarczy w tym celu podłączyć zwykły przełącznik ON/OFF.

Podstawowe parametry:
  • załączanie jednego z dwóch uzwojeń silnika DC elektrozaworu,
  • regulowany czas załączenia dla każdego stanu (otwierania i zamykania) oddzielnie w zakresie 60 ms…1 min,
  • wejście: zwykły przełącznik bistabilny ON/OFF,
  • dwa wyjścia o obciążalności do 4 A,
  • zasilanie napięciem stałym 12 V (lub 24 V po modyfikacji – opis w tekście),
  • pobór prądu około 10 mA w stanie spoczynku i około 40 mA po załączeniu przekaźnika (przy napięciu 12 V).

Elektromagnetyczny zawór do cieczy lub gazów bardzo łatwo daje się sterować zwykłym przełącznikiem: załączenie zasilania cewki ustawia zawór w jednej pozycji, wyłączenie zasilania prowadzi do (prawie) natychmiastowej zmiany tegoż stanu na przeciwny. W przypadku zaworu sterowanego silnikiem nie jest już tak łatwo. Jeżeli ma on wbudowane wyłączniki krańcowe, można załączyć jedno z uzwojeń i w tym stanie zostawić je nawet na bardzo, bardzo długo – silnik wyłączy się sam.

Inaczej ma się sprawa, jeżeli wyłączników krańcowych nie ma, bądź im nie ufamy. Wtedy trzeba zasilanie silnika odłączyć po pewnym czasie pracy, aby nie doszło do przegrzania tego istotnego podzespołu. Kto będzie stał kilkadziesiąt sekund i czekał tylko po to, by ponownie przełączyć styki? Lepiej niech robi to za nas elektronika!

Budowa

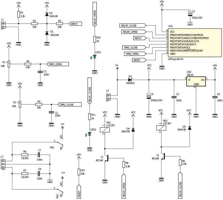
Schemat ideowy omawianego układu znajduje się na rysunku 1. Przełącznik, który będzie sterował pracą zaworu, podłącza się do zacisków złącza J1. Rezystor R1 wymusza wysoki potencjał (około 5 V) na jego stykach w stanie rozwarcia. Rezystor R2 redukuje prąd diod zabezpieczających D1 i D2, które ograniczają wartość napięcia wejściowego, jeżeli w przewodach między przełącznikiem a zaciskami złącza J1 zaindukowałoby się napięcie wyższe niż 5 V lub niższe od potencjału masy układu. Rezystor R3 pełni analogiczną rolę co R2, ale dla diod znajdujących się na wejściu mikrokontrolera – gdyby okazało się, że D1 i D2 mają zbyt wysokie napięcie przewodzenia lub zadziałały zbyt wolno. Ponadto rezystory te, wraz z pojemnościami istniejącymi w układzie, zwiększają czas narastania napięcia, co ma pewne znaczenie przy tłumieniu wyładowań elektrostatycznych, aby dać czas na reakcję diodom półprzewodnikowym.

Rysunek 1. Schemat ideowy dwustanowego sterownika elektrozaworu DC

Czas działania siłownika jest ustalany potencjometrami P1 i P2, włączonymi jako regulowane dzielniki napięcia 5 V. To samo napięcie służy jednocześnie jako odniesienie dla przetwornika analogowo/cyfrowego mikrokontrolera US1. Dzięki temu położenie ślizgacza potencjometrów będzie prawidłowo odczytane niezależnie od aktualnej wartości napięcia zasilającego układ. Proste, dolnoprzepustowe filtry RC (R4 i C1, R5 i C2) zawężają pasmo szumowe, przez co wygładzają napięcie trafiające na wejście przetwornika analogowo/cyfrowego.

Wyjściem układu są styki dwóch przekaźników, PK1 i PK2, które podają na jeden ze skrajnych zacisków złącza J3 napięcie zasilające układ. Obwody tłumiące RC (33 Ω i 100 nF) zmniejszają iskrzenie styków podczas przełączania, co wydłuża ich żywotność oraz zmniejsza poziom emitowanych zakłóceń elektromagnetycznych.

Działanie danego przekaźnika jest sygnalizowane świeceniem przypisanej do niego diody: LED1 lub LED2. Cewki przekaźników są sterowane przez klucze nasycone na tranzystorach NPN, toteż nie ma większego znaczenia wartość napięcia zasilającego układ – w prototypie użyto przekaźników z cewkami na napięcie 12 V, lecz mogą to równie dobrze być podzespoły przystosowane do napięcia 24 V.

Wspomniany już mikrokontroler ATtiny13A-PU steruje pracą całego układu oraz jest odpowiedzialny za odmierzanie czasu. Podczas projektowania tego układu przyjęto, że czas działania silnika elektrozaworu nie jest wartością krytyczną, toteż jego rdzeń jest taktowany wbudowanym generatorem RC, którego częstotliwość ma kilkuprocentową tolerancję.

US1 do poprawnego działania wymaga napięcia stałego o dobrze ustalonej wartości, na przykład 5 V. Zapewnia je niewielki stabilizator liniowy US2 typu 78L05. Pobór prądu przez opisywany układ jest na tyle niski, że z chłodzeniem stabilizatora nie będzie problemów w pełnym zakresie dopuszczalnego napięcia wejściowego. Dioda D3 chroni układ przed zniszczeniem w razie omyłkowej zamiany biegunowości zasilania, które należy podłączyć do zacisków złącza J2. Wysoką pojemność zastosowanego kondensatora C4 tłumaczy konieczność podtrzymania napięcia zasilającego mikrokontroler w momencie startu silnika elektrozaworu, gdyby zasilacz przewidziany do tego układu miał wysoką rezystancję wewnętrzną.

Montaż i uruchomienie

Układ został zmontowany na jednostronnej płytce drukowanej o wymiarach 60 mm × 60 mm. Jej wzór ścieżek oraz schemat montażowy pokazuje rysunek 2. W odległości 3 mm od krawędzi płytki znalazły się cztery otwory montażowe, każdy o średnicy 3,2 mm.

Rysunek 2. Schemat montażowy i wzór ścieżek płytki

Montaż proponuję rozpocząć od elementów o najmniejszej wysokości obudowy, czyli rezystorów i diod półprzewodnikowych. Pod mikrokontroler US1 proponuję zastosować podstawkę, aby ułatwić jego programowanie oraz wymianę w razie uszkodzenia. Zmontowany układ można zobaczyć na fotografii 1.

Fotografia 1. Szczegółowy widok zmontowanego układu

Na etapie uruchamiania jest konieczne zaprogramowanie pamięci Flash mikrokontrolera dostarczonym wsadem oraz zmiana jego bitów zabezpieczających. Oto ich nowe wartości:

Low Fuse = 0x7A
High Fuse = 0xF9

Szczegóły są widoczne na rysunku 3, który zawiera widok okna konfiguracji tychże bitów z programu BitBurner. W ten sposób zostanie wyłączony preskaler sygnału zegarowego oraz włączy się Brown-Out Detector, który wprowadzi mikrokontroler w stan resetu, jeżeli jego napięcie zasilające spadnie poniżej 4,3 V, co znacznie zmniejsza ryzyko zawieszenia się układu podczas uruchamiania.

Rysunek 3. Szczegóły ustawienia bitów zabezpieczających

Napięcie zasilające powinno mieścić się w granicach 9…35 V. Obie te granice wynikają z warunków prawidłowej pracy stabilizatora 78L05. Jeżeli silnik elektrozaworu jest przystosowany do napięcia 12 V, należy wlutować przekaźniki z cewkami 12 V i zasilać układ takim właśnie napięciem. W przypadku, kiedy elektrozawór został wyposażony w silnik 24 V, polecam użycie przekaźników z cewką na wyższe napięcie (np. JQC3FF/241ZS z oferty sklepu AVT) oraz odpowiedniego zasilacza.

Pobór prądu układu wynosi około 10 mA w stanie spoczynku (niezależnie od napięcia zasilającego) i wzrasta do około 40 mA po załączeniu jednego z przekaźników (przy napięciu 12 V). Maksymalny prąd, jaki może płynąć przez silnik elektrozaworu, wynosi 4 A i jest zdeterminowany przez szerokość ścieżek na płytce drukowanej.

Poprawnie zaprogramowany układ jest gotowy do działania po podłączeniu zasilania do zacisków złącza J2. Skręcenie ślizgacza potencjometru P1 lub P2 w lewo oznacza skrócenie czasu działania danego uzwojenia elektrozaworu, zaś w prawo oznacza jego zwiększenie.

Minimalny czas załączenia to około 60 ms, zaś maksymalny to około 60 s – typowe elektrozawory wykonują pełny ruch w czasie rzędu 15…20 s, więc taki zakres regulacji jest całkowicie wystarczający w większości przypadków.

Zwarcie zacisków złącza J1 oznacza otwarcie elektrozaworu (działa wyjście OPEN przez czas ustalony potencjometrem P1), zaś ich rozwarcie wiąże się z zadziałaniem wyjścia CLOSE, którego czas załączenia ustala potencjometr P2. Jeżeli stan zacisków złącza J1 ulegnie zmianie w trakcie działania jednego z wyjść, układ nie przerwie pracy – dane wyjście będzie pracowało przez cały zadany czas, po czym oba przekaźniki na chwilę wyłączą się i znacznie pracować drugi napęd (o ile ów stan zacisków utrzyma się). Po załączeniu zasilania układu zawsze zostanie włączone jedno z wyjść (zamykające lub otwierające zawór), zależnie od stanu zacisków złącza J1.

Michał Kurzela, EP

Wykaz elementów:
Rezystory: (THT o mocy 0,25 W jeżeli nie napisano inaczej)
  • R1, R8, R9: 3,3 kΩ
  • R2…R5, R12: 10 kΩ
  • R6, R7: 33 Ω 2 W
  • R10, R11: 1 kΩ
  • P1, P2: 10 kΩ montażowe, leżące
Kondensatory:
  • C1, C2, C5…C8: 100 nF raster 5 mm MKT
  • C3: 100 μF 16 V raster 2,5 mm
  • C4: 1000 μF 35 V raster 5 mm
Półprzewodniki:
  • D1, D2, D4, D5: 1N4148
  • D3: 1N5819
  • LED1, LED2: 5 mm zielona matowa
  • T1, T2: BC546
  • US1: ATtiny13A-PU (DIP8)
  • US2: 78L05 (TO92)
Pozostałe:
  • J1, J2: ARK2/500
  • J3: ARK3/500
  • PK1, PK2: JQC3FF/121ZS (opis w tekście)
  • Jedna podstawka DIP8
Elektronika Praktyczna Plus lipiec - grudzień 2012

Elektronika Praktyczna Plus

Monograficzne wydania specjalne

Elektronik luty 2026

Elektronik

Magazyn elektroniki profesjonalnej

Raspberry Pi 2015

Raspberry Pi

Wykorzystaj wszystkie możliwości wyjątkowego minikomputera

Świat Radio marzec - kwiecień 2026

Świat Radio

Magazyn krótkofalowców i amatorów CB

Automatyka, Podzespoły, Aplikacje styczeń - luty 2026

Automatyka, Podzespoły, Aplikacje

Technika i rynek systemów automatyki

Elektronika Praktyczna styczeń - luty 2026

Elektronika Praktyczna

Międzynarodowy magazyn elektroników konstruktorów

Elektronika dla Wszystkich marzec 2026

Elektronika dla Wszystkich

Interesująca elektronika dla pasjonatów