Zaawansowany, funkcjonalny termostat

Zaawansowany, funkcjonalny termostat
Pobierz PDF Download icon

Optymalne ustawienie termostatu polega na uzyskaniu kompromisu pomiędzy jak najmniejszą amplitudą zmian temperatury i jak najmniejszą częstotliwością włączania urządzenia, którym steruje termostat. Dlatego zwykle określonej temperaturze towarzyszy zakres dopuszczalnych zmian temperatury nazywany histerezą. Można też po prostu określić temperatury graniczne: minimalną i maksymalną. Prezentowany termostat pozwala na ustawienie parametrów pracy z użyciem obu sposobów. Rekomendacje: termostat konstrukcyjnie nie odbiega od podobnych urządzeń, ale daje większe możliwości konfiguracji i w przejrzysty sposób prezentuje parametry pracy.

Podstawowe parametry:
  • Zakres pomiaru i ustawiania temperatury –55…+125 stopni, ze skokiem 0,1.
  • Dwa tryby ustawiania parametrów: „histereza” lub „góra/dół”.
  • Dwa tryby pracy: dla urządzenia grzejącego lub chłodzącego.
  • Funkcja sterowania ręcznego.
  • Parametry pokazywane na wyświetlaczu LCD.
  • Stan pracy sygnalizowany za pomocą LED.
  • Wyjście przekaźnikowe o obciążalności 8 A/230 V AC.
  • Zasilanie 9…14 V DC/0,2 A.
  • Wymiary 39 mm×118 mm×30 mm.

Sposób funkcjonowania termostatu pokazano na rysunku 1.

Rysunek 1. Porównanie obu sposobów ustawiania parametrów

Wybór trybu ustawiania parametrów jest wykonywany za pomocą zworek zakładanych na złącze JP1. Wygląd ekranu głównego będzie nieznacznie różnił się w zależności od wybranego trybu. Wygląd obu wersji oraz opis znaczenia wyświetlanych parametrów pokazano na rysunku 2.

Rysunek 2. Wygląd ekranów głównych i znaczenie wyświetlanych parametrów

Wyjście urządzenia zostanie załączone, jeśli temperatura zmierzona będzie mniejsza od dolnej wartości, to jest temperatury zadanej pomniejszonej o połowę szerokości pętli histerezy lub ustawionego, dolnego progu. Natomiast wyjście zostanie wyłączone, jeśli temperatura zmierzona przekroczy temperaturę zadaną powiększoną o połowę pętli histerezy lub ustawiony górny próg. Taki tryb pracy przyda się przy sterowaniu ogrzewaniem. Tryb pracy można zmienić, aby przystosować termostat do sterowania urządzeniem chłodzącym. W tym trybie wyjście jest załączane odwrotnie niż przy sterowaniu grzałką.

Aktualne ustawienie jest pokazywane na ekranie głównym w postaci animacji – strzałek, które przesuwają się w górę w trybie pracy przy sterowaniu ogrzewaniem lub przesuwają się w dół przy sterowaniu chłodzeniem. Ilustruje to rysunek 3.

Rysunek 3. Rozmieszczenie i opis elementów istotnych przy obsłudze termostatu

Dodatkowo, termostat pozwala na szybkie wyłączenie działania automatycznego i pracę w trybie ręcznym. Wtedy wyjście jest załączane i wyłączane przez użytkownika.

Obsługa

Do obsługi urządzenia służą cztery przyciski oznaczone MENU, PLUS, MINUS i MANUAL. Przycisk MENU powoduje wejście do trybu edycji parametrów. Po jego naciśnięciu zostanie wyświetlony komunikat „Ustaw” oraz zostanie wskazany edytowany parametr. Przyciskami PLUS i MINUS można zwiększyć lub zmniejszyć wartość parametru, a przyciskiem MENU przejść do kolejnego parametru lub na koniec powrócić do ekranu głównego. Przytrzymanie przycisku MANUAL przez ok. 2 sekundy powoduje rozpoczęcie pracy w trybie sterowania ręcznego. Na ekranie, poniżej zmierzonej temperatury będzie wyświetlony komunikat „Ster. manualne”, wtedy każde krótkie przyciśniecie przycisku powoduje zmianę stanu wyjścia, niezależnie od temperatury. Ponowne przytrzymanie przycisku MANUAL wyłącza sterowanie ręczne i powoduje powrót do trybu pracy automatycznej.

Stan urządzenia jest dodatkowo sygnalizowany za pomocą trzech diod LED. Dioda LED_POW sygnalizuje gotowość do pracy, LED_MAN świeci, jeśli jest uruchomiony tryb sterowania ręcznego, a dioda LED_PK1 informuje o załączeniu wyjścia termostatu.

Wybór trybu ustawiania parametrów odbywa się za pomocą szpilek złącza JP1 umieszczonych na płytce. Założenie zwory na szpilki po lewej stronie ustawia tryb histerezy. Zwora po prawej stronie to tryb „góra/dół”. Wybór trybu odbywa się przy odłączonym zasilaniu urządzenia – po jego włączeniu rozpocznie ono pracę w wybranym trybie. Na płytce termostatu zamontowano również złącze JP2. Założenie zwory powoduje załączenie podświetlania wyświetlacza, wtedy treść jest czytelna nawet przy braku oświetlenia zewnętrznego, ale termostat wymaga większego prądu zasilającego.

Budowa

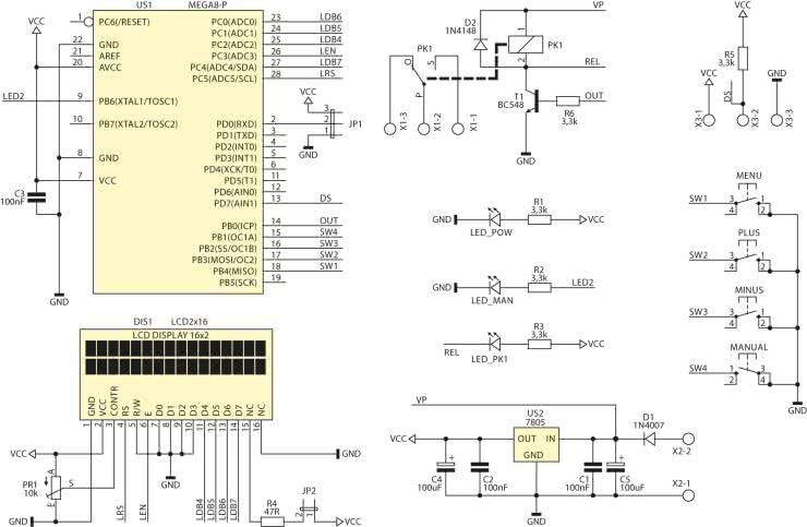
Schemat ideowy termostatu pokazano na rysunku 4. Jego pracą steruje mikrokontroler US1. Głównym zadaniem tego układu jest odczyt temperatury z czujnika DS18B20 dołączonego do złącza X3. Komunikacja odbywa się poprzez interfejs 1-Wire. Odczytywana temperatura jest porównywana z ustawionymi parametrami, a efektem jest sygnał sterujący wyjściem urządzenia. Elementem wykonawczym jest przekaźnik, sterowany z mikrokontrolera za pomocą tranzystora T1. Styki przekaźnika są wyprowadzone na złączu X1. Urządzenie wyjściowe można włączyć w obwód styków normalnie otwartych – wtedy załączenie przekaźnika spowoduje załączenie urządzenia.

Rysunek 4. Schemat ideowy zaawansowanego termostatu

Termostat wymaga zasilania napięciem stałym z przedziału 9…14 V doprowadzonym do złącza X2 z zachowaniem prawidłowej polaryzacji. Napięcie to zasila bezpośrednio tylko przekaźnik, a pozostałe elementy układu zasilane są napięciem 5 V dostarczanym przez stabilizator US2.

Montaż i uruchomienie

Schemat montażowy płytki drukowanej pokazano na rysunku 5.

Rysunek 5. Schemat montażowy zaawansowanego termostatu

Montaż nie powinien sprawić problemów. Ułatwieniem może być fotografia 6, na której pokazano zmontowaną płytkę bez wyświetlacza.

Fotografia 6. Widok zmontowanej płytki zaawansowanego termostatu

Kondensatory C4 i C5 należy zamontować w pozycji poziomej. W przeciwnym wypadku uniemożliwią zamontowanie wyświetlacza. Wyświetlacz należy zamontować poprzez złącze „goldpin – gniazdo goldpin”. Trzeba przy tym zapewnić możliwość wyjęcia wyświetlacza, ponieważ zasłania dostęp do komponentów na płytce.

Po zmontowaniu należy do odpowiednich zacisków dołączyć przewody zasilające np. z zasilacza, czujnik temperatury oraz ustawić potencjometr kontrastu na godzinę 5. Warto też od razu wybrać sposób ustawiania za pomocą szpilek JP1 oraz załączyć podświetlanie wyświetlacza – szpilki JP2. Dopiero wtedy można zamontować wyświetlacz i włączyć zasilanie.

Uruchomienie ogranicza się do ewentualnego skorygowania ustawienia kontrastu wyświetlacza. Gotowy układ można umieścić w obudowie Z52.

Rysunek 7. Rozmieszczenie i opis złączy zaawansowanego termostatu

Na rysunku 7 zaprezentowano opis złączy oraz przykładowe połączenie wyjścia z wentylatorem chłodzącym.

KS

Wykaz elementów:
Rezystory:
  • R1…R3, R5, R6: 3,3 kΩ
  • R4: 47 Ω
  • PR1: 10 kΩ
Kondensatory:
  • C1…C3: 100 nF
  • C4, C5: 100 µF/25 V
Półprzewodniki:
  • D1: 1N4007
  • D2: 1N4148
  • T1: BC548
  • LED_POW, MAN, PK1: dioda LED 3 mm
  • US1: ATmega8 (zaprogramowany)
  • US2: 7805
  • X3: DS18B20
Pozostałe:
  • DIS1: wyświetlacz LCD 2×16
  • PK1: JQC3FF 12 V
  • SW1…SW4: przycisk miniaturowy
  • X1: złącze DG301/5-2
  • X2: złącze DG301/5-3
  • X3: złącze DG381/3.5-3
  • JP1: goldpin kątowy 1×3 + zworka
  • JP2: goldpin prosty 1×2 + zworka
  • DIS1: goldpin + gniazdo goldpin 1×16
Artykuł ukazał się w
Elektronika Praktyczna
listopad 2016
DO POBRANIA
Pobierz PDF Download icon
Materiały dodatkowe
Elektronika Praktyczna Plus lipiec - grudzień 2012

Elektronika Praktyczna Plus

Monograficzne wydania specjalne

Elektronik listopad 2025

Elektronik

Magazyn elektroniki profesjonalnej

Raspberry Pi 2015

Raspberry Pi

Wykorzystaj wszystkie możliwości wyjątkowego minikomputera

Świat Radio listopad - grudzień 2025

Świat Radio

Magazyn krótkofalowców i amatorów CB

Automatyka, Podzespoły, Aplikacje listopad - grudzień 2025

Automatyka, Podzespoły, Aplikacje

Technika i rynek systemów automatyki

Elektronika Praktyczna listopad 2025

Elektronika Praktyczna

Międzynarodowy magazyn elektroników konstruktorów

Elektronika dla Wszystkich grudzień 2025

Elektronika dla Wszystkich

Interesująca elektronika dla pasjonatów