Przedwzmacniacz mikrofonowy o wysokiej jakości

Przedwzmacniacz mikrofonowy o wysokiej jakości
Pobierz PDF Download icon

Mimo popularności np. karaoke, rzadko kiedy przedwzmacniacz mikrofonowy jest wbudowany we współczesnym sprzęcie audio. Często, jeśli jest w niego wyposażona np. karta muzyczna komputera PC, to jest on przeznaczony do współpracy z tanimi mikrofonami pojemnościowymi. Niestety, zwykle parametry takiego wejścia odbiegają od oczekiwań oraz w większości wypadków uniemożliwiają zastosowanie mikrofonów z „górnej półki”. Ten problem rozwiązuje prezentowane urządzenie. Rekomendacje: dzięki zastosowaniu nowoczesnych elementów, niewielkim nakładem kosztów można uzyskać bardzo przyzwoity efekt i możliwość dołączenia mikrofonu do wejścia liniowego domowego toru audio lub komputera PC, co może przydać się przy realizacji nagrań lub w pomiarach akustyki pomieszczenia.

Podstawowe parametry:
  • Złożony z dwóch płytek: przedwzmacniacza i zasilacza.
  • Oparty o układ wzmacniacza SSM2019.
  • Wyposażony w skalę wykonaną z diod LED.
  • Wyjście napięcia zasilającego mikrofon +48 V.
  • Zasilany napięciem 230 V AC (wbudowane transformatory sieciowe).

Przedwzmacniacz zaprojektowano z przeznaczeniem do pracy stacjonarnej. Umożliwia przyłączenie mikrofonów dynamicznych o różnej czułości oraz pojemnościowych z wbudowanym przedwzmacniaczem, dostarczając napięcie ich zasilania w standardzie Phantom (+48 V). Dzięki regulowanemu wzmocnieniu (40, 50, 60 dB) możliwości odwrócenia fazy sygnału oraz podstawowej filtracji niskich częstotliwości, powinien sprawdzić się w wielu aplikacjach, a wbudowany wskaźnik poziomu sygnału ułatwi jego prawidłowe użytkowanie. Do bardziej wymagających aplikacji przewidziano możliwość zastosowania transformatora mikrofonowego.

Przedwzmacniacz składa się dwóch bloków funkcjonalnych:

  1. Płytki przedwzmacniacza mikrofonowego opartego o układ wzmacniacza różnicowego SSM2019 firmy Analog Devices.
  2. Płytki zasilacza dostarczającego napięcia symetrycznego do zasilania układu audio i napięcia +48 V do zasilania mikrofonów.

Schemat ideowy płytki przedwzmacniacza mikrofonowego pokazano na rysunku 1. Symetryczny sygnał wejściowy ze złącza MIC jest doprowadzony do przełącznika PH (PHase) umożliwiającego – w zależności od potrzeb – odwrócenie fazy wzmacnianego sygnału, a następnie przez kondensatory separujące CE2, CE3 i diody D1…D4 zabezpieczające wejścia wzmacniacza do układu U1 (SSM2019).

Rysunek 1. Schemat płytki przedwzmacniacza mikrofonowego

Układ U1 to wysokiej jakości układ wzmacniacza z wejściem różnicowym, przeznaczony do aplikacji audio. Charakteryzuje się niskim poziomem szumów, szerokim pasmem przenoszenia oraz możliwością ustalenia wzmocnienia poprzez dobór jednego rezystora dołączonego do wyprowadzeń RGx. W modelu wzmocnienie wybierane jest przełącznikiem GAIN, a ustalane za pomocą rezystorów R…R9 na około 40, 50 lub 60 dB.

Przedwzmacniacz ma tor zasilania Phantom +48 V konieczny do współpracy z mikrofonami z wbudowanym przedwzmacniaczem. Napięcie jest załączane przełącznikiem PHV (Phantom Voltage). Obecność zasilania sygnalizuje dioda V48. Kondensator CE1 filtruje zasilanie, a poprzez rezystory R1 i R2 są zasilane linie sygnałowe. W podstawowej konfiguracji bez transformatora mikrofonowego na płytce przewidziano zwory Z1 i Z2, które powinny być zwarte, a sygnał z mikrofonu doprowadzony do IN– (1), IN+ (3), GND (5).

Wzmocniony w U1 sygnał jest doprowadzony do potencjometru regulacji poziomu OUTLEV poprzedzonego wyłącznikiem LCF (Low Cut Filter), który poprzez zmianę pojemności sprzęgającej C4 lub C4+C5 umożliwia filtrowanie dolnoprzepustowe wzmacnianego sygnału np. w celu wyeliminowania drgań lub zaburzeń o niskiej częstotliwości. Przed doprowadzeniem do wyjścia OUT sygnał jest buforowany przez U2 (NE5532). Z wyjścia przedwzmacniacza po buforowaniu w drugiej połówce U2 jest pobierany sygnał pomiarowy dla wskaźnika wysterowania opartego o układ skali diodowej sterującej 5 diodami LED (w skali logarytmicznej) U3 typu KA2284 (lub odpowiednik). Układ wskazuje poziomy –10, –5, 0, 3, 6 dB, które dla ułatwienia odczytu mają wyróżnione 3 dB (LED żółta) i 6 dB (LED czerwona). Potencjometr montażowy służy do kalibrowania wskazań. Diody D1 i D2 obniżają zasilanie U3, zmniejszając występujące w nim straty mocy. Płytka przedwzmacniacza jest zasilana napięciem symetrycznym ±15 V i +48 V poprzez złącze PSU z zasilacza, którego schemat pokazano na rysunku 2.

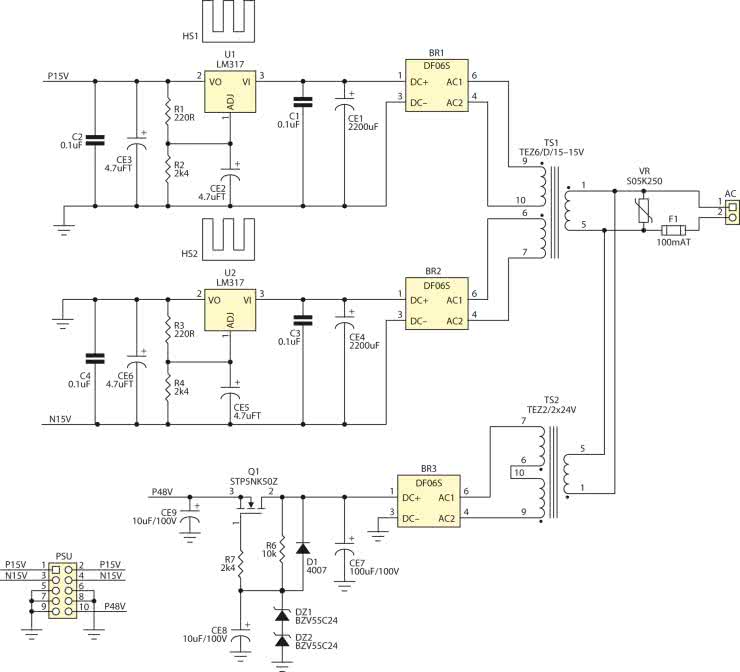
Rysunek 2. Schemat ideowy płytki zasilacza przedwzmacniacza mikrofonowego

Układ jest typowy – wykonano go z użyciem dwóch stabilizatorów LM317 z napięciem wyjściowym ustalonym na 15 V. Napięcia +48 V dostarcza stabilizator na tranzystorze Q1 i diodach Zenera DZ1, DZ2. Aby uniknąć konieczności nawijania nietypowego transformatora, napięcia przemiennego dostarczają typowe transformatory: TS1 typu TEZ6 dla zasilacza ±15 V i TS2 typu TEZ2 dla +48 V. Transformatory zabezpieczone są bezpiecznikiem F1 (100 mA „T”) oraz opcjonalnie warystorem VR. Napięcie sieciowe 230 V jest doprowadzone do złącza AC.

Układ zmontowano na dwóch płytkach drukowanych, których schematy montażowe pokazano na rysunku 3 i rysunku 4.

Rysunek 3. Schemat montażowy płytki przedwzmacniacza
Rysunek 4. Schemat montażowy płytki zasilacza

Montaż jest typowy i nie wymaga opisywania. Podczas montażu w pierwszej kolejności należy przykręcić do płytki potencjometr OUTLEV, a następnie przylutować go do odpowiednich pól lutowniczych. Ostateczny montaż przełączników i diod LED trzeba przeprowadzić po przykręceniu do frontu obudowy, co zapewni odpowiednią estetykę i trwałość montażu. W zależności od typu zastosowanej gałki konieczne może być docięcie osi potencjometru.

Po sprawdzeniu poprawności montażu konieczne jest uruchomienie i regulacja układu. W pierwszej kolejności należy sprawdzić działanie zasilacza i występowanie napięć zasilających ±15 V (z dokładnością do 0,2 V) i 48 V (z dokładnością do 2 V) na złączu PSU płytki zasilacza. Jeżeli wszystko jest w porządku, taśmą IDC10 (1:1) należy połączyć zasilacz z płytką przedwzmacniacza. Do wejścia układu przedwzmacniacza należy doprowadzić sygnał z generatora 1 kHz z regulowanym tłumieniem (pomiędzy IN+ a GND, IN– połączyć z GND poprzez rezystor 100 Ω), a do wyjścia oscyloskop. Następnie ustawić potencjometr OUTLEV w pozycji maksymalnej (skręcony w prawo), przełącznik GAIN w pozycji 40 dB, wyłączyć filtr LCF i zasilanie Phantom PHV. Zmieniając poziom sygnału wejściowego z generatora, tłumikiem ustawić poziom sygnału wyjściowego OUT, na ok. 1,1 VRMS. Następnie, potencjometrem MTR, ustawić wskaźnik wysterowania, aby zaświeciła się LED P3 (+3 dB). Dalsze próby można przeprowadzić przy podłączonym mikrofonie. Należy sprawdzić działanie przełączników (uwaga na możliwość sprzęgania się mikrofonu) i przedwzmacniacz jest gotowy do użytkowania.

W urządzeniu przewidziano możliwość zastosowania dodatkowego transformatora mikrofonowego np. Carnhill VTB9045. Opis połączenia wejścia w wersji bez i z transformatorem mikrofonowym umieszczono na rysunku 5.

Rysunek 5. Schemat podłączenia wejścia mikrofonowego

Połączenie charakteryzuje się jednostkowym wzmocnieniem napięciowym (0 dB).

Jeżeli zależy nam na większym wzmocnieniu, możliwe podłączenia VTB9045 umieszczono w tabeli 1.

W zależności od zastosowanego transformatora konieczne może być dodatkowe obciążenie wyjścia równoległym obwodem RC, którego parametry są podane w notach aplikacyjnych.

Adam Tatuś, EP

Wykaz elementów: Płytka przedwzmacniacza
Rezystory: (SMD 1206, 1%)
  • MTR: 50 kΩ (pot. wieloobrotowy, oś boczna Bourns 3296X)
  • OUTLEV: 47 kΩ (pot. osiowy, logarytm. 6PMO-50k Piher 47…50 kΩ)
  • R1, R2: 6,8 kΩ
  • R3, R6: 100 Ω
  • R4, R5, R10, R11, R14, R16: 10 kΩ
  • R7: 47 Ω
  • R8, R9: 22 Ω
  • R12: 100 kΩ
  • R13: 2,2 kΩ
  • R15: 200 Ω/5% (SMD 1206/0,5 W)
Kondensatory:
  • C1: 220 pF (foliowy MKS, R=5 mm)
  • C2, C3, C6…C8: 0,1 µF (SMD 0805, ceram. X7R/50 V)
  • C4: 100 nF (foliowy MKS, R=5 mm)
  • C5: 1 µF (foliowy MKS, R=5 mm)
  • C9, C10: 4,7 µF (SMD 0805, X7R/25 V)
  • CE1…CE3, CE8: 22 µF/63 V (elektrolit.)
  • CE4…CE7: 4,7 µF (SMD „S”, 20 V)
Półprzewodniki:
  • D1…D4: dioda Zenera 12 V (MiniMelf)
  • D5, D6: 1N4007 (dioda prostown. SMB)
  • N0, N5, N10: dioda LED 3 mm, zielona
  • V48, P6, PWR: dioda LED 3 mm, czerwona
  • P3: dioda LED 3 mm, żółta
  • U1: SSM2019BRNZ (SO8)
  • U2: NE5532 (SO8)
  • U3: KA2284 (SIL9)
Pozostałe:
  • GAIN: IC1201T1B (przełącznik 1-sekcyjny ON-OFF-ON)
  • LCF, PHV: IC1101T1B (przełącznik 1-sekcyjny ON-ON)
  • PH: IC2101T1B (przełącznik 2-sekcyjny ON-ON)
  • MIC: złącze SIP5/2,54 mm, kompletne
  • OUT: złącze SIP2/2,54 mm, kompletne
  • PSU: złącze IDC10, proste, kompletne, z taśmą 15 cm
Płytka zasilacza
Rezystory:
  • R1, R3: 220 Ω/1% (SMD 0805)
  • R2, R4: 2,4 kΩ/1% (SMD 0805)
  • R6: 10 kΩ/1% (SMD 1206)
  • R7: 2,4 kΩ/1% (SMD 1206)
Kondensatory:
  • C1…C4: 0,1 µF (SMD 0805, X7R/50 V)
  • CE1, CE4: 2200 µF (elektrolit. R=7,5 mm)
  • CE2, CE3, CE5, CE6: 4,7 µF/20 V (SMD „A”)
  • CE7: 100 µF/100 V (elektrolit. R=5 mm)
  • CE8, CE9: 10 µF/100 V (elektrolit. R=5 mm)
Półprzewodniki:
  • BR1…BR3: DF06S (mostek SMD)
  • D1: 1N4007 (dioda prostown. SMB)
  • DZ1, DZ2: BZV55C24 (dioda Zenera MiniMelf)
  • Q1: STP5NK50Z (TO-220)
  • U1, U2: LM317 (TO-220)
  • VR: S05K250 (warystor – opcja)
Pozostałe:
  • AC: złącze ARK2/5 mm
  • F1: 100 mA (bezpiecznik 5×20 z oprawką do druku)
  • HS1, HS2: HS-123 (radiator)
  • PSU: złącze IDC10, kompletne
  • TS1: TEZ6/D/15-15V (transformator do druku)
  • TS2: TEZ2/2×24V (transformator do druku)
Artykuł ukazał się w
Elektronika Praktyczna
listopad 2016
DO POBRANIA
Pobierz PDF Download icon
Materiały dodatkowe
Elektronika Praktyczna Plus lipiec - grudzień 2012

Elektronika Praktyczna Plus

Monograficzne wydania specjalne

Elektronik listopad 2025

Elektronik

Magazyn elektroniki profesjonalnej

Raspberry Pi 2015

Raspberry Pi

Wykorzystaj wszystkie możliwości wyjątkowego minikomputera

Świat Radio listopad - grudzień 2025

Świat Radio

Magazyn krótkofalowców i amatorów CB

Automatyka, Podzespoły, Aplikacje listopad - grudzień 2025

Automatyka, Podzespoły, Aplikacje

Technika i rynek systemów automatyki

Elektronika Praktyczna listopad 2025

Elektronika Praktyczna

Międzynarodowy magazyn elektroników konstruktorów

Elektronika dla Wszystkich grudzień 2025

Elektronika dla Wszystkich

Interesująca elektronika dla pasjonatów