Przetwornik audio DAC z układem PCM5102A

Przetwornik audio DAC z układem PCM5102A
Pobierz PDF Download icon
Wśród urządzeń budowanych przez elektroników ogromną popularnością cieszą się urządzenia audio. Nic nie cieszy tak, jak samodzielnie wykonany wzmacniacz, odtwarzacz lub przetwornik C/A. Tym bardziej, że można je wykonać z użyciem najlepszych komponentów oraz dopasować do własnych upodobań. Przetwornic C/A opisywany w artykule zbudowano z użyciem doskonałego, kultowego układu scalonego PCM5102A, dzięki czemu charakteryzuje się on bardzo dobrymi parametrami. Rekomendacje: urządzenie dla miłośników dobrego brzemienia - zaspokoi niejedno wymagające ucho.

Opisywany przetwornik audio DAC składa się z dwóch głównych układów: popularnego odbiornika S/PDIF typu WM8804 i przetwornika cyfrowo-analogowego audio opracowanego przez firmę Texas Instruments.

Rysunek 1. Schemat blokowy układu PCM5102A (za notą TI)

Schemat blokowy układu PCM5102A pokazano na rysunku 1. Dzięki wbudowanej pętli PLL układ może pracować także bez zewnętrznego generatora przebiegu zegarowego MCLK, odtwarzając go z sygnałów zegarowych interfejsu I2S.

Oprócz generatora PLL, układ PCM5102A ma wbudowaną przetwornicę z pompą ładunkową służącą do wytwarzania ujemnego napięcia zasilania dla części analogowej oraz kompletny tor analogowy z buforem zapewniającym standardowy sygnał wyjściowy 2 Vrms o bardzo dobrym stosunku SNR wynoszącym - w zależności od wersji układu - do 112 dB. Zintegrowanie dodatkowych bloków funkcjonalnych niespotykanych w innych przetwornikach zapewnia bardzo łatwą aplikację układu.

Schemat ideowy przetwornika audio DAC pokazano na rysunku 2. Sygnał wejściowy z gniazda S/PDIF jest doprowadzony do odbiornika U2 typu WM8804 pracującego w trybie konfiguracji sprzętowej master I2S z rozdzielczością 24 bitów.

Dioda świecąca LD1 sygnalizuje odbiór ramki audio. Poprawne zerowanie odbiornika zapewnia U1 typu MCP100T. Aplikację WM8804 uzupełniają dwa filtry zasilania: dławik L1 i kondensator C1 dla obwodu PLL oraz dławik L2 i kondensator C4 dla części cyfrowej odbiornika.

Wykaz elementów

Moduł z mikrokontrolerem

Rezystory: (SMD)
R1, R2, R14: 1 kΩ 805 3
R3, R12: 10 kΩ 805 2
R4: 75 Ω 805 1
R5, R6, R7: 22 Ω 805 3
R8, R9: 470 Ω 805 2
R10: 560 Ω 805 1
R11: 220 Ω 805 1
R13: 4,3 kΩ 805 1

Kondensatory:
C1: 1 µF 805 1 ceramiczny SMD
C2, C3: 18 pF 805 2 ceramiczny SMD
C4, C5, C6, C7, C10, C11, C14, C19: 0,1 µF 805 8 ceramiczny SMD
C8, C9, C15, C16, C17, C18: 2,2 µF 805 6 ceramiczny SMD
C12, C13: 2,2 nF C0.2 2 foliowy R=5 mm
CE1, CE2: 10 µF SMA 2 Tantalowy
CE3: 1000 µF/16 V CE0.3_18 1 elektrolityczny FC
CE5: 100 µF/10 V CE0.1 1 elektrolityczny FC

Półprzewodniki:
D1, D2, D3, D4: SUF4007 SMB_D 4 Szybka dioda prostownicza
LD1, LD2: LCK, PWR 0805D 2 Dioda LED
U1: MCP100T SOT-23 1
U2: WM8804 SSOP20_300 1
U3: PCM5102A SSOP20 1
U4: LM1117-ADJ TO220 1
U5, U6: ADP3339AKC-33 SOT223 2

Inne:
L1,L2,L3,L4,L5: 1 mH 805 5 Perełka ferrytowa SMD
LED CONN SIP4: 1 Złącze SIP4 opcja
OUTL, OUTR, SPDIF RCA RCA_PCB_CC134 3 Złącze RCA CC134
PWR CONN ARK2_200 1 Złącze ARK2 R=5 mm
XT1: 12 MHz HC49SMD 1 Kwarc SMD HC49S

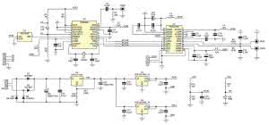
Rysunek 2. Schemat ideowy modułu przetwornika DAC

Wyjściowy sygnał I2S jest doprowadzony do układu przetwornika U3 typu PCM5102A. Sygnał analogowy po odfiltrowaniu za pomocą obwodów RC złożonych z rezystorów R8i R9 oraz kondensatorów C12 i C13 jest podawany na gniazda RCA OUTL/OUTR.

Obwód złożony z dławika L3 i kondensatorów CE1, C7 filtruje zasilanie części cyfrowej przetwornika. Kondensator C6 współpracuje z wewnętrznym stabilizatorem LDO, a dławik L4 i pojemność C10 filtrują zasilanie części analogowej. Kondensatory C8 i C9 są elementami wbudowanej pompy ładunkowej wytwarzającej ujemne napięcie zasilania bloków analogowych.

Zwora FLT umożliwia wybór trybu pracy filtru: Normal Latency-FIR (zwarcie z GND) / Low Latency-IIR (zwarcie z V33D).

Układ PCM5102A ma możliwość wyciszania sygnału wyjściowego po podaniu na wejście XSMT napięcia mniejszego niż 2 V. W modelu użyto tej funkcji do wyciszania wyjścia podczas załączania i wyłączania zasilania. Napięcie XSMT jest pobierane z dzielnika rezystancyjnego R13/R14.

Rysunek 3. Schemat montażowy modułu przetwornika DAC

Przetwornik jest zasilany z konwencjonalnego zasilacza liniowego, w którym jako wstępny regulator napięcia pracuje układ stabilizatora typu LM1117ADJ. Jego napięcie wyjściowe ustalono na 4,5 V. Układy niskoszumnych stabilizatorów U5 i U6 dostarczają zasilanie dla części cyfrowej i analogowej przetwornika.

Dioda świecąca LD2 sygnalizuje załączenie zasilania. W zależności od potrzeb diody świecące LD1 i LD2 mogą zostać wlutowane bezpośrednio w płytkę lub za pomocą złącza LED sygnały sterujące mogą być wyprowadzone poza nią, np. na panel czołowy urządzenia. Przetwornik jest zasilany z niewielkiego transformatora toroidalnego 8 VAC (10 VA).

Urządzenie zmontowano na niewielkiej, dwustronnej płytce drukowanej. Sposób montażu jest typowy i nie wymaga opisywania. Rozmieszczenie elementów pokazano na rysunku 3. Starannie zmontowany przetwornik ze sprawdzonych elementów nie wymaga uruchomienia. Po sprawdzeniu poprawności montażu można doprowadzić sygnał ze źródła S/PDIF, włączyć zasilanie i cieszyć się muzyką.

Adam Tatuś, EP

Artykuł ukazał się w
Elektronika Praktyczna
marzec 2016
DO POBRANIA
Pobierz PDF Download icon
Materiały dodatkowe
Elektronika Praktyczna Plus lipiec - grudzień 2012

Elektronika Praktyczna Plus

Monograficzne wydania specjalne

Elektronik listopad 2025

Elektronik

Magazyn elektroniki profesjonalnej

Raspberry Pi 2015

Raspberry Pi

Wykorzystaj wszystkie możliwości wyjątkowego minikomputera

Świat Radio listopad - grudzień 2025

Świat Radio

Magazyn krótkofalowców i amatorów CB

Automatyka, Podzespoły, Aplikacje listopad - grudzień 2025

Automatyka, Podzespoły, Aplikacje

Technika i rynek systemów automatyki

Elektronika Praktyczna listopad 2025

Elektronika Praktyczna

Międzynarodowy magazyn elektroników konstruktorów

Elektronika dla Wszystkich grudzień 2025

Elektronika dla Wszystkich

Interesująca elektronika dla pasjonatów