Nadajnik/odbiornik różnicowy dla transmisji cyfrowej

Nadajnik/odbiornik różnicowy dla transmisji cyfrowej
Pobierz PDF Download icon
Transmisja różnicowa sygnałów cyfrowych - pomimo komplikacji układu nadajnika/ odbiornika - ma sporo zalet. Są to między innymi.: odporność na zaburzenia oraz duży zasięg. Najbardziej rozpowszechnionym interfejsem wykorzystującym transmisję różnicową jest stosowany w technice AV interfejs HDMI.

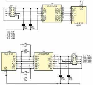
Rysunek 1. Schemat ideowy nadajnika i odbiornika LVDS

Przedstawiony moduł powstał dla zwiększenia zasięgu do kilku metrów transmisji cyfrowego sygnału audio w standardzie I²S, który standardowo rozprowadzany jest tylko w obrębie urządzenia.

Para modułów umożliwia połączenie urządzeń z interfejsem I²S (np.: źródło - DAC) na odległość kilku metrów za pomocą typowej skrętki komputerowej UTP5, eliminując konieczność konwersji I²S na S/PDIF i odwrotnie.

Dla realizacji transmisji opracowano zostały dwa moduły:

  • I2S_LVDS_TX konwerter sygnału niesymetrycznego LVTTL na symetryczny LVDS,
  • I2S_LVDS_RX konwerter sygnału symetrycznego LVDS na niesymetryczny LVTTL.

W układach wykorzystano specjalizowane nadajniki/odbiorniki Analog Devices ADN4667/4668 zawierające odpowiednio cztery kanały nadajnika/odbiornika LVTTL/LVDS. Schemat modułów pokazano na rysunku 1.

Zasada działania jest nieskomplikowana - do gniazda LVTI nadajnika jest doprowadzony asymetryczny sygnał I²S, który wewnątrz układu jest buforowany i podawany na symetryczny stopień wyjściowy i do gniazda RJ45 oznaczonego LVDSO.

Rysunek 2. Schematy montażowe konwerterów

Kondensatory CT1, CT2 filtrują zasilanie. Poziom sygnału !EN aktywuje stopnie wyjściowe konwertera. Sygnał poprzez skrętkę UTP5, ale uwaga: kabel w wykonaniu 1:1, czyli 1 para: wyprowadzenia 1-2, ... czwarta para wyprowadzenia 7-8, jest doprowadzona do odbiornika do gniazda LVDSI.

Rezystory UR1...UR4 terminują sygnał. UR dokonuje desymetryzacji do standardu LVTTL, kondensatory CT1 i CT2 filtrują zasilanie. Sygnał wyjściowy dostępny jest na gnieździe LVTO. Podobnie jak w nadajniku jest dostępny sygnał !EN aktywujący odbiornik.

Moduły stanowią komplet i zmontowane są na dwustronnych płytkach drukowanych, opis montażu jest zbędny. Rozmieszczenie elementów przedstawia rysunek 3. Moduły nie wymagają uruchomienia.

Na skrętce UTP5 o długości 5 metrów bezproblemowo transmitują I²S z zegarem około 25 MHz. Oczywiście mogą być wykorzystane do jednokierunkowej transmisji dowolnych innych sygnałów cyfrowych.

Adam Tatuś, EP

Artykuł ukazał się w
Elektronika Praktyczna
kwiecień 2016
DO POBRANIA
Pobierz PDF Download icon
Materiały dodatkowe
Elektronika Praktyczna Plus lipiec - grudzień 2012

Elektronika Praktyczna Plus

Monograficzne wydania specjalne

Elektronik listopad 2025

Elektronik

Magazyn elektroniki profesjonalnej

Raspberry Pi 2015

Raspberry Pi

Wykorzystaj wszystkie możliwości wyjątkowego minikomputera

Świat Radio listopad - grudzień 2025

Świat Radio

Magazyn krótkofalowców i amatorów CB

Automatyka, Podzespoły, Aplikacje listopad - grudzień 2025

Automatyka, Podzespoły, Aplikacje

Technika i rynek systemów automatyki

Elektronika Praktyczna listopad 2025

Elektronika Praktyczna

Międzynarodowy magazyn elektroników konstruktorów

Elektronika dla Wszystkich grudzień 2025

Elektronika dla Wszystkich

Interesująca elektronika dla pasjonatów