Interfejs Ethernet dla Raspbery PI Zero

Interfejs Ethernet dla Raspbery PI Zero
Pobierz PDF Download icon
Nowy model Pi da się polubić, ale brak interfejsu Ethernet jest dokuczliwy, ponieważ jest to oczywiste okno na świat dla mikrokomputerów. Naturalnie, że można użyć karty Wi-Fi z USB, ale port USB jest tylko jeden...

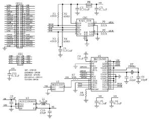
Rysunek 1. Schemat ideowy modułu Ethernet dla Raspberry PI Zero

Rozwiązaniem problemu może być karta sieciowa wykorzystująca GPIO. Przedstawiony moduł wykorzystuje dobrze znany z współpracy z Arduino układ ENC28J60. Niewątpliwą zaletą układu jest wsparcie programowe przez praktycznie każdą dystrybucję Linuxa dla Raspberry Pi, co uwalnia nas od mozolnego grzebania w systemie.

Schemat ideowy modułu pokazano na rysunku 1. Moduł jest zgodny z Raspberry Pi+ (HAT 40PIN) i ma wymiary PI Zero. Głównym jego elementem jest U1, czyli wspominany już wcześniej układ ENC28J60. Do komunikacji z PI wykorzystuje interfejs SPI i pracuje w typowej aplikacji.

Gniazdo CN1 zawiera zintegrowany transformator separujący oraz wbudowane diody sygnalizujące połączenie i aktywność interfejsu. Układ U2 MCP100T-300 zapewnia poprawny restart U1 po włączeniu zasilania.

Ze względu na spory pobór prądu przez U1 do zasilania jest wykorzystywane napięcie 5 V z GPIO, ponieważ wewnętrzne 3,3 V ma zbyt małą wydajność.

Rysunek 2. Schemat montażowy modułu Ethernet dla Raspberry PI Zero

Do jego obniżenia do 3,3 V wykorzystano przetwornicę U3 typu ADP2108. Na złącze SIO, wyprowadzone są dwa interfejsy szeregowe UART i I²S wraz z zasilaniem (zgodnie z Arduino Bricks) ułatwiające rozszerzanie funkcjonalności PI przy wykorzystaniu przedstawionych na łamach EP mini modułów Xbee/I²C.

Moduł ethernetowy jest zmontowany na dwustronnej płytce drukowanej. Jej schemat montażowy pokazano na rysunku 2. Sposób montażu jest klasyczny i nie wymaga opisu.

Prawidłowo zmontowany moduł nie wymaga uruchomienia, dla wstępnego sprawdzenia działania konieczna jest konfiguracja systemu. W pierwszym kroku należy uaktywnić interfejs SPI i zrestartować PI. Następnie w pliku /boot/config.txt dodać linię dtoverlay=enc28j60. I to wszystko, po ponownym restarcie interfejs jest aktywny i może zostać spożytkowany we własnych aplikacjach IoT.

Adam Tatuś, EP

Artykuł ukazał się w
Elektronika Praktyczna
kwiecień 2016
DO POBRANIA
Pobierz PDF Download icon
Materiały dodatkowe
Elektronika Praktyczna Plus lipiec - grudzień 2012

Elektronika Praktyczna Plus

Monograficzne wydania specjalne

Elektronik listopad 2025

Elektronik

Magazyn elektroniki profesjonalnej

Raspberry Pi 2015

Raspberry Pi

Wykorzystaj wszystkie możliwości wyjątkowego minikomputera

Świat Radio listopad - grudzień 2025

Świat Radio

Magazyn krótkofalowców i amatorów CB

Automatyka, Podzespoły, Aplikacje listopad - grudzień 2025

Automatyka, Podzespoły, Aplikacje

Technika i rynek systemów automatyki

Elektronika Praktyczna listopad 2025

Elektronika Praktyczna

Międzynarodowy magazyn elektroników konstruktorów

Elektronika dla Wszystkich grudzień 2025

Elektronika dla Wszystkich

Interesująca elektronika dla pasjonatów