Combo Audio DAC dla Raspberry Pi

Combo Audio DAC dla Raspberry Pi
Pobierz PDF Download icon

W większości aplikacji multimedialnych Raspberry PI dobrze jest mieć dwa rodzaje wyjść sygnału audio: analogowe i cyfrowe. To ułatwia elastyczne dołączenie do domowego systemu AV. Nie są dostępne takie rozwiązania komercyjne – za każdym razem trzeba składać HAT DAC i S/PDIF, co niepotrzebnie podnosi koszty. Przedstawione rozwiązanie integruje dwa układy na jednej płytce i zgodne jest z dostępnym oprogramowaniem.

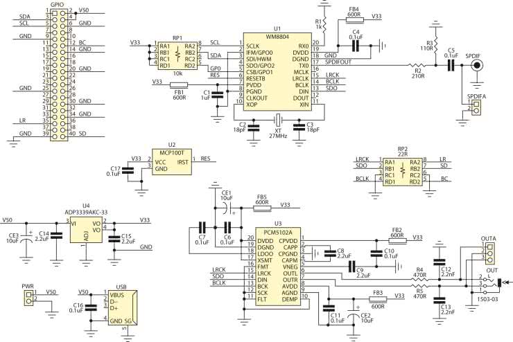
Schemat ideowy Combo DAC pokazano na rysunku 1. Sygnał wyjściowy I²S ze złącza GPIO przez rezystor dopasowujący RP2 jest doprowadzony do nadajnika/odbiornika S/PDIF typu WM8804 oraz do układu przetwornika C/A typu PCM5102A.

Rysunek 1. Schemat ideowy modułu przetwornika Combo Audio DAC

Układ PCM5102A ma zintegrowany przetwornik C/A, układ PLL odtwarzający częstotliwość MCLK z BLCK, wyjściowe filtry i stopnie analogowe, przetwornicę zasilającą, czyli wszystko, co wymagane do budowy przetwornika. Dzięki temu może korzystać z sygnału I²S równolegle do WM8804 bez dodatkowych konfiguracji.

Transceiver WM8804 jest konfigurowany za pomocą I²S dostępnymi w systemie Raspbian driverami. Sygnał analogowy po odfiltrowaniu (rezystory R4 i R5, kondensatory C12 i C13) jest dostępny na złączu OUT mini Jack3.5 oraz OUTA typu SIP3. Sygnał cyfrowy S/PDIF jest dostępny na RCA S/PDIF oraz S/PDIFA typu SIP2. Powielenie złącz ułatwia okablowanie w aplikacjach wbudowanych. Zasilanie toru analogowego, cyfrowego i pompy ładunkowej jest rozdzielone, i filtrowane przez osobne obwody LC dla minimalizowania zaburzeń. Zasilanie jest zapewniane przez niskoszumny stabilizator LDO – U4. Układ U2 typu MCP100T3.0 zapewnia sygnał zerowania dla WM8804.

Dodatkowe złącze śrubowe PWR umożliwia zasilanie z zasilacza zewnętrznego Combo Audio DAC i Raspberry PI (z pominięciem gniazda MicroUSB). Gniazdo USB zapewnia zasilanie dla zewnętrznego Huba USB lub konwertera USB/SATA, często używanego w aplikacjach multimedialnych.

Moduł zmontowano na niewielkiej, dwustronnej płytce drukowanej. Sposób montażu jest typowy i nie wymaga omawiania. Schemat montażowy pokazano na rysunku 2.

Rysunek 2. Schemat montażowy modułu przetwornika Combo Audio DAC

Prawidłowo zmontowany moduł nie wymaga uruchamiania. Konieczne jest tylko skonfigurowanie systemu operacyjnego. Najlepszym wyborem jest Raspbian, ponieważ ma wbudowaną obsługę programową (zgodną z Hifi-Berry-Digi). Po pierwsze, Na wszelki wypadek należy zaktualizować system:

sudo rpi-update
sync
sudo reboot

Następnie należy usunąć z pliku /etc/modprobe.d/raspi-blacklist.conf linie:

blacklist i2c-bcm2708
blacklist snd-soc-pcm512x
blacklist snd-soc-wm8804

Załączyć obsługę modułu dodając następujące wpisy w pliku /etc/modules:

snd_soc_bcm2708
bcm2708_dmaengine
snd_soc_hifiberry_digi

Skonfigurować ALSA tworząc plik /etc/asound.conf z zawartością:

pcm.!default {
type hw card 0
}
ctl.!default {
type hw card 0
}

Następnie należy zrestartować PI. Po uruchomieniu warto sprawdzić poprawność konfiguracji poleceniem:

sudo aplay –l

Moduł powinien pojawić się na liście dostępnych urządzeń odtwarzających:

**** List of PLAYBACK Hardware Devices ****
card 0: sndrpihifiberry [snd_rpi_hifiberry_dac], device 0: HifiBerry DAC HiFi pcm5102a-hifi-0 []
Subdevices: 1/1
Subdevice #0: subdevice #0

Do odtwarzanie plików muzycznych można użyć dowolnego odtwarzacza, np. LXMusic Player, Aqualung itp.

Adam Tatuś, EP

Wykaz elementów:
Rezystory:
  • R1: 1 kΩ/1% (SMD 0805)
  • R2: 210 Ω/1% (SMD 0805)
  • R3: 110 Ω/1% (SMD 0805)
  • R4, R5: 470 Ω/1% (SMD 0805)
  • RP1: 10 kΩ (drabinka CRA06S08)
  • RP2: 22 Ω (drabinka CRA06S08)
Kondensatory:
  • C1: 1 µF (SMD 0805)
  • C2, C3: 18 pF (SMD 0805)
  • C4…C7, C10, C11, C16, C17: 0,1 µF (SMD 0805)
  • C8, C9, C14, C15: 2,2 µF (SMD 0805)
  • C12, C13: 2,2 nF (SMD 0805)
  • CE1…CE3: 10 µF (SMD „A”)
Półprzewodniki:
  • U1: WM8804 (SSOP20)
  • U2: MCP100T (SOT-23)
  • U3: PCM5102A (SSOP20)
  • U4: ADP3338AKC-33 (SOT-223)
Pozostałe:
  • FB1…FB5: perełka SMD 600 Ω/50 mA
  • GPIO: złącze IDC40, żeńskie
  • OUT: 1503-03 Lumberg (gniazdo Jack stereo, mini, SMD)
  • OUTA: złącze szpilkowe SIP3
  • PWR: DG381-3.5-2 (złącze śrubowe)
  • SPDIF: złącze RCA do druku
  • SPDIFA: złącze szpilkowe SIP2
  • USB: gniazdo USB „A” SMD
  • 27MHz: 27 MHz (rezonator kwarcowy SMD)
Artykuł ukazał się w
Elektronika Praktyczna
październik 2016
DO POBRANIA
Pobierz PDF Download icon
Materiały dodatkowe
Elektronika Praktyczna Plus lipiec - grudzień 2012

Elektronika Praktyczna Plus

Monograficzne wydania specjalne

Elektronik listopad 2025

Elektronik

Magazyn elektroniki profesjonalnej

Raspberry Pi 2015

Raspberry Pi

Wykorzystaj wszystkie możliwości wyjątkowego minikomputera

Świat Radio listopad - grudzień 2025

Świat Radio

Magazyn krótkofalowców i amatorów CB

Automatyka, Podzespoły, Aplikacje listopad - grudzień 2025

Automatyka, Podzespoły, Aplikacje

Technika i rynek systemów automatyki

Elektronika Praktyczna listopad 2025

Elektronika Praktyczna

Międzynarodowy magazyn elektroników konstruktorów

Elektronika dla Wszystkich grudzień 2025

Elektronika dla Wszystkich

Interesująca elektronika dla pasjonatów