Energy harvesting – pozyskiwanie energii elektrycznej z otoczenia

Energy harvesting – pozyskiwanie energii elektrycznej z otoczenia
Pobierz PDF Download icon

Dzięki rozwojowi urządzeń elektroniki noszonej Wearables, Internetu rzeczy IoT, inteligentnych czujników pomiarowych Smart Sensor, w tym czujników medycyny monitorującej, wymuszona została zmiana w podejściu do projektowania układów zasilania. Klasyczne rozwiązania bazujące na zasilaczach stacjonarnych, ogniwach chemicznych lub akumulatorach, stały się niezbyt atrakcyjne. Ograniczenie mobilności, koszt, rozmiar samych ogniw, nie wspominając o bezpieczeństwie użytkowania, różnym stopniu szkodliwości użytych w nich substancji chemicznych, czy stosunkowo wąskich zakresach tolerowanych narażeń środowiskowych, spowodowały poszukiwanie alternatywnych źródeł energii elektrycznej.

Nie ze wszystkich urządzeń można całkowicie pozbyć się ogniw chemicznych, ale współpraca z układami pozyskiwania energii otoczenia, umożliwia zmniejszenie ich rozmiaru i sprowadzenie z funkcji podstawowego źródła zasilania, do elementu magazynującego pozyskaną energię. Także rola magazynu bilansującego zasilanie, powoli zostaje ograniczana na rzecz rozwiązań opartych o dynamicznie rozwijające się superkondensatory. Można więc przypuszczać że w niedalekiej przyszłości, układy zasilania urządzeń przenośnych będą składać się z hybrydowego harvestera, zdolnego „zebrać” z otoczenia energię dostępną w dowolnej fizycznej postaci, superkondensatora gromadzącego i bilansującego energię oraz wyspecjalizowanego układu, zarządzającego przepływem i gromadzeniem najmniejszych pozyskiwanych porcji energii.

Nie bez znaczenia jest też trend obniżania poboru mocy i wzrostu wydajności, nie tylko w stosowanych współcześnie i nowo opracowywanych mikroprocesorach, ale także we współpracujących z nimi obwodach analogowych (frontend), co przekłada się na znaczące ułatwienia w zaprojektowaniu harvestera. Zastosowanie niewielkich porcji energii pozyskiwanych ze środowiska, najprawdopodobniej stanie się bardziej popularne, prostsze, tańsze i pewnie w ciągu kilku lat wręcz konieczne dla zasilania elektroniki.

Historycznie, jednym z najstarszych układów pozyskiwania energii z otoczenia był radiowy odbiornik detektorowy, pokazany na fotografii 1. Odbiornik wykorzystywał energię promieniowania elektromagnetycznego anteny nadawczej. Dzięki długiej antenie odbiorczej, odpowiednio dobranemu obwodowi rezonansowemu, był w stanie odebrać do kilku miliwatów mocy, niezbędnej do detekcji i zasilania słuchawki telefonicznej, co wystarczyło do odbioru lokalnej stacji radiowej w czasach, gdy lampy dopiero się rozwijały, a półprzewodniki nie były znane…

Fotografia 1. Pierwszy odbiornik pozyskujący energię z fali elektromagnetycznej (https://bit.ly/3gL5DxY)

Współcześnie najpopularniejszymi bezpośrednimi metodami pozyskiwania energii z otoczenia są:

  • Fotowoltaika, czyli przetwarzanie nie tylko części widzialnej pasma promieniowania świetlnego, wykorzystujące zjawisko fotoelektryczne, polegające na uwalnianiu elektronów z oświetlonych powierzchni,
  • Piezoelektryka, czyli przetwarzanie energii mechanicznej, w zależności od konstrukcji elementu pozyskującego, na prąd elektryczny z drgań lub naprężeń skręcenia, rozciągania lub zginania materiału, które zachodzi w niektórych materiałach krystalicznych,
  • Termoelektryka, czyli bezpośrednie przetwarzanie różnicy temperatur na napięcie elektryczne, wykorzystujące zjawisko Seebecka lub Peltiera, zachodzące na styku dwóch przewodników lub półprzewodników, znajdujących się w różnych temperaturach.

Do wymienionych trzech metod bezpośrednich, można dołączyć także pozyskiwanie energii z przepływu gazu czy cieczy, wykorzystane w turbinach wiatrowych lub wodnych, przetwarzanie drgań lun energii mechanicznej w elektromechanicznych generatorach prądu oraz pozyskiwanie energii z promieniowania radiowego.

Choć niektóre metody doskonale sprawdzają się przy generacji dużych mocy, są bardziej niż kłopotliwe w zastosowaniach wymienionych na wstępie artykułu.

Część z nich zawiera precyzyjne układy mechaniczne, które od zawsze stosowane są niechętnie przez projektantów elektroniki, ze względu na koszty i problemy eksploatacyjne. W zasadzie, jedynie pozyskiwanie energii z promieniowania radiowego i niewielkie proste generatory elektromagnetyczne, znajdują szersze zastosowanie. Pozyskiwanie energii z promieniowania radiowego, może zyskać na popularności po wprowadzeniu sieci 5G i podniesieniu dopuszczalnego poziomu promieniowanej energii, tym bardziej, że zwiększeniu częstotliwości użytkowych, może towarzyszyć zmniejszenie rozmiarów anten odbiorczych.

Fotowoltaika

Najpopularniejszą i najłatwiejszą w aplikacji jest fotowoltaika. Dostępne są miniaturowe ogniwa solarne o zróżnicowanym zakresie mocy, napięć i odporności na warunki środowiskowe. Wśród rozwiązań, ciekawą propozycją jest, dostępna od dłuższego czasu, rodzina krzemowych ogniw amorficznych typu Amorton, firmy Panasonic o mocach od kilku mikrowatów do kilkuset miliwatów. Zestawienie parametrów wybranych ogniw pokazano w tabeli 1.

Zróżnicowana technologia wykonania dopuszcza zastosowania wewnętrzne jak i zewnętrzne. Możliwość wyboru podłoża szklanego, metalowego lub folii, pozwala uzyskać wymaganą odporność mechaniczną lub elastyczność ogniwa. Przykładowe ogniwa w wersji wewnętrznej typu AM-1801 i zewnętrznej typu AM-5904 pokazano na fotografiach 2 i 3.

Fotografia 2. Wygląd fotoogniwa AM-1801
Fotografia 3. Wygląd fotoogniwa AM-5904

Dostępne są też ogniwa o kształtach odbiegających od prostokąta, przeznaczone, np. dla zegarków, w postaci tarczy z otworem dla mechanizmu wskazówkowego, której wygląd pokazano na fotografii 4 lub w postaci obramowania obudowy mechanizmu, której wygląd pokazano na fotografii 5. Ogniwo A-09 (Blue Solaria) ma średnicę 460 mm, grubość 2 mm, generuje do 120 mA przy napięciu 6 V. 

Fotografia 4. Wygląd fotoogniwa SPBSVD160
Fotografia 5. Wygląd fotoogniwa A-09 (Blue Solaria) 

Niestety po przejęciu firmy Clare przez IXYS zaprzestano produkcji ogniw typu CPC, umieszczanych w hermetycznych, przepuszczających światło obudowach SO8 i SO16. Ogniwa były idealne do montażu na płytkach drukowanych i zapewniały wysoką integrację z układem zasilanym. Rozdzielenie poszczególnych cel ułatwiało dopasowanie mechaniczne ogniwa do wymogów projektu. W miejsce ogniw CPC produkowane są ogniwa IXOLAR z serii SolarBit. Są to wysokosprawne ogniwa monokrystaliczne w uszczelnianej obudowie, przeznaczonej do montażu powierzchniowego. Przykładowe ogniwo pokazano na fotografii 6.

Fotografia 6. Przykładowe ogniwo z serii SolarBit (z materiałów IXYS)

Sposób montażu ogniw SolarBit, ułatwia zastosowanie ich w aplikacji (nie wymagają połączeń przewodowych), a samo źródło może zostać skonfigurowane pod potrzeby aplikacji, poprzez odpowiednie łączenie szeregowe lub równoległe cel składowych. W materiałach IXYS znajdziemy także wskazówki, związane z doborem polecanego dla każdego z SolarBit-ów układu współpracującego harvestera. Przykładowe parametry ogniw pokazano w tabeli 2.

Piezoelektryka

Drugim, z możliwych do wykorzystania sposobów pozyskania energii, jest zastosowanie elementów piezoelektrycznych. Pomimo systematycznego rozwoju i zwiększania liczby zastosowań „noszonych”, piezoharvestery są mało popularne. Ma to związek z dosyć wymagającą, w porównaniu z ogniwem fotoelektrycznym, aplikacją i wysoką ceną samego przetwornika. Nadają się za to idealnie do aplikacji przemysłowych, np. do zasilania czujników energią pochodząca od wibracji maszyn, która normalnie jest marnowana. Często wykorzystywane są jako elementy składowe hybrydowego układu pozyskiwania energii, współpracując najczęściej z fotoogniwem i/lub ogniwem chemicznym.

Niekwestionowanym liderem w dostarczaniu generatorów piezo jest firma Mide, która wcześniej wykupiła Piezo Systems, a aktualnie sama wchodzi w skład koncernu Hutchinson. Produkuje elementy piezoelektryczne zgodnie z katalogiem lub na zamówienie, według specyfikacji dostarczonej przez Klienta. Przykładowe zestawienie produkowanych modeli pokazano w tabeli 3. Wygląd harvestera piezo typu S223H5PI1107X zdolnego do generacji 26 mW mocy pokazano na fotografii 7.

Fotografia 7. Piezo harvester S223-H5PI-1107X (z materiałów Piezo/Mide)

Porównując generatory piezo do ogniw fotoelektrycznych, możemy zauważyć znacznie mniejsza dostępną moc, uzyskiwaną w warunkach optymalnych. Warto zaznaczyć konieczność zapoznania się z dokumentacją i wskazówkami producenta, aby po pierwsze – nie uszkodzić drogiego elementu, a po drugie – uzyskać możliwie maksymalną moc. Należy pamiętać, że jest to element mechaniczny, pracujący w rezonansie, ważny jest więc wybór częstotliwości rezonansu elementu, zgodnie z widmem wibracji jakie ma przetwarzać oraz dostrojenie jej, przez odpowiednie dopasowanie współpracującego drgającego obciążnika.

Osobnym tematem, który jest nie do pominięcia, jest sposób mocowania elementu oraz odpowiednie wyprowadzenie generowanego napięcia. Nie wszystkie typy czujników mają wyprowadzone przewody, a tylko przygotowane pola połączeniowe z materiału nie poddającego się lutowaniu (stal nierdzewna). Nie obędzie się więc bez współpracy z projektantem mechanikiem. W przeciwnym wypadku, koszt każdego uzyskanego mW energii może być podobny do kosztów palenia w piecu diamentami… Podejmowane były próby zamykania elementów piezo w typowych obudowach, zbliżonych do TO220, co znacząco ułatwiłoby konstruowanie generatorów mikromocowych, jednak nie zostały skomercjalizowane i nie są dostępne w handlu. Prowadzone są też próby wykonania harvesterów w technologii MEMS. Z materiałów piezoelektrycznych, oprócz płytek, formowane są także folie i przewody koncentryczne. Znajdują one zastosowanie w przetwornikach i czujnikach, ale po odpowiednim dostosowaniu, mogą posłużyć także do pozyskiwania energii.

Termoelektryka

Trzecim źródłem pozyskiwania energii są generatory wykorzystujące zjawiska termoelektryczne. Jednym z pierwszych powszechnych zastosowań harvesterów termoelektrycznych jest termopara, stosowana praktycznie w każdym piecu gazowym lub kuchence gazowej. Służy do generacji napięcia dla cewki elektromagnetycznego zaworu gazu. W obwód pomiędzy termoparą, a cewką często są dołączone termostaty zabezpieczające komorę spalania i zabezpieczające przed wypływem wody o zbyt wysokiej temperaturze. Jeżeli spalanie odbywa się poprawnie, generowane napięcie podtrzymuje cewkę zaworu, umożliwiając wypływ gazu, jeśli zaś płomień zgaśnie, cewka pozbawiona napięcia zamyka zawór gazu.

Szersze zastosowania generatory termoelektryczne TEG (thermoelectric generator) znajdują w przemyśle, gdzie wytwarzają energię elektryczną w szerokim zakresie mocy, korzystając z ciepła odpadowego, albo w przypadku dostępności źródła ciepła, a braku dostępu do energii elektrycznej. Budowę półprzewodnikowego TEG pokazano na rysunku 1.

Rysunek 1. Budowa TEG (z materiałów Tegpower)

Moduł składa się z szeregu złącz P i N oraz płytek przewodzących i doprowadzających ciepło. W zależności od modułu i zakresu temperatur pracy, wykorzystuje się związki Bizmutu, Telluru, Wapnia, Manganu. Wygląd przykładowego TEG typu 9500 Ferrotec pokazano na fotografii 8.

Fotografia 8. Moduł termoelektryczny TEG Ferrotec 9500 (z materiałów Ferrotec)
Fotografia 9. Wysokotemperaturowy moduł termoelektryczny TECTEG CMO-32-62S (z materiałów TECTEG)

Problemem związanym z zastosowaniem generatorów TEG jest konieczność zapewnienia różnicy temperatur pomiędzy stroną „zimną”, a „ciepłą” na poziomie co najmniej kilkudziesięciu stopni. Im większa różnica, tym wyższe napięcie jest generowane. Przemysłowe TEG pracują nawet przy temperaturze powierzchni ciepłej, sięgającej 800°C. Przykładem generatora wysokotemperaturowego może być pokazany na fotografii 9 CMO3262S firmy TECTEG. Przy rozmiarach 65×65×8,6 mm moduł zawiera 32 złącza PN i jest zdolny do generacji od 2,24 do 12,3 W, przy różnicy temperatur 350…750°C i utrzymaniu temperatury zimnej strony równej 50°C. Napięcie wyjściowe generatora, przy obciążeniu znamionowym, zawiera się w zakresie 2,55…6,4 V. Jak widać moc jest dosyć spora, ale temperatury wymagane raczej pozycjonują CMO3264S w układach odzysku energii odpadowej ze spalania. Koszt generatora w zakupie jednostkowym to 375 $.

Zaletą układu jest brak jakichkolwiek elementów ruchomych, wadą – wymagająca aplikacja, związana z wysokimi temperaturami i odpowiednim mocowaniem samego modułu. Niewłaściwe zaprojektowanie części mechanicznej układu, może skutkować uszkodzeniem modułu, podlegającego naprężeniom związanym z różnicą temperatur. Odpowiedniego przygotowania wymaga także powierzchnia kontaktowa, która musi być gładka i płaska, aby zapewnić bezstratne przekazywanie ciepła. Konieczne jest też zapewnienie odpowiedniej izolacji termicznej i zabezpieczenia podłączonych przewodów. Warto pamiętać o możliwości przebiegunowania napięcia wyjściowego TEG, jeżeli z jakiegoś powodu różnica temperatur stanie się ujemna.

W przypadku braku dostępu do wysokich temperatur, można zastosować generatory „niskotemperaturowe” nazywane Low DT. Przykładem takiego generatora jest moduł TEG2162LDT, który przy rozmiarach 40×40×5,4 mm może wygenerować do 3 W mocy. Przykładową zależność mocy od temperatury przy utrzymywaniu 30°C w części zimnej, pokazano na rysunku 2.

Rysunek 2. Zależność P=F(Th) dla TEG2-162LDT (z materiałów TECTEG)

TEG nadają się też do aplikacji przy mniejszych różnicach temperatur. Osiągana moc będzie oczywiście niższa, ale w sporej ilości zastosowań wystarczająca do zasilania energooszczędnych układów elektronicznych. Pracując z niewielkimi różnicami temperatur, napięcie wyjściowe generatora będzie zawierało się w przedziale od kilkudziesięciu do kilkuset miliwoltów, co wymusza zastosowanie przetwornicy podwyższającej, zdolnej do rozpoczęcia pracy przy tak niskim napięciu wejściowym. Podczas doboru modułu do aplikacji, warto sprawdzić oferty takich firm jak: Ferrotec, LAird, TE i Custom Thermoelectric.

Układy przetwarzające

Efektywne pozyskiwanie energii z otoczenia wymaga, oprócz harvestera, odpowiedniego układu przetwarzającego uzyskaną z niego moc, na stabilne napięcie zasilające dla docelowej aplikacji. Początkowo do współpracy z harvesterami stosowane były przetwornice (przeważnie podwyższające), zdolne do pracy przy dosyć szerokim zakresie napięć wejściowych. Takie rozwiązanie sprawdza się w najprostszych i najbardziej wrażliwych na koszty zastosowaniach. Osiągnięcie niezawodnego zasilania zwykle odbywa się kosztem znacznego przewymiarowania źródła energii tak, aby zbilansować pobór także w czasie, gdy pozyskiwanie energii jest minimalne.

Jeżeli zależy nam na możliwie największej całkowitej sprawności, warto zastosować specjalizowany kontroler nadzorujący pozyskiwanie, gromadzenie, przepływ energii oraz realizujący niezbędne zabezpieczenia, monitorowanie efektywności i stanu procesu. Producenci układów scalonych systematycznie rozbudowują ofertę specjalizowanych kontrolerów, przeznaczonych do obsługi harvesterów – PMIC, czyli Power Management IC.

Wybór metody pozyskiwania narzuca nam otoczenie, w jakim będzie pracowało urządzenie, ale dopasowanie układu PMIC, pozostaje wyborem inżyniera aplikacyjnego. Dlaczego do tak prostego celu, jakim jest zasilacz, warto rozważyć zastosowanie specjalizowanego układu scalonego? Sprawdźmy jakie wymagania stawia się nowoczesnemu PMIC-owi.

Współpraca z różnymi źródłami pozyskiwanej energii

Każdy z harvesterów generuje energię, którą jednakowo sprawnie należy pozyskać i zgromadzić. Najłatwiejsza do realizacji jest integracja z ogniwami fotoelektrycznymi, gdyż poprzez odpowiedni dobór modelu, ani napięcia stałe, ani generowane prądy, nie stanowią problemu dla współczesnych układów PMIC.

Bardziej problematyczne są przetworniki piezo, generujące prąd przemienny, odpowiadający przetwarzanym drganiom (skręceniom), w zakresie od pojedynczych do kilkuset Hz, przy dużej rezystancji wewnętrznej źródła i napięciu dochodzącym do kilkudziesięciu woltów. Na przeciwnym biegunie znajdują się generatory TEG, które przy niewielkich różnicach temperatur generują napięcia do kilkudziesięciu mV.

Wszystkie harvestery są dalekie od źródła idealnego, posiadają różnego rodzaju nieliniowości, czy to wynikające z samego procesu pozyskiwania, czy to wpływu dodatkowych warunków zewnętrznych (zależność napięcia ogniwa fotoelektrycznego od temperatury, zmienność rezystancji wewnętrznej zależna od obciążenia).

Wszystkie nieliniowości źródła mają wpływ na efektywność pozyskiwania energii. Dobrze, by PMIC posiadał możliwość ich kompensacji poprzez algorytm mocy maksymalnej MPPT, w przypadku współpracy z ogniwem fotoelektrycznym lub dodatkową kompensację temperatury otoczenia. PMIC musi też dobrze radzić sobie z dynamiką mocy źródła, równie sprawnie pozyskując energie minimalne jak i maksymalne dla danego harvestera – przykładowo, dla minimalnie i maksymalnie oświetlonego ogniwa fotoelektrycznego, zabezpieczając jednocześnie źródła przed przeciążeniem.

Magazynowanie pozyskanej energii

Nowoczesny PMIC współpracuje z magazynem energii, jakim może być bateria lub akumulator. Coraz częściej energia gromadzona jest w superkondensatorach. PMIC musi zapewnić odpowiedni algorytm ładowania ogniwa wielokrotnego użytku, z realizacją wszystkich niezbędnych dla danego typu zabezpieczeń. Ładowanie musi być sterowane tak, aby nie przeciążyć źródeł energii, a jednocześnie zapewnić balans, pomiędzy mocą pobieraną przez zasilany układ, a dostępną ze źródeł.

Większość harvesterów pracuje w zmiennych warunkach środowiskowych, dlatego warto by PMIC kompensował i zabezpieczał ładowany akumulator w szerokim zakresie temperatur. W aplikacjach, gdzie zapewnienie ciągłości zasilania jest kluczowe, PMIC może obsługiwać i zarządzać kilkoma ogniwami chemicznymi lub magazynem hybrydowym, składającym się z ogniwa chemicznego i superkondensatora.

Zasilanie układu

Współczesne harvestery bardzo często, oprócz głównego napięcia zasilania układu, dysponują pomocniczymi regulatorami LDO, których napięcie wyjściowe może być ustalane albo konfiguracją wyprowadzeń, albo dzielnikiem rezystorowym, rozwiązując kompleksowo problem zasilania układu. Zapewniają nie tylko główne zasilanie, dopuszczając dużą dynamikę obciążenia konieczną w większości aplikacji IoT, gdzie przykładowo część radiowa pracuje impulsowo, ale także stabilizują w szerokim zakresie niskie napięcia stałe 1,2…2,5 V, dla zasilania energooszczędnej części mikroprocesorowej układu. PMIC generuje sygnały monitorujące jego pracę, ułatwiające prawidłowe rozpoczęcie działania układu, takie jak: RESET, informujące układ o zaniku zasilania z poszczególnych źródeł lub zasilaczy, PG, PFO oraz udostępniające możliwość sterowania załączeniem i wyłączeniem napięć wyjściowych lub procesu ładowania, co upraszcza docelową aplikację.

Oczywiście funkcje PMIC można zrealizować „na piechotę”, ale nie wiem, czy zastosowanie co najmniej kilku układów scalonych przetwornic, stabilizatorów LDO, kluczy zasilania, obwodów obsługi podstawowego źródła zasilania, układów zasilania buforowego, układów monitorowania nie będzie trudniejsze od zastosowania wyspecjalizowanego PMIC-a. Warto więc zapoznać się z rozwiązaniami proponowanymi przez renomowanych producentów. Wśród dostępnych na rynku rozwiązań, warto zainteresować się układami firm Analog Devices\Linear Technology, Cypress\Infineon, Texas Instruments.

W aplikacjach, w których nie wymagamy zaawansowanego procesu kontroli i sterowania pozyskiwaniem energii, sprawdzą się rozwiązania oparte o przetwornice podwyższające DC/DC zdolne do pracy z niskim napięciem wejściowym np.: LTC3525, LTC3526, LTC3535, TPS61220, TPS61291, TPS61098 lub w przypadku źródła o wyższym napięciu – przetwornice obniżające np.: LTC3388, LTC3642, LTC3631. Pożądaną cechą jest niski prąd spoczynkowy, wysoka sprawność w szerokim zakresie napięcia zasilania, możliwość ograniczania prądu wejściowego (zapobiegająca przeciążeniu źródła) oraz rozłączanie wejścia i wyjścia (gdy przetwornica nie pracuje).

Ze względu na dużą popularność harvesterów solarnych, oferta PMIC przeznaczonych do tego typu zastosowań jest najszersza. Ciekawą propozycją Cypressa (aktualnie już w grupie Infineona) jest rodzina S6AE10x, składająca się z układów S6AE101, 2, 3, optymalizowana do współpracy z panelem PV oraz ogniwem chemicznym i kondensatorem buforowym. Układy różnią się ilością kanałów wyjściowych, wbudowanym LDO, timerami. Podstawowe parametry są zbliżone, takie jak zakres napięć wejściowych 2…5,5 V, moc konieczna do startu przetwornicy 1,2 μW, zakres napięć wyjściowych 1,1…5,2 V (przy obciążalności do 10 mA, w zależności od trybu pracy), prąd spoczynkowy mniejszy niż 280 nA. Układy S6AE101, 2, 3, mają, oprócz LDO i dwóch kanałów wyjściowych, układ Hybrid Storage, umożliwiający podłączenie dwóch kondensatorów buforowych (niezależnie do zasilania systemowego, jak i zasilania z PV) i przełączanie ich w zależności od aktualnego bilansu mocy. Dostępne są w obudowach SON10, QFN20/24. Aplikację rodziny S6AX10x pokazano na rysunkach 3...5.

Rysunek 3. Aplikacja układu S6AE101 (za notą Cypress/Infineon)
Rysunek 4. Aplikacja układu S6AE102 (za notą Cypress/Infineon)
Rysunek 5. Aplikacja układu S6AE103 (za notą Cypress/Infineon)

Najprostszy układ, typu S6AE101, współpracuje z ogniwem fotowoltaicznym oraz ogniwem chemicznym. Próg rozruchu to 1,2 mW, a pobór prądu na potrzeby własne 250 nA. Układ jest zasilaczem liniowym, zawiera klucze sterowane poziomami napięć źródeł, rozdysponowując pozyskaną moc pomiędzy kondensator gromadzący Store, a wyjście układu System Load. Dodatkowy obwód rozładowania pojemności wyjściowej ułatwia pracę zewnętrznego obwodu detekcji zasilania i generowania sygnału reset.

Kompleksowe rozwiązania harvesterów solarnych oferuje także Analog Devices. Przykładem może być LTC3106, którego aplikację pokazano na rysunku 6. Jest to specjalizowany układ przetwornicy obniżajaco-podwyższającej o niskim prądzie spoczynkowym, zoptymalizowany do współpracy z ogniwem PV.

Rysunek 6. Aplikacja układu LTC3106 (za notą Analog Devices)

Układ LTC3106 współpracuje z baterią chemiczną, także wersji ładowalnej NiMH, LiIon, LiPO, zapewniającą zasilanie rezerwowe. W przypadku wykorzystania źródła rezerwowego, pozyskiwanie energii z PV możliwe jest już od 300 mV, bez niej od 850 mV. Napięcie wyjściowe przetwornicy ustalane jest stanem wyprowadzeń na typowe wartości 1,8 V, 2,2 V, 3,3 V, 5 V. Możliwe jest wykorzystanie algorytmu MPP i ograniczenie prądu ILIM wejściowego przetwornicy.

Wbudowany komparator PGOOD sygnalizuje poprawność napięcia wyjściowego. Układ zamykany jest w obudowach TSSOP20 i QFN20, pracuje poprawnie w pełnym zakresie –40…125°C, koszt przy zakupie jednostkowym to ok. 3 $. LTC3106 może także współpracować z TEG, ale przy wyższych różnicach temperatur, gdy spełniony jest warunek startu przetwornicy.

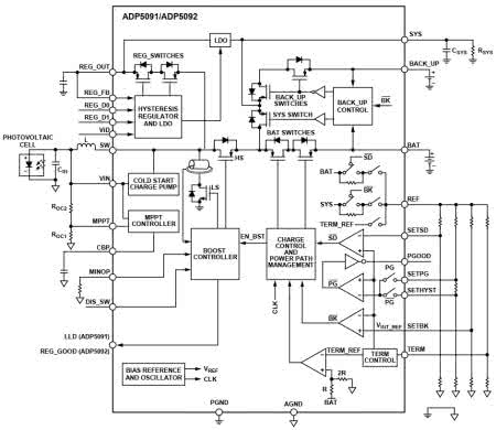
Nieco bardziej złożony jest ADP5092, którego aplikację pokazano na rysunku 7. Układ przeznaczony jest do współpracy z panelem PV i ogniwem ładowalnym lub superkondensatorem. Zakres mocy w jakim odbywa się pozyskiwanie energii to 6 μW…600 mW, przy napięciu startu 380 mV, zakres napięć wejściowych wynosi 80 mV…3,3 V, a prąd spoczynkowy nie przekracza 510 nA. Układ posiada wbudowany, parametryzowany rezystorami układ śledzenia punktu mocy maksymalnej MPPT. Możliwa jest praca z dodatkowym ogniwem chemicznym (nieładowalnym) w trybie BACKUP, dla zwiększenia niezawodności zasilania.

Rysunek 7. Aplikacja ADP5092 (za notą Analog Devices)

Uzupełnieniem jest układ nadzoru napięcia wyjściowego w zakresie 2,2…5 V, ułatwiający zabezpieczenie współpracujących akumulatorów lub superkondensatorów przed przeładowaniem lub nadmiernym rozładowaniem. Dzięki możliwości wyłączenia przetwornicy, PMIC nie zakłóca pracy układów RF podczas realizacji transmisji danych. Układ zamknięty jest w obudowie LFCSP24 4×4 mm, pracuje w zakresie temperatur –40…125°C i kosztuje ok. 2,5 $.

W ofercie Texas Instruments, także znajdziemy interesujące propozycje PMIC np.: BQ25504, BQ25570. Układ BQ25504, którego aplikację pokazano na rysunku 8, współpracuje z baterią, superkondensatorem i panelem PV (MPPT). Charakteryzuje się niskim napięciem startu 600 mV, zakresem mocy wejściowej 10 μW…300 mW, progiem mocy startowej 15 μW. Ma wbudowane zabezpieczenie elementu gromadzącego energię (bateria ładowalna, superkondensator), przed przekroczeniem dopuszczalnego napięcia, jak i obniżeniem napięcia poniżej bezpiecznego poziomu. Podobnie jak w przypadku LTC3106 możliwa jest współpraca z generatorem TEG. Układ BQ25504 zamykany jest w obudowie VQFN16 3×3 mm, zakres temperatury pracy –40…85°C, koszt przy zakupie jednostkowym to ok. 2 $.

Rysunek 8. Aplikacja układu BQ25504 (za notą Texas Instruments)

Wybór układów dla harvesterów piezo jest nieco skromniejszy, ale bez problemu znajdziemy gotowe rozwiązania. W ofercie Analog Devices dostępne jest kilka układów przeznaczonych do współpracy z generatorami piezoelektrycznymi. Przykładem może być LTC3588, którego aplikację pokazano na rysunku 9.

Rysunek 9. Aplikacja LTC3588 (za notą Analog Devices)

Wbudowana przetwornica obniżająca ze zintegrowanym, wysokosprawnym prostownikiem mostkowym, pracuje przy napięciu wejściowym 2,7…20 V, gromadząc energię w kondensatorze. Napięcie wyjściowe przetwornicy ustalane jest stanem wyprowadzeń na typowe wartości 1,8 V, 2,5 V, 3,3 V, 5 V. Maksymalny prąd wyjściowy układu to 100 mA. Układ LTC3588 zamykany jest w obudowie DFN10 3×3 mm oraz MSOP10, zakres temperatury pracy –40…85°C, koszt przy zakupie jednostkowym to ok. 4 $. Układ dostępny jest w dwóch wersjach LTC35881, LTC35882, różniących się progiem układu ULVO. Wersja druga układu pracuje przy napięciach wejściowych >14 V i przeznaczona jest do generatorów piezo o wyższym napięciu pracy.

Kilka dostępnych na rynku układów dostosowanych jest do jednoczesnego pozyskiwania energii z kilku typów harvesterów. Przykładem mogą być układy LTC3330 i LTC3331 Analog Devices. Bardzo uniwersalną propozycją jest LTC3331, umożliwiający współpracę z panelem PV, generatorem piezo, zewnętrznym źródłem zasilania 3…19 V, akumulatorem Li-Ion lub opcjonalnym superkondensatorem. Układ posiada wbudowaną ładowarkę akumulatora z ustalanym napięciem wyjściowym 3,45 V, 4,0 V, 4,1 V, 4,2 V, balanser dla superkondensatora oraz programowane stanem pinów napięcie wyjściowe w zakresie 1,8…5 V przy obciążalności 50 mA. Układ zamykany jest w obudowie QFN32 i dostępny jest w cenie 5 $/szt. Przykładową aplikację pokazano na rysunku 10. LTC3330 jest zbliżony funkcjonalnie, ale zamiast ogniwa ładowalnego współpracuje z baterią.

Rysunek 10. Struktura układu LTC3331 (za notą Analog Devices)

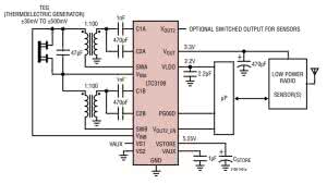
Dla generatorów TEG przeznaczone są układy LTC3107, LTC3109. LTC3107 dzięki zastosowaniu podwyższającego 1:100 transformatora wejściowego, rozpoczyna pracę już od 20 mV, umożliwiając pozyskiwanie energii z TEG już przy różnicy temperatur na poziomie kilku stopni. Wbudowany stabilizator LDO 2,2 V może zasilać bezpośrednio układ mikroprocesorowy, a napięcie wyjściowe przetwornicy (równe napięciu baterii) stopnie wykonawcze układu. Energia pozyskiwana gromadzona jest w kondensatorze Cstore. Jeśli różnica temperatur jest wystarczająca do pracy przetwornicy, bateria jest odcinana, sygnalizowane jest to stanem wyprowadzenia BAT_OFF, a prąd pobierany z baterii jest ograniczony do 80 nA, co pozwala znacząco przedłużyć czas jej eksploatacji. Podczas pracy napięcie wyjściowe utrzymywane jest na poziomie napięcia baterii. Przykładową aplikację LTC3107 pokazano na rysunku 11. Bardziej rozbudowane rozwiązania zawarte są w układzie LTC3109, którego przykładową aplikację pokazano na rysunku 12.

Rysunek 11. Aplikacja układu LTC3107 (za notą Analog Devices)
Rysunek 12. Aplikacja układu LTC3109 (za notą Analog Devices)

Układ LTC3109 przystosowany jest do pozyskiwania energii z TEG, przy niewielkiej różnicy temperatur, z tym że, nie jest problemem polaryzacja napięcia z generatora. Układ umożliwia więc pozyskiwanie energii z procesów, gdzie TEG poddawany jest cyklicznym zmianom znaku różnicy temperatur. Energia gromadzona jest w kondensatorze. Napięcie wyjściowe przetwornicy może być ustalane na 2,35 V, 3,3 V, 4,1 V i 5 V. Dodatkowy stabilizator LDO 2,2 V/5 mA może służyć do zasilania współpracującego mikroprocesora. Dostępne jest także wyjście VOUT2, z kluczowanym napięciem, co ułatwia odłączenie zasilania nieużywanych peryferiów, w trybie obniżonego poboru mocy. LTC3109 może opcjonalnie gromadzić energię z dwóch niezależnych TEG, pracujących z rozmaitymi różnicami temperatur, ale bez zmiany polaryzacji generowanego napięcia. Układ zamknięty jest w obudowie QFN20 4×4 mm lub SSOP20, pracuje w zakresie temperatur –40…125°C i kosztuje ok. 4,5 $.

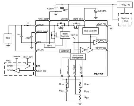
Dla większych różnic temperatur można użyć uniwersalnego harvestera BQ25505 firmy Texas Instruments. Układ do pracy wymaga min 600 mV, ale po uruchomieniu pracuje aż do momentu, gdy napięcie zasilania spadnie do 100 mV. Energia może być gromadzona w kondensatorze, superkondensatorze lub akumulatorach z automatycznym przełączaniem źródeł, przy zbyt małej ilości pozyskanej energii. Wbudowany układ monitorujący zabezpiecza ogniwo przed przeładowaniem i nadmiernym rozładowaniem. Przykładową aplikację pokazano na rysunku 13.

Rysunek 13. Aplikacja układu BQ25505 (za notą Texas Instruments)

Podsumowanie

Zagadnienie pozyskiwania energii z otoczenia, w związku z rozwojem elektroniki mobilnej, ma przed sobą szerokie perspektywy rozwoju. Zaprezentowane rozwiązania nie wyczerpują wszystkich możliwości, a są jedynie przeglądem najpopularniejszych i dostępnych rozwiązań. Mam nadzieję że nakreślenie tematu, pozwoli Czytelnikom na zapoznanie się z problematyką i podjecie własnych prób w tej jakże ciekawej dziedzinie elektroniki. W przygotowaniu do publikacji na łamach EP, są także praktyczne zastosowania opisanych harvesterów.

Adam Tatuś
adam.tatus@ep.com.pl

Artykuł ukazał się w
Elektronika Praktyczna
sierpień 2020
DO POBRANIA
Pobierz PDF Download icon
Elektronika Praktyczna Plus lipiec - grudzień 2012

Elektronika Praktyczna Plus

Monograficzne wydania specjalne

Elektronik listopad 2025

Elektronik

Magazyn elektroniki profesjonalnej

Raspberry Pi 2015

Raspberry Pi

Wykorzystaj wszystkie możliwości wyjątkowego minikomputera

Świat Radio listopad - grudzień 2025

Świat Radio

Magazyn krótkofalowców i amatorów CB

Automatyka, Podzespoły, Aplikacje listopad - grudzień 2025

Automatyka, Podzespoły, Aplikacje

Technika i rynek systemów automatyki

Elektronika Praktyczna listopad 2025

Elektronika Praktyczna

Międzynarodowy magazyn elektroników konstruktorów

Elektronika dla Wszystkich grudzień 2025

Elektronika dla Wszystkich

Interesująca elektronika dla pasjonatów