Dekoder DCC trakcji i dźwięku do modeli kolejowych (2)

Dekoder DCC trakcji i dźwięku do modeli kolejowych (2)
Pobierz PDF Download icon

Najnowsze konstrukcje dekoderów jazdy i dźwięku, są tak skonstruowane, że wraz z głośnikiem mieszczą się w modelach lokomotyw w skali H0 i mniejszej. Niestety, ze względu na dosyć małą skalę produkcji są dość kosztowne. Można znaleźć amatorskie wykonania dekoderów trakcji, natomiast brakuje dekoderów dźwiękowych z samplowaniem dźwięków. Zaprezentowany moduł realizuje te, oraz wiele innych funkcji. W pierwszej części artykułu zostały opisane szczegóły konstrukcyjne, teraz skupimy się na peryferiach dekodera oraz jego konfiguracji.

Podstawowe parametry:
  • 21 wyjść (można zwiększyć do 25), w tym 13 wyjść PWM, co pozwala na sterowanie oświetleniem lokomotywy według instrukcji E1 PKP,
  • Dostępne efekty takie, jak „iskrzący pantograf”, „świetlówka”, „palenisko” i wiele innych,
  • Cztery wyjścia do sterowania serwomechanizmami, co pozwoli sterować pantografami czy otwieraniem drzwi lub żaluzji,
  • Tania i prosta konstrukcja.

UPS

Ze względu na znaczny pobór prądu przez układ dźwiękowy, praca dekodera bez układu podtrzymania zasilania nie ma większego sensu. Kondensator UPS można podłączyć tak, jak to zostało naszkicowane na rysunku 8.

Rysunek 8. Sposób dołączenia kondensatora UPS

Zalecane parametry kondensatora to 1000 µF/25 V lub więcej (minimalnie 220 µF). Konieczny jest prosty układ ładowania – wartość rezystora to 47...100 Ω, dioda dowolna 1 A, najlepiej typu Shottky.

RailCOM

Dekoder nie wysyła informacji w standardzie RailCom ale przerwy w transmisji/zasilaniu generowane na potrzeby tego systemu, nie przeszkadzają w komunikacji. Ze względu na to, że opcję wprowadzono niedawno i nie została przetestowana na dużej liczbie systemów, nie można zagwarantować, że funkcja działa bezbłędnie. Może ona powodować, że dekoder zacznie się zachowywać w sposób nieprzewidywalny. Ta sama uwaga dotyczy systemów, które pozwalają na sterowanie jedną lokomotywą analogową. W przypadku problemów należy włączyć RailCom lub sterowanie analogowe.

SUSI

W komunikacji SUSI nie działa ACK, dlatego nie ma potwierdzenia programowania oraz możliwości odczytu CV z dekodera przyłączonego przez SUSI.

Pewny odczyt CV

Innowacyjna funkcja powoduje, że silnik praktycznie stoi przy odczycie rejestrów mimo że płynie przez niego maksymalny prąd. Dzięki temu ryzyko przerwania odczytu (słaby styk) jest zmniejszone do minimum (https://bit.ly/2OIeZl9). Przy okazji jest to korzystniejsze dla układów mechanicznych niż szarpanie w jedną i drugą stronę.

Wyjścia funkcyjne

Dekoder dysponuje 21 wyjściami (modyfikując oprogramowanie można zwiększyć do 25) w tym 13 PWM, cztery mocy i cztery wyjścia serwomechanizmów. Wyjścia cyfrowe TTL-LV sterujące obciążeniem w postaci diod LED najlepiej używać z inwersją (ustawienie domyślne) sterując katodą diody, jak to zostało pokazane na rysunku 9.

Rysunek 9. Zalecany sposób dołączania diod LED

Podstawową zaletą takiego połączenia jest uzyskanie na wyjściu wyższego napięcia, co ma znaczenie dla białych i niebieskich diod LED. Dodatkowo, dioda nie pobiera prądu z kondensatora UPS. Trzeba pamiętać o ograniczeniu prądu pobieranego z wyjścia cyfrowego do 25 mA na jedno wyjście i 80 mA dla wszystkich wyjść razem.

Oświetlenie do jazdy manewrowej, światła PKP E1

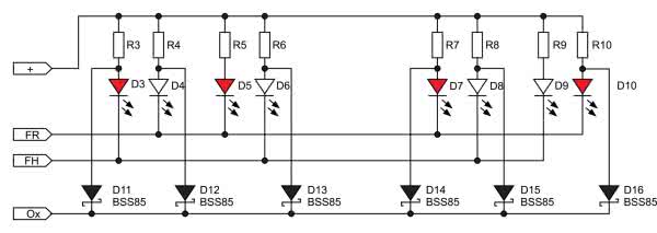
Dekoder umożliwia dla jazdy manewrowej włączenie obu (FR i FH) wyjść sterujących światłami (konfiguracja w CV24). Powoduje to niestety świecenie zarówno białych jak i czerwonych świateł jeśli lokomotywa jest w nie wyposażona. Ponadto świecą oba czołowe, a powinno jedno. Dekoder ma możliwość wysterowania wyjścia w czasie jazdy manewrowej. Budując prosty układ z rysunku 10, składający się z kilku diod, można zapewnić oświetlenie po części zgodne z instrukcją PKP E1.

Rysunek 10. Schemat dołączenia oświetlenia do jazdy manewrowej

Działanie układu jest bardzo proste, niepotrzebne diody są zwierane przez tranzystor wyjściowy w dekoderze, za pośrednictwem diod Schottky’ego. Skonfigurowanie wyjścia blokady świateł w CV24 powoduje, że wyjście to nie pracuje w trybie PWM lecz ma stabilny aktywny poziom. Tą samą funkcjonalność można osiągną mapując klawisz F3 na wybrane wyjście jednocześnie ustawiając na nim PWM=255.

Oświetlenie PKP E1 dostępne jest w dwóch wariantach, pełnym, wymagającym 10 wyjść funkcyjnych w tym dwa FR i FH oraz Basic do którego wystarczy 6 wyjść razem z FR i FH. Basic ma pewne ograniczenia, brak Pc2, Pc6, manewrowe tylko z jednej strony a przy postojowych świeci także górny reflektor. Oświetlenie PKP włącza się w rejestrze CV24. Przypisanie wyjść do świateł PKP realizują rejestry 303-310.

Głośnik

Do dekodera można podłączyć miniaturowy głośnik w wymiarach 15×11×3,5 mm, a z komorą rezonansową (zalecane rozwiązanie) 15×11×7 mm. Najlepsze rezultaty osiągnięto z głośnikiem typu Mini 1511 (https://bit.ly/37sVtzR), jego podstawowe parametry to: moc: 500 mW, impedancja: 8 Ω, pasmo: 650 Hz...16,5 kHz, poziom głośności: 73 dB.

Zadowalające efekty osiągnięto na głośniku o średnicy 23 mm i mocy 1,5 W. Ze względu na rozmiary nie w każdej lokomotywie można go zamontować. Wiele modeli, jak BR118 czy SM42 firmy PIKO ma miejsce na dedykowany głośnik. Wtedy efekty dźwiękowe są bardzo dobre (https://bit.ly/2Zx4W4I).

Konfiguracja programu terminala

W poprzedniej części artykułu został pokazany sposób dołączenia przejściówki USB-UART. Gdy centralka ma galwaniczne połączenie z komputerem, do którego podłączona jest przejściówka USB (na przykład przez USB centralki) komunikacja będzie zakłócona. W takiej sytuacji trzeba odizolować galwanicznie USB lub odłączyć centralkę od komputera.

W niektórych przypadkach transmisja może być zakłócana przez pętlę masy związaną z uziemieniem zasilaczy komputera czy centralki a w szczególnych przypadkach przez pojemności zasilaczy (filtrów przeciwzakłóceniowych w zasilaczach). W takim przypadku niezbędna jest izolacja galwaniczna np. przy pomocy huba USB z izolacją.

Dzięki podłączeniu konwertera USB-UART w terminalu można zobaczyć informacje diagnostyczne. Terminal musi obsługiwać co najmniej VT-100, polecam TeraTerm. Po ustaleniu numeru portu COM przejściówki, w programie należy w menu Setup wskazać Serial port, a w oknie, które się pokaże należy ustawić numer portu COM i parametry transmisji – prędkość transmisji 921600, pozostałe parametry 8N1. Po włączeniu zasilania pokaże się ekran podobny do tego z rysunku 11.

Rysunek 11. Informacje, które pokaże terminal po połączeniu z dekoderem

Po pięciu sekundach ukażą się informacje docierające do dekodera, o ile dekoder został zaadresowany (wysyłane są do niego ramki DCC).

Konfiguracja dekodera

Duże możliwości dekodera są okupione dużą liczbą rejestrów konfiguracyjnych (tabela 2) ale przeważnie wystarczy skonfigurować kilka z nich aby uzyskać pożądane efekty. Dostępnych jest pięć zestawów dźwięków (tabela 3), które pozwalają na uzyskanie dźwięków jedenastu różnych lokomotyw. Obecna wersja programu ma na stałe przypisane adresy lokomotyw.

W sprawie nowych wersji oprogramowania umożliwiających zmianę adresu, nowszych wersji dźwięków jak ST44, EU07 itp., proszę pisać na podany e-mail.

Tabele 2 i 3 nie zostały zamieszczone w artykule ze względu na ich znaczne objętości, ale są dostępne na stopnie ep.com.pl oraz w materiałach dodatkowych do projektu.

Problemy i rozwiązania

W tabeli 4 zestawiono podstawowe problemy, na które można natknąć się w czasie użytkowania dekodera.

SaS
sas@elportal.pl

Wykaz elementów:
Rezystory:
  • R1: 0,22 Ω SMD1206
  • R2, R3, R8, R11: 22 kΩ SMD0603
  • R4, R6: 47 kΩ 1% SMD0603
  • R5, R7: 6,8 kΩ 1% SMD0603
  • R9, R10: 1 Ω SMD0603
Kondensatory:
  • C1: 10 µF/25 V SMD1206 ceramiczny
  • C2: 220 µ/6,3 V tantalowy
  • C3, C10: 47 µF/10 V SMD1206 ceramiczny
  • C4, C5, C6, C9: 100 nF SMD0603 ceramiczny
  • C7, C8: 2,2 µF* SMD0603 patrz tekst
Półprzewodniki:
  • D1…D6: SS16L-R2 (SMA)
  • T1, T2: 2N7002DWH6327XTSA1 (SC-88)
  • U1: TS2940CW-3.3 (SOT-223)
  • U2: A4952ELYTR-T (MSOP-10)
  • U3: TPA2005D1DGN (MSOP-8)
  • U4: STM32F091CCT6 (LQFP-48)
Inne:
Artykuł ukazał się w
Elektronika Praktyczna
marzec 2021
DO POBRANIA
Pobierz PDF Download icon
Materiały dodatkowe
Elektronika Praktyczna Plus lipiec - grudzień 2012

Elektronika Praktyczna Plus

Monograficzne wydania specjalne

Elektronik listopad 2025

Elektronik

Magazyn elektroniki profesjonalnej

Raspberry Pi 2015

Raspberry Pi

Wykorzystaj wszystkie możliwości wyjątkowego minikomputera

Świat Radio listopad - grudzień 2025

Świat Radio

Magazyn krótkofalowców i amatorów CB

Automatyka, Podzespoły, Aplikacje listopad - grudzień 2025

Automatyka, Podzespoły, Aplikacje

Technika i rynek systemów automatyki

Elektronika Praktyczna listopad 2025

Elektronika Praktyczna

Międzynarodowy magazyn elektroników konstruktorów

Elektronika dla Wszystkich grudzień 2025

Elektronika dla Wszystkich

Interesująca elektronika dla pasjonatów