Estetyczny zegar

Estetyczny zegar
Pobierz PDF Download icon

Klasyczne zegary cyfrowe z wyświetlaczami siedmiosegmentowymi stają się niemodne - cyfry konstruowane z jednakowych segmentów wyglądają dosyć siermiężnie. Klasyczna tarcza ze wskazówkami (pokazana np. na wyświetlaczu graficznym) jest z kolei mało czytelna. Prezentowany układ pokazuje aktualny czas i dzień tygodnia przy użyciu znaków o kroju Arial.

Podstawowe parametry:
  • wskazywanie czasu (godzin i minut) w trybie 24-godzinnym,
  • wskazywanie aktualnego dnia tygodnia przy użyciu pełnego słowa w języku polskim lub angielskim,
  • podtrzymanie odliczania po zaniku zasilania,
  • wybór koloru tła i liter przy użyciu zworki,
  • zasilanie napięciem stałym 4,5…15 V, ok. 60 mA.

Na łamach EP opublikowano wiele różnych zegarów, lecz każdy różnił się od pozostałych. Ten zegar ma wbudowany wyświetlacz graficzny o przekątnej 1,8 ”, który może wyświetlać czarne litery na białym tle bądź odwrotnie. Cyfry o wysokości ok. 9 mm są widoczne z daleka i czytelne nawet w słoneczny dzień.

Budowa

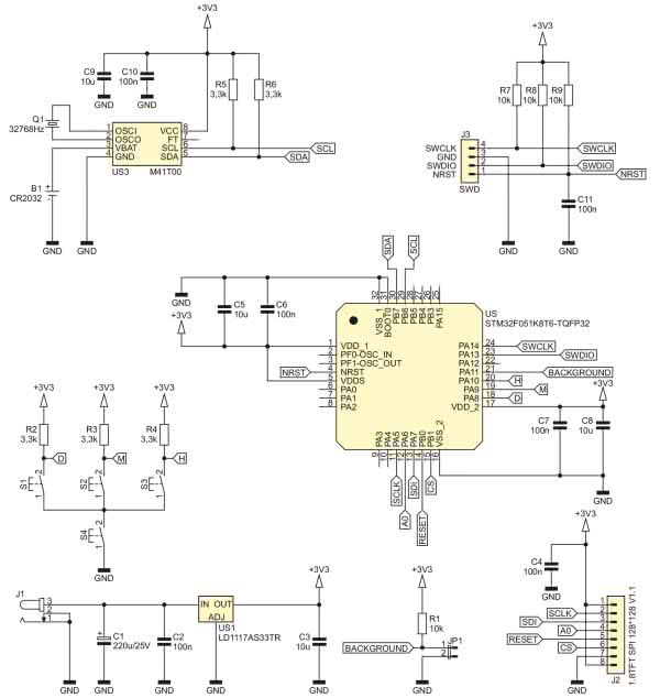
Schemat ideowy układu pokazano na rysunku 1. Funkcjonowaniem całego urządzenia steruje mikrokontroler STM32F051K8T6. Spośród jego licznych peryferiów w tym projekcie mają zastosowanie: I2C do komunikacji z układem RTC oraz SPI, którym przebiega komunikacja z wyświetlaczem graficznym.

Rysunek 1. Schemat ideowy układu zegara

Częstotliwość zegara mikrokontrolera wynosi 48 MHz i nie musi być szczególnie stabilna, ponieważ nie służy do odmierzania czasu. Mikrokontroler w tej wersji obudowy nie ma dodatkowego wejścia zasilania bateryjnego, które mogłoby podtrzymywać odliczanie wewnętrznego RTC, dlatego użyto zewnętrznego układu.

Do programowania pamięci Flash mikrokontrolera zostało przewidziane złącze J3, na które wyprowadzono cztery podstawowe linie interfejsu SWD: NRST, SWCLK, SWDIO oraz masę. Linie sygnałowe zostały podciągnięte do zapięcia zasilającego przy użyciu rezystorów R7…R9, aby odprowadzać z nich ładunki elektrostatyczne, które mogłyby zakłócać prawidłowe działanie układu. Kondensator C11 jest zalecany przez producenta mikrokontrolera i służy chwilowemu wymuszeniu sprzętowego zerowania układu po włączeniu zasilania.

Do wyświetlacza graficznego zostały dołączone dwie linie sprzętowego interfejsu SPI1. Są to MOSI (wyjście danych z układu nadrzędnego) i SCK (sygnał zegarowy danych), oznaczone na schemacie jako SDI i SCLK. Użycie sprzętowego interfejsu, zarządzanego przez DMA, pozwoliło na znacznie przyspieszenie przesyłu danych, których ilość, składająca się na jeden pełny obraz, jest pokaźna. Pozostałe linie (A0 - wybór dane/komenda, RESET - sprzętowe zerowanie, CS - wybór układu) są zarządzane czysto programowo, ponieważ nie są krytyczne czasowo.

Do ustawiania aktualnego czasu (minut, godzin i dni tygodnia) służą przyciski S1…S3, których jednokrotne przyciśnięcie powoduje zmianę danej wartości o 1. Aby zapobiec przypadkowej zmianie, dodano przycisk S4, który trzeba trzymać wciśnięty, żeby regulacja była możliwa. Bez tego nie jest możliwe wymuszanie niskiego stanu logicznego na odpowiednich liniach prowadzących do mikrokontrolera, natomiast stan wysoki po zwolnieniu przycisków utrzymują rezystory R2…R4.

Użytkownik może wybrać kolor tła i znaków. Kiedy zworka JP1 jest zwarta, wejście mikrokontrolera jest w stanie niskim i układ wyświetla czarne znaki na białym tle. Po jej rozwarciu rezystor podciągający R1 ustala jej stan na wysoki i kolory odwracają się: znaki stają się czarne, a tło białe.

Układ zegara czasu rzeczywistego (US3) został podłączony według podstawowej aplikacji, zalecanej w nocie katalogowej. Linie magistrali I2C zostały podciągnięte rezystorami o wartości 3,3 kΩ, aby zapewnić odpowiednio krótki czas narastania napięcia - maksymalnie 1 μs. To przekłada się na maksymalną pojemność obciążającą linię równą 138 pF - w tym układzie nie przekracza ona połowy tej wartości. Rezonator kwarcowy Q1 powinien być przystosowany do współpracy z pojemnością obciążenia około 12,5 pF. W takich warunkach producent deklaruje prawidłową pracę zegara.

Cały układ musi być zasilany stabilizowanym napięciem stałym o wartości 3,3 V. Dlatego na płytce znalazł się liniowy stabilizator LDO (US1), który może pracować przy napięciu wejściowym wynoszącym od ok. 4,4 V, ponieważ jego maksymalny dropout wynosi 1,1 V (przy prądzie 100 mA). Z kolei, od góry napięcie wejściowe jest ograniczone wytrzymałością stabilizatora: producent deklaruje tutaj 15 V. Kondensatory usytuowane w bliskim otoczeniu stabilizatora LDO zapobiegają jego wzbudzaniu.

Montaż i uruchomienie

Układ zegara został zmontowany na dwustronnej płytce drukowanej o wymiarach 60×56 mm, której wzór ścieżek i schemat montażowy pokazuje rysunek 2. W odległości 3 mm od krawędzi znajdują się otwory montażowe.

Rysunek 2. Schemat płytki zegara wraz z rozmieszczeniem elementów

Wszystkie elementy, poza złączem żeńskim dla wyświetlacza, są montowane od strony spodniej (BOTTOM). Kondensator C1 i rezonator kwarcowy Q1 warto przylutować na nieco dłuższych wyprowadzeniach, aby można było je położyć na powierzchni płytki. Zmontowany układ można zobaczyć na fotografii 3.

Fotografia 3. Widok zmontowanej płytki od strony BOTTOM

Jeżeli w miejscu eksploatacji urządzenia jest dostęp do stabilizowanego napięcia stałego o wartości 3,3 V, można nie montować układu US1, a pola lutownicze prowadzące do jego wejścia i wyjścia zewrzeć np. odcinkiem srebrzanki. Rysunek 4 ilustruje, które to wyprowadzenia.

Rysunek 4. Wejście i wyjście stabilizatora US1

Jeżeli płytka została prawidłowo zmontowana, w złącze J2 należy wetknąć męskie złącze wyświetlacza. Polecam przykręcić go do płytki przy użyciu czterech tulei dystansowych M3. Aby obie części idealnie do siebie pasowały, ich długość powinna wynosić ok. 11 mm, a takie są trudne do zdobycia. Można użyć tulei o długości 12 mm i pogodzić się z tym, że szpilki części męskiej będą nieco wystawiały, co nie powinno mieć wpływu na ich dobry kontakt. Można też użyć tulei 10 mm oraz podkładki o grubości ok. 1 mm - przykład takiego połączenia pokazuje fotografia 5.

Fotografia 5. Przedłużenie tulei o długości 10 mm

Po zakończeniu montażu do złącza J1 należy doprowadzić zasilanie (polaryzacja: biegun dodatni na bolcu złącza) oraz zaprogramować pamięć Flash mikrokontrolera gotowym wsadem. Jeżeli wszystko przebiegło poprawnie, na wyświetlaczu powinny pojawić się cyfry, migający dwukropek oraz nazwa dnia tygodnia. Można włożyć baterię litową typu CR2032 w gniazdo B1, aby zegar odliczał czas po wyłączeniu zasilania.

Eksploatacja

Podczas ustawiania aktualnego czasu należy pamiętać o tym, że każda wprowadzona wartość jest natychmiast zapisywana do układu RTC oraz natychmiast z niego odczytywana. W ten sposób mikrokontroler nie musi pilnować automatycznej inkrementacji pozostałych zmiennych czasowych, ponieważ robią to rejestry i liczniki w układzie RTC. Po ustawieniu np. aktualnej wartości minut, po przekroczeniu liczby 59, licznik minut przepełni się i wróci do zera, a licznik godzin przeskoczy o 1 w górę. Stąd wynika zalecana przeze mnie kolejność ustawiania czasu:

  1. Minuty (przycisk S2 - środkowy)
  2. Godziny (przycisk S3 - prawy)
  3. Dni (przycisk S1 - lewy)

Przyciski są aktywne tylko wtedy, kiedy stale przyciśnięty jest również przycisk S4 (od spodu). Każdorazowe przestawienie liczby minut przez użytkownika powoduje jednoczesne wyzerowanie rejestru sekund.

Przy ustawieniu dni tygodnia do wyboru są dwie opcje: nazwy w języku polskim (z polskimi znakami: ł, ś, ą) lub angielskim. Wyboru języka dokonuje się bardzo łatwo - wystarczy ustawić którykolwiek z napisów po polsku, a układ dalej samoczynnie będzie „krążył” od poniedziałku do niedzieli. Analogicznie, ustawiając napis po angielsku, otrzymany tylko napisy angielskie.

Widok wyświetlacza, w którym tło jest białe, a znaki czarne, można zobaczyć na fotografii 6. Wyboru koloru tła można w każdej chwili dokonać, zakładając lub zdejmując zworkę JP1.

Fotografia 6. Widok wyświetlacza z białym tłem i czarnymi znakami

Pobór prądu ze źródła zasilania nie zależy od koloru tła czy aktualnej zawartości wyświetlacza i wynosi ok. 60 mA.

Dla dociekliwych

Zegar zapamiętuje, jaki język został wybrany dla dni tygodnia. Jednak użyty mikrokontroler nie ma nieulotnej pamięci EEPROM, której można użyć w tym celu. Zadanie to realizuje jeden bit (D6) znajdujący się w rejestrze godzin (adres 2) układu M41T00 - na rysunku 7 zaznaczony na czerwono.

Rysunek 7. Użyty bit w rejestrze układu M41T00 (źródło: nota katalogowa układu)

Jest to bit CB, oznaczający aktualny wiek. Ponieważ jego automatyczna zmiana jest wyłączona (bit CEB = 0), wartość może edytować jedynie mikrokontroler. Nie ulegnie zgubieniu po zaniku zasilania, gdyż wszystkie rejestry są podtrzymywane bateryjnie. Nieco komplikuje to procedurę zapisu nowego czasu, ponieważ aktualizując godziny lub dni, trzeba również pamiętać o tym bicie. Fragment kodu programu, który obsługuje te rejestry, widoczny jest na listingu 1.

Listing 1. Fragment kodu programu, który inkrementuje dzień tygodnia day_temp++; //przewijanie dni w zakresie 0-13 if(day_temp > 13){ day_temp = 0; } //do rejestru dni trafia tylko liczba z przedziału 1-7 day = (day_temp%7)+1; //adres tego rejestru to 3 RegWrite(3, day); //0-6 polskie nazwy dni //7-13 angielskie nazwy dni if(day_temp >= 7) { //dla wersji ENG //CB = 1, godzina w kodzie BCD day_temp = ((hour / 10) << 4) + (hour%10) + (1 << 6); //informacja dla funkcji wyświetlającej, że wybrano język angielski lang = 1; //dla wersji PL } else { //CB = 0, godzina w kodzie BCD day_temp = ((hour / 10) << 4) + (hour%10); //informacja dla funkcji wyświetlającej, że wybrano język polski lang = 0; } //zapisz godzinę z odpowiednim bitem CB do rejestru o adresie 2 RegWrite(2, day_temp);

Michał Kurzela, EP

Wykaz elementów:
Rezystory:
  • R1, R7…R9: 10 kΩ SMD0805
  • R2…R6: 3,3 kΩ SMD0805
Kondensatory:
  • C1: 220 μF/25 V THT
  • C2, C4, C6, C7, C10, C11: 100 nF SMD0805
  • C3, C5, C8, C9: 10 μF/16 V SMD0805
Półprzewodniki:
  • US1: LD1117AS33TR SOT223 (opis w tekście)
  • US2: STM32F051K8T6 TQFP32
  • US3: M41T00 SO8
Inne:
  • B1: koszyk CR2032 THT leżący + bateria
  • J1: gniazdo DC kątowe THT 2,1 mm/5,5 mm
  • J2: goldpin 8 pin żeński THT 2,54 mm
  • J3: goldpin 4 pin męski THT 2,54 mm
  • JP1: goldpin 2 pin THT męski + zworka
  • S1…S4: mikroswitch 6 mm kątowy
  • Q1: 32768 Hz 12,5 pF THT (opis w tekście)
  • Wyświetlacz 1.8TFT SPI 128×160 V1.1
  • 4 tuleje dystansowe M3 gwint zew./wew. 12 mm mosiądz (opis w tekście)
  • 4 nakrętki M3
  • 4 śruby M3 5 mm
Artykuł ukazał się w
Elektronika Praktyczna
styczeń 2020
DO POBRANIA
Pobierz PDF Download icon
Elektronika Praktyczna Plus lipiec - grudzień 2012

Elektronika Praktyczna Plus

Monograficzne wydania specjalne

Elektronik listopad 2025

Elektronik

Magazyn elektroniki profesjonalnej

Raspberry Pi 2015

Raspberry Pi

Wykorzystaj wszystkie możliwości wyjątkowego minikomputera

Świat Radio listopad - grudzień 2025

Świat Radio

Magazyn krótkofalowców i amatorów CB

Automatyka, Podzespoły, Aplikacje listopad - grudzień 2025

Automatyka, Podzespoły, Aplikacje

Technika i rynek systemów automatyki

Elektronika Praktyczna listopad 2025

Elektronika Praktyczna

Międzynarodowy magazyn elektroników konstruktorów

Elektronika dla Wszystkich grudzień 2025

Elektronika dla Wszystkich

Interesująca elektronika dla pasjonatów