Centralka alarmowa

Centralka alarmowa
Pobierz PDF Download icon

Opisywany projekt to nieskomplikowana centralka alarmowa z liniami wyzwalającymi: natychmiastową i zwłoczną. Do każdej z nich można dołączyć szeregowo po kilka czujników, takich jak: detektory ruchu, czujniki otwarcia okien i drzwi (np. kontaktronowe), bariery optyczne i innych z wyjściem w postaci styków normalnie zwartych.
Rekomendacje: centralka może przydać się do podstawowego zabezpieczenia domku, mieszkania lub altanki na działce.

Podstawowe parametry:
  • Zasilanie 8...15 V DC, pobór prądu: 2 mA w stanie czuwania, 100 mA w stanie alarmu.
  • Wyjście przekaźnikowe o obciążalności maksymalnej 250 V AC/8 A.
  • Wyjście zasilające syrenę lub inny sygnalizator 12 V DC/3 A.
  • Dwie linie wyzwalające: natychmiastowa oraz zwłoczna o czasie zwłoki 30 s.
  • Sygnalizacja stanu pracy: 3 diody LED.
  • Sygnalizacja niskiego napięcia akumulatora podtrzymującego.
  • Wymiary: 125 mm×49 mm×20 mm.

Podstawowy stan pracy centralki to stan uśpienia. W tym stanie nie reaguje ona na żadne zdarzenia, wyjścia są wyłączone, a aktywność układu sygnalizują diody LED, zielona lub pomarańczowa, ale tylko wtedy, gdy któraś z linii wyzwalających nie jest zamknięta. Jeśli napięcie akumulatora podtrzymującego spadnie poniżej 10,5 V, to dodatkowo będzie migała pomarańczowa dioda LED. Zestawienie stanów diod LED z odpowiadającymi im stanami urządzenia pokazano na rysunku 1.

Rysunek 1. Sygnalizacja stanów urządzenia za pomocą LED

Aktywowanie centralki następuje po zwarciu wejścia do masy. Wtedy zacznie pulsować czerwona dioda LED i okresowo będzie piszczał buzzer sygnalizując odliczanie czasu, w którym należy opuścić obszar chroniony. Po 30 sekundach centralka uzbroi się, do tego czasu muszą zostać zamknięte obwody linii wyzwalających, zgaszone diody zielona i pomarańczowa. W przeciwnym wypadku natychmiast rozpocznie się procedura alarmowa. W stanie aktywnym co kilka sekund jest zaświecana zielona dioda LED. Jeśli alarm zostanie zgłoszony poprzez linię zwłoczną, to w przeciągu 30 sekund można dezaktywować urządzenie, jeśli linia natychmiastowa, to od razu zostanie załączona sygnalizacja dźwiękowa i przekaźnik. Stan alarmowy jest sygnalizowany ciągłym świeceniem diody czerwonej oraz diody odpowiadającej aktywnej linii wyzwalającej. Syrenka alarmowa zostanie wyłączona automatycznie po czasie 1 minuty, niezależnie od stanu linii wyzwalających, ponowne naruszenie linii powtórzy procedurę. Wyjście przekaźnikowe będzie załączone przez 1 minutę, a potem tak długo, jak długo będzie naruszona któraś z linii wyzwalających. Centralkę można dezaktywować w każdej chwili zwierając wejście dezaktywujące do masy.

Układ wymaga zasilania z przedziału 8...15 V DC. Opcjonalnie można dołączyć także akumulator, który będzie pełnił rolę źródła zasilania awaryjnego.

Budowa

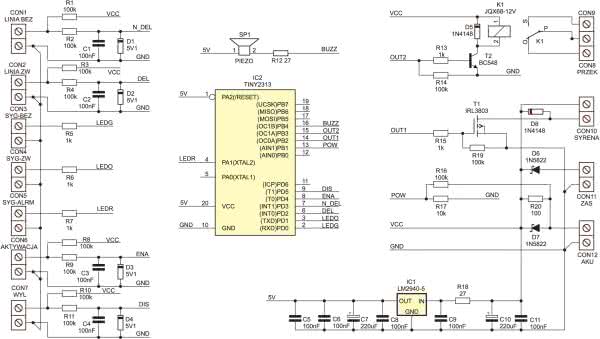
Budowa układu centrali alarmowej nie jest skomplikowana i nie wymaga dokładnego omawiania. Jej schemat ideowy pokazano rysunku 2.

Rysunek 2. Schemat ideowy centrali alarmowej

Pracą urządzenia steruje program zawarty w pamięci mikrokontrolera ATtiny2313. Zasilanie dla niego dostarcza energooszczędny stabilizator LM2940. Linie wyzwalające oraz wejście aktywujące i wyłączające są zabezpieczone przed uszkodzeniami, zespołem elementów RC oraz diodami Zenera. Rezystory R16 i R17 tworzą dzielnik do pomiaru napięcia akumulatora dostarczającego zasilanie awaryjne, a rezystor R20 ustala prąd ładowania. Rozmieszczenie złącz oraz opis ich funkcji pokazano na rysunku 3.

Rysunek 3. Rozmieszczenie i funkcje złącz

Montaż i uruchomienie

Schemat montażowy centrali pokazano na rysunku 4. Układ wykonano z elementów przewlekanych montowanych typowo, więc wykonanie go uda się nawet mniej doświadczonym osobom. Po zmontowaniu urządzenie należy połączyć je jak na rys. 3. Do wejścia aktywującego można dołączyć zwykły przycisk – jedno naciśnięcie uzbraja alarm. Do wejścia dezaktywującego można dołączyć np. przełącznik z kluczykiem lub zamek kodowy. Wejścia aktywujące i dezaktywujące można połączyć razem, wtedy włączanie i wyłączanie centralki będzie wykonywane tym samym sposobem.

Rysunek 4. Schemat montażowy centrali alarmowej

W stanie czuwania linie wyzwalające są normalnie zwarte – płynie w nich niewielki prąd. Wszystkie czujniki należy połączyć szeregowo, jak na rysunku 5. Zadziałanie któregoś czujnika powoduje przerwanie obwodu i aktywowanie alarmu. Dodatkową zaletą takiego połączenia jest to, że próba odłączenia obwodu czujników od centralki również uruchomi alarm.

Rysunek 5. Sposób dołączenia czujników do centrali alarmowej

Do dyspozycji mamy dwa wyjścia alarmowe. Na pierwszym z nich, w stanie alarmu, pojawia się napięcie zasilania, czyli ok. 12 V, przeznaczone do dołączenia sygnalizatora dźwiękowego lub innego o maksymalnym poborze prądu 3 A. Drugie wyjście to styki przekaźnika, którymi można załączać dowolny obwód, np. zasilany napięciem sieciowym 230 V AC.

Urządzenie charakteryzuje się niewielkim poborem prądu w stanie czuwania (poniżej 2 mA), więc z powodzeniem może pracować zasilane np. z ogniwa fotowoltaicznego, jako alarm na działce. Nadwyżka energii będzie doładowywała akumulator, który z kolei zasili urządzenie w nocy. Należy tylko pamiętać, że układ nie ma zabezpieczenia przed przeładowaniem akumulatora, więc należy tak dobrać źródło zasilania i prąd ładowania (zmieniając wartość rezystora R20), aby nie dopuścić do takiej sytuacji.

KS

Wykaz elementów:
Rezystory:
  • R1…R4, R8…R11, R14, R16, R19: 100 kΩ
  • R5…R7, R13, R15: 1 kΩ
  • R12, R18: 27 Ω
  • R17: 10 kΩ
  • R20: 100 Ω/2 W
Kondensatory:
  • C1…C6, C8, C9, C11: 100 nF
  • C7, C10: 220 μF/25 V
Półprzewodniki:
  • D1…D4: dioda Zenera 5,1 V
  • D5, D8: 1N4148
  • D6, D7: 1N5822
  • T1: IRL3803
  • T2: BC548
  • IC1: LM2940-5
  • IC2: ATtiny2313 (zaprogramowany)
Inne:
  • K1: przekaźnik JQX68-12V
  • SP1: piszczek piezo z generatorem 5 V
  • Złącza: ARK2/500 – 10 szt., ARK3/500 – 1 szt.
Artykuł ukazał się w
Elektronika Praktyczna
wrzesień 2014
DO POBRANIA
Pobierz PDF Download icon
Materiały dodatkowe
Elektronika Praktyczna Plus lipiec - grudzień 2012

Elektronika Praktyczna Plus

Monograficzne wydania specjalne

Elektronik listopad 2025

Elektronik

Magazyn elektroniki profesjonalnej

Raspberry Pi 2015

Raspberry Pi

Wykorzystaj wszystkie możliwości wyjątkowego minikomputera

Świat Radio listopad - grudzień 2025

Świat Radio

Magazyn krótkofalowców i amatorów CB

Automatyka, Podzespoły, Aplikacje listopad - grudzień 2025

Automatyka, Podzespoły, Aplikacje

Technika i rynek systemów automatyki

Elektronika Praktyczna listopad 2025

Elektronika Praktyczna

Międzynarodowy magazyn elektroników konstruktorów

Elektronika dla Wszystkich grudzień 2025

Elektronika dla Wszystkich

Interesująca elektronika dla pasjonatów