Transformatory i elementy indukcyjne

Transformatory i elementy indukcyjne

Elementy indukcyjne są jedną z najbardziej niedocenianych grup podzespołów elektronicznych. Złożoność zjawisk elektromagnetycznych powoduje, że wielu elektroników odnosi się do nich z pewnym dystansem. Dodatkowo, rozwój elektroniki cyfrowej spowodował, że udział elementów indukcyjnych w torach sygnałowych istotnie zmalał. Jednak w miejsce niegdyś spotykanych aplikacji cewek, transformatorów i anten ferrytowych, weszły całkowicie nowe, niezwykle istotne zastosowania. W artykule omówimy funkcje i zastosowanie elementów indukcyjnych w nowoczesnej elektronice oraz wyjaśnimy ich budowę i najważniejsze parametry.

Elementy indukcyjne są jedną z podstawowych i zarazem najbardziej zróżnicowanych grup komponentów biernych. Choć statystycznie ich udział w wykazach elementów nowoczesnych urządzeń elektronicznych jest znacznie mniejszy niż w przypadku kondensatorów i rezystorów, to w żadnym wypadku nie należy bagatelizować cewek, dławików czy transformatorów. Ich brak lub niewłaściwy dobór może stać się źródłem złożonych problemów - począwszy od niestabilności pracy układów cyfrowych i analogowych, poprzez obniżoną wydajność obwodów zasilania, aż po negatywne werdykty badań, wydane przez laboratoria EMC w procesie certyfikacji urządzeń wprowadzanych na rynek.

Główne obszary zastosowań elementów indukcyjnych

Zanim przejdziemy do opisu poszczególnych zagadnień technicznych dotyczących elementów indukcyjnych, spróbujmy wymienić najważniejsze obszary zastosowań tych komponentów.

  1. Filtracja i odsprzęganie zasilania - proporcjonalny (w pewnym zakresie) wzrost impedancji elementów indukcyjnych wraz ze wzrostem częstotliwości pozwala efektywnie separować źródła szerokopasmowych zakłóceń (np. zasilacze impulsowe) od obwodów podatnych na szybkozmienne wahania napięcia zasilania. Szeregowe dławiki włączone na liniach zasilania umożliwiają sprawne tłumienie fluktuacji, często przy niemal pomijalnych stratach energetycznych w zakresie napięć (prądów) DC. Warto dodać, że konieczność tłumienia zakłóceń dotyczy nie tylko wyjść zasilania (np. punktu podłączenia układu obciążenia do zasilacza), ale także wejść - na producentach urządzeń sieciowych spoczywa bowiem normatywny obowiązek redukcji zakłóceń przewodzonych, wprowadzanych przez odbiornik do sieci energetycznej.
  2. Filtracja EMI sygnałów analogowych i cyfrowych - elementy indukcyjne świetnie nadają się do filtracji wysokoczęstotliwościowych zakłóceń w obwodach sygnałowych. Dotyczy to zarówno układów analogowych, jak i cyfrowych - w tym nawet szybkich interfejsów komputerowych (np. USB). Rodzaj i topologia połączeń zastosowanych elementów zależy nie tylko od pasma i rodzaju sygnałów, ale także od typu tłumionych zakłóceń (współbieżnych lub różnicowych). Nie sposób nie wspomnieć także o specyficznym zakresie zastosowań, jakim są filtry wyjściowe wzmacniaczy audio, pracujących w klasie D. Okazuje się bowiem, że pomimo użycia nowoczesnych układów z wyjściami binarnymi, nadal w większości przypadków konieczne jest zastosowanie konwencjonalnych filtrów redukujących szerokopasmowe zakłócenia EMI, generowane przez tego typu końcówki mocy (na marginesie warto dodać, że istnieje dość obszerna grupa wzmacniaczy klasy D, które - teoretycznie - mogą pracować bez dodatkowych filtrów pasywnych).
  3. Przetwornice AC/DC i DC/DC - przeważająca większość przetwornic impulsowych korzysta ze zdolności dławików do magazynowania energii w postaci pola magnetycznego i ponownego oddawania jej do obwodu w formie energii elektrycznej. Choć istnieją przetwornice pozbawione elementów indukcyjnych (tzw. pompy ładunkowe, ang. charge pump), to ich zastosowania są mocno ograniczone, szczególnie z uwagi na małą wydajność prądową. Powszechnie używaną metodą zmniejszenia wymiarów (a zatem także i kosztów) dławików w przetwornicach DC/DC jest wykorzystanie układów kluczowania o wysokiej częstotliwości (od kilkuset kiloherców do pojedynczych megaherców).
  4. Separacja galwaniczna - zastosowanie transformatora, będącego w istocie dwiema cewkami na wspólnym magnetowodzie, pozwala na wprowadzenie do obwodu niezbędnej - głównie z uwagi na wymogi bezpieczeństwa - separacji galwanicznej pomiędzy siecią energetyczną a obwodami wtórnymi. Choć klasyczne zasilacze transformatorowe mają istotne wady - do których należą spore rozmiary i masa - to ich całkowite wyeliminowanie na rzecz nowocześniejszych i bardziej efektywnych zasilaczy impulsowych okazuje się jak na razie niemożliwe. Wiedzą o tym doskonale m.in. twórcy systemów audio, którzy nadal chętnie wykorzystują spore transformatory (zwykłe lub toroidalne) do budowy niskoszumowych zasilaczy dla wzmacniaczy, amplitunerów i innych układów audio. Do elementów niezbędnych do zapewnienia wysokiego poziomu bezpieczeństwa elektrycznego operatorów i innych użytkowników urządzeń elektronicznych należy zaliczyć także transformatory bezpieczeństwa.
  5. Przetwarzanie napięć i pomiary prądów przemiennych - transformatory są też chętnie stosowane w układach wymagających bezpośredniego przetwarzania napięć/prądów pomiędzy dwoma obwodami. Przykładem mogą być generatory wysokiego napięcia, których praktyczna realizacja bez użycia transformatorów o odpowiednio dużej przekładni wymagałaby zastosowania (stosunkowo mało efektywnych) powielaczy pojemnościowych bądź innych, bardziej „egzotycznych” rozwiązań. Innym przykładem użycia elementów indukcyjnych są przekładniki prądowe, umożliwiające dość prosty i - co chyba najważniejsze - nieinwazyjny oraz bezpieczny pomiar nawet sporych natężeń prądu, zwłaszcza w zastosowaniach energoelektronicznych. Osobną kategorię stanowią autotransformatory, pełniące funkcję swego rodzaju „dzielników napięcia”, wykorzystywanych do płynnej regulacji napięć sieciowych.
  6. Układy dopasowania w torach RF - pomimo sporego stopnia integracji współczesnych front-endów radiowych (RF), zastosowanie układów LC okazuje się nieodzowne w większości transceiverów radiowych. Wystarczy spojrzeć na dowolny schemat aplikacyjny mikrokontrolerów „radiowych” lub nadajników/odbiorników ISM, by przekonać się, że układy symetryzatorów (balun) oraz pozostałe obwody peryferyjne nie mogą obejść się bez (niewielkich) indukcyjności.
  7. Anteny RFID i cewki zasilania indukcyjnego - istotną grupą elementów indukcyjnych (co ciekawe - często produkowanych w postaci ścieżek na PCB docelowego urządzenia) są anteny RFID/NFC. Pełnią one jednocześnie funkcję anteny nadawczo-odbiorczej oraz cewki, stanowiącej element toru zasilania indukcyjnego (w przypadku tagów, czyli transponderów niewyposażonych w wewnętrzne źródło energii). Osobną kategorię stanowią (pozornie zbliżone do ww. anten pod względem konstrukcji i wymiarów) cewki, przeznaczone do realizacji układów zasilania, a raczej - ładowania indukcyjnego. Bezdotykowy przekaz energii w postaci szybkozmiennego pola magnetycznego jest dziś szczególnie obiecującą aplikacją podstawowych zasad elektromagnetyzmu w urządzeniach mobilnych, medycznych i wielu innych.
  8. Czujniki indukcyjne - niewielkie cewki są stosowane w układach rezonansowych, współpracujących z detektorami zbliżeniowymi, przyciskami indukcyjnymi, czy też… wykrywaczami metalu. W każdym z wymienionych przypadków cewka jest używana do detekcji niewielkich zmian indukcyjności, spowodowanych obecnością (w jej pobliżu) materiału o określonych właściwościach magnetycznych. Zakres zastosowań komponentów indukcyjnych rozciąga się zatem od precyzyjnych czujników stosowanych w automatyce przemysłowej aż po innowacyjne interfejsy użytkownika, całkowicie niepodatne na zakłócenia spowodowane wilgocią (co stanowi główną bolączkę niemal wszystkich klawiatur i ekranów pojemnościowych).
  9. Front-endy sieci Ethernet - specjalna grupa transformatorów, zdolnych do pracy z sygnałami o wysokiej częstotliwości, jest stosowana w obwodach wejściowych interfejsów Ethernet. Co ważne, oprócz separacji galwanicznej i dostosowania sygnałów generowanych przez układy cyfrowe do wymogów linii przesyłowej (skrętki), coraz więcej front-endów ethernetowych jest zdolnych także do przekazu energii elektrycznej, służącej do zasilania zdalnych urządzeń sieciowych (tzw. PoE - Power-over-Ethernet).
  10. Zwrotnice audio - specjalne rodzaje cewek stosuje się w zwrotnicach audio, będących niezbędnymi elementami wielotorowych kolumn głośnikowych i służących do rozdzielania sygnału wyjściowego wzmacniacza na poszczególne pasma częstotliwościowe, obsługiwane przez głośniki nisko-, średnio- i wysokotonowe.

Warto zauważyć, że w żadnym wypadku nie należy traktować tej listy jako wyczerpującego podsumowania zastosowań elementów indukcyjnych - kolejne przykłady można bowiem mnożyć, analizując konkretne obszary aplikacji. W artykule przyjrzymy się zatem wybranym, naszym zdaniem - najbardziej reprezentatywnym przykładom użycia cewek i transformatorów w nowoczesnych urządzeniach elektronicznych, zwrócimy też uwagę na praktyczne aspekty aplikacyjne i niektóre pułapki, w jakie najczęściej wpadają projektanci.

Podstawowe parametry dławików - L, RDC, IR, ISAT, Q, fR

Indukcyjność L [H] - w przypadku elementów indukcyjnych główny parametr jest (w zdecydowanej większości przypadków) określony ze znacznie szerszą tolerancją, niż ma to miejsce w przypadku rezystorów, a nawet wielu mniejszych kondensatorów. Trudno znaleźć dławiki o tolerancji lepszej niż 1%, choć należy uczciwie przyznać, że dziś rzadko istnieje konieczność stosowania elementów o tak wysokiej dokładności.

Fotografia 1. Dławik RF z serii LQW2U marki Murata

Dławiki 1-procentowe (np. seria LQW2UASxxxF marki Murata - fotografia 1) spotykamy głównie w zakresie najmniejszych indukcyjności (rzędu mikro- i nanohenrów), a jednym z najważniejszych obszarów ich zastosowań są wszelkiej maści układy radiowe. Warto jednak pamiętać, że indukcyjność nie jest parametrem stałym, gdyż zależy nie tylko od temperatury, ale także od szeregu innych czynników, w tym częstotliwości (rysunek 1) - w miarę zbliżania się do częstotliwości rezonansowej indukcyjność rośnie, a po jej przekroczeniu element indukcyjny zaczyna mieć charakter… pojemnościowy.

Rysunek 1. Zależność indukcyjności i impedancji od częstotliwości dla przykładowego dławika RF

Rezystancja stałoprądowa RDC [Ω] - wartość rezystancji, zmierzona dla prądu stałego, tj. z pomięciem reaktancji (zależnej od częstotliwości). RDC jest bezpośrednio odpowiedzialna za straty energii w układach zasilania, np. w dławikach szeregowych, służących do filtrowania linii zasilających, bierze też istotny udział w ograniczaniu sprawności przetwornic DC/DC.

Prąd maksymalny IR [A] - maksymalna dopuszczalna wartość prądu stałego, podawana zwykle dla określonego wzrostu temperatury uzwojenia (np. o 40°C względem temperatury otoczenia) i wynikająca z rezystancji stałoprądowej RDC oraz konstrukcji dławika, od której zależy wypadkowa zdolność rozpraszania ciepła.

Prąd nasycenia ISAT [A] - bardzo ważnym parametrem cewek jest - szczególnie w aplikacjach układów zasilania - prąd nasycenia (saturacji). W przypadku dławików mocy (o wysokiej wartości IR) można dojść do sytuacji, w której przekroczenie pewnej wartości prądu powoduje osiągnięcie tak silnego strumienia magnetycznego w otoczeniu uzwojenia, że cewka nie jest już w stanie proporcjonalnie zareagować na dalsze zwiększanie natężenia prądu. Co ciekawe, o ile w przypadku dławików z klasycznymi rdzeniami ferrytowymi zjawisko to następuje dość gwałtownie (w szerokim zakresie natężeń indukcyjność pozostaje jednak względnie stała), o tyle cewki wykonane na bazie magnetowodów żelaznych oraz kompozytowych wykazują liniowy spadek indukcyjności praktycznie od początku zakresu pracy (rysunek 2).

Rysunek 2. Zależność indukcyjności od natężenia prądu dla cewek z rdzeniem ferrytowym i żelaznym

Dobroć Q - dobroć elementu indukcyjnego jest ilorazem jego reaktancji indukcyjnej oraz rezystancji szeregowej (1), co oznacza, że w każdym przypadku należy podawać jej wartość dla danej częstotliwości (lub zakresu pasma):

  (1)

Wysoka dobroć nie tylko pozytywnie wpływa na sprawność układów dużej mocy, ale także poprawia działanie filtrów sygnałowych, pozwalając uzyskać lepszą kontrolę nad kształtem charakterystyki częstotliwościowej. Warto zwrócić uwagę na fakt, że na rezystancję R składa się nie tylko wspomniana wcześniej RDC, ale także wszelkie efekty fizyczne zależne od częstotliwości, które zwiększają straty energii - przykładem może być efekt naskórkowości, straty w rdzeniu, czy też prądy wirowe.

Częstotliwość rezonansu własnego fR (in. SRF) [Hz] - pasożytnicza pojemność, w połączeniu z indukcyjnością, tworzy obwód LC o określonej częstotliwości rezonansowej. Przy wyborze dławika należy zatem tak dobrać jego rodzaj i indukcyjność, by nawet w najbardziej niekorzystnych warunkach pracy uniknąć wprowadzania elementu indukcyjnego w samorzutne drgania, gdyż w zdecydowanej większości przypadków taka cewka... przeszkodzi, zamiast pomóc w prawidłowej pracy projektowanego układu (np. zwiększy poziom zakłóceń RFI, zdestabilizuje układ wzmacniacza czy też wprowadzi efekt „dzwonienia” w rejonie ostrych zboczy sygnałowych). Nie należy przy tym zapominać o wyższych harmonicznych sygnałów, z którymi pracuje dane urządzenie.

Obudowy dławików

Zgrubny i oczywisty podział prostych, pojedynczych (jednouzwojeniowych) dławików na elementy przewlekane i przeznaczone do montażu powierzchniowego niewiele wnosi, gdyż rozrzut stosowanych w praktyce odmian tych elementów jest - jak przystało na komponenty pasywne - naprawdę spory. Wśród elementów THT najpopularniejsze są dławiki małej i średniej mocy, produkowane w obudowach osiowych (o kształcie i rozmiarach porównywalnych z konwencjonalnymi rezystorami - fotografia 2) i radialnych (fotografie 3 i 4), a także cewki dużej mocy, nawijane na niewielkich rdzeniach pierścieniowych, w wersji z podstawką izolacyjną lub z końcówkami uzwojenia lutowanymi bezpośrednio w otworach płytki drukowanej. Warto zwrócić uwagę na fakt, że w niemal identycznych obudowach mogą występować zarówno dławiki pojedyncze, jak i pary uzwojeń (np. tzw. dławiki sygnału współbieżnego) - przed zastosowaniem lub wymianą dławika należy się zatem upewnić co do rzeczywistego układu połączeń.

Fotografia 2. Przekrój podłużny dławika osiowego
Fotografia 3. Przykładowe dławiki radialne THT
Fotografia 4. Przekrój dławika radialnego

Przykład pojedynczego dławika, łudząco podobnego do miniaturowego transformatora, został pokazany na fotografii 5 i rysunku 3.

Fotografia 5. Dławik z serii 3200 marki Murata

Schemat ujawnia fakt, że dwa spośród czterech wyprowadzeń pozostają niepodłączone i stanowią jedynie dodatkową stabilizację montażową. W przypadku dławików (szczególnie z wyprowadzeniami radialnymi) wyposażonych w tworzywowe lub epoksydowe podstawy warto pamiętać, że wielokrotne przelutowywanie lub wykonywanie montażu w zbyt wysokiej temperaturze może łatwo uszkodzić stosunkowo delikatne otoczenie pinów lutowniczych, powodując ich obluzowanie i nieodwracalne uszkodzenie.

Rysunek 3. Rzeczywisty układ połączeń dławika z serii 3200 marki Murata

W świecie dławików SMD zróżnicowanie form konstrukcyjnych jest znacznie większe - tutaj także małe cewki występują w obudowach o rozmiarach podstawy zgodnych ze standardami panującymi wśród rezystorów i kondensatorów (np. 0402, 0603 czy 0805).

Rysunek 4. Struktura dławika wielowarstwowego

W takich przypadkach mamy zwykle do czynienia z wielowarstwowymi dławikami ceramicznymi (rysunek 4) lub miniaturowymi cewkami z klasycznym uzwojeniem (fotografia 6), choć w zakresie bardzo niskich indukcyjności można także spotkać tzw. dławiki cienkowarstwowe, w których całość uzwojenia jest wykonana w postaci planarnej spirali, naniesionej na ceramiczne podłoże (fotografia 7).

Fotografia 6. Przykładowe dławiki nawijane w obudowach 0402 – seria 0402CT marki Coilcraft
Fotografia 7. Subminiaturowy dławik cienkowarstwowy w rozmiarze 0201

Ostatnia z wymienionych grup elementów indukcyjnych jest przeznaczona do pracy w systemach RF, oferuje bowiem szerokie pasmo częstotliwości roboczych (rezonans własny na poziomie rzędu nawet kilkudziesięciu GHz). Należy pamiętać, że elementy indukcyjne w obudowach o rozmiarze 1206 lub większym zwykle są nieco wyższe niż np. kondensatory o analogicznym footprincie - choć w wielu układach nie będzie to stanowiło przeszkody, to w przypadku niewielkich, niskoprofilowych urządzeń (np. ubieralnych) może się okazać pewnym wyzwaniem. Przykład został pokazany na fotografii 8 - dławik marki Murata z serii LQW31HN osiąga wysokość nawet do 2,0 mm przy układzie padów zaczerpniętym ze standardu calowego 1206.

Fotografia 8. Dławik z serii Murata LQW31HN o rozmiarze 1206 i wysokości do 2,0 mm

Dławiki ekranowane vs nieekranowane

Warto zauważyć, że bardzo istotny udział w rynku dławików mocy do montażu SMT mają obecnie cewki w wersjach z częściowym lub pełnym ekranowaniem. Podstawowym celem i największą zaletą dławików ekranowanych jest znaczna redukcja natężenia generowanych zakłóceń elektromagnetycznych - w stosunku do dławików nieekranowych oraz z ekranem niepełnym (rysunek 5).

Rysunek 5. Natężenie pola elektromagnetycznego wokół analogicznych modeli dławików z ekranowaniem (po lewej) oraz bez ekranu (po prawej)

Spadek poziomu RFI ma znaczenie nie tylko dla poprawy warunków pracy elementów i obwodów znajdujących się wokół samego dławika, ale także bezpośrednio przekłada się na wyniki badań emisji elektromagnetycznej urządzeń (rysunek 6), a to może nie tylko zaoszczędzić sporo stresu producentowi, ale także zmniejszyć koszty oraz skrócić czas komercjalizacji projektu.

Rysunek 6. Porównanie emisji w paśmie do 10 MHz dla dławików: ekranowanego (linia niebieska), częściowo ekranowanego (linia czerwona) oraz pozbawionego ekranowania (linia czarna)

Dławiki z ekranowaniem niepełnym (rysunek 7) są natomiast swego rodzaju kompromisem pomiędzy poziomem zakłóceń, emitowanych przez cewkę, a kosztami, wprowadzanymi przez nią do wykazu elementów (BOM) projektu.

Rysunek 7. Przykładowa rodzina dławików z ekranowaniem częściowym marki Bourns

Elementy ekranowane nie są bowiem pozbawione pewnych wad, z których - oprócz wyraźnie wyższej ceny - warto wymienić znacząco gorszą charakterystykę indukcyjności w funkcji natężenia prądu. Na rysunku 8 zestawiono wykresy saturacji dla trzech różnych dławików firmy Würth Elektronik - z przedstawionych danych jasno wynika, że im „dokładniej” ekranowany jest dławik, tym szybciej spada jego indukcyjność w funkcji natężenia prądu.

Rysunek 8. Porównanie charakterystyk saturacji dławików SMD: nieekranowanego (linia czarna), częściowo ekranowanego (linia zielona) oraz w pełni ekranowanego (linia czerwona)

Można więc przyjąć następujące, zgrubne reguły doboru dławików SMD:

  • dławiki ekranowane najlepiej jest stosować w układach impulsowych, w szczególności w przetwornicach DC/DC; stanowią one swoiste „must have” w układach o dużej skali upakowania elementów (z uwagi na redukcję zakłóceń przenoszonych na okoliczne komponenty), stąd szerokie rozpowszechnienie takich podzespołów w sekcjach zasilania urządzeń komputerowych (fotografia 9);
  • dławiki nieekranowane lepiej sprawdzają się w układach pracujących z niższymi częstotliwościami, a nade wszystko - nienarażonymi na głęboko modulowane przebiegi prądu. W aplikacjach analogowych i cyfrowych dobrym przykładem zastosowania cewek nieekranowanych będą filtry linii zasilania DC - np. w obwodach zasilania analogowego (AVCC) mikrokontrolerów. Dodatkową zaletą będą w takich przypadkach także mniejsze wymiary komponentów nieekranowanych w porównaniu z dławikami częściowo lub całkowicie ekranowanymi;
  • dławiki z częściowym ekranowaniem stanowią kompromis pomiędzy obydwiema ww. grupami, i to zarówno pod względem emisji zakłóceń, jak i ceny oraz charakterystyki nasycenia rdzenia.
Fotografia 9. Sekcja zasilania laptopa marki Dell – widoczne są liczne (7 szt.) dławiki z pełnym ekranowaniem, współpracujące z przetwornicami DC/DC

Warto zwrócić uwagę na fakt, że - z uwagi na niskie pasmo częstotliwości i znacznie większe prądy robocze, filtry sieciowe korzystają zwykle albo z przewlekanych, walcowych dławików nieekranowanych, albo z cewek z rdzeniem toroidalnym. Co ciekawe, cewki o takiej konstrukcji sprawdzają się doskonale też w dużych przetwornicach impulsowych, gdyż pomimo braku ekranowania znaczna część strumienia magnetycznego i tak zamyka się wewnątrz rdzenia.

Dławiki do zastosowań RF - baluny (symetryzatory)

Z oczywistych przyczyn, we współczesnych układach radiowych (np. modułach Wi-Fi, Bluetooth, nadajnikach/odbiornikach ISM, a także układach mikrofalowych) stosowane są głównie niewielkie dławiki RF w wersji SMD. Elementy te stanowią swego rodzaju odrębną kategorię, są bowiem silnie zoptymalizowane pod kątem zapewnienia możliwie najlepszych parametrów, wymaganych w urządzeniach RF (w tym bardzo wysokiej dobroci). Oprócz wspomnianych wcześniej dławików cienkowarstwowych lub wielowarstwowych, w układach w.cz. mogą być stosowane także niektóre dławiki nawijane - przykładowo firma Coilcraft oferuje rodzinę cewek SMD o nazwie 026011C; przy rozmiarze obudowy 0201 i zakresie indukcyjności od 0,75 nH do 75 nH elementy te oferują częstotliwość rezonansu własnego równą nawet 34 GHz (!), nadają się zatem do pracy w paśmie mikrofalowym X (ok. 7...11 GHz), a nawet wyżej.

Fotografia 10. Szerokopasmowe cewki stożkowe do montażu ręcznego marki Coilcraft

Interesującą grupę elementów indukcyjnych stanowią szerokopasmowe dławiki stożkowe. Zgodnie z nazwą uzwojenie nie ma w tym przypadku kształtu walca, ale… stożka (fotografia 10) - taka nietypowa konstrukcja umożliwia pracę w paśmie do nawet 40 GHz, zaś głównym zastosowaniem tych elementów są układy zwane bias tee - umożliwiające przesył prądu stałego do zasilania zdalnych układów po przewodzie koncentrycznym, współdzielonym z sygnałem mikrofalowym. Marka Coilcraft zadbała zresztą nawet o wersję cewek stożkowych, przeznaczoną do montażu powierzchniowego (fotografia 11).

Fotografia 11. Cewka stożkowa do montażu SMT

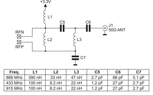
Jednymi z najczęściej stosowanych elementów indukcyjnych w konstrukcjach telekomunikacyjnych są obecnie symetryzatory (ang. balun). Zadaniem symetryzatora jest dopasowanie impedancji i rodzaju wejść/wyjść dwóch różnych obwodów lub elementów urządzenia - przykładem mogą być popularne transceivery na pasmo ISM, wyposażone w zbalansowane linie do podłączenia anteny. Aby móc przyłączyć antenę (np. mikropaskową antenę pętlową) do wyjścia nadajnika (lub wejścia odbiornika), należy „zmienić” charakter interfejsu ze zbalansowanej pary pinów na pojedyncze (niezbalansowane) wejście/wyjście o zadanej impedancji, dopasowanej do impedancji anteny (np. 50 Ω). Symetryzator można wykonać z kilku elementów dyskretnych - przykład został pokazany na rysunku 9.

Rysunek 9. Przykład symetryzatora antenowego złożonego z elementów dyskretnych, współpracującego z transceiverem ISM MRF49XA firmy Microchip

Jednak zwykle znacznie bardziej opłacalne z projektowego punktu widzenia okaże się zastosowanie gotowego baluna w postaci miniaturowego transformatora (rysunek 10).

Rysunek 10. Schemat aplikacyjny zintegrowanego symetryzatora

Co ważne, współczesne symetryzatory dostępne są w miniaturowych wykonaniach SMD, stąd doskonale wpasowują się w trend kompaktowych urządzeń IoT - przykładowy balun marki TDK o wymiarach zaledwie 2×1,2×1,2 mm został pokazany na fotografii 12.

Fotografia 12. Przykładowy symetryzator do montażu SMT – ATB2012-75011-T marki TDK

Dławiki do tłumienia sygnału współbieżnego

W wielu aplikacjach konieczne okazuje się tłumienie zakłóceń, pojawiających się jednocześnie na dwóch liniach zasilania bądź liniach sygnałowych - dobrą ilustracją dla tego typu rozwiązania mogą być zasilacze sieciowe (szczególnie impulsowe) czy też pary różnicowe interfejsów cyfrowych (np. USB, DVI, HDMI, itd). Tłumienie takich zakłóceń określa się filtracją w trybie współbieżnym (ang. common mode, CM), dla odróżnienia od filtracji poszczególnych linii (tryb różnicowy). W przypadku szybkich linii danych istotne okazuje się zapewnienie możliwie efektywnego tłumienia sygnału współbieżnego przy niemal pomijalnym wpływie filtra CM na integralność sygnałową, w tym przede wszystkim na impedancję charakterystyczną, opóźnienia (hazardy czasowe) pomiędzy liniami czy też wprowadzaną do układu pasożytniczą pojemność.

Rysunek 11. Schematyczne przedstawienie zasady działania dławika trybu wspólnego dla sygnałów różnicowych (ILOAD) i wspólnych (ICM)

Doskonałym i zarazem bardzo prostym (pod względem konstrukcyjnym) rozwiązaniem problemu zakłóceń współbieżnych jest zastosowanie dławików CM, zwanych zwykle common mode chokes. Zasada ich działania opiera się na „selektywnym” tłumieniu tylko tych sygnałów, które pojawiają się jednocześnie na obu liniach wejściowych dławika i jednocześnie przepuszczaniu (w możliwie niezmienionej postaci) sygnału wprowadzanego na jedno z uzwojeń dławika oraz odpowiadającego mu prądu powrotnego, płynącego przez drugie uzwojenie. Na rysunku 11 zaprezentowano schematycznie budowę dławika CM wraz z ostrzałkowaniem prądów trybu wspólnego, czyli zakłóceń (ICM) i różnicowego, czyli prądu obciążenia (ILOAD). Wektory pola (HLOAD) generowanego przez prąd ILOAD w obu uzwojeniach dławika znoszą się w magnetowodzie, co powoduje, że indukcyjność elementu, mówiąc w dużym przybliżeniu, „nie jest widziana” przez ów sygnał. Z drugiej strony, pola (HCM) generowane przez prąd ICM mają kierunek zgodny, co powoduje dodatkowe wzmocnienie efektu działania dławika na tłumienie niepożądanych sygnałów.

Rysunek 12. Porównanie charakterystyk tłumienia sygnałów różnicowych i wspólnych w dławikach CM z uzwojeniem sekcyjnym i bifilarnym

Warto zwrócić uwagę na fakt, że dławiki CM występują w dwóch zasadniczych konfiguracjach, zależnych od sposobu nawinięcia uzwojeń na rdzeń. W przypadku, gdy obydwa uzwojenia są nawinięte jako dwie osobne, w pełni rozdzielne sekcje (tj. po przeciwnych stronach rdzenia), mamy do czynienia z tzw. sectional winding. Inną możliwością jest zastosowanie topologii bifilarnej, w której poszczególne druty nawojowe są prowadzone równolegle na całym obwodzie rdzenia (bifilar winding). Porównanie obu takich układów zostało pokazane na rysunku 12. Co ciekawe, o ile charakterystyki tłumienności w trybie wspólnym są niemal identyczne dla obu tych topologii, znaczne różnice ukazują się w przebiegu charakterystyk dla trybu różnicowego - uzwojenie bifilarne znacznie słabiej tłumi sygnały różnicowe, dzięki czemu w szerokim zakresie praktycznie nie wpływa ono na użyteczne sygnały, filtrowane za pomocą dławika. Z tego też względu dławiki sieciowe trybu wspólnego (fotografia 13) wykonywane są zwykle w wersji z uzwojeniami sekcyjnymi, gdyż ten sam element jest w stanie zapewnić efektywne tłumienie zakłóceń współbieżnych i jednocześnie dodatkowo stłumić sygnały różnicowe na liniach zasilania.

Fotografia 13. Dławiki sieciowe trybu wspólnego marki Coilcraft

Jakkolwiek dławiki CM stanowią podstawowe wyposażenie filtrów sieciowych EMI, to tłumienie zakłóceń różnicowych jest zwykle i tak realizowane przez dodatkowe dławiki szeregowe. Przykładową topologię filtru LC, złożonego z elementów dyskretnych, pokazano na rysunku 13.

Rysunek 13. Przykładowy filtr LC dla części sieciowej zasilacza

Producenci szybko dostrzegli jednak podstawową wadę tego typu układów - wymagają one stosowania dwóch, a nawet trzech osobnych elementów indukcyjnych, z których każdy - z uwagi na wymogi dot. minimalnej niezbędnej indukcyjności i sporego prądu pracy, ma relatywnie spore wymiary. Obserwacja ta doprowadziła do stworzenia dławików hybrydowych, których charakterystyki łączą w sobie zalety filtrów CM i szeregowych filtrów trybu różnicowego - efekt taki jest jednak możliwy do osiągnięcia dopiero poprzez odpowiedni dobór zarówno materiału rdzenia, jak i układu uzwojeń. Przykładowe dławiki marki Triad Magentics, w wersji do montażu pionowego i leżącego, zostały pokazane na fotografii 14. Podobne rozwiązania wprowadzili na rynek, pod różnymi nazwami opisowymi, także inni producenci elementów indukcyjnych, w tym marka Coilcraft (combination line filter chokes, seria CMF), Murata (hybrid chokes, seria PLY17) czy Kemet (dual mode chokes, seria SSHB).

Fotografia 14. Dławiki sieciowe typu dual-mode marki Triad Magnetics

W przypadku szybkich interfejsów cyfrowych, np. USB, stosowane są dławiki trybu wspólnego, wykonane w postaci miniaturowych, bifilarnych cewek SMD. Doskonałym przykładem tego typu elementów są serie WE-CNSW oraz WE-CNSW HF (fotografia 15) marki Würth Elektronik.

Fotografia 15. Szybkie dławiki CM do interfejsów USB3.X i HDMI 1.4 z serii WE-CNSW HF marki Würth Elektronik

Pierwsza z nich obejmuje elementy w rozmiarach 0603, 0805, 1206 oraz 1812, przeznaczone głównie do pracy w interfejsach USB 2.0, IEEE1394, etc., druga zaś zawiera dławiki w obudowach 0504 oraz 0805 i jest w stanie zapewnić doskonałą integralność sygnałową nawet przy prędkości rzędu 7 Gbit - warto spojrzeć na diagram oka dla tego typu przebiegów, zarejestrowany na linii danych podłączonej poprzez dławik WE-CNSW HF (rysunek 14).

Rysunek 14. Diagram oka dla łącza o przepustowości 7 Gbit, zarejestrowany na linii filtrowanej przez dławik z serii WE-CNSW HF

Koraliki, rdzenie i dławiki ferrytowe

Efektywną metodę filtracji wysokoczęstotliwościowych zakłóceń RFI na liniach wejściowych i wyjściowych urządzeń (zwłaszcza cyfrowych) stanowią wszelkiego rodzaju filtry ferrytowe. Obecnie dostępne jest szerokie portfolio zarówno rdzeni ferrytowych o różnych rozmiarach (fotografia 16), jak i gotowych dławików ferrytowych do montażu przewlekanego lub powierzchniowego (fotografia 17).

Fotografia 16. Portfolio dostępnych na rynku rdzeni ferrytowych do budowy „szytych na miarę” dławików i transformatorów jest dziś na tyle szerokie, że bez problemu można znaleźć odpowiedni produkt do każdej aplikacji
Fotografia 17. Przykładowe dławiki ferrytowe

Na uwagę zasługują zwłaszcza miniaturowe macierze (drabinki), złożone z dwóch lub czterech dławików (fotografia 18), pozwalające na znaczne uproszczenie montażu sekcji filtrów EMI w urządzeniach wyposażonych w równoległe interfejsy cyfrowe. Niewielkie rdzenie pierścieniowe są chętnie stosowane jako filtry wewnętrznego okablowania urządzeń komputerowych i sprzętu RTV, zaś spłaszczone rdzenie - nasunięte na przewody taśmowe FFC - pozwalają filtrować sygnały przesyłane pomiędzy modułami urządzenia, takimi jak wyświetlacze, zespoły ruchome (np. karetki drukarek i skanerów) itp.

Fotografia 18. Ferrytowe, czterokanałowe „drabinki indukcyjne” marki Vishay o rozmiarach 3,2×1,6×0,9 mm

Oprócz jednoelementowych rdzeni, dostępne są także znacznie wygodniejsze w montażu rdzenie podzielone, które bez problemu można założyć na wielożyłowe przewody taśmowe, nawet po zarobieniu złączy na ich końcach (fotografia 19). W przypadku każdego z wymienionych rodzajów filtrów ferrytowych należy pamiętać, że małe dławiki, z uwagi na niską indukcyjność, nie nadają się do filtracji zakłóceń w paśmie do pojedynczych megaherców, zaś impedancja nominalna jest przez producentów podawana (oprócz pełnej charakterystyki) w uproszczonej formie liczbowej, najczęściej dla standardowej częstotliwości 100 MHz, czasem także dla 25 MHz.

Fotografia 19. Przykładowy rdzeń dwuczęściowy z metalowymi klipsami montażowymi, przeznaczony do użytku z kablami płaskimi
Fotografia 20. Różne wersje filtrów zatrzaskowych marki TDK

Szeroko rozpowszechnione są także filtry ferrytowe, instalowane w postaci klipsów zaciskanych na zewnętrznej izolacji kabli multimedialnych i komputerowych (USB, HDMI czy DVI - fotografia 20) i umożliwiające efektywne tłumienie zakłóceń RFI indukowanych nawet w długich przewodach sygnałowych. Warto dodać, że niektóre wersje umożliwiają dwukrotne przewleczenie cienkiego przewodu przez rdzeń w celu zwiększenia skuteczności filtracji - przykład został pokazany na fotografii 21.

Fotografia 21. Filtr klipsowy umożliwiający wykonanie pętli przewodu

Klasyczne i toroidalne transformatory sieciowe

Transformatory sieciowe stanowią najprostsze i zarazem bardzo bezpieczne rozwiązanie w zakresie konwersji napięcia przemiennego do poziomu bezpiecznego zarówno dla użytkownika, jak i samego urządzenia. Choć w dużej mierze klasyczne zasilacze transformatorowe zostały wyparte przez zapewniające znacznie wyższą sprawność i gęstość mocy zasilacze impulsowe, to nic nie wskazuje na to, by te pierwsze miały w najbliższych latach stracić na swoim rynkowym znaczeniu.

Fotografia 22. Transformatory na rdzeniach kształtkowych w wersji otwartej (A) zalewanej (B)

Najprostsze i zarazem najtańsze pozostają transformatory na rdzeniach kształtkowych EI (fotografia 22), chętnie stosowane w konwencjonalnych zasilaczach sieciowych (stacjonarnych i wtyczkowych), urządzeniach amatorskich, a nawet… współczesnym sprzęcie audio (fotografia 23).

Fotografia 23. Wnętrze współczesnego amplitunera marki Yamaha z widocznym zasilaczem na bazie klasycznego transformatora sieciowego

Prosta i dość niezawodna konstrukcja, możliwość niemal dowolnego dobierania liczby i parametrów uzwojeń oraz dojrzała i sprawdzona technologia produkcji sprawiają, że transformatory tego typu ma dziś w swoich ofertach większość liczących się producentów elementów indukcyjnych. Pod względem mechanicznym konstruktorzy mają do wyboru zarówno wykonania o budowie otwartej, jak i hermetyczne transformatory zalewane do montażu przewlekanego na płytkach drukowanych, przykręcania do konstrukcji obudowy lub mocowania na szynie DIN, a nawet wersje wyposażone w fabrycznie zamontowany przewód sieciowy. Rodzima firma Indel produkuje nawet transformatory sieciowe z dodatkowym ekranowaniem, przeznaczone do użycia we wzmacniaczach lampowych (z uwagi na obniżoną emisję pola elektromagnetycznego).

Fotografia 24. Przykładowe transformatory toroidalne marki Indel, przedstawione wraz z elementami montażowymi: metalową płytką kształtową oraz przekładką gumową

Od transformatorów z rdzeniem kształtkowym bardziej efektywne są transformatory toroidalne (fotografia 24) - chętnie stosowane we wzmacniaczach audio dużej mocy, a także innych urządzeniach, wymagających „cichego” (nie impulsowego) zasilacza o dużej sprawności i stosunkowo małych wymiarach. Sprawna wymiana energii pomiędzy uzwojeniami poprzez rdzeń toroidalny skutkuje małym rozproszeniem magnetycznym, niskim poziomem generowanego szumu akustycznego (w porównaniu do klasycznych transformatorów), a także relatywnie stabilnym napięciem wyjściowym w funkcji prądu obciążenia (innymi słowy, jałowe napięcie uzwojenia wtórnego jest zbliżone do napięcia pod umiarkowanym obciążeniem).

Fotografia 25. Przykładowy termistor NTC, stosowany jako ogranicznik prądu rozruchowego transformatorów toroidalnych

Istotną wadą transformatorów toroidalnych, oprócz wyraźnie wyższej ceny, jest skłonność do generowania impulsów prądu rozruchowego o wysokiej wartości. Zjawisko to jest znacznie silniejsze niż w porównywalnych (pod względem mocy nominalnej) transformatorach klasycznych, przez co niezabezpieczony układ zasilacza może ulec uszkodzeniu, a dodatkowo spowodować krótkotrwały stan zwarcia w zasilającej go instalacji elektrycznej. Rozwiązań problemu rozruchu transformatorów toroidalnych jak zwykle jest kilka, a najprostsze z nich to zastosowanie ograniczników w postaci szeregowych termistorów NTC, np. przeznaczonych do tego celu elementów marki Ametherm o oznaczeniu MS22 12103 (fotografia 25). Istnieje także wiele gotowych przykładów projektowych, pozwalających na budowę aktywnych układów typu soft-start - schemat jednego z nich został pokazany na rysunku 15.

Rysunek 15. Przykładowy układ rozruchowy dla transformatora toroidalnego

Autotransformatory

W niektórych aplikacjach istnieje potrzeba uzyskania płynnej regulacji napięcia przemiennego bez stosowania kosztownych przekształtników albo generujących dodatkowe zakłócenia układów sterowania fazowego. Najprostszą, ale skuteczną metodą rozwiązania problemu bezstopniowej regulacji napięcia jest zastosowanie autotransformatora (fotografia 26). Warto pamiętać, że nazwa może okazać się w przypadku tego urządzenia dość myląca - w przeciwieństwie do typowych transformatorów, zapewniających bezpieczeństwo użytkownika i podłączonych układów poprzez separację galwaniczną uzwojenia wtórnego od sieci, wyjście autotransformatora nie jest w żaden sposób odizolowane od linii fazowej. Od strony mechanicznej autotransformator przypomina nieco potencjometr, z tą jednak różnicą, że ślizgacz przesuwa się po uzwojeniu cewki, nie zaś po ścieżce oporowej.

Fotografia 26. Przykładowy autotransformator w postaci samodzielnego urządzenia z pełnym osprzętem (złącza wyjściowe, wyłącznik zasilania, bezpiecznik, przewód zasilania, wskaźnik napięcia wyjściowego oraz pokrętło regulacyjne)

Transformatory izolacyjne

Omawiając tematykę transformatorów sieciowych, nie sposób nie wspomnieć o specjalnej grupie tych elementów, która w istocie nie pełni funkcji konwerterów napięć - wprowadza jedynie galwaniczną separację pomiędzy zasilanymi urządzeniami (obciążeniem) a siecią energetyczną. Z technicznego punktu widzenia transformatory izolacyjne są „prostymi” transformatorami o przekładni 1:1, wyposażonymi jednak w dodatkowe środki ochronne, zapewniające wyższy poziom bezpieczeństwa elektrycznego, w porównaniu do zwykłych transformatorów. Z tego też względu ich podstawowym zastosowaniem jest zabezpieczenie instalacji i urządzeń medycznych. Dla producentów transformatorów separacyjnych oznacza to, że ich wyroby powinny spełniać wymogi normy 60601-1 - przykład takiego właśnie urządzenia pokazano na fotografii 27.

Fotografia 27. Medyczny transformator izolacyjny

Przekładniki prądowe

Osobną grupę elementów indukcyjnych stanowią przekładniki prądowe - pojedyncze uzwojenie, wraz z otoczonym przez rdzeń przekładnika przewodem, tworzy prosty transformator, umożliwiający pomiar wartości prądu przepływającego przez przewód, co ważne, w sposób całkowicie nieinwazyjny (tj. bez jego rozcinania). Przekładniki stanowią doskonałe rozwiązanie, pozwalające na pomiar nawet bardzo wysokich wartości natężenia prądu, stąd tak chętnie stosowane są w przyrządach pomiarowych i wszelkiego rodzaju aplikacjach elektroenergetycznych. Dodatkowe informacje nt. przekładników można znaleźć w artykule pt. „Pomiary natężenia prądu w systemach wbudowanych - praktyczny poradnik” (EP 6/2021).

Transformatory do zastosowań impulsowych

Przetwornice impulsowe - zarówno AC/DC, jak i niektóre topologie DC/DC - korzystają ze specjalnie skonstruowanych transformatorów impulsowych, umożliwiających znaczną redukcję wymiarów i masy układu zasilania poprzez zwiększenie częstotliwości kluczowania do poziomu od kilkudziesięciu kiloherców do nawet pojedynczych megaherców. Producenci transformatorów do zasilaczy impulsowych (SMPS, fotografia 28) mierzą się z szeregiem wyzwań, w tym przede wszystkim w zakresie doboru materiału rdzenia o możliwie najniższej stratności, sposobu prowadzenia uzwojeń (w celu zapewnienia odpowiedniej wytrzymałości izolacji i jednocześnie wysokiej sprawności transformatora), a także z zagadnieniami kompatybilności elektroenergetycznej (ekranowanie, minimalizacja strat strumienia magnetycznego wokół transformatora).

Fotografia 28. Transformatory wysokoczęstotliwościowe do przetwornic i zasilaczy impulsowych

Co ciekawe, najsilniejsza walka na rynku transformatorów wysokiej częstotliwości toczy się obecnie właśnie w zakresie optymalizacji materiału rdzenia. Przykładowo rdzenie proszkowe z rozproszoną szczeliną typu MPP (Molypermalloy) oferują niewielką histerezę magnetyczną, małą skłonność do generowania prądów wirowych i wysoką stabilność indukcyjności, z kolei materiał nazywany Kool Mμ Hƒ marki Magnetics zapewnia najniższą stratność spośród materiałów oferowanych przez ww. producenta, a zoptymalizowany został do pracy w zakresie 200..500 kHz (choć użyteczne pasmo rozciąga się nawet do 30 MHz). Warto zwrócić uwagę na fakt, że poszczególne spieki różnią się szeregiem dodatkowych parametrów, np. temperaturą Curie czy też odpornością na pracę przy wysokiej składowej stałej pola magnetycznego.

Fotografia 29. Przykładowa antena spiralna PCB, przeznaczona do komunikacji NFC – zestaw ewaluacyjny ANT7-T-ST25DV marki ST Microelectronics

Dławiki i transformatory planarne oraz czujniki indukcyjne

W zakresie (relatywnie) wysokich częstotliwości coraz więcej zastosowań znajdują tzw. cewki i transformatory planarne, wykonywane w postaci elementów dyskretnych bądź… bezpośrednio w mozaice ścieżek płytki drukowanej. Przykładowe zastosowania pojedynczych cewek planarnych to:

  • anteny RFID/NFC - ze względów ekonomicznych wiele urządzeń oferujących funkcję odczytu/zapisu tagów RFID bądź komunikacji krótkiego zasięgu (NFC) korzysta z anten nadawczo-odbiorczych, realizowanych w postaci spiralnej ścieżki na PCB (fotografia 29). Rozwiązanie takie jest niezwykle efektywne, zważywszy na dość wysokie ceny gotowych anten NFC. W porównaniu do nich koszt anteny PCB, równy... cenie dodatkowego obszaru na laminacie płytki, wydaje się niemal pomijalny;
  • cewki do systemów zasilania indukcyjnego - rosnąca popularność systemów bezprzewodowego ładowania urządzeń mobilnych (np. smartfonów) za pomocą ładowarek indukcyjnych sprawiła, że niektórzy inżynierowie i naukowcy podjęli próby realizacji odpowiednich do tego celu cewek w postaci spiralnych ścieżek PCB. Podstawowa różnica konstrukcyjna pomiędzy nimi a opisanymi wcześniej antenami NFC wynika z minimalnego przekroju poprzecznego (a co za tym idzie - szerokości) ścieżek, niezbędnego do uzyskania odpowiednio niskiej rezystancji. W zależności od zastosowanego układu odbiorczego inna może być także indukcyjność cewki, która pozwoli zoptymalizować proces przekazu energii. Z uwagi na ograniczenia konstrukcyjne większość tego typu aplikacji jest jednak realizowana z użyciem gotowych, dedykowanych cewek niskoprofilowych (najczęściej samoprzylepnych);
  • czujniki zbliżeniowe i przyciski indukcyjne - cewki planarne sprawdzają się także doskonale we współpracy z precyzyjnymi front-endami do pomiarów indukcyjnych (np. z serii LDC13xx i LDC16xx marki Texas Instruments). Układy takie stosowane są w aplikacjach nowoczesnych interfejsów dotykowych bądź różnego rodzaju czujników (w tym zbliżeniowych), bazujących na subtelnych wahaniach indukcyjności cewki, spowodowanych zbliżaniem lub oddalaniem od niej metalowego elementu (fotografia 30).

 

Fotografia 30. Zestaw uruchomieniowy front-endu indukcyjnego LDC1612EVM Texas Instruments (widoczne dwie spiralne cewki PCB, pełniące funkcję sensorów)

Transformatory planarne - realizowane na bazie płytki drukowanej, współpracującej z odpowiednio zamontowanym rdzeniem, bazują na tej samej technologii, zawierają natomiast dwie lub więcej sprzężonych magnetycznie cewek, znajdujących się na kolejnych warstwach PCB (możliwe jest także szeregowe połączenie kilku spiral w celu zwiększenia indukcyjności). Rozwiązanie takie, zaprezentowane schematycznie na rysunku 16, jest bardzo nowoczesnym, efektywnym i oszczędnym finansowo sposobem na wykonanie transformatora, należy jednak pamiętać, że sprawdzi się ono jedynie przy bardzo wysokich częstotliwościach kluczowania.

Rysunek 16. Transformator planarny na bazie PCB

Transformatory Ethernet

Ostatnią grupą elementów indukcyjnych, na których skupimy się w niniejszym przeglądzie, są transformatory przeznaczone do realizacji interfejsów sieci przewodowych (Ethernet). Wymóg stosowania transformatorów na liniach sygnałowych wynika przede wszystkim z konieczności galwanicznego odseparowania linii przesyłowej (skrętki) od poszczególnych urządzeń, co stanowi doskonały sposób na uniknięcie problemów z offsetem poziomów masy pomiędzy sprzętem sieciowym, znajdującym się w różnych, często odległych lokalizacjach. Dodatkową zaletą jest „naturalna” separacja sygnałów użytecznych (różnicowych) od zakłóceń współbieżnych.

Fotografia 31. Zespół transformatorów sygnałowych Ethernet w obudowie SMD (Würth Elektronik)

Transformatory sygnałowe występują w dwóch głównych formach. Urządzenia sieciowe (np. switche czy routery) często korzystają z osobnych transformatorów, montowanych na płytce drukowanej w bezpośrednim otoczeniu gniazd RJ45 (fotografia 31). W przypadku urządzeń wyposażonych w pojedynczy port znacznie częściej można natomiast spotkać gniazda ze zintegrowanym zespołem transformatorów (fotografia 32), co znakomicie ułatwia konstrukcję urządzenia i skraca przebieg par różnicowych, prowadzonych pomiędzy gniazdem a układem interfejsowym warstwy fizycznej (PHY).

Fotografia 32. Wnętrze gniazda RJ45 ze zintegrowanymi transformatorami sygnałowymi
Rysunek 17. Schemat zespołu transformatorów sygnałowych 7490100110A marki Würth Elektronik. Widoczne dławiki CM (po lewej) oraz transformatory izolacyjne (po prawej)

Warto dodać, że projektując urządzenie korzystające z funkcji zasilania za pomocą kabla sieciowego (PoE), należy wybrać odpowiednio do tego celu przystosowane transformatory - firma Coilcraft oferuje dedykowane rozwiązanie w postaci dwóch osobnych elementów: zespołu dławików CM (HPF2187L) oraz transformatora separacyjnego (HPX2126L) - rysunek 18.

Rysunek 18. Elementy indukcyjne marki Coilcraft w aplikacji PoE

Podsumowanie

Przygotowany przegląd elementów indukcyjnych ma na celu zaprezentowanie możliwie szerokiego spektrum stosowanych obecnie dławików i transformatorów. Należy przy tym zwrócić uwagę na fakt, że podstawowa idea działania każdego elementu tego typu, wywodząca się ze znanej od niemal 200 lat zwojnicy, została zaadaptowana na dziesiątki różnych sposobów, dzięki czemu komponenty indukcyjne są dziś nieodzowne praktycznie w każdym urządzeniu elektronicznym.

Celowo pominęliśmy niektóre rodzaje elementów indukcyjnych - np. elektromagnesy, cewki przeznaczone do zwrotnic głośnikowych, filtry kubkowe czy też zintegrowane filtry sygnałowe i sieciowe LC - nawet pobieżne omówienie całokształtu współczesnego świata tych komponentów prawdopodobnie nie zmieściłoby się na łamach pojedynczego numeru „Elektroniki Praktycznej”. Mamy jednak nadzieję, że zaprezentowane materiały pomogą naszym Czytelnikom w rozpoczęciu samodzielnego zgłębiania tematyki elementów indukcyjnych i nakierują na właściwe rozwiązania w różnego typu projektach.

inż. Przemysław Musz, EP

Artykuł ukazał się w
Elektronika Praktyczna
listopad 2021
Elektronika Praktyczna Plus lipiec - grudzień 2012

Elektronika Praktyczna Plus

Monograficzne wydania specjalne

Elektronik listopad 2025

Elektronik

Magazyn elektroniki profesjonalnej

Raspberry Pi 2015

Raspberry Pi

Wykorzystaj wszystkie możliwości wyjątkowego minikomputera

Świat Radio listopad - grudzień 2025

Świat Radio

Magazyn krótkofalowców i amatorów CB

Automatyka, Podzespoły, Aplikacje listopad - grudzień 2025

Automatyka, Podzespoły, Aplikacje

Technika i rynek systemów automatyki

Elektronika Praktyczna listopad 2025

Elektronika Praktyczna

Międzynarodowy magazyn elektroników konstruktorów

Elektronika dla Wszystkich grudzień 2025

Elektronika dla Wszystkich

Interesująca elektronika dla pasjonatów