Przekaźniki półprzewodnikowe - SSR

Przekaźniki półprzewodnikowe - SSR

Przekaźniki SSR odgrywają istotną rolę w świecie dzisiejszej elektroniki i automatyki. Powstały jako alternatywa dla rozwiązań elektromechanicznych, jakie znamy od dziesięcioleci. W wielu miejscach z pewnością będą się sprawowały lepiej od ich tradycyjnych odpowiedników, ale czy są uniwersalnym rozwiązaniem? Kiedy warto je stosować? Na jakie parametry należy zwrócić uwagę? Na te pytania postaram się odpowiedzieć w tym artykule.

Słowo przekaźnik dla wielu z nas – osób aktywnie związanych z elektryką i elektroniką, kojarzy z elementem składającym się z elektromagnesu, kotwiczki i styków, który wydaje z siebie charakterystyczne stuknięcie w momencie przełączania. Kiedy styki są zwarte – prąd przepływa, natomiast, gdy styki są rozwarte, to w obwodzie prąd nie płynie. Te proste zasady mogą być zawodne. Przekaźniki potrafią przysporzyć wielu problemów. Styki wypalają się i sklejają, a nawet odpadają. Kotwiczka potrafi skorodować a sprężyna, która przeciwstawia się sile wywoływanej przez elektromagnes, z czasem się wyciąga, traci sprężystość i przestaje spełniać swoje zadanie – element staje się wrażliwy na wibracje i zmiany temperatury. Długie leżakowanie w nieprzychylnej atmosferze – zasiarczonej lub wilgotnej, również nie służy przekaźnikom, które nie mają hermetycznej obudowy. Ponadto, niemałe gabaryty mocno utrudniają stosowanie tych komponentów w nowoczesnych zminiaturyzowanych urządzeniach.

Wraz z rozwojem energoelektroniki powstał pomysł, aby te zawodne i kłopotliwe podzespoły elektromechaniczne zastąpić nową wersją, pozbawioną wad – czyli w pełni elektroniczną. Przekaźnik półprzewodnikowy – SSR (Solid State Relay), to odpowiedź przemysłu elektronicznego na zapotrzebowanie automatyków i elektroników na całym świecie. Pomimo tego, że nie są całkowicie bezproblemowe, to mogą pracować w wielu aplikacjach, po odpowiednim dobraniu parametrów.

Na początku musi znaleźć się pewne wyjaśnienie – anglojęzyczny akronim SSR zawiera słowo relay, czyli po polsku przekaźnik. Zatem sformułowanie „przekaźnik SSR” jest pleonazmem, takim samym, jak „dioda LED”. Jednak to określenie przyjęło się w polskim języku technicznym i nic nie wskazuje na jego rychłą zmianę.

Jak działa SSR?

Funkcjonalność tych elementów ma być porównywalna ze zwykłymi przekaźnikami, więc producenci musieli zadbać również o nadanie im pożądanych, z punktu widzenia instalatora i użytkownika, cech. Są to, między innymi:

  • sterowanie przy użyciu niewielkiej mocy,
  • izolacja galwaniczna między obwodem sterującym a sterowanym,
  • łatwe podłączanie do istniejącej instalacji oraz prosta wymiana,
  • możliwość pracy w szerokim zakresie napięć zasilających obwód sterowany.

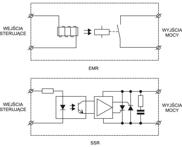
W przekaźnikach elektromechanicznych te kryteria były łatwe do spełnienia. Cewka poruszająca stykami pobiera z reguły niewielką moc, a przekaźniki bistabilne nawet nie potrzebują jej wcale, gdy styki mają pozostać na swoim miejscu. Izolacja między obwodami była zrealizowana przez odizolowanie cewki elektromagnesu od pozostałych części składowych. Prostą wymianę ułatwiały podstawki, a metalowe styki umożliwiały załączanie obwodów o różnych wartościach napięć i prądów. Przekaźniki półprzewodnikowe są zbudowane w zupełnie inny sposób, a schematyczne porównanie obu technologii zostało pokazane na rysunku 1. Izolację między wejściem sterującym a obwodem sterowanym zapewniają elementy optoelektroniczne. Dioda LED, która uruchamia przekaźnik, choć wymaga ciągłego zasilania napięciem o określonej polaryzacji, pobiera niewielką moc, mniejszą niż elektromagnesy nawet w najmniejszych przekaźnikach klasycznych. Łatwość instalacji jest zapewniona przez obudowy z zaciskami śrubowymi, przystosowane do szyny DIN, lub wyposażone w wyprowadzenia do lutowania.

Rysunek 1. Schematyczne zobrazowanie budowy przekaźnika elektromagnetycznego i półprzewodnikowego

Obwody załączające obciążenie są tak zaprojektowane, aby pracowały prawidłowo w szerokim zakresie napięć i prądów, choć nie ma tu tak wysokiej dowolności jak w przypadku zwykłych przekaźników. Ponadto muszą być zabezpieczone przed przepięciami, które mogłyby je zniszczyć lub wywołać niepożądaną komutację, dlatego przekaźniki półprzewodnikowe często mają wbudowane gasiki RC, warystory i inne elementy ochronne.

Zasada działania przekaźników SSR ma wiele zalet: brak zużywających się elementów elektromechanicznych, możliwość szybszego przełączania, brak emisji zakłóceń elektromagnetycznych pochodzących od iskrzących styków, cicha praca i łatwość miniaturyzacji. Jednak dalej przekonamy się, że mają też zasadnicze wady.

Rodzaje przekaźników SSR

Na rynku dostępnych jest kilka rodzajów przekaźników półprzewodnikowych. Te najczęściej spotykane służą do przełączania obwodów prądu przemiennego i mogą realizować sterowanie grupowe lub fazowe [1]. Jako elementy wykonawcze pracują w nich triaki, tyrystory bądź alternistory czyli triaki o poprawionych właściwościach komutacyjnych. Na fotografii 1 można zobaczyć wygląd tego typu przekaźników oferowanych przez polską firmę Relpol. Podobnie wyglądają komponenty przystosowane do pracy w obwodach prądu stałego, gdzie załączają obciążenia o średniej mocy i wysokiej mocy. Różnią się elementami wykonawczymi, lecz zasada działania oraz kształt obudowy są zbliżone.

Fotografia 1. SSR do obwodów prądu przemiennego firmy Relpol

W przeciwieństwie do wersji elektromagnetycznych, przekaźniki półprzewodnikowe mogą oferować dodatkowe funkcjonalności oprócz załączania i rozłączania obwodu. W ofercie firmy Relpol znajdziemy SSR o takich funkcjach jak:

  • załączanie w zerze napięcia (ZS), co minimalizuje prądy udarowe podczas włączania;
  • załączanie analogowe (AS), które jest sterowaniem fazowym z regulacją przy użyciu wielkości analogowej (pętla prądowa lub wejście napięciowe);
  • załączanie w dowolnej chwili (IO), które jest stosowane przede wszystkim w obwodach sterowania fazowego;
  • załączanie w maksimum napięcia (PS), które ma na celu zmniejszyć udar prądowy powstały podczas załączania obciążeń indukcyjnych, takich jak transformatory;
  • załączanie DC (DCS), przeznaczone do obwodów prądu stałego.

Jednak na tym możliwości przekaźników półprzewodnikowych się nie kończą. Można znaleźć również miniaturowe przekaźniki sygnałowe, wykonane w 100% z elementów elektronicznych. Mają różne obudowy, a te najmniejsze wyglądają zupełnie jak zwykłe transoptory w obudowach DIP. Są również wersje do montażu powierzchniowego.

Przykładowe elementy tego typu, które oferuje firma ECE, zostały pokazane na fotografii 2.

Fotografia 2. SSR w miniaturowych obudowach od firmy ECE

W miniaturowych SSR najczęściej pracują tranzystory MOSFET ze światłoczułymi bramkami. Są to tak zwane tranzystory PhotoMOS, lecz ta nazwa została zastrzeżona przez firmę Panasonic [3]. Dlatego inni producenci, posługują się w swoich notach katalogowych określeniami typu MOS relay choć zasada działania tych elementów jest taka sama. Mogą być umieszczone pojedynczo lub podwójnie, sprzęgnięte ze sobą. W tym pierwszym przypadku służą do pracy w obwodach prądu stałego, a w drugim mogą emulować „prawdziwy” przekaźnik, bowiem prąd może przez nie przepływać w obie strony bez przeszkód.

Rysunek 2. Schematy wewnętrzne miniaturowych SSR

Szczegóły zostały pokazane na rysunku 2, który zawiera schematy ideowe dwóch opisanych przekaźników SSR.

Parametry SSR

Mnogość typów przekaźników półprzewodnikowych jest ogromna. Do załączania silnika prądu przemiennego użyjemy innego elementu niż do selekcji jednego z wielu źródeł sygnału analogowego o niewielkiej amplitudzie. Dodatkowo producenci często stosują własne nazewnictwo, co może być sporym utrudnieniem dla osób niewtajemniczonych w tę technologie. Zawsze warto dokładnie przeanalizować wartości parametrów oraz ich znaczenie w dokumentacji danego producenta.

Rodzaj przełączanego prądu

Z fizycznego punktu widzenia, sprawa jest bardzo prosta: mamy prąd stały i zmienny. Inżynierowie postawili granicę w nieco innym miejscu, gdyż mamy terminy DC oraz AC. Pierwszy oznacza prąd, który nie zmienia kierunku swojego przepływu, zaś drugi – przeciwnie. Oznaczenie AC jest zazwyczaj stosowane do obwodów prądu przemiennego, takich jak sieć energetyczna, choć tym samym mianem można też określić inne bipolarne sygnały analogowe np. audio. Dlatego warto zwrócić uwagę na następny parametr.

Element wykonawczy

Do dyspozycji mamy SSR wyposażone w triaki, tyrystory, alternistory tranzystory IGBT i MOS. Pierwsze trzy spotkamy tylko tam, gdzie mamy do dyspozycji prąd cyklicznie osiągający zerową wartość, gdyż w przeciwnym razie po jednorazowym załączeniu nie będzie możliwe wyłączenie elementu wykonawczego. W zdecydowanej większości przypadków będą to obwody zasilane z sieci energetycznej, gdyż okresowość napięcia przechodzącego przez zero daje nam gwarancję, że raz załączony triak czy tyrystor ulegnie wyłączeniu w przewidywalnym czasie. Z tymi elementami wiąże się kilka niedogodności, takich jak konieczność zapewnienia minimalnego prądu obciążenia czy ograniczenie szybkości narastania napięcia.

Przekaźniki półprzewodnikowe z tranzystorami IGBT są spotykane stosunkowo rzadko, jednak można je znaleźć na rynku w ciągłej sprzedaży. Służą do pracy w obwodach prądu stałego o wysokiej mocy, nawet do 50 A przy 750 V [4]. Wynika to ze specyficznego przeznaczenia tego rodzaju tranzystorów, które wprowadzają znacznie niższe straty w stanie przewodzenia od wysokonapięciowych tranzystorów MOSFET. Z wysokimi napięciami stałymi mamy do czynienia, między innymi, w fotowoltaice, która jest dziedziną stale rozwijającą się.

Ostatnia grupa, czyli przekaźniki z tranzystorami MOS, dominują wśród małych przekaźników przeznaczonych do przełączania niewielkich napięć i prądów – zarówno stałych jak i przemiennych. Jednak to nie jedyny obszar ich zastosowania. Można je znaleźć w SSR przeznaczonych do fotowoltaiki [5], gdzie pełnią tę samą funkcję co tranzystory IGBT.

Maksymalne napięcie i maksymalny prąd

Podobnie jak w przypadku elementów stykowych, tak i tutaj mamy do czynienia z pewnymi wartościami granicznymi. Zwłaszcza napięcie nie pozostawia złudzeń – zarówno każdy izolator, jak i każdy komponent mają dopuszczalne napięcie między wyprowadzeniami. Po załączeniu przekaźnika półprzewodnikowego, wartość tego napięcia spada do pewnej, niewielkiej wartości. Wtedy znaczącą rolę zaczyna odgrywać maksymalny prąd przewodzenia. W zależności od konkretnego podzespołu, może on wynosić od dziesiątek miliamperów, aż do dziesiątek amperów. Ograniczenie może pochodzić nie tylko od samych elementów lecz również od dopuszczalnej mocy strat, bowiem tego typu podzespoły często wymagają chłodzenia. Dla niektórych osób może to być małym zaskoczeniem – przekaźnik, który trzeba chłodzić? Tak, i to przy prądzie nawet rzędu kilku amperów. Przy większych wymagane są nawet wentylatory. Szafa wypełniona przekaźnikami SSR potrafi wytwarzać pokaźne ilości ciepła.

Dlatego decydując się na dany SSR trzeba dokładnie sprawdzić, czy mamy odpowiednie warunki do jego chłodzenia. Uzyskanie maksymalnego prądu przewodzenia może być niekiedy możliwe tylko w specyficznych warunkach, na przykład przy temperaturze obudowy rzędu 25°C. Konieczna jest szczegółowa lektura noty katalogowej.

Straty

Nie sposób się od nich uwolnić. Każdy element, przez który płynie prąd, będzie wprowadzał straty energii wynikające z niezerowej rezystancji statycznej, wydzielane w postaci ciepła. Dla producentów to bardzo niewygodny temat, dlatego informacje o stratach wprowadzanych przez ich przekaźniki półprzewodnikowe są często podawane w sposób bardzo enigmatyczny. W przypadku elementów stykowych ta kwestia była możliwa do pominięcia w wielu wypadkach.

W przypadku SSR przeznaczonych do obwodów prądu przemiennego (AC) fizyka jest nieubłagana. Tyrystory i triaki, które są najczęściej używanymi elementami wykonawczymi do przełączania obwodów tego rodzaju, wprowadzają stały spadek napięcia między zaciskami elektrod. Zazwyczaj mówi się o wartości z przedziału 0,9…1 V dla małych prądów i 1,2…1,6 V dla prądu o wysokim natężeniu. Po pomnożeniu tej liczby przez wartość skuteczną płynącego przez taki element prądu uzyskujemy moc strat w watach. I żadne zabiegi marketingowe nic tutaj nie dadzą, ponieważ układ warstw półprzewodników o ściśle określonej strukturze będzie miał zbliżone napięcie przewodzenia. Można redukować pasożytnicze rezystancje czy inne niepożądane składowe, ale ten jeden parametr pozostaje stały dla określonego materiału półprzewodnikowego. Trzeba mieć świadomość, że nie są to małe wartości – przeciętny triak BTA12 podczas przewodzenia prądu o wartości skutecznej 10 A wydzieli w swojej strukturze aż 11 W mocy cieplnej [6]. Niewielka obudowa TO220 nie rozproszy takiej ilości energii. Dlatego obudowy SSR większej mocy mają od spodu metalową wkładkę na całej powierzchni, do której, na odpowiednim izolatorze, przymocowane są elementy półprzewodnikowe wydzielające dużą ilość mocy (rysunek 3). Taki bloczek (widoczny w całości na fotografii 1) przykręca się do odpowiedniego radiatora i chłodzi w ten sam sposób, co każdy inny element.

Rysunek 3. Przekrój obudowy typowego SSR

Tranzystory MOS cechują się określoną rezystancją otwartego kanału, więc moc strat rośnie proporcjonalnie do kwadratu wartości skutecznej płynącego prądu. Dla niewielkich prądów sprawa wydaje się banalna, gdyż kilka czy kilkanaście miliwatów rozproszy każda obudowa w niemal każdych warunkach. Ale niekiedy producenci, zdaje się, są nazbyt optymistyczni, a dowody na to można znaleźć na przykład we wspomnianym już dokumencie od firmy ECE [2]. Pewna seria SSR tego producenta może przewodzić prąd ciągły o natężeniu aż 6 A, co czyni przy rezystancji przewodzenia 0,1 Ω. Zostało to zaznaczone czerwoną ramką na rysunku 4. Nietrudno obliczyć, że w niewielkiej obudowie DIP, wykonanej w całości z tworzywa sztucznego, wydzieli się moc 3,6 W. Tego nie jest w stanie rozproszyć nawet obudowa TO220 z metalową wkładką, zanim nie otrzyma dodatkowego radiatora.

Rysunek 4. Maksymalny prąd przewodzony przez SSR firmy ECE

Inni producenci, jak Panasonic, wprost podają maksymalną moc cieplną wydzielaną w swoich SSR [7] (rysunek 5). Rozdzielenie dopuszczalnej mocy traconej na obwód wejściowy (diodę LED), wyjściowy (tranzystory PhotoMOS) i sumarycznej dla całego podzespołu znacznie ułatwia zaprojektowanie układu w taki sposób, aby zastosowane komponenty SSR pracowały w zakresie dopuszczalnych parametrów. Tutaj nie wolno wydzielić więcej niż 550 mW w obudowie DIP, co jest wartością znacznie bardziej zbliżoną do rzeczywistej niż w poprzednim przykładzie.

Rysunek 5. Maksymalna moc tracona na SSR firmy Panasonic

Czas reakcji

Przekaźniki półprzewodnikowe, jak każdy inny element, potrzebują określonej ilości czasu do wykonania zadania – załączenia obwodu lub jego rozłączenia. W przypadku SSR przeznaczonych do prądu przemiennego trzeba wziąć pod uwagę faktyczny moment załączenia (wystąpienie zera napięcia lub jego maksimum) oraz wyłączenia (przejście prądu przez zero), które mogą nie pokrywać się z zaświeceniem lub wygaszeniem wbudowanej diody LED. Typowy czas zwłoki wprowadzanej przez sam SSR nie przekracza 1 ms [1].

Nieco inaczej sprawa wygląda w przypadku podzespołów tego typu wykonanych na tranzystorach MOS. Otóż, w przeciwieństwie do przekaźników elektromagnetycznych, załączenie trwa dłużej niż wyłączenie lub trwają one tyle samo – dowodem niech będzie fragment noty katalogowej firmy ECE, który został pokazany na rysunku 6.

Rysunek 6. Czas reakcji SSR firmy ECE

Dlatego trzeba uważać przy stosowaniu SSR w miejscu tradycyjnych przekaźników w tych miejscach, gdzie czas ich przełączania ma istotne znaczenie dla prawidłowego działania układu. Będą to, przede wszystkim, różne układy przełączające źródła sygnałów, gdzie kolejność załączania i wyłączania poszczególnych kluczy jest istotna dla zachowania ciągłości drogi prądu, aby nie wystąpiły stuki lub inne nieprzyjemne efekty.

Jeszcze inaczej te wielkości wyglądają dla wyrobów firmy Panasonic [7], ponieważ podaje on również wartości typowe. Maksymalny czas załączenia wynosi kilka milisekund, a typowy czas rozłączenia może wynosić nawet 40 czy 50 μs (rysunek 7). Pisząc oprogramowanie sterujące przekaźnikami SSR trzeba mieć na uwadze odpowiednią przerwę czasową pomiędzy wyłączeniem jednego i załączeniem drugiego.

Rysunek 7. Czas reakcji SSR firmy Panasonic

Minimalny prąd obciążenia

W przypadku przekaźników elektromechanicznych, zapewnienie minimalnego prądu pobieranego przez przełączany fragment obwodu miało na celu umożliwienie stykom samooczyszczanie się. Jeżeli ten warunek nie był spełniony, przekaźnik działał nadal, lecz jego parametry łączeniowe mogły z czasem ulec pogorszeniu – zwłaszcza dla słabych sygnałów.

Nieco inaczej sprawa wygląda w przypadku SSR. Te, które zawierają w swojej strukturze tranzystory MOS lub IGBT nie mają takiego ograniczenia, bowiem mogą przewodzić dowolnie mały prąd. Jedynym ograniczeniem jest ich upływność. Ale triaki oraz tyrystory wymagają do poprawnego działania obciążenia, które pobiera prąd nie mniejszy niż pewne minimum. Chodzi o prawidłowe podtrzymanie stanu przewodzenia. Jeżeli ten warunek nie zostanie spełniony, obciążenie może być sterowane w sposób chaotyczny. Dlatego trzeba zwrócić uwagę na ten parametr, jeżeli w grę wchodzi przełączanie układów wykonawczych pobierających minimalne ilości mocy. Jest to widoczne zwłaszcza na przykładzie oświetlenia LED, które często pobiera zaledwie kilka watów. Firma Relpol ma w ofercie serię przekaźników RM1A, które wymagają minimalnego prądu obciążenia aż 150 mA [8]. Nietrudno policzyć, że w grę wchodzi moc ponad 30 W.

Upływność

Jak każdy element przełączający, tak i SSR po wyłączeniu nie stanowią idealnej przerwy w obwodzie. Przekaźniki z metalowymi stykami pozwalały uzyskać pewne otwarcie obwodu, o ich półprzewodnikowych wersjach nie można tak powiedzieć. Wspomniana już seria RM1A od firmy Relpol, dedykowana do przełączania prądu AC, charakteryzuje się prądem upływu o natężeniu mniejszym niż 3 mA (wartość skuteczna) [8]. Ile dokładnie wynosi, tego nie wiadomo. W ogólnym dokumencie traktującym o SSR [1] można wyczytać, że źródłem tej upływności jest obwód snubbera RC, który typowo składa się z kondensatora o pojemności 220 nF i rezystora 100 Ω. Moduł impedancji takiego zestawu dla częstotliwości 50 Hz wynosi prawie 14,5 kΩ, co przy napięciu 230 V daje prawie 16 mA prądu płynącego przez, teoretycznie wyłączony przekaźnik. To niebagatelna wartość, mogąca doprowadzić do groźnego w skutkach porażenia. Dlatego w niektórych zastosowaniach używa się szeregowego połączenia elementu stykowego i SSR dla uzyskania wysokiej rezystancji izolacji i niskiego prądu upływu po wyłączeniu [1]. Niektóre urządzenia małej mocy mogą wręcz pracować, pomimo tego, że SSR został wyłączony, ponieważ obwód snubber w dalszym ciągu dostarcza im prądu o dostatecznie wysokim natężeniu.

Warto dodać, że dodatkowe obwody zabezpieczające półprzewodnikowe elementy wykonawcze SSR będą tylko pogarszały tę sytuację. Transile, warystory, gasiki RC, kondensatory – każdy z tych elementów będzie powodował zwiększenie natężenia prądu „przeciekającego” przez SSR.

W przypadku przekaźników półprzewodnikowych małej mocy producenci z reguły podają prąd upływu przy maksymalnym napięciu i typowo nie przekracza on 1 μA [2][7]. Dla elementów o bardzo wysokim prądzie przewodzenia, jak wspomniany już SSR mogący przewodzić prąd do 6 A , ta wartość może wynosić do 10 μA [2]. Dla obwodów przełączających sygnały, w których następny stopień ma wysoką impedancję wejściową, taka upływność może być źródłem wielu problemów. Przykładem może być wspomniana już dziedzina audio, w której impedancja wejściowa rzędu 100 kΩ czy 1 MΩ nie jest niczym niecodziennym, zwłaszcza w układach lampowych lub z tranzystorami JFET.

Rezystancja w stanie przewodzenia

O tym parametrze już nieco wspomniałem w kontekście strat przewodzenia, lecz wymaga oddzielnego omówienia w przypadku przekaźników półprzewodnikowych pracujących w układach analogowych. Jako przykład niech posłuży prosty tłumik sygnału audio, w którym wartość tłumienia można regulować elektronicznie (rysunek 8). Tłumienie może wynosić 22,4 dB (tajemniczy element jest rozwarty) lub 41 dB (zwarty).

Rysunek 8. Schemat ideowy prostego, regulowanego tłumika sygnału

W przypadku większości przekaźników elektromechanicznych, kwestia rezystancji styków jest w tej sytuacji do pominięcia – zazwyczaj nie przekracza 100 mΩ. Rezystancje ścieżek oraz rozrzuty wartości rezystorów w znacznie większym stopniu wpłyną na uzyskaną faktycznie wartość tłumienia.

Sytuacja zupełnie inaczej wygląda w przypadku użycia przekaźnika SSR w roli tajemniczego podzespołu. Większość dostępnych na rynku modeli ma rezystancję otwarcia rzędu kilkunastu, a nawet kilkudziesięciu omów! Tylko nieliczne wykonania mogą poszczycić się rezystancją przewodzenia mniejszą niż 1 Ω. Zazwyczaj są, niestety, znacznie droższe.

Teoretycznie można uwzględnić rezystancję otwarcia w toku obliczeń i dobrać rezystor R3 o odpowiednio mniejszej rezystancji, aby wypadkowa rezystancja całej tej gałęzi wynosiła 100 Ω. Teoretycznie, bowiem ten parametr silnie zależy od temperatury, na co wskazuje przykładowy wykres znajdujący się na rysunku 9. Nietrudno zauważyć, że układ zaprojektowany do pracy w temperaturze pokojowej, po otwarciu okna w upalne lato będzie działał już zupełnie inaczej.

Rysunek 9. Zależność między rezystancją otwarcia a temperaturą

Z praktyki

Po przekaźniki półprzewodnikowe sięgam szczególnie wtedy, kiedy układ ma przez lata pracować całkowicie bezobsługowo. Brak zużywających się styków jest najważniejszą zaletą. Należy przy tym pamiętać, aby takiemu podzespołowi zapewnić odpowiednie warunki pracy, w szczególności chłodzenie i eliminację przepięć.

Do załączania obciążeń zasilanych wprost z sieci 230 V, takich jak silniki indukcyjne, grzałki i transformatory, najczęściej wybieram SSR z przytoczonej już serii RM1A, produkowanej przez rodzimą firmę Relpol. W szczególności cenię sobie ich bezawaryjność, dobrą dostępność u dystrybutorów i szczegółowo napisane noty katalogowe.

Analogiczne podzespoły produkcji dalekowschodniej traktuję z dużą rezerwą. Niejednokrotnie zdarzyło mi się, że moduł przekaźnika półprzewodnikowego, przystosowany do przewodzenia prądu 25 A lub nawet 40 A ulegał po kilku tygodniach lub miesiącach awarii współpracując z niewielką grzałką albo silnikiem. Co gorsza, awarie miały różnoraki charakter, bowiem czasem przekaźnik stawał się rozwarciem, czasem zwarciem, a niekiedy przewodził prąd w sposób wybitnie losowy prowadząc do ustawicznego szarpania wałem napędowym niewielkiej pompy. Z punktu widzenia bezpieczeństwa, jedynie pierwsza opcja wystąpienia awarii jest pożądana.

Pewną wadą przytoczonej serii RM1A jest stosunkowo wysoki prąd upływu, który powoduje, że niewielkie siłowniki (np. sterujące elektrozaworami) buczą lub drżą po wyłączeniu. W takich sytuacjach tworzę własne układy SSR na triakach, stosuję przekaźniki elektromagnetyczne lub miniaturowe SSR z tranzystorami PhotoMOS lub podobnymi.

Fotografia 3. Widok przekaźnika SSR typu EPR411A404000EZ od firmy ECE

Omówione wcześniej przekaźniki półprzewodnikowe w obudowach DIP lub podobnych nadają się nie tylko do obwodów niskiego napięcia. W sprzedaży można znaleźć również wysokonapięciowe wykonania. Cechują się, niestety, wyższą rezystancją przewodzenia, co pociąga za sobą mniejsze natężenie dopuszczalnego prądu, ponieważ trzeba cały czas mieć na uwadze straty mocy wydzielane w postaci ciepła. Na przykład tani układ EPR411A404000EZ od producenta ECE (fotografia 3) nadaje się do załączania niewielkich obciążeń zasilanych napięciem przemiennym. Możliwość przewodzenia prądu w obie strony, dopuszczalne napięcie 400 V, maksymalny prąd przewodzenia 100 mA i rezystancja w stanie otwarcia na poziomie 30 Ω czynią ten element bardzo ciekawą alternatywą dla przekaźników elektromagnetycznych podczas załączania takich obciążeń jak cewki elektrozaworów czy oświetlenie LED. Należy jedynie pamiętać o dodaniu odpowiednich zabezpieczeń, aby impulsy wysokiego napięcia i zakłócenia nie uszkodziły tego podzespołu. Dodatkowym atutem jest niewielka obudowa SOP4, która ma szeroko rozstawione nóżki po stronie wysokonapięciowej, co ułatwia poprowadzenie ścieżek na płytce i zachowanie dystansu między nimi.

Ale to nie jest jedyny element tego typu. Te niepozorne podzespoły mogą przewodzić prąd o znacznie wyższym natężeniu, nawet 0,5 A czy 1 A. Są też znacznie droższe, lecz jeżeli w danym układzie panuje silny nacisk na miniaturyzację, trzeba się z tym pogodzić. Przykładami mogą być AQZ204J (0,5 A) i AQZ206G2 (1 A) od firmy Panasonic (fotografia 4).

Fotografia 4. Widok przekaźnika SSR typu  AQZ204J i AQZ206G2 od firmy Panasonic

Miniaturowe SSR nadają się nie tylko do obwodów wysokiego napięcia. Bardzo dobrze sprawdzają się jako izolowane galwanicznie elementy sterujące niewielkimi obciążeniami, jak pompki, cewki przekaźników czy diody LED. Maksymalny prąd przewodzenia niedrogich SSR w obudowach DIP sięga 1 A np. AQY211EHAJ firmy Panasonic.

Może przewodzić prąd w obu kierunkach, a typowa rezystancja przewodzenia wynosi 0,25 Ω. Nietrudno policzyć, że będzie wprowadzał podobne straty co tranzystor bipolarny tkwiący w stanie nasycenia. Jest też znacznie wygodniejszy w stosowaniu od analogicznego obwodu wykonanego ze zwykłego transoptora i zwykłego tranzystora bipolarnego lub MOSFET, ponieważ nie wymaga zasilania po stronie wyjściowej. Przekłada się to również na mniejszą liczbę użytych elementów. Dosyć wolny czas reakcji, rzędu milisekund, wyklucza praktycznie jakąkolwiek możliwość sterowania typu PWM, o czym trzeba pamiętać.

Wspominałem o możliwości użycia SSR w roli bramek transmisyjnych dla sygnałów analogowych. To prawda, czasem korzystam z nich w ten sposób, ale trzeba mieć na uwadze dosyć wysoką rezystancję przewodzenia oraz upływność. W przypadku wspomnianego AQY211EHAJ mamy do czynienia z maksymalną rezystancją przewodzenia 0,5 Ω i prądem upływu mniejszym niż 1 μA przy maksymalnym napięciu między zaciskami [9]. Praktyka dowodzi, że przy znacznie niższym napięciu prąd upływu jest wielokrotnie mniejszy, rzędu kilkunastu nanoamperów, zaś rezystancja przewodzenia (w temperaturze pokojowej) jest zbliżona do typowej lub nawet niższa. Potwierdziło to wiele prób.

Dlatego te elementy dobrze sprawują się w wielu miejscach, w których stosowane są przekaźniki sygnałowe, choć trzeba mieć na uwadze ich niezbyt intuicyjną przypadłość polegającą na szybszym wyłączaniu się niż załączaniu.

Osprzęt i otoczenie

Przekaźniki półprzewodnikowe nie wybaczają konstruktorom nawet chwilowego przekroczenia parametrów maksymalnych. Dotyczy to zwłaszcza maksymalnego napięcia między zaciskami, które może chwilowo osiągać wielokrotnie wyższe wartości podczas rozłączania obciążeń o charakterze indukcyjnym lub wskutek zakłóceń elektromagnetycznych albo wyładowań elektrostatycznych. Dlatego stosowanie szybkich diod zabezpieczających typu transil czy warystorów jest niezbędne nawet w tych miejscach, w których pozornie nie spodziewamy się skoków napięcia – na przykład w obwodach sterowania grzałkami czy diodami LED. Konieczność zapewnienia ochrony dotyczy zwłaszcza SSR z tranzystorami MOS, które przecież nie posiadają jakichkolwiek zabezpieczeń. Przydatne będą również gasiki RC, których zadaniem jest zmniejszenie szybkości narastania napięcia, co daje czas na zadziałanie innym elementom zabezpieczającym.

SSR przystosowane do przełączania wieloamperowych prądów wymagają chłodzenia ze względu na stosunkowo duże straty przewodzenia. Na szczęście nie musimy kombinować z adaptacją standardowych podzespołów chłodzących, bowiem mamy w handlu łatwo dostępne gotowe radiatory, przeznaczone właśnie tym przekaźnikom.

Przytaczana już firma Relpol ma w ofercie radiatory z serii RHS [10], które można w wygodny sposób zamontować na szynie DIN. Różnią się rezystancją termiczną, więc – co za tym idzie – również i gabarytami. Bez problemu można je sprzęgnąć z wentylatorem, co znacząco poprawia rozpraszanie energii cieplnej.

Podsumowanie

Przekaźniki półprzewodnikowe coraz śmielej wkraczają w rynek elektroniki i automatyki. Pomimo licznych zalet, takich jak zdecydowanie większa trwałość, bezgłośna praca i brak emitowania zakłóceń podczas przełączania, mają wiele mało pozytywnych cech, o których głośno się nie mówi. Przede wszystkim ich wrażliwość na przepięcia oraz udary prądowe stoi niejako w sprzeczności z warunkami, w jakich przychodzi im na co dzień pracować: podczas rozruchu silników, wśród wszechobecnych zakłóceń i często w wysokiej temperaturze generowanej przez pozostałe moduły.

Dlatego istotny jest prawidłowy dobór zabezpieczeń. O ile zwykłe przekaźniki lub styczniki raczej nie ulegną awarii od razu – co najwyżej szybciej wypalą im się styki, o tyle w przypadku ich półprzewodnikowych odpowiedników do zniszczenia może dojść w ciągu pierwszych mikrosekund pracy. Producenci zazwyczaj wbudowują podstawowe zabezpieczenia, jak gasiki RC, od razu do wnętrza swoich wyrobów, choć może być konieczne dodanie również zewnętrznych.

Drugim aspektem, na który trzeba zwrócić uwagę, jest wydzielane ciepło. W przypadku zaniedbania tej kwestii do awarii dojdzie po czasie wielokrotnie dłuższym niż mikrosekundy, choć efekt będzie taki sam: przekaźnik będzie nadawał się tylko do wymiany.

Ponadto, SSR cechują się parametrami, które nie sprawiały problemów w przypadku przekaźników elektromechanicznych. Jedną z nich jest upływność, która może wynosić nawet kilkanaście miliamperów. Drugą jest minimalny prąd obciążenia, który w ogóle warunkuje prawidłowe działanie tego podzespołu – w przypadku styków chodziło tylko o ich samooczyszczanie się.

Wymienione powody dowodzą, że zastosowanie SSR tam, gdzie pracują tradycyjne przekaźniki, musi być poprzedzone wnikliwą analizą warunków pracy. Niekiedy niska cena tych drugich w przeważający sposób przechyli szalę na ich korzyść, zwłaszcza w takich obszarach jak przełączanie prądu stałego o wysokim natężeniu przy niskim napięciu. Dotyczy to zwłaszcza urządzeń produkowanych seryjnie. Jeżeli chcemy użyć przekaźników półprzewodnikowych, zadbajmy o komfortowe warunki ich pracy, ponieważ należą do elementów, które nie cierpią stresu – dopiero wtedy mogą odwdzięczyć się wieloletnią, bezawaryjną pracą.

Michał Kurzela, EP

Bibliografia:
[1] https://bit.ly/3CkCgNc
[2] https://bit.ly/3Dh2FNj
[3] https://bit.ly/30sxP5W
[4] https://bit.ly/3kCsjVf
[5] https://bit.ly/3wIto2Q
[6] https://bit.ly/3cgQe84
[7] https://bit.ly/3owNmd2
[8] https://bit.ly/3owNnh6
[9] https://bit.ly/3owNmd2
[10] https://bit.ly/3Di4yt6

Artykuł ukazał się w
Elektronika Praktyczna
grudzień 2021
Elektronika Praktyczna Plus lipiec - grudzień 2012

Elektronika Praktyczna Plus

Monograficzne wydania specjalne

Elektronik listopad 2025

Elektronik

Magazyn elektroniki profesjonalnej

Raspberry Pi 2015

Raspberry Pi

Wykorzystaj wszystkie możliwości wyjątkowego minikomputera

Świat Radio listopad - grudzień 2025

Świat Radio

Magazyn krótkofalowców i amatorów CB

Automatyka, Podzespoły, Aplikacje listopad - grudzień 2025

Automatyka, Podzespoły, Aplikacje

Technika i rynek systemów automatyki

Elektronika Praktyczna listopad 2025

Elektronika Praktyczna

Międzynarodowy magazyn elektroników konstruktorów

Elektronika dla Wszystkich grudzień 2025

Elektronika dla Wszystkich

Interesująca elektronika dla pasjonatów