Transformatory i elementy indukcyjne

Transformatory i elementy indukcyjne
Pobierz PDF Download icon

Elementy indukcyjne mogą wprawić w zakłopotanie znaczną część elektroników. Przyczyną tego stanu jest prawdopodobnie znaczna liczba parametrów, która charakteryzuje te podzespoły i utrudnia ich prawidłową implementację układową. W wielu wypadkach unikanie zastosowania właśnie cewek czy transformatorów jest niewskazane lub wręcz niemożliwe. Dlatego warto pogłębiać wiedzę o tych ważnych podzespołach elektronicznych.

Elementy indukcyjne (cewki i dławiki) wnoszą do obwodów elektrycznych określoną indukcyjność (stałą lub regulowaną). Na rysunku 1 zostały pokazane popularne symbole elektryczne tych elementów dla wariantów: ze stałą indukcyjnością, z regulowaną indukcyjnością oraz z rdzeniem ferrytowym. W najprostszym przypadku elementy indukcyjne wykonuje się poprzez nawinięcie przewodnika na korpusie z materiału nieprzewodzącego, przy czym nawinięcie to może być jedno- lub wielowarstwowe. Cewki i dławiki mogą być powietrzne (bezrdzeniowe) lub nawinięte na rdzeniu magnetycznym, przy czym te drugie pozwalają na osiąganie znacznie większych indukcyjności przy tych samych wymiarach i liczbie zwojów, co cewki powietrzne. Indukcyjności cewek rosną z ich wymiarami i liczbą zwojów, przy czym regulacja indukcyjności cewek zmiennych jest dokonywana zwykle przez przesuwanie rdzenia lub przełączanie aktywnego odczepu.

Rysunek 1. Symbole elektryczne popularnych elementów indukcyjnych

Parametry elementów indukcyjnych

Podstawowe modelowanie kluczowych własności elementów indukcyjnych odbywa się w oparciu na modelu zastępczym, pokazanym na rysunku 2. Głównym parametrem jest tu indukcyjność L, wyrażona w jednostce henr [H] lub (często) w jej podjednostkach: [mH] oraz [mH]. Natomiast pokazane na schemacie z rysunku 2: rezystor R oraz pojemność C, to tzw. parametry pasożytnicze, których obecność zasadniczo pogarsza właściwości cewek i dławików, a na pewno ogranicza ich zakresy zastosowania. Warto w tym miejscu podkreślić, że rezystancja R reprezentuje nie tylko straty wynikające z oporności szeregowej zastosowanego uzwojenia, ale także wszelkie inne straty (np. wynikające z tzw. efektu naskórkowości czy strat w zastosowanym rdzeniu magnetycznym i jego korpusie), a jej wartość rośnie wraz z częstotliwością przepływającego prądu. Natomiast pojemność C reprezentuje przede wszystkim skupioną wartość wszelkich rozproszonych pasożytniczych pojemności międzyzwojowych i także nie jest stała w funkcji częstotliwości.

Rysunek 2. Model zastępczy elementu indukcyjnego

Bardzo ważnymi parametrami omawianych podzespołów są także: reaktancja indukcyjna XL [V] oraz dobroć Q, która jest parametrem bezwymiarowym. Zasadniczo reaktancja indukcyjna przyjmuje wartości czysto urojone (+j·XL), a jej wymiar [V] wynika z tego, że jest ona dla elementów indukcyjnych odpowiednikiem tego, czym jest parametr zwany rezystancją dla elementów oporowych. Wartości XL oraz Q opisują wzory:

XL=2·π·f·L       (1)

oraz

Q=XL/R=2·π·f·L/R    (2)

gdzie:
f – jest częstotliwością sygnału sinusoidalnego [Hz].

Dobroć Q zmienia się w funkcji częstotliwości f, a także w zależności od kształtu i wymiarów cewki, właściwości rdzenia, sposobu nawinięcia i rodzaju przewodu nawojowego oraz materiału korpusu. Zwykle wartość Q mieści się w przedziale od 50 do 200, a największe dobroci w zakresie bardzo dużych częstotliwości mają np. cewki powietrzne, nawinięte na korpusie ceramicznym.

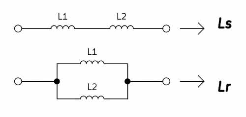
Dławikami nazywane są te cewki, które mają za zadanie stworzenie w obwodzie wysokiej impedancji Z dla prądu zmiennego – tak, aby skutecznie stłumić prądy o określonych częstotliwościach. Stosuje się je przede wszystkim w filtrach zasilaczy oraz obwodach separujących zasilanie układów zmiennoprądowych (np. wzmacniaczy prądu zmiennego czy generatorów). Dlatego, szczególnie w przypadku dławików, ważnym parametrem jest częstotliwość rezonansu własnego (Self-Resonance Frequency, S.R.F, SRF). W największym uproszczeniu jest to częstotliwość, przy której reaktancja XL przestaje rosnąć wraz z częstotliwością f, tym samym osiągając swoje maksimum. Zatem wartość SRF, jest uzależniona silnie od parametrów modelu zastępczego (rysunek 2) i wyznacza praktyczną granicę przydatności danego dławika w dziedzinie częstotliwości. Wyznaczanie wartości zastępczych indukcyjności (rysunek 3) w połączeniu szeregowym LS oraz w połączeniu równoległym LR realizujemy analogicznie jak dla połączeń rezystancji, wg wzorów:

LS=L1+L2   (3)

oraz

LR=(L1·L2)/(L1+L2)   (4)

Rysunek 3. Schematy indukcyjności w połączeniu szeregowym oraz w połączeniu równoległym

Rodzaje cewek oraz dławików i ich zastosowania

Cewki i dławiki mogą znacznie się różnić, zarówno sposobem wykonania, jak i zastosowaniami. W tym miejscu należy wyjaśnić, że o ile każdy dławik zasadniczo jest też cewką magnetyczną, o tyle obu tych pojęć zwykle używa się w nieco innych zastosowaniach. W przypadku dławików zazwyczaj domyślnym zastosowaniem jest wyłącznie tłumienie przebiegów zmiennych o określonych częstotliwościach (np. zakłóceń impulsowych w przewodach zasilających), a pozostałe parametry oraz ich dokładność (tolerancja) czy duża stabilność w czasie eksploatacji odgrywają drugorzędną rolę. Jeśli dana cewka zdecydowanie nie jest nazywana dławikiem, to zazwyczaj jej główne przeznaczenie jest zupełnie inne, np. praca w filtrach LC czy obwodach rezonansowych, w których dokładność parametrów czy ich stałość w czasie będą miały większe znaczenie niż w przypadku dławików.

Różne rodzaje cewek powietrznych, tzn. niemających rdzenia magnetycznego, zostały pokazane na fotografiach 1...4. Co prawda wprowadzenie rdzenia magnetycznego pozwala na osiąganie znacznie wyższych wartości indukcyjności przy tej samej liczbie uzwojeń, a także na zamykanie strumienia magnetycznego wewnątrz materiału rdzenia, to jednak w niektórych zastosowaniach użycie rdzenia magnetycznego nie jest korzystne. Dzieje się tak z uwagi na zjawisko nasycania się rdzeni magnetycznych a także tzw. histerezy krzywej magnesowania, które powoduje nieliniowości charakterystyk takich cewek. Takie efekty są niepożądane we wszelkich zastosowaniach, w których cewka pracuje w obwodach przenoszących sygnały elektryczne, od których oczekujemy silnie liniowych charakterystyk przetwarzania. Dobrym przykładem może być cewka, która jest przeznaczona do pracy w zwrotnicach (filtrach i rozdzielaczach sygnałów) zespołów głośnikowych (fotografia 1). Z kolei na fotografii 4 pokazano cewkę na wysokie częstotliwości, której jedynym zadaniem jest praca jako antena nadawczo-odbiorcza urządzenia o niewielkiej mocy. W tym przypadku kluczowym parametrem, obok indukcyjności, jest charakterystyka kierunkowa promieniowania energii elektromagnetycznej, która z zasady powinna móc swobodnie opuszczać taką cewkę antenową.

Fotografia 1. Cewka powietrzna stosowana w zwrotnicy głośnikowej
Fotografia 2.a Cewka powietrzna do montażu THT
Fotografia 3. Cewka powietrzna do montażu SMD
Fotografia 4. Cewka powietrzna stosowana w systemach ładowania bezprzewodowego

Różne wykonania cewek i dławików, które zasadniczo można spotkać w handlu i które są stosowane w różnych urządzeniach produkowanych na skalę przemysłową, zostały pokazane na fotografiach 5...12. Pierwsza z nich pokazuje przykład niewielkiego dławika, nawiniętego na rdzeniu toroidalnym, wykonanym z materiału ferromagnetycznego. Jego zaletą, prócz możliwości uzyskania dość znacznych indukcyjności przy niewielkiej liczbie zwojów (co pozwala m.in. osiągać niewielkie rezystancje dławika dla składowej stałej), jest zamykanie obwodu dla strumienia magnetycznego wewnątrz materiału rdzenia. Ma to bardzo istotne znaczenie wszędzie tam, gdzie „wychodzenie” strumienia pola magnetycznego poza rdzeń cewki jest wysoce niepożądane – głównie z uwagi na możliwości zakłócania innych obwodów, występowania sprzężeń elektromagnetycznych albo straty energii pola danej cewki i związane z tym pogorszenie czy zmiany parametrów jej działania.

Fotografia 5. Dławik z rdzeniem toroidalnym
Fotografia 6. Dławik osiowy

Na fotografii 6 widzimy niewielki, popularny dławik osiowy, nawinięty na ferromagnetycznym rdzeniu prętowym. Dławiki takie wyglądem przypominają klasyczne rezystory, są dostępne w bardzo szerokim zakresie wartości i mają zastosowanie w różnych obwodach niskoprądowych. Tam, gdzie godzimy się na nieco ograniczoną dobroć czy dokładność i stabilność parametrów, mogą też pełnić funkcje cewek rezonansowych, np. w wybranych obwodach amatorskich urządzeń radiokomunikacyjnych. Dławik z fotografii 7 jest klasycznym dławikiem, stosowanym zwykle w obwodach filtrujących zasilanie lub tory sygnałowe. Jego wykonanie jest przystosowane do lutowania powierzchniowego na PCB, a otwarty rdzeń stanowi słupek z materiału ferromagnetycznego. Z kolei dławik z fotografii 8 jest także niewielkim dławikiem, wykonanym w technologii SMD, jednak ma zamknięty obwód magnetyczny (okrągły rdzeń jest umieszczony w zewnętrznej obudowie – także wykonanej z materiału ferromagnetycznego, przez którą zamyka się obwód magnetyczny tego dławika).

Fotografia 7. Dławik SMD z otwartym obwodem magnetycznym
Fotografia 8. Dławik SMD z zamkniętym obwodem magnetycznym

Dławik z fotografii 9 został nawinięty na pionowym rdzeniu ferromagnetycznym i jest przystosowany do montażu THT. Bardzo ciekawe rozwiązanie stanowi dławik pokazany na fotografii 10. W litym rdzeniu z materiału ferromagnetycznego wykonano kilka otworów, przez które przewleczono pojedyncze zwoje. Strumień magnetyczny zamyka się wewnątrz rdzenia, a wzajemne sprzężenia pomiędzy poszczególnymi zwojami zwiększają efektywną indukcyjność. Dodatkowo, niewielka liczba oddalonych od siebie dość znacznie zwojów, wykonanych z drutu o srebrzonej powierzchni, pozwala zminimalizować efekty naskórkowości, pojemności pasożytniczych oraz znacznej rezystancji szeregowej, co predestynuje dławik o takim wykonaniu do skutecznej pracy na co najmniej wysokich częstotliwościach i ze stosunkowo znacznymi prądami.

Fotografia 9. Dławik na pionowym rdzeniu do montażu przewlekanego
Fotografia 10. Dławik przystosowany do pracy przy wysokich częstotliwościach i ze stosunkowo znacznymi prądami

Na fotografii 11 pokazano dławik, w którym zapewne znaczną liczbę zwojów nawinięto na pionowym karkasie. Z kolei w karkas wprowadzono dzielony rdzeń z materiału ferromagnetycznego, w którym zamknięty strumień magnetyczny przechodzi symetrycznie wewnątrz karkasu oraz dookoła niego – po obu stronach rdzenia. Taki dławik zapewne będzie miał znaczną indukcyjność i może służyć np. do filtracji zasilania lub korekty impedancji obciążenia, na co wskazuje zdolność do przenoszenia stosunkowo znacznych prądów.

Fotografia 11. Dławik dużej mocy

Ostatnia w tej grupie fotografia 12 prezentuje zastosowanie cewek indukcyjnych z rdzeniem magnetycznym w tzw. przekaźnikach elektromechanicznych. Widzimy na niej wielostykowy przekaźnik, w którym cewka (lub cewki) indukcyjna ma za zadanie wygenerować zewnętrzny strumień magnetyczny, który po opuszczeniu rdzenia przyciąga lub odpycha odpowiedni element styku (lub styków), powodując tym samym przełączanie. W przypadku cewek tego typu, które zazwyczaj, pod dokonaniu przełączenia, pracują z prądem stałym, zdecydowanie mniej istotnymi parametrami są np. indukcyjność L czy dobroć Q, natomiast bardzo istotne są: znamionowe napięcie i prąd załączenia, czasy przełączania oraz dopuszczalne napięcie i prąd pracy przełączanych styków.

Fotografia 12. Dławik pełniący funkcję elektromagnesu w przekaźniku

Specyficzną grupę stanowią dławiki indukcyjne przeznaczone do filtracji zakłóceń. Na fotografii 13 widzimy trzyżyłowy przewód połączeniowy, który przewleczono przez pierścieniowy rdzeń ferrytowy, tym samym nawijając nim trifilarnie pięć uzwojeń. Może to być forma filtracji zasilania, ale w przypadku połączenia sygnałowego, może to być sposób na ograniczenie szkodliwych sprzężeń między obwodami na częstotliwościach znacznie wyższych od częstotliwości sygnałów użytkowych. Z kolei fotografie 14 i 15 obrazują rozwiązanie oparte na rozkładanych rdzeniach pierścieniowych, składających się z dwóch połówek, które zaciska się na gotowym przewodzie wielożyłowym. Jest to forma realizacji dławika przeciwzakłóceniowego (chodzi tu zarówno o zakłócenia generowane przez poszczególne łączone obwody, jak i indukujące się w kablach z zewnętrznych pól elektromagnetycznych). Takie rozwiązania są często spotykane np. w kablach sygnałowych monitorów czy w kablach zasilaczy do laptopów.

Fotografia 13. Dławik przeznaczony do filtracji zakłóceń
Fotografia 14. Rdzeń pierścieniowy składany z dwóch połówek
Fotografia 15. Rdzeń pierścieniowy zamontowany na przewodzie jako filtr zakłóceń

Transformatory

Transformatory również należą do elementów indukcyjnych, jednak składają się z co najmniej dwóch uzwojeń. Zasadniczo są one przeznaczone do przekazywania energii z uzwojenia pierwotnego do uzwojenia wtórnego. W elektronice transformator służy zwykle do obniżania lub podwyższania napięcia i jest najczęściej stosowany w układach prostowników w zasilaczach lub w układach dopasowywania rezystancji obciążenia (dołączonego po stronie wtórnej) do rezystancji źródła, dołączonego po stronie pierwotnej. W drugim zastosowaniu transformatory często wykorzystuje się jako elementy sprzęgające w różnego rodzaju wzmacniaczach (m.cz., w.cz.), przy czym zastosowanie sprzężenia transformatorowego może dotyczyć: źródła sygnału i wejścia wzmacniacza, kolejnych stopni wzmacniacza, a także wyjścia wzmacniacza z jego obciążeniem.

Moce przenoszone przez transformatory, stosowane w elektronice, zwykle nie przekraczają 100 W. Z uwagi na trudności technologiczne w konstruowaniu transformatorów o znacznie większych mocach (w grę wchodzi głównie aspekt skuteczności chłodzenia całej objętości zastosowanego rdzenia oraz nawiniętych na nim uzwojeń) pewną alternatywą może być łączenie równoległe dwóch lub więcej transformatorów (jakkolwiek rozwiązanie to nastręcza inne techniczne problemy do rozwiązania).

Jednym z kluczowych parametrów transformatora jest jego przekładnia p, która wynika ze stosunku liczby zwojów uzwojenia wtórnego n2 do liczby zwojów uzwojenia pierwotnego n1. W transformatorze idealnym, czyli bezstratnym (o sprawności h=100%; typowo sprawność transformatorów h mieści się w zakresie od 80% do 95% i zwykle spada wraz ze wzrostem obciążenia wobec wzrostu strat w uzwojeniach i rdzeniu), zgodnie z oznaczeniami przyjętymi na rysunku 4, zachodzi zależność:

p=n2/n1=U2/U1     (5)

Moc przekazywaną do obciążenia R2 (przy założeniu braku strat w transformatorze) możemy wyliczyć jako równą:

P=U22/R2=p2·U12/R2     (6)

Rysunek 4. Prosty model obciążonego transformatora

Warto wiedzieć, że jeśli kluczowym aspektem danego zastosowania transformatora jest przenoszenie przezeń maksymalnej możliwej mocy ze strony uzwojenia pierwotnego na stronę uzwojenia wtórnego, to należy zapewnić dopasowanie rezystancji obciążenia R2 do rezystancji źródła R1. Sytuacja ta występuje wtedy, gdy rezystancja widziana od strony źródła R’, lub (potocznie) przeniesiona na stronę pierwotną transformatora, uzależniona od przekładni transformatora p, jest równa rezystancji źródła, czyli zachodzi równość:

R’=R2/p2=R1      (7)

Na koniec warto wspomnieć o tym, że skoro transformator jest elementem indukcyjnym, a jego uzwojenia de facto są cewkami indukcyjnymi, to jego uproszczony model z rysunku 4 powinien zostać uzupełniony elementami modelu cewki z rysunku 2 dla obu stron uzwojenia.

Rodzaje i zastosowanie transformatorów

Już na początku tego rozdziału warto zwrócić uwagę na fakt, że znakomita większość transformatorów stosowanych obecnie w elektronice to transformatory sieciowe, czyli takie, których zadaniem jest transformowanie energii pochodzącej z sieci energetycznej 230 V do odpowiedniego napięcia na uzwojeniu wtórnym.

Zazwyczaj za takim transformatorem znajduje się odpowiedni prostownik a dalej filtry wygładzające i stabilizatory napięcia. Należy tu zaznaczyć, że zarówno zagadnienie projektowania samych transformatorów sieciowych, jak i prostowników, filtrów oraz stabilizatorów (regulatorów) napięcia znacznie wykraczają poza ramy tego artykułu. Jakkolwiek, w praktyce dzisiejszego elektronika rzadkością jest skomplikowane projektowanie odpowiednich transformatorów, a stosuje się zwykle gotowe rozwiązania, pochodzące z obszernej oferty rynkowej. To, co koniecznie trzeba uwzględnić, dokonując wyboru stosownego transformatora sieciowego, to oczekiwana przenoszona moc (z uwzględnieniem jego sprawności), napięcie wyjściowe (na uzwojeniu wtórnym) oraz możliwy jego spadek przy znamionowym (maksymalnym) obciążeniu prądowym.

Najprostszy transformator sieciowy ma pojedyncze uzwojenie wtórne, jednak spotykane są też wersje z wielokrotnymi oraz dzielonymi uzwojeniami wtórnymi. Wielokrotne uzwojenia wtórne pozwalają na uzyskiwanie kilku różnych napięć zasilających i bywają łączone szeregowo w celu uzyskiwania wyższych lub różnych napięć wyjściowych. W przypadku symetrycznego podziału (lub szeregowego połączenia) w uzwojeniu wtórnym możliwe jest łatwe uzyskiwanie jednocześnie dodatnich i ujemnych wyprostowanych napięć wyjściowych – w takim przypadku środkowy odczep jest dołączony do masy układu za transformatorem. Łącząc szeregowo uzwojenia wtórne, należy zdecydowanie pamiętać o tym, że ich maksymalne obciążalności prądowe powinny być zbliżone i nie mniejsze od oczekiwanego wyjściowego prądu obciążenia. Transformatory, o konstrukcjach bardzo podobnych do sieciowych, są stosowane, także we wszelkiego rodzaju przetwornicach – zarówno podwyższających, jak i obniżających napięcie. Podobne są także zasady ich doboru do konkretnego układu.

Na fotografiach 16...18 pokazano przykłady klasycznych rozwiązań transformatorów sieciowych, których rdzenie wykonano z wielu warstw blach kształtkowych w układzie „EI”. Zostały one wykonane ze stali krzemowej są izolowane od siebie specjalnym lakierem, ułożone na przemian a następnie ściśnięte mechanicznie. Takie rozwiązanie zapewnia dobrą izolację dla pasożytniczych prądów wirowych, indukowanych w rdzeniu (tzw. magnetowodzie), które powodują grzanie rdzenia (ryzyko stopienia izolacji uzwojeń, prowadzącego do ich zwarć) oraz spadek sprawności transformatora. Transformator pokazany na fotografii 17, został wyposażony w ekran elektrostatyczny, wykonany z folii miedzianej. Jego zadaniem jest ochrona przed zakłóceniami pola elektrycznego, pochodzącego z transformatora. Taki ekran nie powinien tworzyć zamkniętego zwoju (chyba że obejmuje on cały rdzeń), aby był skuteczny, powinien zostać uziemiony.

Fotografia 16. Popularny transformator sieciowy z rdzeniem blaszanym
Fotografia 17. Transformator z uzwojeniem ekranującym
Fotografia 18. Transformator ekranowany

W przypadku konieczności zapewnienia dobrej izolacji (ekranowania) od pola magnetycznego należy cały transformator umieścić w puszce, wykonanej ze stali niskowęglowej lub permaloju. Fotografia 19 pokazuje alternatywne i popularne wykonanie transformatorów sieciowych – z zastosowaniem litych rdzeni toroidalnych. Wykazują one szereg zalet ponad omówione uprzednio transformatory z rdzeniami blaszanymi (wynikają one zarówno z kształtu, jak i z własności materiału ferromagnetycznego, użytego do konstrukcji rdzenia) i dlatego są w obecnych czasach znacznie chętniej stosowane od tych uprzednio omówionych.

Fotografia 19. Transformator sieciowy z rdzeniem toroidalnym

Dalszych przykładów rozwiązań technicznych i zastosowań transformatorów jest jeszcze wiele, warto przynajmniej wspomnieć o kilku z nich. Na fotografiach 20 i 21 zostały pokazane transformatory miniaturowe, zalewane w obudowach z tworzywa sztucznego. Abstrahując nieco od ich przeznaczenia oraz sposobu wewnętrznego wykonania, taka konstrukcja umożliwia bezpośredni montaż na płytce drukowanej czy listwie montażowej. Tu warto podkreślić, że takie kompaktowe wykonanie jest możliwe w zasadzie tylko dzięki temu, że są to transformatory małych i bardzo małych mocy. W przeciwnym wypadku umieszczenie transformatora w niewentylowanej obudowie i zalanie go tworzywem sztucznym lub żywicą spowodowałoby niewątpliwie znaczne trudności z odprowadzaniem wydzielonego ciepła.

Fotografia 20. Miniaturowy transformator zalany w obudowie
Fotografia 21. Transformator toroidalny zalany w obudowie

Ciekawe wykonanie transformatora z rdzeniem ferrytowym zostało pokazane na fotografii 22. Element taki jest nazywany dławikiem skompensowanym prądowo (common mode choke – CMC). Składa się z rdzenia z materiału magnetycznego o dużej przenikalności oraz dwóch uzwojeń o identycznej liczbie zwojów. Jest on włączony w układ zasilania w szereg w ten sposób, aby prąd roboczy płynący przez jedno uzwojenie i powracający drugim uzwojeniem generował wzajemnie kompensujące się pole magnetyczne. Dla prądu roboczego dławik skompensowany stanowi nieistotną przeszkodę, sprowadzającą się do jego rezystancji oraz znikomej indukcyjności rozproszenia. Dla przebiegów szybkozmiennych, pojawiających się równocześnie na obu przewodach wejściowych (tzw. zakłócenia wspólne), dławik skompensowany stanowi przeszkodę trudną do przejścia.

Fotografia 22. Dławik skompensowany prądoawo

Transformatory wysokiej i bardzo wysokiej częstotliwości, wykonane na rdzeniach pierścieniowych z proszku ferrytowego (mają one zazwyczaj średnicę od kilku milimetrów do kilkunastu centymetrów), zostały pokazane na fotografii 23. Jak nietrudno zauważyć, nie stosuje się tu rozdzielnego wykonywania uzwojeń: pierwotnego oraz wtórnego, lecz równoczesne ich nawijanie w sposób bi- lub trifilarny, natomiast przekładnię transformatora różną od p=1 uzyskuje się poprzez łączenie (lutowanie) końców odpowiednich uzwojeń. W szczególności, transformatory pokazane na fotografii 24, nawinięte na niebieskich rdzeniach pierścieniowych, zostały zastosowane we wzmacniaczu mocy w.cz. wysokiej klasy: trzy małe (po lewej stronie) sprzęgają elementy stopnia sterującego, natomiast dwa duże (po prawej stronie) są odpowiedzialne za dopasowanie wyjścia mocy do obciążenia.

Fotografia 23. Transformatory wysokiej częstotliwości
Fotografia 24. Przykładowe zastosowanie transformatorów wysokiej częstotliwości

Podsumowanie

W artykule podjęto próbę przybliżenia Czytelnikom zagadnień, związanych z praktycznymi zastosowaniami szerokiej gamy elementów indukcyjnych i transformatorów. Z uwagi na znaczną obszerność tego zagadnienia skoncentrowano się na aspektach czysto praktycznych oraz przykładach. Takie podejście wymusiło ograniczenie do minimum zakresu przekazanych wiadomości teoretycznych.

Adam Sobczyk SQ5RWQ
sq5rwq@gmail.com

Artykuł ukazał się w
Elektronika Praktyczna
październik 2020
DO POBRANIA
Pobierz PDF Download icon
Elektronika Praktyczna Plus lipiec - grudzień 2012

Elektronika Praktyczna Plus

Monograficzne wydania specjalne

Elektronik listopad 2025

Elektronik

Magazyn elektroniki profesjonalnej

Raspberry Pi 2015

Raspberry Pi

Wykorzystaj wszystkie możliwości wyjątkowego minikomputera

Świat Radio listopad - grudzień 2025

Świat Radio

Magazyn krótkofalowców i amatorów CB

Automatyka, Podzespoły, Aplikacje listopad - grudzień 2025

Automatyka, Podzespoły, Aplikacje

Technika i rynek systemów automatyki

Elektronika Praktyczna listopad 2025

Elektronika Praktyczna

Międzynarodowy magazyn elektroników konstruktorów

Elektronika dla Wszystkich grudzień 2025

Elektronika dla Wszystkich

Interesująca elektronika dla pasjonatów