Mikrokontrolery i moduły dla IoT

Mikrokontrolery i moduły dla IoT
Pobierz PDF Download icon

Technologie usprawniające produkcję oraz dostawę towarów stosuje coraz większa liczba firm, dlatego znaczenie innowacji półprzewodników wciąż rośnie. Producenci chipów nie zwalniają tempa. Układy, które produkują dzisiaj – i możliwości oprogramowania, które już opracowali – są podwaliną rewolucji technologicznej. Producenci półprzewodników żyją przyszłością i nie mają innego wyboru. Typowy cykl produkcyjny trwa około dwóch lat. Gromadzenie danych statystycznych zajmuje kolejny rok lub dwa. Mogą upłynąć cztery lub pięć lat, zanim układ będzie gotowy do powszechnego stosowania. Niesamowita technologia napędzająca nowoczesne urządzenia jest świadectwem przewidywania branży. Jeśli chcesz inwestować w przyszłość, z pewnością powinieneś współpracować z firmą zajmującą się półprzewodnikami.

Internet Rzeczy, zgodnie z ogólną definicją, stosuje układy komunikacji bezprzewodowej małej mocy, z dołączonymi czujnikami. Układy te nazywane są procesorami komunikacyjnymi i to im głównie poświęcony jest ten artykuł. Zostaną omówione tylko typowe lub najciekawsze układy, serie lub rodziny (ułożone wedle nazw firm w kolejności alfabetycznej). Obecnie rozwija się zastosowanie przetwarzania krawędziowego (edge computing), co wymaga zdecydowanie większej mocy obliczeniowej. Istnieje również duży obszar przemysłowego Internetu Rzeczy oraz zastosowań motoryzacyjnych. Są także mikrokontrolery do zadań specjalnych, omówione wcześniej [35].

Trendy IoT

Zanim przyjrzymy się rozwiązaniom sprzętowym, popatrzymy na informacje z ostatniego raportu Farnell IoT Trends Report 2020 [3]. Raport powstał na podstawie ankiet uzyskanych od 2015 inżynierów IoT.

Na pytanie „Co według Ciebie jest najważniejszym aspektem do rozważenia przy opracowywaniu rozwiązań IoT?”, 47% osób uważa bezpieczeństwo danych i ochronę za najważniejszy aspekt rozwiązań IoT. Również najwięcej osób uważa, że jest to główny problem związany z Internetem Rzeczy.

Preferowane języki programowania dla urządzeń IoT to: C – 70%, Python – 47% oraz Javascript – 22%. Jednak przy programowaniu z użyciem chmury obliczeniowej jest inaczej: Python – 52%, Javascript – 42% oraz Node – 24%.

Preferowany bezprzewodowy protokół komunikacyjny przy dołączeniu do chmury obliczeniowej to: Wi-Fi – 67%, Cellular (4G/LTE) – 38%, Bluetooth (BLE 5.0) – 35% oraz LoRa – 21%.

Komputery jednopłytkowe są nadal preferowanymi platformami do tworzenia produktów końcowych. Wyniki pokazują, że 54% programistów używa komputerów jednopłytkowych (takich jak Raspberry Pi, BeagleBone Black, Arduino itp.), ponieważ są one gotowe do użycia, pomagają przyspieszyć czas wprowadzenia produktu na rynek oraz zminimalizować koszty i ryzyko rozwoju. Inni wolą używać własnych projektów (30% respondentów) lub platform programistycznych, dostarczanych przez dostawców krzemu (13%).

Na podstawie wyników ankiety okazuje się, że 49% ankietowanych korzysta już ze sztucznej inteligencji (AI, Artificial Intelligence) we wdrażaniu Internetu Rzeczy. Uczenie maszynowe (ML) jest najczęściej używanym typem AI z 28% popularnością, a następnie AI opartym na chmurze (19%). Jednak 51% respondentów waha się przed użyciem AI, ponieważ są nowicjuszami w tej technologii lub szukają specjalistycznej wiedzy na temat wdrażania AI.

Rozwój scalonych procesorów komunikacyjnych podąża za trendem sposobu ich użytkowania, a czasami go stymuluje, jak w przypadku komunikacji komórkowej oraz lokalizacji.

Okazuje się, że jest ścisła zależność pomiędzy rodzajem użytej platformy sprzętowej i zastosowanym językiem programowania. Moc obliczeniowa dostępna w mikrokontrolerach wzrosła do tego stopnia, że zredukowana wersja jądra Pythona może być uruchomiona na mikrokontrolerze, który kosztuje tylko kilka dolarów. Istnieją już popularne porty open source dla Pythona, takie jak MicroPython, które są dostępne dla kilkunastu układów.

Języki C i C++ nie są nauczane w większości programów informatycznych lub inżynierskich. Już od dłuższego czasu stosowany jest język Python i trochę Java. Oznacza to, że w następnej dekadzie nastanie pokolenie inżynierów, którzy preferują używanie Pythona.

Szerokie stosowanie przetwarzania krawędziowego, a zwłaszcza sztucznej inteligencji, wymaga większych mocy obliczeniowych urządzeń IoT, co pozwala na szersze stosowanie języka Python.

Obszary zastosowań IoT

Układy z komunikacją bliskiego zasięgu 2,4 GHz

Istnieje problem z jednoznacznym rozpoznaniem: jaki zakres specyfikacji wersji standardu Bluetooth obsługuje dany produkt. Obecnie producenci gremialnie deklarują, że ich produkt jest zgodny ze standardem Bluetooth 5.0, a ostatnio też z Bluetooth 5.2. Nie jest to do końca zabieg marketingowy, ponieważ okazuje się, że są to kwalifikacje zgodności ze specyfikacją Bluetooth Core Specification. Co nie wymaga obsługi wszystkich rozszerzeń 5.1 i 5.2, a działa kompatybilność wsteczna (przynajmniej takie jest wytłumaczenie). W najnowszej specyfikacji Bluetooth 5.2 została wprowadzona nowa generacja transmisji dźwięku o nazwie LE Audio. Ma ona znacząco poprawić jakość dźwięku.

Wiele układów scalonych, oprócz obsługi protokołu BLE, może w paśmie 2,4 GHz pracować także z komunikacją w standardzie IEEE 802.15.4. Umożliwia to dodatkową obsługę różnych protokołów: ZigBee, Thread, Wireless MBus, ANT oraz protokołów autorskich (proprietary).

Wi-Fi 6, znany również jako IEEE 802.11ax, opiera się na zaletach standardu 802.11ac, jednocześnie dodając większą wydajność, elastyczność i skalowalność. Daje to nowym i istniejącym sieciom zwiększoną szybkość i pojemność dla aplikacji nowej generacji.

Bluetooth bez baterii

Pojawiły się układy do pozyskiwania energii z sygnałów RF, takich jak stacje radiowe/telewizyjne, urządzenia bezprzewodowe, a nawet układy SoC z transmisją Bluetooth, szczególnie firmy Atmosic i Williot.

Pozyskanie energii w ten sposób umożliwia zrezygnowanie z baterii w aplikacjach o małej mocy, takich jak czujniki IoT i znaczniki identyfikacji radiowej (RFID). Więcej w artykule „Pozyskiwanie energii z fal radiowych” [50].

Układy z komunikacją dalekiego zasięgu w sieciach rozległych Sub 1GHz

Obsługa komunikacji w sieciach Internetu Rzeczy wymaga zastosowania sieci rozległych typu LPWAN (Low Power Wide Area Network). Umożliwiają one przesyłanie danych na duże odległości przy obniżonym zużyciu mocy zasilania. Największe znaczenie mają następujące rozwiązania: LoRa (protokół zarządzany przez LoRa Alliance działający na platformie RF firmy Semtech), IEEE 802.15.4 (WiSUN) oraz Sigfox.

Komunikacja mobilna (komórkowa)

Wzrasta zastosowanie, w komunikacji bezprzewodowej, dedykowanych protokołów komórkowych IoT, szczególnie przy stałym rozwoju sieci 5G. Technologia komórkowa zaczyna migrować ze smartfonów do Internetu Rzeczy jako realna opcja dla połączeń o małej mocy w sieci rozległej LPWAN. Kilku dostawców półprzewodników, w tym Nordic Semiconductor, Qualcomm, Sequans Communications i Sony (Altair), wypuszcza na rynek chipsety, obsługujące standardy komórkowe, bazujące na LTE (LongTerm Evolution, 3G/4G/5G): NBIoT (Narrowband IoT) oraz LTEM (LongTerm Evolution Machine Type Communications).

Jednoczesna praca z dwoma protokołami

Bezpieczne tworzenie i obsługa bezprzewodowych sieci komunikacyjnych dla Internetu Rzeczy wymaga bezpiecznego sposobu przekazywania kluczy. Jednym ze sposobów jest stosowanie układów scalonych z jednoczesną obsługą transmisji z użyciem dwóch protokołów, np. BLE + Thread, BLE + Wi-Fi [45].

Praca dwuzakresowa

Oferowane są układy scalone, pozwalające na pracę dwuzakresową. Oprócz pracy w paśmie 2,4 GHz mogą one działać poniżej 1 GHz (Sub1GHz). W praktyce, w realiach europejskich, oznacza to pasma ISM 868 MHz oraz 440 MHz. Zwykle stosowana jest komunikacja w standardzie IEEE 802.15.4, który umożliwia obsługę różnych protokołów: 6LoWPAN, KNX RF, WiSUN, SUNFSK oraz rozwiązań autorskich producentów. Przykładowo układ scalony SimpleLink CC1352R firmy Texas Instruments może pracować w dwóch pasmach: 2,4 GHz i w pasmie 868 MHz/915 MHz [4].

Lokalizacja w pomieszczeniach

W ostatnim roku wdrożono dwie znaczące innowacje w śledzeniu obiektów i usługach lokalizacyjnych:

  • w specyfikacji Bluetooth 5.1 technologie RTLS (RTLS, Real Time Location System), z detekcją kątową AoA i AoD [40];
  • w technologii radiowej – transmisja ultraszerokopasmowa (UWB, Ultrawideband), z detekcją TWR RTLS.


Bluetooth LE i UWB to technologie uzupełniające się, dostosowane do szerokiej gamy konsumenckich i przemysłowych aplikacji IoT, szczególnie tych wymagających precyzyjnego pomiaru lokalizacji. UWB został zaprojektowany, aby zapewnić dokładność mikropozycjonowania w produktach, w tym smartfonach, inteligentnym domu, śledzeniu zasobów przemysłowych i motoryzacji. Bluetooth LE oferuje dojrzałą i wyrafinowaną bazę oprogramowania, gwarantującą współdziałanie UWB, a także bardzo małe zużycie energii TX i RX.

Sztuczna Inteligencja (AI) podchodzi do krawędzi

Chociaż przyspieszenie działania aplikacji sztucznej inteligencji i uczenia maszynowego jest wciąż stosunkowo nową dziedziną, powstaje wiele procesorów, które przyspieszają prawie każde zastosowanie sieci neuronowej.

Szczególnego znaczenia nabierają układy scalone bardzo małej mocy.

ARM

Firma ARM to największy zakulisowy gracz w dziedzinie półprzewodników. Około 23 miliardów chipów opartych na architekturze ARM dostarczono w zeszłym roku, a ich sprzedaż wyniosła ponad 1,8 miliarda dolarów. Firma ARM udziela licencji swoich chipów ponad 500 klientom na całym świecie, od firm Qualcomm i Broadcom, po Nvidia i Texas Instruments, a następnie zbiera opłaty licencyjne za każdy sprzedany chip. Oferuje również własność intelektualną firmie Apple, która w ostatnich latach rozwijała swoje chipy we własnym zakresie, oraz firmie Samsung Electronics. Technologia firmy ARM jest obecnie podstawą prawie każdego chipu w smartfonie.

W prawie wszystkich scalonych układach komunikacyjnych dla IoT stosuje się rdzenie procesorowe firmy ARM, szczególnie rodziny ARM CortexM. CortexM0 oraz CortexM0+ to najmniejsze układy rodziny). Większe układy (architektura ARMv7M to CortexM3 oraz CortexM4 (obliczenia zmiennoprzecinkowe). Nowsza generacja układów pracuje z architekturą ARMv8M oraz zawiera rozszerzenie ARM TrustZone. Obejmuje mniejszy układ CortexM23 oraz większy CortexM33. Rozwiązania organizacji układów scalonych (np. układów peryferyjnych), oferowanych przez poszczególnych producentów, są różne [43].

Ostatnio ARM zmienił swój model licencjonowania, aby przyciągnąć więcej klientów do swoich projektów chipów, poprawić swoją pozycję na rynku IoT i odeprzeć mniejszych rywali – innych architektur chipów typu open source. Wprowadzono program, zapewniający klientom dostęp do szerokiego zakresu własności intelektualnej z roczną opłatą, naliczanie tylko opłat licencyjnych za IP używane w produkcji [7]. Program ma przeciwdziałać gwałtownemu rozwojowi architektury RISC-V, prowadzonej w dużej mierze przez startup SiFive z Santa Clara w Kalifornii.

Agencja DARPA (Defense Advanced Research Projects Agency) podpisała umowę, udostępniającą technologię chipów firmy ARM. ARM nawiązał współpracę, zapewniając agencji dostęp do własności intelektualnej, narzędzi i wsparcia na trzy lata. Agencja zainwestowała 1,5 miliarda dolarów w ramach inicjatywy Electronics Resurgence, aby zachęcić do przełomów w architekturze chipów, materiałach, projektowaniu i innych obszarach. Departament Obrony USA próbuje zmniejszyć swoją zależność dostaw chipów z Chin i innych państw Azji [8].

ARC

Procesory wbudowane ARC (Argonaut RISC Core) to rodzina 32-bitowych rdzeni, pierwotnie zaprojektowanych przez ARC International, które zostało przejęte przez Synopsys w 2010 roku. Obecnie procesory ARC wykorzystują zredukowany zestaw instrukcji (RISC) oraz 32-bitową architekturę zestawu instrukcji ARCv2 (ISA), która zapewnia dobrą wydajność i gęstość kodu dla wbudowanych i hostowych aplikacji SoC.

Procesory rodziny DesignWare ARC EM firmy Synopsis są zoptymalizowane do użytku w aplikacjach wbudowanych, w których niezbędna jest duża wydajność, przy minimalnym zużyciu energii. Obejmują rodzinę ARC EM4/EM6 oraz procesory z rozszerzeniem DSP. Rodzina ARC EM5D/EM7D jest przeznaczona do aplikacji wbudowanych, w których wymagana jest wydajność DSP i niskie zużycie energii. Zawiera procesory RISC + DSP oraz ponad 150 instrukcji DSP. Rodzina ARC EM9D/EM11D jest przeznaczona do urządzeń intensywnie korzystających z DSP, takich jak obsługa wielu czujników, wykrywanie głosu, rozpoznawanie mowy i przetwarzanie dźwięku. Ma wielobankową pamięć XY, która składa się z banków pamięci, wskaźników adresowych, rejestrów aktualizacji adresu i jednostek generowania adresów (AGU). Obsługuje obliczenia DSP: stałoprzecinkowe oraz wektorowe (SIMD). Rdzenie oferują wyjątkowo dużą wydajność, zapewniając 1,81 DMIPS/MHz i 4,02 CoreMark/MHz, przy bardzo małej powierzchni i wyjątkowo małym zużyciu energii [9]. Układ ARC EM22FS zawiera dwurdzeniowy ultrakompaktowy rdzeń do krytycznych zastosowań motoryzacyjnych o niskim poborze mocy.

Firma oferuje również rozwiązania IP, ukierunkowane na zastosowania komunikacji bezprzewodowej IoT (z kodekiem LC3), zastosowania audio oraz dla układów zawsze włączonych (rozpoznawanie mowy i gestów).

Licencje na procesory ARC uzyskało ponad 200 firm i są dostarczane w ponad 1,5 miliarda produktów rocznie. Dobrym przykładem są układy komunikacyjne EM9301 oraz EM9304 firmy EM Microelectronic [10].

RISC-V

RISC-V (otwarty model programowy procesora) jest być może czarnym koniem dla systemów wbudowanych. Opracowanie RISC-V rozpoczęło się w 2010 r. na Uniwersytecie Kalifornijskim w Berkeley [1]. Pierwsze publiczne wdrożenie RISC-V miało miejsce podczas Sympozjum Hot Chips w sierpniu 2014 r. Technologia szybko zyskała popularność na wielu rynkach ze względu na swoją zwartość, modułowość i rozszerzalność. Oprócz ogólnego zastosowania, specyfikacja RISC-V zachęca do dostosowywania rozszerzeń instrukcji celem ułatwienia architektury/akceleracji, specyficznej dla aplikacji takich jak: AI, uczenie maszynowe (ML), rzeczywistość wirtualna (VR), rzeczywistość rozszerzona (AR) oraz zaawansowane systemy wspomagania kierowcy (ADAS).

Podstawowy zbiór instrukcji (ISA, Instruction Set Architecture) rdzenia RISC-V jest zamrożony na zawsze. Opcjonalnie można zaimplementować rozszerzenia. RISC-V to „otwarty sprzęt” na podobnej zasadzie co system Linux dla oprogramowania open source.

Wiele korporacji wdraża RISC-V, aby zarabiać na swoich rdzeniach. Dostawcy IP tacy, jak Andes Technology, Codasip, Bluespec i Cortus, oferują rdzenie RISC-V do zaimplementowania w krzemie. SiFive ma zarówno rdzenie IP, które można licencjonować, jak i konfigurowalny układ krzemowy oparty na RISC-V, w tym 32-bitowy SoC RISC-V, który jest już dostępny w sprzedaży. Firmy Microsemi, Rumble Development i VectorBlox oferują programowe rdzenie RISC-V, działające w układach FPGA (wiele darmowo).

Szybkość i wydajność procesora zależy całkowicie od jakości implementacji, w tym projektu mikroarchitektury, projektu układu i zastosowanej technologii procesu. Zasadniczo implementacja RISC-V nie powinna być mniej wydajna niż x86 lub ARM. W rzeczywistości modułowość projektu RISC-V ISA umożliwia implementacje bardziej wydajne niż te starsze architektury. Ponieważ RISC-V ISA jest otwarty, każdy ma efektywną licencję na mikroarchitekturę do implementacji najbardziej zoptymalizowanego procesora do swoich aplikacji.

Codasip i SiFive mają prototypy rdzeni FPGA, które można przenieść na niestandardowy krzem. Microsemi dostarcza RTL (synteza dla FPGA) dla swoich programowych rdzeni RISC-V. Dzięki RTL łatwo jest zrobić port do ASIC i nie ma potrzeby płacenia za licencje IP, ani stałych opłat.

Esperanto Technologies, startup z Doliny Krzemowej, buduje chipy zawierające tysiące procesorów RISC-V. Giganci technologiczni, tacy jak Google, również należą do 235 członków Fundacji RISC-V, choć nie jest jasne, czy mają plany RISC-V. Qualcomm, Nvidia i inni główni dostawcy półprzewodników projektują procesory RISC-V do wykonywania sterowania wewnątrz chipów, zamiast uruchamiania aplikacji. Qualcomm planuje zainstalować procesory RISC-V w swoich procesorach do smartfonów, co według analityków branżowych może osiągnąć setki milionów dostaw rocznie. Nvidia, która według analityków dostarcza około 40 milionów procesorów graficznych rocznie, również planuje dodać rdzenie RISC-V do swoich GPU.

To może być tylko wierzchołek góry lodowej dla architektury RISC-V. SiFive oferuje klientom 32-bitowe rdzenie, przeznaczone dla IoT i uzupełnia je o rdzenie 64-bitowe, które, jak twierdzi, mogą być używane do obsługi zadań związanych z autonomiczną jazdą i sztuczną inteligencją, w urządzeniach IoT i centrach danych (między innymi). SiFive twierdzi, że oferuje dostęp do rdzeni procesorów, które konkurują z produktami ARM CortexA, CortexR i CortexM.

SiFive i inni gracze w przestrzeni RISC-V wciąż mają przed sobą trudną drogę. RISC-V posiada niewielki udział w rynku ARM. Chipy oparte na architekturze ARM dominują w przestrzeni smartfonów i są obecnie podstawą większości urządzeń Internetu Rzeczy.

Jeśli chodzi o sztuczną inteligencję, kolejną interesującą firmą jest GreenWaves Technologies, której bardzo energooszczędne i wydajne punkty dostępowe GAP8 udostępniają AI w urządzeniach IoT zasilanych bateryjnie. GreenWaves jest kluczowym współtwórcą platformy open source, opartej na równoległej platformie przetwarzania ultra niskiego poboru mocy (PULP), opartej na RISC-V, która stanowi podstawę dla procesorów GAP8. Układ GAP9 jest znaczącym ulepszeniem poprzedniego modelu.

Firma AdaCore ogłosiła w styczniu, że dołączyła do RISC-V Foundation, wprowadzając języki programowania Ada i Spark na czołowe miejsce w technologiach dostępnych dla programistów RISC-V. Więcej szczegółowych informacji można znaleźć w artykułach „RISC-V – budujemy własny mikrokontroler” [36].

Układy SoC (System on Chip)

Prawie wszystkie układy scalone dla Internetu Rzeczy są typu SoC. Zwykle to układy jednordzeniowe lub wielordzeniowe z bardzo rozbudowaną listą modułów peryferyjnych i dosyć skomplikowaną budową wewnętrzną.

Najbardziej rozbudowane układy scalone są: wielordzeniowe (multi core), z obsługą wielu protokołów komunikacyjnych (multi protocol) oraz dwuzakresowe (dual band). Przykładem jest układ SimpleLink CC1352R firmy Texas Instruments [4].

Rdzeń aplikacyjny

Jako rdzeń główny (aplikacyjny) układu SoC stosowany jest typowo ARM CortexM4F, który umożliwia wykonywanie obliczeń zmiennoprzecinkowych oraz obliczeń sygnałowych. Przez firmę ARM nazywany jest procesorem DSP (procesor sygnałowy). W nowszych układach zastosowano rdzeń ARM CortexM33. Jako rdzeń główny użyto ARM CortexM3, typowo dla starszych układów. W układach bardzo małej mocy stosowany jest często, jako jedyny, rdzeń ARM CortexM0+. W układach przeznaczonych do wykonywania przetwarzania sygnału stosowane są rdzenie DSP.

Rdzeń komunikacyjny

Wiele układów scalonych ma budowę dwurdzeniową. Drugi rdzeń pracuje niezależnie i standardowo obsługuje komunikację bezprzewodową (procesor sieciowy). Najczęściej, jako drugi, stosowany jest rdzeń ARM CortexM0 lub CortexM0+. Obsługa komunikacji realizowana jest programowo z kodem umieszczonym w pamięci ROM, z możliwością zastosowania kodu z pamięci Flash i rekonfiguracji radia, włącznie z własnym protokołem.

Unikalną cechą układu scalonego nRF5340 firmy Nordic Semiconductor jest zastosowanie dwóch takich samych rdzeni ARM CortexM33 jako rdzeń aplikacyjny i komunikacyjny [5].

Rdzeń pomocniczy

Niektóre układy scalone mają trzeci rdzeń Sensor Controller o bardzo małym poborze mocy. To wyjątkowe rozwiązanie służy do inteligentnej obsługi układów peryferyjnych. Bez konieczności budzenia rdzenia głównego.

Przykładem są układy scalone rodziny SimpleLink CC13x2R/CC26x2R firmy Texas Instruments [4] oraz rodzina SmartBond DA1469x firmy Dialog [16].

ModułySiP (System in Package)

Moduły SiP to funkcjonalne systemy lub podsystemy, umieszczone w standardowej obudowie takiej jak: LGA, FBGA, QFN lub FOWLP. Zawierają dwie lub więcej różnych struktur scalonych, zazwyczaj łączonych z innymi komponentami, np. układy pasywne, filtry, MEMS, czujniki i/lub anteny. Komponenty są montowane razem na podłożu, aby stworzyć zindywidualizowany, wysoce zintegrowany produkt. Moduły SiP mogą wykorzystywać kombinację różnych zaawansowanych metod montażu [42].

Istnieją podstawowe wymagania, które moduł SiP powinien spełniać:

  • Integracja różnych aktywnych elementów półprzewodnikowych i elementów pasywnych w jednym systemie, w którym aktywnymi komponentami mogą być mikroprocesory, pamięci, wyspecjalizowane urządzenia przetwarzające, obwody analogowe, zarządzanie energią i czujniki;
  • Miniaturyzacja;
  • Skalowalność umożliwiająca korzystanie z niewielkiego rozmiaru produkcji.


W tym miejscu koncepcja „tego, co jest dobre w świecie półprzewodników” uzupełnia koncepcję „tego, co jest dobre w świecie systemów”. Technologia SiP może rozwiązać wiele problemów związanych z projektowaniem i produkcją, umożliwiając szybszy i łatwiejszy rozwój elektroniki. Dostępnych jest wiele modułów SiP, np. moduł HJ840 chińskiej firmy Tangshan Hongjia Electronic, z układem scalonym nRF52840 firmy Nordic Semiconductor [21], moduł RSL10 SiP firmy ON Semiconductor [25] czy moduł nRF9160 SiP firmy Nordic Semicoductor [33].

Elastyczne układy SoP (Silicon-on-Polymer)

FleX Silicon-on-Polymer to rewolucyjny proces tworzenia na elastycznym podłożu układów scalonych CMOS, z jedną strukturą silikonową oraz z metalowymi połączeniami pomiędzy warstwami. Umożliwia tworzenie nowej generacji wydajnych, trwałych, elastycznych układów scalonych, które znacznie zwiększają możliwość integracji funkcjonalności CMOS z elastyczną elektroniką (fotografia 1).

Fotografia 1. Elastyczny układ scalony krzemowo-polimerowy [6]

Dostarcza w pełni funkcjonalne, elastyczne płytki wafla o końcowej grubości krzemu, tak cienkiej jak 2000 Å (angstremów). FleX można zastosować do procesów technologii SOI (Silicon on Insulator). Oferuje nowe możliwości pakowania i integracji 3D układów scalonych. Został zastosowany zarówno w skali wafla, jak i do montażu na nieregularnej powierzchni. Wyniki testu tej samej struktury scalonej jako płytki pełnej grubości i płytki waflowej wykazują niewielkie zmiany parametrów elektrycznych, a niektóre parametry ulegają poprawie [42]. Przykładem jest układ scalony AS_NRF51 FleXBLE firmy American Semiconductor [6].

Moduły sprzętowe

Projektowanie płytek drukowanych, do pracy ze scalonymi układami radiowymi, jest trudne i drogie. Dlatego bardzo ważna dla użytkownika jest dostępność modułów z tymi układami. Są ich cztery kategorie: zestawy uruchomieniowe, wtyczki USB, moduły czujnikowe oraz moduły produkcyjne. Ale jest jeszcze dodatkowa kategoria – zestawy Arduino.

Zestawy uruchomieniowe

Tworzenie sieci Internetu Rzeczy wymaga prototypowania planowanych rozwiązań sprzętowych i programowych. Dobrze do tego nadają się gotowe sprzętowe moduły uruchomieniowe, oferowane przez producentów układów SOC oraz innych dostawców.

Praktycznie każdy producent układów scalonych dla Internetu Rzeczy oferuje zestawy uruchomieniowe. Umożliwiają one szybkie rozpoczęcie pracy z wybranym układem scalonym. Standardowo są one dostarczane z zaprogramowaną aplikacją demonstracyjną, pozwalającą na natychmiastową pracę „prosto z pudełka”. Razem z projektami przykładowymi dostarczanymi przez producenta daje to możliwość łatwego rozpoczęcia praktycznej pracy z układem scalonym. Istotną własnością zestawu uruchomieniowego jest możliwość debugowania kodu w czasie rzeczywistym, ze wspomaganiem sprzętowym. Pożądaną cechą zestawu uruchomieniowego jest też dosyć niska cena, typowo w granicach 30…50 $.

Wtyczki USB

Wtyczki USB składają się typowo z minimum elementów, oprócz układu SoC. Mają za to niską cenę, za którą udostępniają niemal pełną funkcjonalność zainstalowanego układu SoC. Największą zaletą wtyczki jest możliwość pracy jako sniffer do „podglądania” na bieżąco ruchu radiowego z różnymi protokołami, w tym Thread. Typowo wtyczki pracują z programem Wireshark. Wtyczki USB oferują producenci układów SoC, ale też niezależni wytwórcy.

Moduły czujnikowe

Dla rozwoju Internetu Rzeczy bardzo ważna jest dostępność kompletnych modułów komunikacji radiowej z zestawem czujników. Jest wiele zestawów pracujących z protokołem Bluetooth 5.2, np. CC1352R LaunchPad SensorTag firmy Texas instruments [52], Nordic Thingy:52 IoT Sensor Kit firmy Nordic Semiconductor [49]. Są również zestawy z komunikacją mobilną IoT, np. Nordic Thingy:91 firmy Nordic Semiconductor [34].

Moduły produkcyjne

Moduły produkcyjne umożliwiają zastosowanie wybranego układu scalonego w projekcie produkcyjnym. Ma to bardzo duże znaczenie wobec wymagania certyfikatu zgodności układu radiowego z wymaganiami np. Unii Europejskiej. Moduł produkcyjny jest gotowy do dołączenia bezpośrednio do własnego projektu, bez konieczności znajomości zagadnień projektowania układów radiowych.

Moduły produkcyjne mogą być oferowane przez producenta układu scalonego, ale standardowo są one też produkowane przez innych dostawców (3rd Party). Jest to bardzo istotna dziedzina, która może decydować o popularności układu scalonego na rynku. Listy modułów należy szukać na portalach producentów układów scalonych.

Zastosowanie rdzenia RISC-V

Wzrasta zastosowanie rdzeniami RISC-V w układach przeznaczonych dla IoT. Niektóre z nich mają udostępniony dosyć dokładny opis. Opisy układów GAP8 i GAP9 będą zmieszczone w kolejnym artykule.

GigaDevice Semiconductor

Układ GD32VF103 z rdzeniem RISC-V

Mikrokontroler GD32VF103 firmy GigaDevice Semiconductor jest oparty na rdzeniu Bumblebee (RISC-V) [11]. To ten sam rdzeń, który jest używany w chipie AndeStar V5 firmy Andes Technology. Rdzeń Bumblebee obsługuje zestaw instrukcji RV32IMAC. Oznacza to, że jest to 32-bitowy rdzeń typu integer (RV32I), z obsługą mnożenia/dzielenia (M), instrukcji atomowych (A) i instrukcji skompresowanych (C). System wykorzystuje dwustopniową architekturę potokową o zmiennej długości.

Jest bardzo podobny do innych popularnych 32-bitowych architektur mikrokontrolerów (rysunek 1). Skompresowane 16-bitowe instrukcje mogą spowodować zmniejszenie rozmiaru kodu o 25…30%.

Rysunek 1. Schemat blokowy układu GD32VF103 firmy GigaDevice Semiconductor [11]

32-bitowy chip działa z częstotliwością 108 MHz i ma zwykły zestaw mikrourządzeń peryferyjnych. Obejmuje to wiele timerów, UART, SPI, I2C, I2S i zewnętrzny kontroler pamięci. Dołączone są podwójne kontrolery CAN 2.0B i kontroler USB 2.0 OTG. Istnieje również mieszanka 16-to i 24-bitowych timerów RISC-V, a GigaDevice dodaje 64-bitowy zegar czasu rzeczywistego. Analogowe urządzenia peryferyjne obejmują: przetwornik ADC 1 Msample/s; podwójne 12-bitowe, 16-kanałowe przetworniki ADC; podwójne 12-bitowe przetworniki DAC. Dostępne są wersje z maksymalnie 80 GPIO.

System wymaga zasilania od 2,6 do 3,6 V DC i ma piny I/O tolerujące 5 V. Ma wiele trybów niskiego poboru mocy oraz pobór prądu w stanie czuwania, na poziomie 6,3 μA. Opcje obudowy obejmują QFN36, LQFP48, LQFP64 i LQFP100. Wśród dostępnych narzędzi programistycznych są Nuclei Studio, IoT Studio i SEGGER Embedded Studio oraz IAR Embedded Workbench. Układ jest kompatybilny z różnymi systemami operacyjnymi, takimi jak μC/OS II, FreeRTOS, RTThread, TencentOStiny i LiteOS.

SiFive

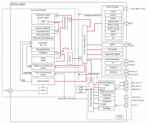
Układ FE310 z rdzeniem RISC-V

FE310 firmy SiFive to pierwszy mikrokontroler SoC o niskim poborze mocy, RISC-V (Version 1.9.1), zaprojektowany przy użyciu firmowej metodologii IdeatoSilicon, ze standardowym rdzeniem E31 firmy SiFive [37].

Układ FE310G002 firmy SiFive ma architekturę RV32IMAC. Układ ma szesnaście 32-bitowych rejestrów i nie ma stosu sprzętowego. Podobnie jak w przypadku wielu systemów RISC, używa instrukcji JAL do zapisania adresu zwrotnego w rejestrze.

Układ FE310 firmy SiFive stosuje rdzeń RISC-V (320+ MHz), 16 kB L1 Cache, 16 kB Data SRAM, ROM 8 kB, OTP 8 kB oraz interfejs QSPI (rysunek 2) [37].

Rysunek 2. Schemat blokowy układu FE310-G002 firmy SiFive [37]

Wybrane parametry układu:

  • wydajność 1,61 DMIP/MHz,
  • napięcie zasilania 1,8…3,3 V,
  • pobór prądu w stanie aktywnym – 1,8 V 8/150 mA (16/250 MHz), 3,3 V 8/16 mA (16/250 MHz),
  • układy peryferyjne: 3×QSPI, 2×UART, PWM, I2C,
  • obudowa 48QFN 6,0×6,0×0,85 mm.

Firma udostępnia tanią płytkę ewaluacyjną HiFive1 Rev B, kompatybilną z Arduino z komunikacją Bluetooth, Bluetooth LE i Wi-Fi 802.11n oraz z pamięcią ISSI SPI Flash 32 Mbit.

Obsługa protokołu Bluetooth

Większość układów scalonych dla IoT obsługuje protokół Bluetooth Low Energy. Układy scalone z obsługą Bluetooth 5 zostały omówione w poprzednim artykule [43]. Od tego czasu pojawiły się istotne rozszerzenia standardu 5.1 i 5.2. Bieżący artykuł omawia układy z obsługą nowych rozszerzeń. Wiele układów obsługuje też komunikację w standardzie Thread [41].

American Semiconductor

Układ AS_NRF51822P – pierwszy układ Siliconon-on-Polymer (SoP) dla IoT

Układ scalony AS_NRF51822P firmy American Semiconductor jest ultracienką wersją układu scalonego nRF51822 firmy Nordic Semiconductor [6]. Do produkcji zastosowano technologię FleX SoP firmy American Semiconductor. Grubość pakietu krzemowego została zmniejszona do około 35 μm – o połowę mniejszą niż ludzki włos. Dodatkowa warstwa polimerów z przodu i z tyłu zapewnia wytrzymałość mechaniczną, co umożliwia wyginanie układu bez złamania (fotografia 2).

Fotografia 2. Widok struktury modułu AS_NRF51822P typu SoP firmy American Semiconductor [6]

Układ scalony został zaprojektowany z myślą o rozwiązaniach, które wymagają ultramałej grubości, elastyczności fizycznej i wysokiej niezawodności w zastosowaniach, od urządzeń noszonych i logistyki, po IoT.

Istotną zaletą układu jest zgodność z układem nRF51822 firmy Nordic Semiconductor. Umożliwia to wykorzystanie gotowego środowiska programowego, pakietu oprogramowania pomocniczego i stosów protokołów, co upraszcza opracowywanie urządzeń z nowym układem. Układ AS_NRF51822P zawiera procesor ARM CortexM0+, 256 KB pamięci Flash, 32 KB pamięci RAM. Wybrane parametry układu:

  • obsługuje protokół Bluetooth 4.2, 250 kbs, 1 Mbps, 2 Mbps,
  • pracuje z napięciem zasilania 1,8…3,6 V,
  • zawiera: czujnik temperatury, 10-bitowy przetwornik ADC, przetwornicę DC/DC, moduły I2C, UART i SPI,
  • zawiera moduł kryptograficzny AES 128 oraz TRNG,
  • wymiary 3,8×3,8 mm, grubość około 35 μm, rozmiar wyprowadzenia (pad) 56×56 μm (min.),
  • jest pierwszym elastycznym procesorem komunikacyjnym z obsługą BLE.

Cypress (Infineon)

Portfolio układów firmy Cypress (obecnie część firmy Infineon) jest bardzo rozbudowane i zawiera wiele rodzin mikrokontrolerów [12]. Zaprezentuję tylko wybrane układy z obsługą komunikacji Bluetooth. Dostępne są też moduły SiP (z obsługą Bluetooth 4.0/4.1) oraz moduły WICED typu „combo”, które w jednym układzie scalonym integrują komunikację IEEE 802.11a/b/g/n/ac WLAN oraz Bluetooth 5.0/5.1.

Rodzina PSoC 6 BLE

Układy SoC rodziny PSoC 6 BLE zostały stworzone specjalnie do zastosowań IoT i obsługują protokół Bluetooth 5.0 BLE. Układy serii PsoC 60 i PsoC 61 mają tylko jeden rdzeń ARM CortexM4 (150 MHz). Układy serii PsoC 63 i PsoC 64 mają dodatkowy rdzeń ARM CortexM0+ (100 MHz) [13].

Rodzina mikrokontrolerów PSoC 6 jest wyposażona w moduły wspomagania bezpieczeństwa, takie jak sprzętowe akceleratory kryptograficzne, generator liczb losowych (TRNG) oraz jednostki zabezpieczające, używane do implementacji do 8 kontekstów ochrony.

Dwurdzeniowa architektura PsoC 6 jest idealna do tworzenia izolowanych środowisk przetwarzania. Procesor CortexM4 służy do ustanowienia niezabezpieczonego środowiska przetwarzania (NSPE), a CortexM0+ jest używany do ustanowienia bezpiecznego środowiska przetwarzania (SPE), za pomocą jednostek ochrony wbudowanych w PsoC 6 (rysunek 3). Oprogramowanie Trusted FirmwareM, pracujące w środowisku SPE, komunikuje się z NSPE poprzez sprzętowy interfejs międzyprocesorowy (IPC). Obszar zaufany jest izolowany od SPE, zapewnia niezmienną tożsamość urządzenia i umożliwia bezpieczne przechowywanie kluczy.

Rysunek 3. Izolowane środowiska przetwarzania układów rodziny PSoC 6 firmy Cypress [13]

Usługi bezpieczeństwa obejmują bezpieczne uruchamianie, udostępnianie i atestację.

PSoC 6 zapewnia wysoką wydajność i niski pobór mocy, a także bezpieczeństwo, którego wymagają urządzenia IoT nowej generacji. Wszystko na słynnym programowalnym układzie PSoC.

Wybrane parametry układów linii PsoC 6 – CY8C63x6, CY8C63x7 [13]:

  • Programowana moc wyjściowa w zakresie od –20 dBm do +4 dBm;
  • Czułość odbiornika –95 dBm;
  • Maksymalny prąd odbiornika 6,7 mA dla 2 Mbps (typ.);
  • Maksymalny prąd nadajnika 5,7 mA dla 0 dBm (typ.);
  • Prąd: w stanie głębokiego uśpienia <1 μA (z podtrzymaniem pamięci 64 KB);
  • Przy pracy rdzeni układu w różnych trybach ULP 0,9 V/LP (1,1 V) pobór prądu wynosi: CortexM0+ 15 μA/MHz (22 μA/MHz), CortexM4 22 μA/MHz (40 μA/MHz);
  • Cechy unikalne: Obsługuje jednocześnie do 4 połączeń BLE 5.0.

Najnowszy procesor CYB06447BZID54 linii PSoC64 ma dodatkowe mechanizmy bezpieczeństwa. Linia PsoC 64 jest wyposażona w sprawdzone oprogramowanie zabezpieczające, które pomaga przyspieszyć wdrażanie bezpiecznego projektu. Produkt do bezpiecznego rozruchu dostarczany jest z wcześniej ustalonym zaufaniem, które umożliwia programiście łatwe wdrażanie i bezpieczne aktualizacje oprogramowania układowego.

Układ CYW20819 z obsługą Bluetooth 5.2

Układ CYW20819 to scalone rozwiązanie Bluetooth 5.2, przeznaczone dla sieci Bluetooth, audio, głosu, urządzeń do noszenia, myszy, klawiatur, konsol do gier, pilotów, automatyki domowej i szerokiej gamy innych aplikacji Internetu Rzeczy [14]. CYW20819 w pełni implementuje specyfikację Bluetooth Mesh 1.0 i wykorzystuje najwyższy poziom integracji w celu wyeliminowania zewnętrznych komponentów.

CYW20819 integruje Ultra-Low Power (ULP) BLE z możliwością dodania funkcji dla urządzeń do noszenia i śledzenia. Zapewnia również najlepszą w swojej klasie czułość odbiornika, zarówno dla BLE, jak i EDR.

Rysunek 4. Schemat blokowy CYW20819 firmy Cypress [14]

Układ CYW20819 wyposażono w rdzeń ARM CortexM4 (96 MHz, max.) z pamięcią RAM 176 kB, Flash 256 kB (rysunek 4). Wybrane parametry układu:

  • Obsługuje BR, EDR 2 Mbps i 3 Mbps, eSCO, BLE, LE 2 Mbps i Bluetooth Mesh 1.0;
  • Jednoczesna obsługa transmisji Bluetooth Classic audio oraz BLE;
  • Programowana moc wyjściowa w zakresie od –24 dBm do +4 dBm;
  • Czułość odbiornika –95 dBm (dla BLE 1 Mbps);
  • Maksymalny prąd odbiornika 5,9 mA (typ.);
  • Maksymalny prąd nadajnika 5,8 mA dla 4 dBm (typ.);
  • Prąd: w stanie uśpienia 16,5 μA (z podtrzymaniem pamięci 176 KB);
  • Prąd: w stanie głębokiego uśpienia 1,75 μA;
  • Moduł kryptograficzny AES128, generator TRNG, weryfikacja podpisu ECDSA;
  • Aktualizacje oprogramowania sprzętowego OTA;
  • Cechy unikalne: obsługuje podstawową specyfikację Bluetooth w wersji 5.2.

Dostępny jest firmowy moduł CYBT21304302 o rozmiarach 12,0×16,61×1,70 mm, zawierający układ scalony CYW20819, oscylator kwarcowy, elementy pasywne oraz antenę.

SmartBond – rodzina układów SoC firmy Dialog Semiconductor

Wysoce zintegrowana rodzina układów SoC o nazwie SmartBond firmy Dialog Semiconductor zapewnia najmniejsze, najbardziej energooszczędne rozwiązania Bluetooth o niskim zużyciu energii uzyskanie najniższych kosztów systemu. Obejmuje rozwiązania ogólne i zoptymalizowane pod kątem aplikacji, w różnych opcjach pamięci, w kompatybilnych obudowach, łącząc elastyczność projektowania z łatwą redukcją kosztów. Wspierana jest przez firmowe oprogramowanie SmartSnippets i rozbudowane wsparcie dla aplikacji, ułatwiając projektantom maksymalne wykorzystanie ich systemu.

SmartBond TINY DA14531

SmartBond TINY DA14531 to najmniejszy i najniższy na świecie układ SoC, z obsługą Bluetooth 5.1 [15]. Mały koszt układu (0,50 USD, przy dużych zakupach) osiągnięto dzięki wysokiemu poziomowi integracji. Kompletny system Bluetooth można osiągnąć poprzez dodanie 6 małych zewnętrznych elementów pasywnych, kwarcu i źródła zasilania. SmartBond TINY jest niezwykle energooszczędny, uzyskując rekordowy wynik wydajności. Dostępny w bardzo małej obudowie WLCSP17 2,0×1,7×0,328 mm – jest o połowę mniejszy od swojego poprzednika lub jakiejkolwiek oferty innych wiodących producentów. Uzupełnia go elastyczny SDK, obsługujący główne kompilatory, takie jak Keil i GCC.

W układzie DA14531 zastosowano rdzeń ARM CortexM0+ (16 MHz) z pamięcią RAM 48 kB, ROM 144 kB oraz OTP 32 kB (rysunek 5).

Rysunek 5. Schemat blokowy układu SmartBond TINY DA14531 firmy Dialog Semiconductor [15]

Wybrane parametry układu:

  • Rekordowy wynik 18300 w EEMBC IoTMark-BLE;
  • Typowy czas rozruchu do uruchomienia radia 35 ms;
  • Jednoczesna obsługa 3 transmisji BLE;
  • Programowana moc wyjściowa w zakresie od –20 dBm do +2,5 dBm;
  • Czułość odbiornika –94 dBm;
  • Napięcie zasilania 1,1...3,3 V;
  • Maksymalny prąd odbiornika 2,2 mA, 3 V (typ.);
  • Maksymalny prąd nadajnika 3,5 mA dla 0 dBm (typ.);
  • Prąd: w stanie głębokiego uśpienia 240 nA (25°C);
  • Moduł kryptograficzny AES128, generator TRNG;
  • Cechy unikalne: Bardzo mała obudowa WLCSP17 2,0×1,7×0,328 mm.

Dostępny jest firmowy moduł DA14531 SmartBond TINYTM Module o rozmiarach 12,5×14,5 mm. Zawiera układ scalony DA14531, oscylator kwarcowy, pamięć Flash, elementy pasywne oraz antenę.

SmartBond DA1469x

Rodzina SmartBond DA1469x firmy Dialog to najbardziej zaawansowane i bogate w funkcje wielordzeniowe mikrokontrolery do łączności bezprzewodowej [16].
Jako pierwsze bezprzewodowe MCU w produkcji oparte na procesorze ARM Cortex-M33, produkty DA1469x oferują programistom większą moc obliczeniową do wymagających aplikacji, takich jak zaawansowane urządzenia monitorujące kondycję, zaawansowane urządzenia inteligentnego domu i kontrolery gier wirtualnej rzeczywistości.

Układy są wyposażone w kontroler czujników SNC (Sensor Node Controller), który działa autonomicznie i niezależnie przetwarza dane z czujników, podłączonych do jego interfejsów.

Rodzina DA1469x zawiera najnowocześniejszy moduł zarządzania energią, który wykorzystuje najlepsze w swojej klasie rozwiązania, kontrolując różne rdzenie przetwarzające i aktywując je tylko w razie potrzeby, jednocześnie eliminując potrzebę oddzielnego PMIC i zmniejszając całkowity rozmiar systemu.

W układzie DA14699 zastosowano rdzeń aplikacyjny ARM CortexM33F (32 kHz do 96 MHz) z pamięcią RAM 512 kB, OTP 4 kB, ROM 128 kB, rdzeń komunikacyjny ARM CortexM0+ oraz dedykowany rdzeń mikroDSP (Sensor Node Controller) (rysunek 6).

  • 144 Dhrystone MIPS, CoreMark 3,574 CM/MHz;
  • Programowana moc wyjściowa w zakresie od –18 dBm do +6 dBm;
  • Czułość odbiornika –97 dBm;
  • Napięcie zasilania 2,4…4,75 V;
  • Maksymalny prąd odbiornika 1,8 mA (typ.);
  • Maksymalny prąd nadajnika 3 mA (typ.);
  • Moduł kryptograficzny AES128, SHA1, SHA256, SHA512, generator TRNG (FIPS 1402);
  • Cechy unikalne: Układ zarządzania zasilaniem (PMU) z obsługą ładowania akumulatorów.
Rysunek 6. Schemat blokowy układów rodziny DA1469x firmy Dialog Semiconductor [16]

EM Microelectronic

Układ EM9304 z rdzeniem ARCv2

Układ scalony EM9304 to mały, energooszczędny układ scalony (SoC), zoptymalizowany pod kątem produktów obsługujących technologię Bluetooth 5.0 o niskim zużyciu energii [10]. Zastosowano w nim 32-bitowy rdzeń ARCv2 EM4 (24 MHz), z pamięcią RAM (instrukcje 48 kB, dane 28 kB), ROM 136 kB oraz OTP 128 kB (rysunek 7). Wybrane parametry układu:

  • Programowana moc wyjściowa w zakresie od –34 dBm do +6,1 dBm;
  • Czułość odbiornika –94 dBm;
  • Moduł kryptograficzny AES128, generator TRNG oraz moduł generowania klucza (ESSP256);
  • Maksymalny prąd odbiornika 3,0 mA (typ.);
  • Maksymalny prąd nadajnika 5,2 mA dla 0,4 dBm (typ.);
  • Prąd: w stanie pracy od 1,0 μA, uśpienia 650 nA oraz wyłączenia 5 nA;
  • Cechy unikalne: rdzeń ARCv2 EM4.

Architekturę sprzętową układu EM9304 pokazuje rysunek 7a. Układ zawiera moduł FPU oraz koprocesor CRC. Pamięć jest podzielona na wiele domen zasilania. Elastyczna architektura EM9304 pozwala mu działać jako towarzyszący układ scalony, dla dowolnego produktu opartego na układzie ASIC lub MCU albo jako kompletny układ SoC. Aplikacje niestandardowe mogą być uruchamiane z pamięci jednorazowo programowalnej (OTP), a urządzenia peryferyjne cyfrowe (SPI lub I2C) mogą być używane do łączenia się z urządzeniami zewnętrznymi, takimi jak czujniki, pamięć, wyświetlacz lub sterowniki dotykowe. Jednostka zmiennoprzecinkowa może zostać wykorzystana do implementacji zaawansowanych algorytmów, takich jak fuzja czujników.

Rysunek 7. Układ EM9304 firmy EM Microelectronic: a) architektura sprzętowa; b) architektura programowa [10]

Z kolei architekturę programową układu EM9304 pokazuje rysunek 7b. ROM zawiera warstwę łącza Bluetooth 5.0 z interfejsem kontrolera hosta (HCI), stosem Bluetooth z zastrzeżonym interfejsem kontrolera aplikacji (ACI), kilkoma profilami i procedurami aktualizacji oprogramowania sprzętowego drogą bezprzewodową (FOTA). Energooszczędny kontroler Bluetooth i host można skonfigurować do obsługi do ośmiu jednoczesnych połączeń. Obsługiwane są również bezpieczne połączenia i zwiększona długość pakietu.

EM9304 zawiera wyrafinowany system zarządzania energią na chipie z automatyczną konfiguracją dla akumulatorów 1,5 V lub 3 V. Bieżące zużycie jest zminimalizowane we wszystkich trybach aplikacji, przy użyciu wydajnego harmonogramu i menedżera pamięci. Kilka opcji konfiguracji pamięci zapewnia optymalną wydajność dla dowolnej aplikacji. Stabilny, energooszczędny oscylator uśpienia (RC lub kryształ) minimalizuje zużycie energii w stanie pracy.

EM9304 wyposażony jest w najnowocześniejszy moduł radiowy 2,4 GHz: odbiornik o bardzo małej mocy z doskonałą czułością/selektywnością oraz programowalny nadajnik, zapewniający optymalną moc wyjściową i pobór prądu. Układ oferowany jest w obudowach: WLCSP25 (rozmiaru wafla 2,3×2,2 mm), QFN28 (4×4 mm) lub w postaci samej matrycy/wafla.

Układ EM9304 zastosowano na płytce ewaluacyjnej EVALADICUP3029 firmy Analog Devices, zaprojektowanej z myślą o aplikacjach IOT. Pracuje tam razem z ultraenergooszczędnym procesorem ADuCM3029 tej firmy.

Maxim Integrated

Układ MAX32666 z rodziny Darwin

Rodzina DARWIN firmy Maxim Integrated to nowy rodzaj mikrokontrolerów IoT o bardzo niskim poborze mocy, stworzonych z myślą o rozwoju w szybko rozwijającym się Internecie Rzeczy (IoT). Są inteligentne, mają największe pamięci w swojej klasie i skalowalną architekturę. Wykorzystują modułowy akcelerator arytmetyczny (MAA) ze sprzętowym źródłem entropii dla zaawansowanych funkcji bezpieczeństwa (AES, ECDSA, RSA, DSA, TRNG), dostarczając jednocześnie obsługę bezpiecznego bootowania. Poziom bezpieczeństwa jest porównywalny z poziomem stosowanym przez instytucje finansowe i rządowe [18].

Mikrokontrolery MAX32665…MAX32668 są zaawansowanymi układami SoC, wyposażonymi w procesor ARM CortexM4F, do wydajnego obliczania złożonych funkcji i algorytmów, ze zintegrowanym zarządzaniem energią (rysunek 8). Obejmują najnowszą generację modułu Bluetooth 5 Low Energy o wysokiej przepustowości (2 Mb/s) oraz najlepszy w swojej klasie firmowy sprzętowy moduł zabezpieczeń TPU (Trust Protection Unit). Urządzenia oferują dużą wbudowaną pamięć Flash 1 MB i do 560 kB SRAM, którą można skonfigurować jako 448 kB SRAM z kodowaniem korekcji błędów (ECC). Podzielone banki pamięci Flash, po 512 kB każdy, obsługują bezproblemową aktualizację bezprzewodową, dodając dodatkowy stopień niezawodności. Skalowalność pamięci danych (SRAM) i przestrzeni kodu są obsługiwane przez dwa interfejsy SPI typu executeinplace (SPIX).

Rysunek 8. Schemat blokowy układów MAX32665, MAX32666, MAX32667, MAX32668 rodziny Dawin firmy Maxim Integrated [18]

Dobrym przykładem jest układ MAX32666 z dwoma rdzeniami ARM CortexM4F (96 MHz). Zapewnia wydajność 27,3 μA/MHz dla 3,3 V, przy wykonaniu kodu z pamięci Cache. W stanie uśpienia z podtrzymaniem pamięci pobiera 10 μA. Moduł radiowy BLE 5.2 ma czułość odbiornika –95 dBm i moc nadajnika do +4,5 dBm.

Microchip

Firma Microchip oferuje bardzo rozbudowany wachlarz mikrokontrolerów przydatnych dla IoT. Oferuje też wiele układów radiowych do obsługi protokołów: Wi-Fi, Bluetooth, LoRa i ZigBee [19]. Układy radiowe to modemy, z interfejsem ASCII lub binarnym. Zalecane przez producenta rozwiązania dla IoT to w zasadzie długa lista modułów uruchomieniowych, integrujących te poszczególne układy. Do obsługi protokołu Bluetooth 5.0 firma poleca 5 modułów modemowych typu SOM.

Choć lista układów scalonych z obsługą protokołu Bluetooth zawiera 16 pozycji, to wgląd w dokumentację układów i modułów pokazuje jednak, że obsługiwany jest standard Bluetooth 4.2. Brak tu układów SoC przeznaczonych dla IoT.

Nordic Semicoductor

Sukces firmy Nordic Semiconductor rozpoczął się od układów SoC rodziny nRF51 [20]. Obecnie najbardziej rozbudowana jest rodzina nRF52, ale pojawił się pierwszy procesor nowej rodziny nRF53 (tabela 1). Wszystkie urządzenia tej firmy są obsługiwane przez kwalifikowane, wysokowydajne stosy oprogramowania klasy produkcyjnej.

Układ nRF52840

Układ scalony SoC typu nRF52840 ma rdzeń ARM Cortex-M4F (64 MHz) z dużą pamięcią Flash do 1 MB i pamięci RAM do 256 kB [20] (rysunek 9). Wybrane parametry układu:

  • Umożliwia transmisję w pasmie 2,4 GHz, w sieciach z protokołem Bluetooth 5, Thread, ZigBee, IEEE 802.15.4 oraz ANT;
  • Możliwa jest jednoczesna obsługa transmisji z obsługą stosu BLE 5 oraz stosu OpenThread. Zapewnia to mechanizm Dynamic Multiprotocol;
  • Programowana moc wyjściowa w zakresie od –20 dBm do +8 dBm;
  • Zapewnia bezpieczne bootowanie oraz aktualizację oprogramowania poprzez radio;
  • Może pracować z różnymi systemami RTOS włącznie z systemem FreeRTOS;
  • Pracuje z napięciem zasilania 1,7...5,5 V;
  • Cechy unikalne: układy rodziny nRF52x mają dedykowany moduł kryptograficzny ARM CryptoCell 310 oraz TrustZone.
Rysunek 9. Schemat blokowy układu nRF52840 firmy Nordic Semiconductor [20]

Firma Nordic Semiconductor udostępnia zestaw uruchomieniowy nRF52840-DK [44], wtyczkę nRF52840 Dongle [48] oraz zestaw czujnikowy (IoT) Nordic Thingy [49] z czujnikami: temperatury, wilgotności, ciśnienia, jakości powietrza, koloru i poziomu oświetlenia, dwoma czujnikami ruchu. Dostępnych jest bardzo wiele modułów produkcyjnych różnych producentów z układami serii nRF52. Umożliwia to bardzo łatwe i szybkie prototypowanie.

Zupełnie nietypowo układ nRF 52840 został zastosowany jako podstawowy procesor płytek Arduino Nano 33 BLE oraz Arduino Nano 33 BLE Sens z czujnikami temperatury, ciśnienia, wilgotności, oświetlenia, koloru, ruchu oraz gestów.

Moduł SiP z układem nRF52840

Moduł HJ-840 chińskiej firmy Tangshan Hongjia Electronic Technology został wykonany w technologii SiP [21]. W obudowie o wymiarach 6,2×7×0,9 mm i wadze 0,3 g został zamieszczony układ scalony nRF52840 firmy Nordic Semiconductor. Wbudowana antena dalekiego zasięgu o wysokiej wydajności pozwala osiągnąć zasięg w otwartej przestrzeni od 50 do 80 m (moc TX 0 dBm, 1 Mb/s). Możliwa jest także obsługa anteny zewnętrznej. Moduł jest przystosowany do pracy w zakresie temperatur od –40 do 105°C.

nRF5340 firmy Nordic Semicoductor – pierwszy procesor komunikacyjny SOC z dwoma rdzeniami ARM Cortex-M33

Unikalną cechą układu nRF5340 jest zastosowanie jako rdzeń aplikacyjny i komunikacyjny dwóch takich samych rdzeni ARM Cortex-M33 oraz możliwość pracy do temperatury 105°C [5]. Schemat blokowy procesora nRF5340 jest pokazany na rysunku 10.

Rdzeń aplikacyjny ARM Cortex-M33 zapewnia energooszczędną arytmetykę (DSP), obliczenia zmiennoprzecinkowe (FPU), kontroler przerwań (NVIC) oraz moduł ochrony pamięci (MPU). Może pracować z obniżoną częstotliwością zegara ze 128 MHz do 64 MHz (przy użyciu skalowania napięcia i częstotliwości), co pozwala na zmniejszenie mocy zasilania (510/255 CoreMark, 65/76 CoreMark/mA). Rdzeń aplikacyjny ma zastosowaną najnowszą technologię ARM TrustZone oraz ARM CryptoCell 312. Technologia ARM TrustZone oznacza, że moduł ma obszary zabezpieczone oraz niezabezpieczone. Aspekty krytyczne, jak obsługa kryptograficzna i klucze, mogą być umieszczone w obszarze zabezpieczonym, do którego nie ma bezpośredniego dostępu. Zapewnia to najwyższy poziom szyfrowania i zabezpieczeń aplikacyjnych na rynku. Obie technologie zapewniają również bardzo energooszczędną pracę.

Rdzeń komunikacyjny (network) ARM Cortex-M33 jest przeznaczony do obsługi komunikacji radiowej i jest w pełni programowalny. Jest zoptymalizowany pod kątem niskiej mocy i wydajności (238 CoreMark, 101 CoreMark/mA). Rdzeń komunikacyjny ma dołączony koprocesor kryptograficzny do wykonywania w locie operacji zgodnych z 128-bit AES/ECB/CCM/AAR.

Układ udostępnia 48 wyprowadzeń GPIO (w obudowie 7×7 mm aQFN94), cztery zegary RTC (24b), 6 timerów (32b), przetwornik ADC (12b, 200 ksps), interfejs mikrofonu cyfrowego (PDM), cztery wyjścia PWM, port I2S, cztery porty UART, trzy porty I2C oraz cztery porty SPI. Port QSPI (96 MHz) umożliwia wykonywanie kodu z dołączonej zewnętrznej pamięci Flash. Umożliwia jednoczesną (concurrent) pracę w jednej sieci z protokołem Bluetooth LE oraz w drugiej sieci typu Mesh z protokołem Bluetooth Mesh, Thread lub ZigBee.

Układ scalony nRF5340 firmy Nordic Semiconductor jest zbudowany z zastosowaniem rdzenia aplikacyjnego ARM Cortex-M33F (128/64 MHz) z pamięcią Flash do 1 MB i RAM do 512 kB oraz 8 kB 2-drożnej asocjacyjnej pamięci podręcznej. Drugi rdzeń komunikacyjny ARM Cortex-M33 (64 MHz) z pamięcią Flash do 256 kB oraz RAM 64 kB [5] (rysunek 10). Wybrane parametry układu:

  • Umożliwia transmisję w pasmie 2,4 GHz, w sieciach z protokołem Bluetooth 5.2, Bluetooth Mesh, Thread, ZigBee, IEEE 802.15.4 oraz ANT i firmowym;
  • Czułość odbiornika –97,5 dBm (1 Mbps);
  • Programowana moc wyjściowa w zakresie od –20 dBm do +3 dBm;
  • Napięcie zasilania 1,7...5,5 V;
  • Maksymalny prąd odbiornika 2,6 mA (1 Mbps);
  • Maksymalny prąd nadajnika 3,2 mA (0 dBm);
  • Prąd: w stanie głębokiego uśpienia 1,1 μA; włączony RTC podtrzymanie pamięci 64 ckB 1,8 μA;
  • Dedykowany moduł kryptograficzny ARM CryptoCell – 312 oraz TrustZone, SKU, KMU i ACL, AES 128;
  • Zapewnia bezpieczne bootowanie oraz aktualizację oprogramowania poprzez radio;
  • Może pracować z systemem operacyjnym czasu rzeczywistego Zephyr;
  • Cechy unikalne: zastosowanie jako rdzeń aplikacyjny i komunikacyjny dwóch takich samych rdzeni ARM Cortex-M33 oraz możliwość pracy do temperatury 105°C.
  • Firma udostępnia zestaw uruchomieniowy nRF5340-PDK [47].
Ryunek 10. Schemat blokowy procesora nRF5340 [5]

NXP

Firma NXP oferuje wiele układów SoC dla IoT z obsługą komunikacji bezprzewodowej ze standardem Bluetooth, ZigBee, Thread, Wi-Fi oraz w pasmie Sub 1-GHz. Bardzo ciekawą propozycją jest kompleksowa platforma przetwarzania krawędziowego i bezpieczeństwa EdgeVerse z portfolio zabezpieczeń EdgeLock i rodziną układów scalonych SE050 (i wiele innych).

Oferta firmy dramatycznie się zmieniła po przejęciu w grudniu 2019 działu „Wi-Fi and Bluetooth/BLE combo” firmy Marvell. Portfolio firmowe zwiększyło się o 263 pozycje. Firma NXP rozszerzyła swoją ofertę łączności bezprzewodowej, oferując swoim klientom pełną gamę rozwiązań łączonych Wi-Fi i Bluetooth/BLE wraz z flagowymi platformami obliczeń krawędziowych i dedykowanymi mikrokontrolerami dla IoT.

Układy KW39/38/37

Nowe układy SoC rodziny KW39/38/37 firmy NXP zostały zaprojektowane z wykorzystaniem sprzętu i oprogramowania klasy motoryzacyjnej i przemysłowej, a także solidnej komunikacji szeregowej z urządzeniami peryferyjnymi CAN-FD. Nowe urządzenia idealnie nadają się do zastosowań motoryzacyjnych, takich jak dostęp bezkluczykowy, czujniki i bezprzewodowe funkcje diagnostyczne na pokładzie. Ponadto umożliwiają zastosowania przemysłowe, takie jak sterowanie i monitorowanie budynków, ochrona przeciwpożarowa, domowa i instytucjonalna opieka zdrowotna oraz szereg innych zastosowań przemysłowych.

Układy cechują się ekstremalną czułością odbiornika (do –105 dBm), który pomaga zapewnić duży zasięg komunikacji BLE i wysoką odporność na zakłócenia. Ponadto radio obsługuje do 8 jednoczesnych bezpiecznych połączeń w dowolnej kombinacji master/slave, umożliwiając wielu autoryzowanym użytkownikom komunikację z urządzeniem. Innowacyjny bufor strumienia danych MCU umożliwia przechwytywanie danych komunikacji radiowych bez zatrzymywania procesora lub operacji DMA, pozwalając na bardzo dokładne pomiary potrzebne do detekcji kątowej. Układy różnią się drobnymi zmianami rodzaju/rozmiaru pamięci Flash i RAM oraz dodaniem obsługi CAN FD (KW38).

Układ scalony KW39 firmy NXP ma zastosowany rdzeń ARM Cortex-M+ (48 MHz), Flash 256 kB (oraz FlexNVM 256 kB), SRAM 64 kB oraz FlexRAM 8 kB [23] (rysunek 11). Wybrane parametry układu:

  • Obsługuje protokoły transmisji Bluetooth Low Energy 5.0, IEEE 802.15.4, Thread oraz ZigBee 3.0;
  • Programowana moc wyjściowa w zakresie od –30 do +5 dBm;
  • Czułość odbiornika; BLE: –95,5dBm (2 Mb/s), –105 dBm (125 kb/s); IEEE 802.15.4: –101 dBm (250 kb/s);
  • Napięcie zasilania 1,71...3,6 V;
  • Maksymalny prąd odbiornika 6,3 mA (typ.);
  • Maksymalny prąd nadajnika 5,7 mA dla 0 dBm (typ.);
  • Prąd: w stanie głębokiego uśpienia 266,6 nA;
  • Moduł kryptograficzny AES-128 z LTC, TRNG, 80b unikalny numer identyfikacyjny, 40b unikalny adres MAC;
  • Cechy unikalne:
    • Obsługa sprzętowa do 8 bezpiecznych połączeń BLE;
    • Kwalifikacja samochodowa AEC-Q100 Grade 22 i kwalifikacje przemysłowe zapewniające wyjątkową trwałość i wydajność w zastosowaniach krytycznych dla bezpieczeństwa.
Rysunek 11. Schemat blokowy układu KW39 firmy NXP [23]

Układ K32W061

Układ typu K32W061 jest przeznaczony do zasilania następnej generacji ultraniskoprądowych, wieloprotokołowych urządzeń bezprzewodowych, obsługujących protokoły ZigBee, Thread, IEEE 802.15.4 oraz Bluetooth Low Energy 5.0 oraz NFC. Układ oferuje wiele trybów niskiego poboru mocy oraz bardzo małe zużycie energii TX i RX. Ma zastosowany rdzeń ARM Cortex-M4 (12 do 48 MHz), Flash 640 kB, RAM 128 kB [22] (rysunek 12). Wybrane parametry układu:

  • Obsługuje protokoły transmisji Bluetooth Low Energy 5.9, IEEE 802.15.4, Thread oraz ZigBee 3.0;
  • Programowana moc wyjściowa w zakresie do +11 dBm;
  • Czułość odbiornika –97 dBm (BLE ), –100 dBm (IEEE 802.15.4);
  • Napięcie zasilania 1,9...3,6 V;
  • Maksymalny prąd odbiornika 4,3 mA (typ.);
  • Maksymalny prąd nadajnika 7,4 mA dla 0 dBm (typ.);
  • Prąd: w stanie głębokiego uśpienia 350 nA;
  • Moduł kryptograficzny AES-128, SHA1, SHA-256 oraz generator TRNG;
  • Cechy unikalne – możliwość automatycznego przełączania pomiędzy dwiema antenami.
Rysunek 12. Schemat blokowy układu K32W61 firmy NXP [22]

Układ 88W9098 z rdzeniem i.MX z obsługą Wi-Fi 6 oraz Bluetooth 5.1

Firma NXP oferuje układy SoC Wi-Fi oraz Bluetooth z obsługą Wi-Fi 6 (802.11.ax) oraz specyfikacjami 802.11n/ac dla bram, punktów dostępowych, aplikacji motoryzacyjnych (auto) i konsumenckich (IoT). Układy obsługują specyfikację Bluetooth 4,2, 5.0 lub 5.1 Oferowanych jest 16 układów scalonych z rdzeniami i.MX RT lub i.MX. Oprogramowanie pracuje pod systemem operacyjnym RTOS, Linux/Android lub Linux. Dobrym przykładem jest nowy układ combo 88W9098 (typu SoC), który jest pierwszym w branży rozwiązaniem Wi-Fi 6 opartym na najnowszym standardzie IEEE 802.11ax [24] (rysunek 13). Dodatkowo ma innowacyjną architekturę dwupasmowego Wi-Fi z jednoczesną obsługą transmisji w obu kanałach oraz obsługę transmisji Bluetooth/BLE 5.1. Układ zapewnia wydajność na poziomie gigabitowym, doskonałą niezawodność i zwiększone bezpieczeństwo.

Rysunek 13. Architektura układu 88W9098 firmy NXP [24]

ON Semiconductor

Układ RSL10 – najniższy prąd uśpienia i najlepszy wynik testu EEMBC ULPMark

Firma ON Semiconductor oferuje wiele układów scalonych z obsługą BLE przydatnych do IoT. Układ scalony RSL10 firmy ON Semiconductor to układ SoC oferujący najniższe w branży zużycie energii [25]. Ma zastosowany rdzeń ARM Cortex-M3 (48 MHz) z dużą pamięcią Flash 384 kB i RAM 194 kB [25] (rysunek 14).

Rysunek 14. Schemat blokowy układu RSL10 firmy ON Semiconductor [25]

Jako drugi rdzeń układ ma rdzeń LPDSP32 (DSP) przeznaczony do wykonywania złożonych obliczeń w czasie rzeczywistym. Umożliwia on realizowanie aplikacji o dużych wymaganiach obliczeniowych jak kodek audio. Wybrane parametry układu:

  • Obsługuje protokół transmisji BLE 5, IEEE 802.15.4 w pasmie 2,4 GHz;
  • Programowana moc wyjściowa w zakresie od –17 do +6 dBm;
  • Czułość odbiornika –94 dBm (BLE, 1 Mbps);
  • Napięcie zasilania 1,1...3,3 V;
  • Maksymalny prąd odbiornika 5,6 mA (1,25 V), 3,0 mA (3 V), (typ.);
  • Maksymalny prąd nadajnika 8,9 mA (1,25 V), 4,6 mA (3 V) dla 0 dBm (typ.);
  • Striming audio (BW 7 kHz): 0,9 mA RX, 0,9 mA TX;
  • Prąd: w stanie głębokiego uśpienia 50 nA (1,25 V), 25 nA (3 V);
  • Prąd: w stanie głębokiego uśpienia z podtrzymaniem 8 kB RAM 300 nA (1,25 V), 100 nA (3 V);
  • Prąd: w stanie gotowości: 30 μA;
  • Moduł kryptograficzny AES-128;
  • Cechy unikalne:
    • Najniższe w branży zużycie energii w trybie głębokiego uśpienia (62,5 nW) i odbiornika w trybie odbioru (7 mW);
    • Najlepsze w branży wyniki testu EEMBC ULPMark: 1090 (3 V), 1260 (2,1 V) ULPMark CP;
    • Bardzo niski pobór mocy aplikacji: 1,1 μA dla rozgłaszania BLE w trzech kanałach co 5 s (3 V);
  • Wersja układu NCV-RSL10 spełnia kwalifikację samochodową AEC-Q100.

Moduł RSL-10 SiP

Moduł RSL10 SiP firmy ON Semiconductor integruje w jednej obudowie SiP51 o rozmiarach 6×8×1,46 mm strukturę układu RSL10, antenę i wszystkie potrzebne elementy pasywne [25]. Moduł ma certyfikację Bluetooth 5 oraz certyfikację pracy w wielu krajach. Znacząco redukuje to czas i koszt wdrożenia urządzenia do produkcji. Znalazł zastosowanie w systemach IoT wykorzystujących zasilanie z odzyskiwaniem energii (Energy Harvesting), takich jak energia słoneczna oraz mechaniczna (np. przyciski).

Qorvo

Firma Qorvo dostarcza innowacyjne układy kontrolera bezprzewodowej transmisji danych o ultraniskim poborze mocy, które umożliwiają inteligentne aplikacje domowe i Internet Rzeczy. Układy są zoptymalizowane pod kątem pilotów, inteligentnego domu i urządzeń końcowych, z których każdy ma określone funkcje i potrzeby. Firma dostarcza też układy do obsługi Wi-Fi 6.

Układ QPG6095 – pierwszy SoC obsługujący współbieżność w czasie rzeczywistym

Układ QPG6095 firmy Qorvo to SoC do komunikacji wielokanałowej z protokołem IEEE 802.15.4 (ZigBee/Thread) oraz Bluetooth Low Energy 5.0 [26]. Zintegrowana obsługa wielu stosów i wielu protokołów umożliwia jednoczesną pracę stosów na różnych kanałach, umożliwiając innowacyjne nowe aplikacje łączące obsługę komunikacji ZigBee, Thread i Bluetooth Low Energy w jednym produkcie. Ma zastosowany rdzeń ARM Cortex-M4F (40 MHz) z pamięcią Flash do 512 kB i RAM do 64 kB [26] (rysunek 15). Wybrane parametry układu:

  • Obsługuje transmisję w pasmie 2,4 GHz z protokołem ZigBee 3.0, Thread oraz Bluetooth 5;
  • Sprzętowy moduł obsługi komunikacji standardu IEEE 802.15.4 oraz osobny moduł obsługi BLE 5;
  • Sprzętowy moduł kryptograficzny AES 128/256;
  • Programowana moc wyjściowa w zakresie do +10 dBm;
  • Czułość odbiornika –97 dBm (BLE), –100 dBM (IEEE);
  • Napięcie zasilania 1,8...3,6 V;
  • Maksymalny prąd odbiornika 4 mA (IEEE), 8,3 (BLE), (typ.);
  • Maksymalny prąd nadajnika 11,2 mA dla 0 dBm (typ.);
  • Prąd: w stanie gotowości: 1,1 μA;
  • Cechy unikalne – sprzętowe wspomaganie umożliwia jednoczesną pracę z komunikacją standardu BLE5, ZigBee i Thread w trzech sieciach z różnymi kanałami.
Rysunek 15. Schemat blokowy układu QPG6095 firmy Qorvo [26]

Qualcomm

Układy QCC514x – pierwsze SoC gotowe na standard Bluetooth 5.2 LE Audio

Seria QCC5100 firmy Qualcomm została zaprojektowana, aby pomóc producentom w opracowaniu nowej generacji kompaktowych, bogatych w funkcje bezprzewodowych słuchawek dousznych, zestawów słuchawkowych i głośników. Aby sprostać wymaganiom konsumentów dotyczącym jakości dźwięku, a także wydłużonej żywotności baterii i czasu odtwarzania w bezprzewodowych urządzeniach audio, przełomowa seria została zaprojektowana tak, aby zmniejszyć zużycie energii nawet o 65 procent w przypadku połączeń głosowych i strumieniowego przesyłania muzyki w porównaniu z poprzednią jednoukładową technologią rozwiązania audio.

Architektura SoC obsługuje bardzo niskie zużycie energii i obejmuje podwójny tryb radiowy Bluetooth 5, energooszczędny dźwięk i podsystemy aplikacji. Zaprojektowana do obsługi różnych zastosowań konsumenckich „w ruchu”, wymagających solidnych, prawdziwie bezprzewodowych doświadczeń o wysokiej jakości, platforma obsługuje takie funkcje, jak Qualcomm TrueWireless stereo, dźwięk Qualcomm aptX HD, Integrated Hybrid Active Noise Cancellation (ANC), głosowe sterowanie interfejsem użytkownika i obsługa asystenta głosowego za pośrednictwem usług w chmurze. Qualcomm wypuścił kolejny chipset audio, QCC514x, do wysokiej klasy bezprzewodowych słuchawek dousznych. Niezwykle energooszczędny układ Bluetooth Audio SoC klasy premium w pakiecie WLCSP został tak zaprojektowany, aby pomóc producentom opracować bardzo małe wkładki douszne, które są wystarczająco wygodne, aby można je było nosić przez cały dzień.

Układ scalony QCC5141 firmy Qualcomm ma zastosowane cztery rdzenie: rdzeń systemowy i rdzeń użytkownika – 2×Qualcomm Kalimba DSP (2...120 MHz) 112 kB (P) + 448 kB (D), rdzeń aplikacyjny (32/80 MHz) oraz rdzeń systemowy (32 MHz) [27] (rysunek 16). Wybrane parametry układu:

  • Obsługuje protokoły Bluetooth BR, EDR, BLE, Dual-mode, kwalifikowany dla Bluetooth 5.2;
  • Zawiera układ zarzadzania energią PMU oraz ładowania akumulatora;
  • Zawiera technologię ANC i wzmacniacz audio klasy D;
  • Przeznaczony raczej dla producentów urządzeń.
Rysunek 16. Schemat blokowy układu QCC5141 firmy Qualcomm [27]

Renesas

Układy RX23W

Układy serii RX23W firmy Renesas używają firmowego 32- bitowego rdzenia RXv2 w architekturze CISC Harvard. Rdzeń obsługuje operacje DSP (32b MAC) z dzieleniem oraz ma wbudowany 32-bitowy moduł FPU. Firma oferuje też układ RA4W1 z rdzeniem ARM Cortex-M4 o podobnych parametrach. Również bardzo ciekawa jest rodzina mikrokontrolerów RE oparta na technologii procesowej Silicon on Thin Buried Oxide (SOTB), co zapewnia bardzo niski pobór prądu zarówno w trybie aktywnym, jak i w trybie gotowości oraz wysoką prędkość działania procesora (64 MHz) przy niskim napięciu (1,62 V).

Układ R5F523W8BDBL z serii RX23W ma zastosowany firmowy rdzeń RXv2 (54 MHz) z pamięcią Flash do 512 kB i RAM 64 kB [28] (rysunek 17). Wybrane parametry układu:

  • Wydajność rdzenia 4,33 CoreMark/MHz, 88,56 DMIPS;
  • Sprzętowy moduł obsługi komunikacji standardu IEEE 802.15.4 oraz osobny moduł obsługi BLE 5;
  • Sprzętowy moduł kryptograficzny AES-CCM 128/256, CRC oraz TRNG;
  • Napięcie zasilania 1,8...3,6 V;
  • Programowana moc wyjściowa w zakresie do +6 dBm;
  • Czułość odbiornika –92 dBm (2 Mbps), –105 dBm (125 kbps);
  • Maksymalny prąd odbiornika 3,0 mA (3,3 V), (typ.);
  • Maksymalny prąd nadajnika 4,3 mA (3,3 V) dla 0 dBm (typ.);
  • Prąd: normalna praca w trybie low-speed 22,3 μA;
  • Prąd: w stanie: uśpienia 3 μA, głębokiego uśpienia 2,4 μA (ICLK=32 kHz);
  • Wbudowana ładowarka akumulatorów;
  • Moduł obsługi panela dotykowych klawiszy (do 36);
  • Wspomaganie IEC60730.
Rysunek 17. Schemat blokowy układu RX23W firmy Renesas [28]

Silicon Laboratories

W ofercie firmy Silicon Laboratories jest problem z nadmiarem możliwości wyboru. Dodatkowy problem stanowią długie nazwy produktów, gdzie jedna literka/cyferka może oznaczać znaczącą różnicę. Firma oferuje 11 rodzin układów SoC i modułów komunikacyjnych z obsługą protokołu Bluetooth 5/5.1/5.2, BLE i Bluetooth Mesh. Pracują one z rdzeniami ARM Cortex-M33 lub ARM Cortex-M4. Dodatkowo jest dużo układów z obsługą wielu protokołów (w tym Thread) oraz dwóch pasm (Sub 1-GHz).

Rodzina układów Gecko EFR32BG22

Układy SoC rodziny EFR32BG22 (BG22) firmy Silicon Laboratories są częścią platformy Wireless Gecko Series 2, która łączy najlepszą w swojej klasie bardzo niską moc nadawania i odbioru. Wysokowydajny, energooszczędny rdzeń ARM Cortex-M33 zapewnia wiodącą w branży wydajność energetyczną, która może wydłużyć żywotność baterii pastylkowej do dziesięciu lat. Docelowe aplikacje obejmują węzły Bluetooth o niskim poborze mocy, inteligentne zamki do drzwi, osobiste urządzenia medyczne i fitness. Znaczniki śledzenia zasobów, światła ostrzegawcze i nawigacja w pomieszczeniach również korzystają z funkcji wykrywania kierunku o dokładności lokalizacji poniżej jednego metra.

Układ scalony EFR32BG22C224F512IM40 firmy Silicon Laboratories ma zastosowany rdzeń ARM Cortex-M33 (76,8 MHz) z pamięcią Flash 512 kB i RAM 32 kB [29] oraz rdzeń komunikacyjny ARM Cortex-M0+ (rysunek 18). Wybrane parametry układu:

  • Wydajność rdzenia 27 μA/MHz (76,8 MHz);
  • Sprzętowy moduł kryptograficzny AES-ECC 128/256, SHA-1, SHA-2,
  • ECDSA, ECDH, CRC, RTSL, TRNG oraz ARM TrustZone;
  • Napięcie zasilania 1,71...3,8 V;
  • Programowana moc wyjściowa w zakresie do +6 dBm;
  • Czułość odbiornika –96,2 dBm (1 Mbps), –106,7 dBm (125 kbps);
  • Maksymalny prąd odbiornika 2,5 mA (typ.);
  • Maksymalny prąd nadajnika 3,4 mA dla 0 dBm (typ.);
  • Prąd w stanie: głębokiego uśpienia 1,4 μA (podtrzymanie 32 kB RAM i praca RTC);
  • Układ obsługuje transmisję w pasmie 2,4 GHz z protokołem Bluetooth 5.2 oraz Bluetooth Mesh;
  • Zwraca uwagę bardzo długa lista układów peryferyjnych;
  • Cechy unikalne – Bluetooth 5.1 Direction Finding.
Rysunek 18. Schemat blokowy układu SoC rodziny EFR32BG22 firmy Silicon Labs [29]

Moduły SiP BGM220P/BGM220S

Moduły SiP BGM220P i BGM220S Wireless Gecko firmy Silicon Labs są zbudowane z zastosowaniem układu EFR32BG22 SOC. Przy rozmiarach 6×6×1,1 mm i wbudowanej antenie (lub z gniazdkiem LEXO) stanowią kompletne rozwiązanie pozwalające na pracę układu IoT przez 10 lat z baterii CR2354 [29].

ST Microelectronics

Seria układów SoC STM32WB

Seria STM32WB firmy ST Microelectronics obsługuje Bluetooth LE 5.0, Bluetooth Mesh i IEEE 802.15.4 (ZigBee i Thread). Może obsługiwać dwa protokoły współbieżnie (Bluetooth LE i ZigBee, Bluetooth LE i OpenThread). Dzięki szerokiemu i łatwemu w użyciu systemowi seria STM32WB oferuje certyfikowane, bezpłatne stosy radiowe. Funkcje bezpieczeństwa STM32WB zapewniają niezawodność urządzenia końcowego i funkcje zapobiegające klonowaniu.
Układ scalony STM32WB55VG firmy ST Microelectronics ma zastosowany rdzeń ARM Corte-M4F (64 MHz) z pamięcią Flash do 1 MB oraz RAM do 256 kB. Drugi rdzeń ARM Cortex-M0+ (32 MHz) jest polecany do obsługi modułu radiowego [30] (rysunek 19). Wybrane parametry układu:

  • Wydajność rdzenia ARM Corte-M4F 1.25 DMIPS/MHz (Drystone 2.1), 219.48 CoreMark (3.43 CoreMark/MHz dla 64 MHz), 303 ULPMark CP score, <53 μA/MHz;
  • Układ obsługuje dwa protokoły transmisji Bluetooth Low Energy 5 oraz IEEE 802.15.4 z protokołem Thread oraz ZigBee 3.0 z możliwością ich jednoczesnej obsługi (z podziałem czasowym);
  • Programowana moc wyjściowa w zakresie do 6 dBm;
  • Czułość odbiornika –96 dBm (1 Mbps), –100 dBm (IEEE);
  • Napięcie zasilania 1,71...3,6 V;
  • Maksymalny prąd odbiornika 2,5 mA (typ.);
  • Maksymalny prąd nadajnika 3,4 mA dla 0 dBm (typ.);
  • Prąd w stanie: wyłączenia 13 μA, oczekiwania 600 nA (podtrzymanie 32 kB RAM i praca RTC);
  • Dwa akceleratory AES (AES hardware accelerator). Obsługują pracę z kluczami o długości 128 i 256 bitów z wieloma trybami pracy (ECB, CBC, CTR, GCM, GMAC, CCM) przy przetwarzaniu bloków danych 128 b i obsłudze algorytmów takich jak: RSA, Diffie-Helman, ECC over GF(p);
  • Moduł obliczeń CRC oraz generator TRNG;
  • Każdy układ ma unikalny 96-bitowy numer identyfikacyjny;
  • Układ zapewnia bezpieczne bootowanie oraz aktualizację oprogramowania poprzez radio;
  • Długa lista układów peryferyjnych;
  • Cechy unikalne:
    • Zawiera sterownik monochromatycznego pasywnego wyświetlacza LCD mającego do 4 wejść wspólnych oraz do 44 segmentów;
    • Zawiera sterownik Touch sensing controller (TSC) do obsługi panelu dotykowego w technologii pojemnościowej;
    • Niektóre wyprowadzenia układu tolerują wejściowe poziomy napięcia do 5 V przy typowym niskim napięciu zasilaniu układu scalonego.

Układ STM32WB oraz zestaw uruchomieniowy P-NUCLEO-WB55 zostały dokładnie omówione w artykule [39].

Rysunek 19. Schemat blokowy układu STM32WB55VG firmy ST Microelectronics [30]

Texas Instruments

Rodzina SimpleLink CC13xx/CC26xx

Platforma SimpleLink firmy Texas Instruments wyznacza nowy standard dla programistów, oferując najszerszą gamę przewodowych i bezprzewodowych mikrokontrolerów SoC w jednym środowisku programistycznym, które zapewnia elastyczne opcje sprzętu, oprogramowania i narzędzi dla Internetu Rzeczy i zastosowań motoryzacyjnych. Platforma bezprzewodowych mikrokontrolerów zapewnia szeroką gamę urządzeń zdolnych do jednoczesnej pracy wieloprotokołowej i koegzystencji układów, umożliwiając tworzenie złożonych systemów IoT przy użyciu jednego lub więcej chipów. Platforma obejmuje 95 układów różnych generacji, z których 23 obsługuje Bluetooth, 5 obsługuje Thread, 11 obsługuje ZigBee, 7 umożliwia pracę wieloprotokołową, 24 umożliwia pracę Sub 1-GHz oraz 28 obsługuje Wi-Fi (tabela 2). Układ scalony SimpleLink CC1352R firmy Texas Instruments jest układem trójrdzeniowym [4] (rysunek 20).

Rysunek 20. Schemat blokowy układu CC1352R firmy Texas Instruments [4]

Wybrane parametry układu:

  • Jako główny rdzeń aplikacyjny został zastosowany rdzeń ARM Cortex-M4F (48 MHz), Cache SRAM 8 kB, RAM 80 kB Flash 352 kB, ROM 256 kB. Wydajność 148 EEMBC CoreMark; 60 μA/MHz;
  • Do obsługi modułu radiowego został zastosowany rdzeń ARM Cortex-M0 (48 MHz);
  • Trzeci rdzeń pomocniczy Sensor Controller (24 MHz, 4 kB RAM) jest przeznaczony do autonomicznej obsługi układów peryferyjnych;
  • Układ może pracować w dwóch pasmach: 2,4 GHz i w pasmie poniżej 1 GHz (Sub-1 GHz);
  • Układ umożliwia transmisję z obsługą wielu protokołów: Bluetooth 5.1 Low Energy, IEEE 802.15.4g, 6LoWPAN, Thread, ZigBee, MIOTY, Wireless M-Bus, KNX RF, Wi-SUN oraz autorski protokół EasyLink;
  • Programowana moc wyjściowa w zakresie do +14 dBm 24,9 mA (Sub-1 GHz); +5 dBm 9,6 mA (2,4 GHz);
  • Czułość odbiornika –105 dBm (BLE 125 kbps), –110 dBm (IEEE 50 kbps), –121 dBm SimpleLink long-range;
  • Układ zapewnia bezpieczne bootowanie oraz aktualizację oprogramowania poprzez radio;
  • Programowana moc wyjściowa w zakresie do +5 dBm (2,4 GHz) oraz +14 dBm (Sub-1 GHz);
  • Układ zawieraa sprzętowy moduł kryptograficzny obsługujący algorytmy AES 128/256, SHA-2 (SHA-224/256/384/512), moduł obliczeń CRC, True Random
  • Number Generator, sprzętowy akcelerator ECC oraz RSA Public Key;
  • System operacyjny czasu rzeczywistego: TI-RTOS oraz FreeRTOS;
  • Układu pracuje z napięciem zasilania 1,8 V...3,8 V;
  • Maksymalny prąd odbiornika 5,8 mA 868 MHz, 6,9 mA 2,4 GHz;
  • Maksymalny prąd nadajnika 8,0 mA 868 MHz, 7,1 mA 2,4 GHz; dla 0 dBm (typ.);
  • Prąd w stanie: praca 2,9 mA 48 MHz, wyłączenia 150 nA, oczekiwania 850 nA (podtrzymanie 80 kB RAM i CPU, praca RTC);
  • Sensor Controller w stanie: praca 808 μA 24 MHz; LP 30,1 μA 24 MHz (pętla nieskończona), 1 μA próbkowanie ADC 1 Hz;
  • Bardzo duża liczba modułów peryferyjnych: 12b ADC (200 ksps, 8 ch), UART, SSI, I2C, I2S;
  • Cechy unikalne:
    • Obsługa układów peryferyjnych przez trzeci rdzeń bez konieczności budzenia rdzenia głównego;
    • Jednoczesna obsługa transmisji z zastosowaniem dwóch protokołów, np. BLE + Thread (Dynamic Multiprotocol Manager);
    • Układ scalony CC1352R ma osobne wyprowadzenia do obsługi transmisji w paśmie 2,4 GHz oraz w pasmie 868 MHz/915 MHz. Sugeruje to możliwość jednoczesnej pracy w obu pasmach.
    • 100% przenośność kodu aplikacyjnego pomiędzy układami rodziny SimpleLink.

Jest wersja układu CC1352P z dodatkowym wzmacniaczem mocy wyjściowej do +20 dBm, kompatybilnym nóżka w nóżkę z układem CC1352R.

Układ scalony SimpleLink CC2652RB firmy Texas Instruments jest pierwszym procesorem, który nie wymaga kwarcu. Układ CC2652RB zawiera wewnętrzny generator BAW (Bulk-Acoustic-Wave) wysokiej precyzji, co pozwala na rezygnację z zewnętrznego kwarcu. Cyfrowy układ PLL dostarcza stabilnego sygnału zegarowego 48 MHz. Technologia BAW została opisana w artykule „Technologia Bulk-Acoustic-Wave (BAW)” [31].

Firma udostępnia zestaw uruchomieniowy CC1352R LaunchPad oraz zestaw czujnikowy (IoT) LPSTK – CC1352R LaunchPad SensorTag z czujnikami MEMS niskiej mocy: czujnik oświetlenia otoczenia OPT3001, czujnik wilgotności względnej i temperatury HDC2080, czujnik magnetyczny DRV5032 z zastosowaniem efektu Halla, trzyosiowy czujnik ruchu (akcelerometr) ADXL362 [51].

Obsługa protokołu LoRa

Najczęściej do obsługi sieci LoRaWAN są stosowane układy radiowe firmy Semtech.

Zaczynają się pojawiać układy i moduły integrujące układy SoC z tymi modułami radiowymi.

Microchip

Moduły SiP rodziny SAM R34/R35

Moduły SAM R34/R35 firmy Microchip to wysoce zintegrowana rodzina modułów SiP, która obejmuje bardzo energooszczędny 32-bitowy mikrokontroler (MCU) o wysokiej wydajności, transceiver LoRa i stos oprogramowania. Dzięki certyfikowanym projektom referencyjnym i sprawdzonej interoperacyjności z głównymi dostawcami bramek i sieci LoRaWAN, moduły SAM R34/35 SiP znacznie skracają czas wprowadzania na rynek projektów Internetu Rzeczy (IoT). Moduły są dostępne w sześciu wariantach z różnymi opcjami pamięci/interfejsu. SAM R34 dodatkowo zawierają układ komunikacji USB. Moduł ATSAMR34J18 firmy Microchip jest zbudowany z zastosowaniem rdzenia ARM Cortex-M0+ (48 MHz) z pamięcią RAM 32 kB, RAM niskiej mocy 8 kB, Flash 256 kB [19] (rysunek 21).

Rysunek 21. Schemat blokowy modułów rodziny SAMR34 firmy Microchip [19]

Wybrane parametry układu:

  • Wydajność 2,46 CoreMark/MHz;
  • Modulacja: LoRa i FSK (obsługuje IEEE 802.15.4g i WiSUN);
  • Pasmo pracy: 137 MHz do 175 MHz, 410 MHz do 525 MHz, 862 MHz do 1020 MHz;
  • Programowana moc wyjściowa w zakresie do +20 dBm;
  • Czułość odbiornika do –136 dBm (–148 dBm w trybie fabrycznym);
  • Zasięg >15 km (poza terenem zabudowanym);
  • Napięcie zasilania 1,8...3,63 V;
  • Maksymalny prąd odbiornika 17 mA; RFO_HF 33 mA (typ.);
  • Maksymalny prąd nadajnika 32,5 mA (+13 dBm), 94,5 mA (+17 dBm) (typ.);
  • Prąd: w stanie oczekiwania 1,4 μA, uśpienia 790 nA;
  • Moduł CRC-32;
  • Obudowa BGA64 6×6 mm.

ST Microelectronic

Seria MCU STM32WL – pierwszy SoC z obsługą LoRa

STM32WL firmy ST Microelectronics jest w pełni otwarty i obsługuje multimodulację, co czyni go idealnym wyborem do rozwiązań LPWAN i IoT z wyjątkowo niskim zużyciem energii bez utraty wydajności. Układ jest zbudowany z zastosowaniem rdzenia ARM Cortex-M4 (48 MHz) z pamięcią RAM 32 kB, RAM niskiej mocy 8 kB, Flash 256 kB [32] (rysunek 22). Wybrane parametry układu:

  • Wydajność 1,25 DMIPS/MHz (Dhrystone 2.1), <72 μA/MHz (CoreMark);
  • Modulacja: LoRa i (G)FSK, (G)MSK, BPSK;
  • Pasmo pracy: 150 MHz do 960 MHz;
  • Programowana moc wyjściowa w zakresie do +22 dBm;
  • Czułość odbiornika do –123 dBm (2-FSK, 1,2 kbps), –148 dBm (LoRa 10,4 kHz);
  • Napięcie zasilania 1,8...3,6 V;
  • Maksymalny prąd odbiornika 4,82 mA;
  • Maksymalny prąd nadajnika 15 mA (+10 dBm);
  • Prąd: w stanie wyłączenia 1 nA, oczekiwania (+RTC) 360 nA, 1,4 μA, uśpienia 790 nA;
  • Sprzętowy moduł kryptograficzny AES-256, CRC oraz TRNG;
  • Cechy unikalne – do 48 wyprowadzeń I/O, większość z tolerancją 5 V.
Rysunek 22. Schemat blokowy układu firmy ST Microelectronics [32]

Obsługa protokołów LTE-M i NB-IoT

Układy scalone z obsługą mobilnej komunikacji IoT zostały omówione w poprzednim artykule [38]. Wgląd w niektóre układy SoC i SiP też został pokazany wcześniej [S27]. Od tego czasu ten obszar komunikacji bardzo się rozwija, co będzie wymagało osobnego omówienia.

Nordic Semicoductor

Moduł SiP nRF9160

Moduł nRF9160 SiP to kompaktowy, wysoce zintegrowany moduł System-in-Package (SiP), który sprawia, że najnowsza technologia LTE o niskim poborze mocy oraz zaawansowane przetwarzanie i zabezpieczenia są dostępne i łatwe w użyciu dla szerokiej gamy urządzeń mobilnego Internetu Rzeczy [33]. Zawiera procesor aplikacyjny ARM Cortex-M33 wyłącznie dla aplikacji, pełny modem LTE, interfejs RF (RFFE) i system zarządzania energią. NRF9160 to najbardziej kompaktowe, kompletne i energooszczędne rozwiązanie IoT na rynku. Zintegrowany modem obsługuje zarówno LTE-M, jak i NB-IoT i może działać globalnie, eliminując potrzebę stosowania wariantów regionalnych. Wszystkie funkcje oszczędzania energii, w tym eDRX i PSM, są obsługiwane, podobnie jak w przypadku obsługi IPv4/IPv6 do poziomu transportu i bezpieczeństwa (TCP/TLS). Oprogramowanie modemu można aktualizować za pomocą bezpiecznych, zaszyfrowanych aktualizacji oprogramowania sprzętowego Over The Air (FOTA).

Bezpieczeństwo jest na najwyższym poziomie w swojej klasie dzięki technologii ARM TrustZone do izolacji i ochrony normalnych i bezpiecznych stref oprogramowania układowego i elementów sprzętu, w tym pamięci i urządzeń peryferyjnych.

W module zintegrowany jest odbiornik GPS, który oferuje różne tryby pracy, dostosowane do szerokiego wyboru aplikacji wykorzystujących funkcję śledzenia lokalizacji.

Moduł NRF9160 SiP firmy Nordic Semicoductor jest zbudowany z zastosowaniem rdzenia ARM Cortex-M33 (64 MHz), 1 MB Falsh, 256 kB RAM [33] (rysunek 23).

Rysunek 23. Schemat blokowy modułu NRF9160 SiP firmy Nordic Semicoductor [33]

Wybrane parametry układu:

  • Wydajność rdzenia 243 EEMBC CoreMark (praca z pamięci Flash);
  • Pasmo pracy: LTE 700-2200 MHz;
  • Protokoły IoT: 3GPP LTE release 13 Cat-M1 and Cat-NB1, 3GPP LTE release 14 Cat-NB2;
  • Przepustowość LTE-M: 300/375 kbps, NB-IoT: 30/60 kbps;
  • Programowana moc wyjściowa w zakresie do +23 dBm;
  • Czułość odbiornika LTE-M: –108 dBm, NB-IoT: –114 dBm;
  • Odbiornik GPS: GPS L1 C/A;
  • Napięcie zasilania 3,3...5,5 V;
  • Pobór mocy (LTE-M, 3,7 V): PSM 3 μA, eDRX 7 μA, PSM (UL 1 KB co 12 godz.) 5,5 μA, DRX (co 2,7 min) 0,75 mA;
  • Uśpienie: rdzeń 1,8 μA, modem 2,2 μA;
  • Sprzętowy moduł kryptograficzny ARM CryptoCell 310 oraz ARM TrustZone;
  • Obsługuje karty SIM i eSIM do łączenia i uwierzytelniania z operatorami sieci komórkowych;
  • Obudowa 10×16×1 mm LGA;
  • Cechy unikalne:
    • Certyfikat do pracy na całym świecie;
    • Do 48 wyprowadzeń I/O, większość z tolerancją 5 V.

Nordic Semicoductor oferuje zestaw czujnikowy Nordic Thingy:91 [34] zawierający czujniki: temperatury, wilgotności, ciśnienia, jakości powietrza, koloru i poziomu oświetlenia i dwa czujniki ruchu. Zestaw Thingy:91 ma globalną certyfikację do pracy w sieciach komórkowych i jest idealną platformą do prototypowania systemów komunikacji mobilnego IoT z zasilaniem bateryjnym. Bardzo bogate oprogramowanie narzędziowe i aplikacyjne dla komputerów stacjonarnych i urządzeń mobilnych. Umożliwia bardzo łatwe i szybkie prototypowanie [46].

Moduły

Dostępnych jest bardzo dużo gotowych modułów z układami komunikacyjnymi dla IoT. Typowo zawierają one układ SoC obudowany elementami dyskretnymi oraz anteną. Ostatnio zaczynają się pojawiać ciekawe moduły z synergiczną pracą układów scalonych dla różnych protokołów.

Decawave (Qorvo)

Moduł DWM1001C z obsługą BLE i UWB

Moduł DWM1001C firmy Decawave łączy w sobie moduł DW1000 firmy Decawave, układ SoC nRF52832 Nordic Semiconductor i 3-osiowy akcelerometr (STM LIS2DH12TR) [17] (rysunek 24). DWM1000 to bezprzewodowy moduł nadawczo-odbiorczy zgodny ze standardem IEEE802.15.4-2011 UWB. nRF52832 obsługuje Bluetooth LE 5.2, detekcję kierunku oraz Bluetooth Mesh. Każdy moduł można skonfigurować jako sensory (anchor) RTLS lub tag, a dodatkowo może działać jako urządzenie bramy sieciowej. Umożliwia lokalizację obiektów w systemach lokalizacji w czasie rzeczywistym (RTLS) z dokładnością do 10 cm w pomieszczeniach (schematy lokalizacji ToF i TDoA), komunikację z dużą szybkością (do 6,8 Mb/s) i doskonały zasięg komunikacji do 300 m dzięki spójnym technikom odbiornika. Przy napięcie zasilania 2,8 do 3,6 V moduł pobiera bardzo mało mocy: tryb głębokiego uśpienia 4 μA.

Rysunek 24. Moduł DWM 1001C firmy Decawave [17]

Podsumowanie

Przegląd portali producentów układów scalonych przydatnych dla IoT pokazuje często występujący problem z umiejscowieniem tych produktów w palecie wyrobów. Nie można ich znaleźć w kategorii układy bezprzewodowe i radiowe ani mikrokontrolery.

Znaczącym trendem jest rosnące zapotrzebowanie na bardziej zintegrowaną ofertę. Pięć lat temu (i wcześniej) producenci prawie całkowicie koncentrowali się na budowie układów scalonych jako elementów większych systemów. Dzisiaj firmy technologiczne oczekują, że producenci chipów zapewnią nie tylko podstawowe rozwiązanie sprzętowe, ale także w pełni zintegrowane systemy oprogramowania i funkcje analizy biznesowej towarzyszące temu sprzętowi.

Kluczowym czynnikiem umożliwiającym IoT, inteligentne miasta i przetwarzanie krawędziowe będzie dostępność gotowych do wdrożenia płyt i rozwiązań. Dla rozwoju Internetu Rzeczy bardzo ważna jest dostępność kompletnych modułów IoT z komunikacją radiową.

W lipcu 2020 Analog Devices ogłosił połączenie z Maxim Integrated. Właśnie (14.09.2020) Nvidia zapowiedziała, że w ciągu 18 miesięcy kupi brytyjską firmę ARM od japońskiego konglomeratu technologicznego SoftBank. Jeśli transakcja zostanie zamknięt,a to przekształci Nvidię w jednego z najbardziej dominujących graczy na rynku chipów używanych w smartfonach. Umowa umocniłaby także pozycję firmy z Santa Clara w Kalifornii w innych obszarach przemysłu technologicznego, w tym w Internecie Rzeczy. Wygląda na to, że czekają nas duże zmiany na rynku procesorów dla IoT.

Henryk A. Kowalski
Instytut Informatyki
Politechnika Warszawska

Literatura:
[1] More than Microchips — How the Semiconductor Industry Keeps Evolving, Utpal Bankshi, DEC 27, 2019, ElectronicDesign, https://bit.ly/33XXXVi
[2] Connecting the Future: Three Wireless Trends on the 2020 Horizon, Daniel Cooley, DEC 27, 2019, ElectronicDesign, https://bit.ly/2T0k7Qo
[3] IoT Trends Report 2020, Farnell Global IoT Survey, September–December 2019, Farnell, https://bit.ly/379YkOQ
[4] CC1352R, SimpleLink 32-bit ARM Cortex-M4F multiprotocol Sub 1 GHz & 2.4 GHz wireless MCU with 352kB Flash, Texas Instrumets, https://bit.ly/3dqCYOc
[5] nRF5340, System on Chip, Product Page, Nordic Semiconductor, http://bit.ly/2v3VMAI
[6] AS_NRF51822P, FleX BLE Bluetooth Low Energy with ARM Cortex-M0+, American Semiconductor, http://bit.ly/2VkyEFA
[7] ARM Eases Upfront Licensing Fees to Head Off RISC-V, James Morra, JUL 18, 2019, ElectronicDesign, https://bit.ly/2Fw7Joh
[8] ARM Signs Agreement Giving DARPA Access to Chip Technology, James Morra, AUG 24, 2020, ElectronicDesign, https://bit.ly/33YF7NN
[9] DesignWare ARC EM Processor Family, Synopsys, https://bit.ly/2Fwx1mn
[10] EM9304 optimized Bluetooth 5.0 Low Energy Companion or SoC, EM Microelectronic, https://bit.ly/3j2g9l8
[11] GD32 RISC-V Microcontrollers, GigaDevice Semiconductor, https://bit.ly/3kdyCwc
[12] BLE & Bluetooth, https://bit.ly/3drZeqZ
[13] 32-bit ARM® Cortex®-M4 Cortex-M0+ PSoC® 6, Cypress, https://bit.ly/31b6NgF
[14] CYW20819, Cypress, https://bit.ly/2H8zt2E
[15] SmartBond TINY DA14531, Dialog Semiconductor, https://bit.ly/3k1ejCr
[16] SmartBond DA1469x Product Family, Dialog Semiconductor, https://bit.ly/340mKbl
[17] DWM1001C Module, Decawave, https://bit.ly/3dwmzYk
[18] Darwin Ultra-Low-Power Microcontrollers, Maxim Integrated, https://bit.ly/31c9Jtv
[19] Microchip, https://bit.ly/340mQzJ
[20] Nordic Semiconductor, https://bit.ly/340ELXe
[21] Bluetooth 5.2/Bluetooth LE SiP module designed for OEMs of ultra-compact wearables and medical devices, 09Jul 2020, Nordic Semiconductor, https://bit.ly/2SZ09FX
[22] K32W061/41: High Performance, Secure and Ultra-Low-Power MCU for ZigBee,Thread, and Bluetooth® LE 5.0 with Built-in NFC option, NXP, https://bit.ly/2H4MCtF
[23] KW39/38/37: 32-bit Bluetooth 5.0 Long-Range MCUs with CAN FD and LIN Bus Options, ARM® Cortex®-M0+ Core, NXP, https://bit.ly/33YG3Sj
[24] 88W9098: 2.4/5 GHz Dual-Band 2x2 Wi-Fi 6 (802.11ax) + Bluetooth 5.1, NXP, https://bit.ly/2GSF2CU
[25] RSL10: Radio SoC, Bluetooth® 5 Certified, SDK 3.4, https://bit.ly/3m1yNLZ
[26] QPG6095, ZigBee®/Thread/Bluetooth® Low Energy Smart Home Communications Controller, Qorvo, http://bit.ly/2GfMaon
[27] QCC5141, Qualcomm, https://bit.ly/3150BH9
[28] RX23W, 32-bit microcontrollers with Bluetooth 5 for IoT endpoint devices, system control and wireless communication achieved on a single chip, https://bit.ly/3nSnXcB
[29] EFR32BG22C224F512IM40, Bluetooth Low Energy EFR32BG22 SoCs (Series 2), Laboratories, https://bit.ly/34Z7RWe
[30] STM32WB55VG, ST Microelectronics, https://bit.ly/37a4XAy
[31] Technologia Bulk-Acoustic-Wave (BAW), EP 7/2019
[32] STM32WLE5JC, ST Microelectronics, https://bit.ly/340nFIP
[33] nRF9160 System-in-Package, Low power SiP with integrated LTE-M/NB-IoT modem and GPS, Nordic Semiconductor, http://bit.ly/2WD2N4o
[34] Nordic Thingy:91, Cellular IoT Prototyping platform, Product Page, Nordic Semiconductor, http://bit.ly/2MVC14V
[35] Mikrokontrolery do zadań specjalnych, Piotr Zbysiński, EP 10/2019, https://bit.ly/3j0nwcN
[36] RISC-V – budujemy własny mikrokontroler, Rafał Kozik, EP 9/2019, https://bit.ly/3nT7sgB
[37] FE310 Freedom Everywhere, SiFive, https://bit.ly/340GfRi
[38] Układy scalone z obsługą mobilnej komunikacji IoT, EP 1/2019, https://bit.ly/2SWbh6r
[39] Układ scalony STM32WB55, 3/2019
[40] Dokładna lokalizacja w pomieszczeniach w standardzie Bluetooth v5.1, EP 4/2019, https://bit.ly/3j2NgVI
[41] Układy scalone z obsługą protokołu Thread, EP 5/2019, https://bit.ly/3lSIlc3
[42] Wgląd w układy SoC (System on Chip), moduły SiP (System in Package) oraz elastyczne układy SoP (Silicon-on-Polymer), EP 6/2019, https://bit.ly/3duZB3W
[43] Układy scalone z obsługą Bluetooth 5, Henryk A. Kowalski, EP 5/2018, https://bit.ly/2GSIs8I
[44] Zestaw uruchomieniowy nRF52840 DK, EP 9/2019
[45] Praca z jednoczesną komunikacją radiową BLE 5 oraz IEEE 802.15.4, EP 10/2019
[46] Nordic Thingy:91 – platforma prototypowania dla mobilnego IoT, EP 11/2019
[47] nRF5340 – pierwszy procesor komunikacyjny SOC z dwoma rdzeniami ARM Cortex-M33, EP 2/2020
[48] Wtyczka nRF52840 Dongle, EP 2/2019, https://bit.ly/3k1gPZ3
[49] Zestaw Nordic Thingy:52 IoT Sensor Kit, EP 12/2018, https://bit.ly/2T9KRyl
[50] Pozyskiwanie energii z fal radiowych, EP 10/2020
[51] Zestaw czujnikowy LPSTK - CC1352R LaunchPad SensorTag, EP 1/2020

Artykuł ukazał się w
Elektronika Praktyczna
listopad 2020
DO POBRANIA
Pobierz PDF Download icon
Elektronika Praktyczna Plus lipiec - grudzień 2012

Elektronika Praktyczna Plus

Monograficzne wydania specjalne

Elektronik listopad 2025

Elektronik

Magazyn elektroniki profesjonalnej

Raspberry Pi 2015

Raspberry Pi

Wykorzystaj wszystkie możliwości wyjątkowego minikomputera

Świat Radio listopad - grudzień 2025

Świat Radio

Magazyn krótkofalowców i amatorów CB

Automatyka, Podzespoły, Aplikacje listopad - grudzień 2025

Automatyka, Podzespoły, Aplikacje

Technika i rynek systemów automatyki

Elektronika Praktyczna listopad 2025

Elektronika Praktyczna

Międzynarodowy magazyn elektroników konstruktorów

Elektronika dla Wszystkich grudzień 2025

Elektronika dla Wszystkich

Interesująca elektronika dla pasjonatów