Ładowanie bezprzewodowe

Ładowanie bezprzewodowe
Pobierz PDF Download icon

Bezprzewodowa transmisja energii WPT (Wireless Power Transfer), została zapoczątkowana ponad sto lat temu pracami Nicoli Tesli. Za sprawą smartfonów i coraz wymyślniejszej elektroniki przenośnej, znalazła komercyjne zastosowanie. Po fali zachwytu, temat nieco przycichł, ale nie znaczy to, że na rynku układów ładowania bezprzewodowego nic się nie dzieje. Prezentujemy podstawowe rozwiązania układów ładowania bezprzewodowego oraz zestawy uruchomieniowe ułatwiające ich wdrożenie.

Głównym powodem stosowania technologii WPT jest uniknięcie ograniczeń, jakie stawia klasyczny przewodowy standard zasilania lub ładowania. Urządzenia przenośne, takie jak inteligentne zegarki, słuchawki bezprzewodowe, smartfony, tablety, laptopy do wymiany danych, korzystają z technologii radiowych. Jedyna funkcja która wymaga połączenia przewodowego, to okresowe ładowanie wbudowanych akumulatorów. Dążenie do redukcji okablowania, doprowadziło do rozwoju ładowania wykorzystującego bezprzewodową transmisję energii. Nie bez znaczenia jest też wygoda użytkowania oraz łatwiejsza hermetyzacja urządzenia, zwiększająca odporność na kurz, pył i wilgoć.

Budowa WPT

Z praktycznego punktu widzenia, do bezprzewodowego transferu energii stosowana jest metoda wykorzystująca sprzężone cewki indukcyjne. Ideę układu WPT pokazano na rysunku 1.

Rysunek 1. Idea działania WPT (za notą TDK) 

Każdy układ WPT składa się z trzech elementów:

  1. Nadajnik (TX pad) – przetwarzający energię z typowego przewodowego zasilacza DC, na energię pola elektromagnetycznego w.cz. generowanego przez cewkę nadawczą (TX coil). Częstotliwość pracy układu zależy od konkretnego rozwiązania i mieści się w granicach kilkunastu kHz do kilku MHz.
  2. Sprzężone magnetycznie cewki nadawcza (TX coil) i odbiorcza (RX coil) – pomiędzy którymi, dzięki sprzężeniu magnetycznemu, następuje transfer energii z nadajnika do odbiornika. W zależności od założonego sposobu sprzężenia cewek, wyróżnia się dwa sposoby przekazu: pierwszy, czyli indukcyjny (MI Magnetic Induction), bazujący na silnym sprzężeniu cewek Rx/Tx; drugi, czyli bazujący na słabym sprzęgnięciu i wykorzystaniu rezonansu magnetycznego (MR Magnetic Resonance).
  3. Układ odbiornika (RX pad), odpowiadający za przetworzenie energii w.cz. „odebranej” z cewki (RX coil) na prąd stały, zasilający urządzenie, lub na prąd zasilający obwody ładowarki wbudowanego ogniwa.

Opcjonalnie, zależnie od standardu, transfer energii uzupełniony jest o pomocniczy kanał komunikacyjny, przekazujący dane pomiędzy odbiornikiem i nadajnikiem, celem optymalizacji przekazu mocy oraz zwiększenia odporności układu na nieprawidłowe użytkowanie.

Standardy WPT

Aktualnie na rynku możemy wyróżnić trzy rozwiązania WPT:

  • Układy WPT nie podlegające standardom. Zawierają proste rozwiązania dyskretne lub autorskie rozwiązania producentów układów scalonych. Najczęściej są to układy przeznaczone tylko do transferu energii, nie posiadające dodatkowego kanału komunikacyjnego. Optymalizacja przesyłanej mocy, polega na ewentualnym automatycznym strojeniu układu odbiorczego na maksimum „odbieranego” sygnału. Zaletą układów jest prostota konstrukcji i brak nakładów związanych z oprogramowaniem, gdyż stanowią gotowe rozwiązanie funkcjonalne, dostępne „prosto z półki”. Często stosowane przy transferach niewielkich mocy (do kilku watów), w aplikacjach w których istotny jest koszt rozwiązania.
  • Standard Qi opracowany przez Wireless Power Consortium. Oprócz przesyłu energii, realizowana jest standaryzowana transmisja danych pomiędzy nadajnikiem, a odbiornikiem. Transmisja danych odbywa się z wykorzystaniem kanału przekazującego energię. Układ WPT, zgodny z Qi, jest bardziej złożony. Zwykle wykorzystywane są SoC, oparte o jeden z popularnych rdzeni (np. ARM) oraz wbudowany w strukturę układ peryferyjny, odpowiadający za sterowanie pracą cewki nadawczej lub odbiorczej. Podnosi to koszty rozwiązania, ale zwiększa funkcjonalność układu o bezpieczny transfer mocy do 15 W, przy częstotliwości z zakresu 80…300 kHz. Komunikacja pomiędzy nadajnikiem, a odbiornikiem służy nie tylko regulacji ilości przesyłanej mocy, ale umożliwia detekcję obiektów obcych, mogących zakłócić ładowanie lub stanowić zagrożenie dla użytkownika (np. przez poparzenie rozgrzanym metalowym obiektem umieszczonym w polu cewki nadawczej). Konsorcjum WPC stale rozwija rozwiązania ładowania bezprzewodowego w zakresie zwiększenia mocy. W standardzie Medium Power przeznaczonym dla elektronarzędzi, dronów, rowerów elektrycznych, zakładany jest maksymalny transfer do 200 W. W układach bezprzewodowego zasilania drobnego AGD Ki Cordless Kitchen Standard, założono docelowy maksymalny transfer do 2,2 kW.
  • Standard AirFuel wspierany przez organizację AirFuel. Mniej popularny, powstały z połączenia Power Matters Aliance (PMA) i Alliance for Wireless Power (A4WP, czyli Rezence), aby skuteczniej konkurować z WPC. Standard może wykorzystywać do transferu zarówno rezonans magnetyczny MR jak i transfer w oparciu o fale radiowe RF. W założeniu ma być mniej restrykcyjny, w porównaniu z Qi, jeżeli chodzi o zasięg transferu (do 50 mm dla MR i 4,5 m dla RF), wzajemne położenie cewek nadawczej i odbiorczej oraz mieć możliwość jednoczesnego ładowania kilku urządzeń. Zakres wykorzystywanych częstotliwości przy metodzie indukcyjnej to ok. 270 kHz…360 kHz (PMA), przy metodzie rezonansowej 6,78 MHz (Rezence).

Warto wspomnieć też o najnowszym standardzie NFC Wireless Charging, przeznaczonym dla niewielkich urządzeń IoT, który został ogłoszony w maju 2020 r. Uzupełnia on urządzenia korzystające z łączności NFC, o możliwość bezprzewodowego ładowania z mocą od 250 mW do 1 W.

Zestawy uruchomieniowe

Pierwsza w kolejności grupa układów i zestawów uruchomieniowych, bez określonego standardu wymiany danych, doskonale reprezentowana jest przez rozwiązania firmy Analog Devices. W tabeli 1 pokazano aktualnie produkowane układy ładowarek bezprzewodowych.

Niektóre z nich, w zastosowaniach praktycznych, były już prezentowane w EP.

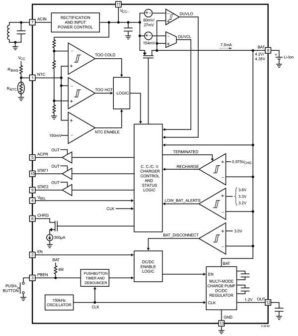
Najprostszy z rodziny LTC4126-10 jest kompletnym układem zasilania dla urządzeń IoT lub urządzeń audio, takich jak aparaty słuchowe, słuchawki bezprzewodowe itp. Strukturę wewnętrzną układu pokazano na rysunku 2. Układ integruje ładowarkę bezprzewodową LiIon o ustalonym prądzie ładowania 10 mA i wybieranym sprzętowo napięciu akumulatora 4,1 lub 4,2 V. Ładowanie może być nadzorowane termistorem NTC, a akumulator zabezpieczony jest przed nadmiernym rozładowaniem wbudowanym układem odcinającym. Przed przeładowaniem akumulatora zabezpiecza układ timera, z ustalonym na 180 minut czasem ładowania. Napięcie z akumulatora obniżane jest w pompie ładunkowej do wartości 1,2 V, przy maksymalnym obciążeniu 60 mA. Pompa posiada wbudowane kondensatory, co znacząco zmniejsza zajmowaną przez elementy powierzchnię.

Rysunek 2. Struktura wewnętrzna LTC4126-10 (za notą Analog Devices)

LTC4126 jest bliźniaczą wersją LCT4126-10, ze zmniejszonym do 7,5 mA prądem ładowania i możliwością współpracy z akumulatorem LiIon o napięciu 4,2 V lub 4,35 V. Zwiększony został do 360 minut maksymalny czas ładowania. Dla układu LTC4126 dostępne są zestawy uruchomieniowe EVAL-DC2663A-KIT, zawierające płytkę odbiornika DC2662A, nadajnika DC2661A oraz dwa moduły aplikacyjne DC2687A. Wygląd zestawu pokazano na fotografii 1.

Fotografia 1. Wygląd zestawu uruchomieniowego DC2663A z LTC4126 (z mat. Analog Devices)

Jeżeli wymagany jest przesył większej mocy (do 5 W) proponowany jest tandem nadajnika LTC4125 i odbiornika LTC4120 (fotografia 2), wraz z dostępnymi zestawami uruchomieniowymi DC2386A-A/B.

Fotografia 2. Płytka nadajnika LTC4125 (lewa) i odbiornika LTC4120 zestawu DC2386A-B (z materiałów Analog Devices)

Najpopularniejszy standard ładowania bezprzewodowego Qi, wspierany jest przez wielu uznanych producentów, którzy oferują zarówno same układy scalone kontrolerów, jak i gotowe zestawy uruchomieniowe. Przykładem zestawu zgodnego z Qi WPC1.2.4 jest oferowany przez ST nadajnik STEVAL-ISB047V1, którego wygląd pokazuje fotografia 3.

Fotografia 3. Zestaw STEVAL-ISB047V1 (z materiałów ST)

Zestaw zbudowany jest na specjalizowanym cyfrowym kontrolerze STWBCMC (obudowa VFQFPN32 5×5 mm), z wbudowaną pamięcią 32 kB FLASH i 1 kB EEPROM. Układ zoptymalizowany jest do obsługi układów wielocewkowych. Oprogramowanie kontrolera, dostępne w postaci plików binarnych (STSWISB047FW, aktualnie w wersji 1.76.0), umożliwia detekcję obiektów obcych FOD, wspiera profil podstawowy do 5 W (Baseline) i rozszerzony do 15 W (EPP) WPT. Komunikacja i parametryzacja kontrolera może odbywać się poprzez interfejs szeregowy. Schemat blokowy kontrolera pokazuje rysunek 3.

Rysunek 3. Budowa kontrolera STWBC-MC (z materiałów ST)

Nadajnik STEVAL-ISB047V1, oprócz kontrolera STWBCMC, zawiera układ STUSB4500, pełniący funkcję kontrolera zasilania USBC PD oraz układy driverów cewek nadawczych. Schemat blokowy zestawu pokazuje rysunek 4. Uzupełnieniem nadajnika mogą być odbiorniki zgodne z Qi, np. STEVAL-ISB68WA, z możliwością odbioru do 2,5 W lub STEVALISB68RX do 5 W (BPP). Oba zestawy wykorzystują kontroler Qi STWLC68.

Rysunek 4. Schemat blokowy STEVAL-ISB047V1

W ofercie Infineonu także dostępne jest rozwiązanie WPT. Bazuje na kontrolerze CortexM0 typu XMC6521SC zaimplementowanym w zestawie uruchomieniowym REF_10WTX_QI_4102, którego wygląd pokazano na fotografii 4. Zestaw jest zgodny z WPC Qi 1.2.4 i profilem EPP. Układ zasilany jest napięciem stałym 9…12 V lub z zasilacza zgodnego z QC 3.0 i jest w stanie dostarczyć do 15 W.

Fotografia 4. Zestaw REF_10WTX_QI_4102 (z materiałów Infineon)

Ciekawą propozycją są układy P9382A firmy Renesas (IDT), zdolne do dwukierunkowej (TRx) transmisji energii. W trybie nadajnika układ jest w stanie dostarczyć do 6 W, a w trybie odbiornika odebrać 20 W mocy. P9382A jest implementacją rdzenia CortexM0 i specjalizowanych peryferiów. Struktura zamykana jest w obudowie DSBGA53 o rozmiarach 4×2,8 mm. Wbudowana pamięć nieulotna pozwala na wielokrotną konfigurację. Układ jest zgodny z WPC1.2.4. Typową aplikację pokazuje rysunek 5.

Rysunek 5. Aplikacja P9382A (z materiałów Renesas/IDT)

Dla aplikacji motoryzacyjnych warto zapoznać się z układami P9260/P9261, zgodnymi z WPC1.2.4 i posiadającymi kwalifikację AECQ100. P9260 przeznaczony jest do aplikacji z jedną cewką nadawczą, natomiast P9261 do aplikacji wielocewkowych. Przykładową aplikację pokazano na rysunku 6. Dla układu dostępny jest zestaw uruchomieniowy P92613CCRB, którego wygląd pokazano na fotografii 5.

Rysunek 6. Przykładowa aplikacja P9261 (z materiałów Renesas/IDT)
Fotografia 5. Zestaw P9261-3C-CRB (z materiałów Renesas/IDT)

Interesującą propozycją, także posiadającą kwalifikację AECQ100, jest zestaw proponowany przez firmę Rohm, integrujący ładowarkę zgodną z Qi (15 W EPP) oraz czytnik NFC. Wygląd zestawu pokazano na fotografii 6. Zestaw zawiera specjalizowany kontroler WPC BD57121MUFM, czytnik NFC ST25R3914 (ST) oraz mikrokontroler z serii STM8A (ST). Wielocewkowy układ nadawczy zapewnia większą elastyczność położenia telefonu, co w pojeździe ma istotne znaczenie, i umożliwia efektywne ładowanie telefonów o zróżnicowanych kształtach oraz położeniach cewek odbiorczych. Komunikacja NFC może zapewnić uwierzytelnienie użytkownika, personalizację ustawień pojazdu i współpracę z systemem rozrywki pokładowej, czy nawigacją GPS.

Fotografia 6. Zestaw QPC+NFC Rohm (z materiałów Renesas/IDT)

Oferta kontrolerów i zestawów dla standardu AirFuel jest zdecydowanie skromniejsza.

Standard AirFuel oferuje także technologię bazująca na sprzężeniu rezonansowym (Rezence), która z inżynierskiego punktu widzenia zawiera znacznie ciekawsze rozwiązania i jest trudniejsza w implementacji od Qi lub PMA. Cechą charakterystyczną układów jest wyższa częstotliwość pracy – 6,78 MHz. Podniesienie częstotliwości obniża koszty wykonania cewek, ponieważ mogą być wykonane, podobnie jak dla RFID, bezpośrednio na płytce drukowanej lub w postaci cewki powietrznej. W przypadku Qi i częstotliwości rzędu 400 kHz, cewki wykonywane są na rdzeniach ferrytowych, nawijane licą w.cz., skutkiem czego są najkosztowniejszym elementem układu ładowania bezprzewodowego, utrudniającym jego rozpowszechnienie. Przykładowo cewki Wurth Elektronik do aplikacji Qi 5 W, to przy zakupie jednostkowym koszt kilkunastu USD. Podobnie jak w Qi nadajnik i odbiornik komunikują się między sobą, ale jako kanał komunikacyjny wykorzystywany jest Bluetooth Smart.

Najważniejszą zaletą rozwiązania AirFuel (Rezence) w porównaniu z Qi, jest mniejsza czułość na wzajemne położenie cewek nadajnika i odbiornika. Dopuszczalna odległość między nimi jest większa. Jest też możliwość jednoczesnego ładowania kilku odbiorników, nawet o różnej pobieranej mocy. Największa wadą jest niższa sprawność procesu przekazywania energii, realnie to poniżej 50%. Znaczna jest też komplikacja układu i nakład pracy konieczny do oprogramowania aplikacji. Poza tym istnieją duże wymogi dla zastosowanych w obwodach mocy półprzewodników, pracujących z napięciami rzędu kilkudziesięciu wolt i wysokimi częstotliwościami. W obwodach mocy implementowane są nowoczesne tranzystory FET, wykonane w technologii azotku galu eGaN. Szeroki wybór zestawów jak i półprzewodników dla standardu Airfuel ma w swojej ofercie firma EPC (Efficient Power Conversion).

Fotografia 7. Zestaw EPC9129

Zestaw EPC9129 (fotografia 7) składa się z płytki wzmacniacza EPC9512 o mocy do 33 W, cewki nadawczej (Cat4), odbiornika EPC9513 (Cat3) – dostarczającego 5 V/5 W dla aplikacji mniejszej mocy (np. smartfony), IoT oraz odbiornika EPC9514 (Cat 5), dostarczającego 19 V/27 W dla aplikacji średniej mocy, takich jak bezprzewodowe ładowanie laptopów.

Zestaw EPC9129 nie zawiera elementów komunikacyjnych Bluetooth odpowiedzialnych za „zamknięcie” pętli regulacyjnej. Nie jest to typowe rozwiązanie „podłącz i zapomnij”, cechuje je pewna niesamodzielność, przeciwnie do większości zestawów Qi. Niebagatelny jest też koszt zestawu wynoszący ok. 1000 USD, który nie uwzględnia układu komunikacji i sterowania. Być może jest to przyczyna wolniejszego upowszechniania się rozwiązań Airfuel (MR).

Fotografia 8. Zestaw EPC9121, płytka wzmacniacza i anteny (za notą EPC)

Ciekawostką wśród zestawów jest EPC9121, pracujący we wszystkich standardach Qi/PMA, dostarczając do 5 W i AirFuel (MR) do 10 W. Zestaw składa się ze wzmacniacza EPC9511 i płytki anteny (fotografia 8), wspierającej wszystkie trzy standardy, oraz dwóch płytek odbiorników (fotografia 9). Zwracam uwagę, że zestaw EPC9121, podobnie jak EPC9129, nie zawiera układów transmisyjnych, kontrolnych i zabezpieczających, wymaga więc sporo pracy inżynierskiej przed uruchomieniem w docelowej aplikacji. Koszt zestawu to ok. 900 $.

Fotografia 9. Zestaw EPC9121, płytki odbiorników AirFuel/QiPMA (za notą EPC)

Podsumowanie

Tak w dużym skrócie wygląda sytuacja na rynku zestawów rozwiązań dla bezprzewodowej transmisji energii. Dominującą rolę, za sprawą smartfonów, przyjął standard Qi, którego rozpowszechnienie wmusiło połączenie sił PMA/Rezence. Czy uwzględniając spore koszta wdrożeń, przyniesie to większy zakres zastosowań – czas pokaże. Ciekawa może być propozycja NFC Wireless Charging, szczególnie że liczba niewielkich urządzeń IoT stale się powiększa.

Adam Tatuś
adam.tatus@ep.com.pl

Artykuł ukazał się w
Elektronika Praktyczna
sierpień 2020
DO POBRANIA
Pobierz PDF Download icon
Elektronika Praktyczna Plus lipiec - grudzień 2012

Elektronika Praktyczna Plus

Monograficzne wydania specjalne

Elektronik listopad 2025

Elektronik

Magazyn elektroniki profesjonalnej

Raspberry Pi 2015

Raspberry Pi

Wykorzystaj wszystkie możliwości wyjątkowego minikomputera

Świat Radio listopad - grudzień 2025

Świat Radio

Magazyn krótkofalowców i amatorów CB

Automatyka, Podzespoły, Aplikacje listopad - grudzień 2025

Automatyka, Podzespoły, Aplikacje

Technika i rynek systemów automatyki

Elektronika Praktyczna listopad 2025

Elektronika Praktyczna

Międzynarodowy magazyn elektroników konstruktorów

Elektronika dla Wszystkich grudzień 2025

Elektronika dla Wszystkich

Interesująca elektronika dla pasjonatów