Ekran smartfona jako interfejs mobilny do amplitunera, czyli aplikacja mobilna poprzez UART w praktyce

Ekran smartfona jako interfejs mobilny do amplitunera, czyli aplikacja mobilna poprzez UART w praktyce
Pobierz PDF Download icon

W zeszłym roku, w kilku wydaniach Elektroniki Praktycznej (EP4...7/20) ukazał się cykl artykułów na temat tworzenia aplikacji działającej na dowolnym smartfonie z użyciem języka JSON. Na smartfonie trzeba tylko zainstalować aplikację BBMobile, a cały design i funkcjonalność aplikacji realizowane są przez moduł sprzętowy.

Aplikacja BBmobile odbiera przez Bluetooth kod napisany w języku JSON i tworzy na ekranie smartfona interfejs użytkownika, a następnie cały czas odczytuje wszelkie polecenia z ekranu smartfona i przekazuje je zwrotnie do modułu BBMagic.

Moduł, w tym zastosowaniu potrzebny w wersji BBMobile, odbiera i nadaje dane poprzez łącze Bluetooth i przesyła je przez interfejs UART. Właściwy program trzeba napisać i zaimplementować w mikrokontrolerze (np. ARM) na własnej płytce drukowanej lub w dowolnym gotowym module (np. Arduino). Do komunikacji potrzebne są tylko dwa sygnały: TxD i RxD.

Komunikacja

Wyjście interfejsu UART naszego procesora oznaczone TxD należy podłączyć do wyprowadzenia nr. 19 modułu, a wejście RxD naszego procesora do wyprowadzenia nr 18 modułu. Na wyprowadzeniu 15. (oraz jego negacja na wyprowadzeniu 14.) modułu BBMagic pojawia się stan zera logicznego, gdy moduł jest sparowany ze smartfonem.

Rysunek 1. Sposób podłączenia Modułu BBMagic w wersji (z oprogramowaniem) BBMobile

Napięcie zasilania z zakresu 1,8...3,3 V można podłączyć do wyprowadzeń 7 i/lub 21 modułu, a masę do wyprowadzeń 1 i 20 i dodatkowo (nie jest to konieczne) 22. Po włączeniu zasilania moduł ustawia prędkość transmisji na 9600 bodów bez sprawdzania parzystości.

Zestaw poprawnych poleceń rozpoznawanych przez moduł zależy do tego czy jest w stanie połączenia BLE (Bluetooth) czy nie. Przed połączeniem BLE obecność modułu można sprawdzić wysyłając komendę <hello zakończoną parą znaków \r\n. Wszystkie komendy kończymy w ten sposób (hexadecymalnie 0x0D, 0x0A). W odpowiedzi moduł powinien wysłać odpowiedź >HI zakończoną tak, jak komendy. Podstawowe informacje o tym module były podane, we wspomnianych na wstępie, wydaniach EP. Jednak moim zdaniem zabrakło opisu kilku ciekawych poleceń. Mam na myśli plecenia do tworzenia tak zwanych kontrolek – EditText, Spinner oraz ProgBar.

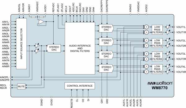
Rysunek 2. Wewnętrzny schemat blokowy układu WM8770

Sprzęt

Moduł BBMagic umieściłem w amplitunerze systemu 5.1 – AMPT-008 własnej konstrukcji. Sam amplituner został opisany w cyklu artykułów pt. „Amplituner kina domowego AMPL-008” w EP5, EP6 i EP9 w 2013 roku. Amplituner ten jest wyposażony w procesor ARM typu LPC2387 oraz kodek typu WM8770 firmy Wolfson. Układ ten zawiera 1 przetwornik ADC STEREO (2 wejścia analogowe) oraz 4 przetworniki DAC STEREO (8 wyjść analogowych). Wejścia układu przełączane są za pomocą wbudowanego multipleksera analogowego – 8 wejść STEREO na 1 wyjście STEREO, które doprowadzone jest do układu PGA (regulacja wzmocnienia) i dalej na wejście przetwornika ADC.

W moim amplitunerze umieściłem również cyfrowy dekoder Dolby Digital/DTS typu STA310 firmy STMicroelectronic. Układ jest wyposażony w wejście SPDIF i potrafi dekodować strumień danych w formacie PCM, Dolby Digital, DTS, MPEG i innych. Zawiera również procesor DSP, który może z 2 kanałów wejściowych (L, R) wygenerować 6 kanałów wyjściowych w formacie 5.1 (L, R, C, Sub, Ls, Rs). Procesor DSP może pracować w trybie Dolby Pro Logic lub Circle Surroud.

Amplituner ma 5 wejść cyfrowych SPDIF (multiplekser cyfrowy doprowadza je na wejście układu STA310) i 4 wejścia analogowe STEREO (trzy z tyłu i jedno z przodu obudowy). Wyposażony jest w końcówki mocy typu D-Class. Dla kanałów głównych L i R zastosowałem układ typu TAS615, a dla kanałów C, Sub oraz Ls, Rs dwa układy typu TPA3123D2 produkcji firmy Texas Instruments. Jak widać z powyższego opisu, możliwości tej konstrukcji są dość szerokie. Amplituner wyposażyłem w wyświetlacz alfanumeryczny LCD 2×24 znaki.

Jest to zdecydowanie małe „okno na świat” mojego amplitunera. Postanowiłem wykorzystać ekran smartfona jako alternatywny interfejs dla mojego amplitunera.

Aplikacja

Na wstępie chcę zwrócić uwagę na dwukierunkowość komunikacji pomiędzy smartfonem i amplitunerem. Moduł BBMagic podłączyłem do kanału UART2 procesora LPC2387. Sprawdzenie poprawności komunikacji można wykonać wysyłając komendę <hello. Otrzymanie odpowiedzi >HI potwierdza prawidłowe połączenie i działanie modułu.

Na smartfonie (można do tego celu przeznaczyć nieużywany, starszy model) należy zainstalować aplikację BBMobile i włączyć Bluetooth. Po uruchomieniu aplikacji należy wybrać polecenie START, a następnie spośród znalezionych urządzeń (zwykle powinno być jedno) wybrać BBMobile. Od tego momentu aplikacja czeka na załadowanie poprzez Bluetooth tzw. Layouta. W tym stanie w amplitunerze należy wywołać procedurę przesłania kodu Layout przez interfejs UART2. W opisywanym zastosowaniu Layout jest definiowany kodem, który został pokazany na listingu 1.

Listing 1. Kod JSON definiujący Layout aplikacji mobilnej

{"ty":"lout","or":"V","img":"6","cs":[
{"ty":"lout","or":"V","cs":[
{"ty":"TextView","n":"tv11","te":"> AMPT-008 <","tc":"174,174,174","ts":"20","w":"2"},
{"ty":"TextView","n":"tv12","te":"INPUT","tl":"bold","tc":"255,224,174","ts":"28","w":"3"},
{"ty":"TextView","n":"tv13","te":">ABCDEFGH<","tl":"bold","ts":"28","tc":"255,224,0","w":"3"}]},

{"ty":"lout","or":"H","cs":[
{"ty":"TextView","n":"tv21","te":"Vol:","tc":"174,174,174","ts":"18","w":"1"},
{"ty":"TextView","n":"tv22","te":"99dB","tc":"224,192,96","bg":"0,16,32","ts":"22","w":"2"},
{"ty":"TextView","n":"tv23","te":"DEC:","tc":"174,174,174","ts":"18","w":"1"},
{"ty":"TextView","n":"tv24","te":"PCM","tc":"224,192,96","bg":"0,16,32","ts":"22","w":"2"}]},

{"ty":"lout","or":"H","cs":[
{"ty":"Button","n":"b31","te":"Vol+","tc":"255,255,255","bg":"0,64,255","ts":"18"},
{"ty":"Button","n":"b32","te":"Vol-","tc":"255,255,255","bg":"0,128,0","ts":"18"},
{"ty":"Spinner","n":"sp33","is":"IN?,TUNER,IN1,IN2,IN3,AUX4,DIR5,BJ6,SPDIF","bg":"32,128,112","ts":"22","w":"1"},
{"ty":"Spinner","n":"sp34","is":"SPDIF?,SPDIF1,SPDIF2,SPDIF3,SPDIF4,SPDIF5","bg":"16,112,128","ts":"22","w":"1"}]},

{"ty":"lout","or":"H","cs":[
{"ty":"TextView","n":"tv41","te":"Vol L","tc":"174,255,174","ts":"18","w":"1"},
{"ty":"ProgBar","n":"pb1","d":"1","p":"25","w":"1"},
{"ty":"TextView","n":"tv42","te":"Vol R","tc":"174,255,174","ts":"18","w":"1"},
{"ty":"ProgBar","n":"pb2","d":"1","p":"25","w":"1"}]},

{"ty":"lout","or":"H","cs":[
{"ty":"Button","n":"b51","te":"ESC","tc":"255,255,255","bg":"16,196,224","ts":"18","w":"1"},
{"ty":"Spinner","n":"sp52","is":"FM?,FM1,FM2,FM3,FM4,FM5,FM6","bg":"16,112,144","ts":"22","w":"1"},
{"ty":"Spinner","n":"sp53","is":"DPL?,OFF,ProL,CIRC,DSTRO,DSLs,DSRs","bg":"16,196,224","ts":"22","w":"1"},
{"ty":"Button","n":"b53","te":"ENTER","tc":"255,255,255","bg":"0,62,120","ts":"18","w":"2"}]}]
}

Główny blok Layout ma orientację pionową: "or":"V". Jako tło wybrałem image 6: "img":"6" (w programie zmieniam pseudo losowo cyfrę 6 na wartość z zakresu 1...6, tło image 7 pomijam, ponieważ jest bardzo jasne). W głównym bloku Layout zagnieżdżonych jest 5 kolejnych Layoutów.

Pierwszy ma orientację pionową "or":"V" i zawiera 3 kontrolki typu TexView: "tv11", "tv12", "tv13". W trakcie pracy amplitunera pole tv12 będzie zawierało nazwę aktualnego wejścia np. >TUNER<, >SPDIF1< itp. Aby zmienić nazwę wyświetlanego aktualnego wejścia np. na >SPDIF1<, należy wysłać do modułu następującą sekwencję znaków: $set,tv12:te=">SPDIF1<"\r\n
Pole tv13 będzie używane do wyświetlania informacji RDS lub aktualnego czasu.

Drugi blok Layout ma orientację poziomą: "or":"H" i zawiera 4 kontrolki typu TexView: tv21...24. Szerokość pół dla tych napisów jest różna ("w":"1" … "w":"2" …) i wynosi odpowiednio: 1/6, 2/6, 1/6 i 2/6. Powoduje to, że szerokość zajmowana przez napisy tv22 i tv24 jest dwa razy większa od szerokości napisów tv21 i tv23. Pola tv21 – Vol: oraz tv23 – DEC pozostaną niezmienione, ponieważ są to pola opisowe. Pola tv22 oraz tv24 będą zawierały aktualne wartości, odpowiednio: głośności i wybranego dekodera. Aby wyświetlić np. wartość głośności równą 70 dB należy wysłać do modułu następującą sekwencję znaków: $set,tv22:te="70dB"/r/n

Trzeci blok Layout również ma orientację poziomą i zawiera dwie kontrolki typu Button. Są to przyciski Vol+ oraz Vol– odpowiedzialne za regulację głośności, oraz dwie kontrolki typu Spinner, które zawierają rozwijaną listę wyboru. Kontrolka Spinner sp33 pozwala wybrać wejście AUDIO: TUNER, IN1…SPDIF. Kontrolka Spinner sp34 umożliwia wybór konkretnego (domyślnego) wejścia SPDIF: SPDIF1, SPDIF2...5. Wyboru odpowiedniej pozycji z rozwijanej listy dokonujemy na ekranie smartfona dotykowo. Po wybraniu którejś linii rozwijana lista się zwija. O tym, że dokonaliśmy jakiegoś wyboru nie jest automatycznie przesyłana żadna informacja. Aby zatwierdzić i przesłać wybór naciskając dowolny przycisk – kontrolkę Button. Specjalnie do tego celu umieściłem w ostatnim rzędzie przycisk ENTER. Po naciśnięciu tego przycisku moduł BBMagic prześle przez UART taką informację: $by,b53"1",sp33"TUNER",sp34"SPDIF1",sp52"FM?,sp53"DPL?" standardowo zakończoną znakami \r\n. Oczywiście informacje z kontrolek sp33, sp34,sp52 i sp53 są przesyłane po przyciśnięciu dowolnego przycisku. Dla przycisku Vol+ przesłana informacja wygląda następująco: $by,b31"1",sp33"TUNER",sp34"SPDIF1",sp52"FM?,sp53"DPL?"

Program obsługi zaimplementowany w amplitunerze, dla przycisków Vol+ i Vol– nie analizuje danych z kontrolek typu Spinner ponieważ ich działanie ograniczam do regulacji głośności. Te dane są analizowane tylko po naciśnięciu przycisku ENTER. Dokładny opis kontrolki Spinner jest zawarty w tabeli 1.

Czwarty blok Layout zawiera dwie kontrolki TextView z napisami Vol L i Vol R oraz dwa razy nowy typ kontrolki: ProgBar. Służy on do wyświetlania paska postępu, tzw. progress bar. Postanowiłem zastosować te kontrolki do przedstawienia w sposób graficzny poziomu sygnału analogowego w kanale lewym i prawym amplitunera. Długość rysowanego paska należy podać w procentach (0...100).

Dokładny opis kontrolki typu ProgBar jest zawarty w tabeli 2. Parametr Determinate określa wygląd kontrolki ProgBar. Dla wartości 0 pasek postępu przyjmuje postać obracającego się wycinka okręgu i wygląda jak sygnał zajętości (zawieszenia się) aplikacji. Dla wartości 1 pasek postępu przyjmuje postać linii o długości proporcjonalnej do wartości parametru Progress. Nie mamy wpływu na kolor i grubość tej linii. Odświeżanie kilka razy na sekundę parametru p (Progress) pozwala wyświetlić namiastkę analogowego wskaźnika poziomu sygnałów audio w lewym i prawym kanale. Aby sterować wyświetlaniem ustawiamy aktualną wartość parametru progress przez wysłanie do modułu (dla chwilowej wartości 75%) następującej sekwencji znaków: $set,pb1:p="75"/r/n

W ostatnim bloku Layout znalazły się dwa przyciski: ESC i ENTER oraz dwie rozwijane listy typu Spinner. Pierwsza sp52 pozwala określić numer zapamiętanej częstotliwości dla 6 stacji radiowych: FM1, FM2...FM6. Druga lista pozwala wybrać tryb pracy cyfrowego procesora audio (STA310): OFF, ProL (Dolby Pro Logic), CIRC (Circle surroud).

Rysunek 3. Ekran początkowy interfejsu mobilnego dla amplitunera AMPT-008
Rysunek 4. Ekran interfejsu mobilnego, wybór wejścia AUDIO
Rysunek 5. Ekran interfejsu mobilnego, wybór zapamiętanej stacji radiowej
Rysunek 6. Ekran interfejsu mobilnego, wybór trybu pracy procesora audio

Można zauważyć, że początek każdej listy zaczyna się od neutralnych pozycji "IN?", "SPDIF?", "FM?" oraz "DPL?". Są one potrzebne, ponieważ zawsze otrzymujemy informacje o wszystkich polach Spinner, a nie zawsze chcemy zmieniać cztery parametry. Dlatego jeśli np. chcemy zmienić tylko numer wejścia analogowego na np. trzecie to ustawiamy pierwsze pole wyboru na IN3 a pozostałe zostawiamy (lub ustawiamy) na neutralne. Czyli odpowiednio na: „SPDIF?”, „FM?” oraz „DPL?”. Po naciśnięciu przycisku „ENTER” wiemy, że chodzi tylko o ustawienie numeru wejścia analogowego na „IN3”, a numer domyślnego wejścia SPDIF pozostanie niezmieniony. Analogicznie pozostawimy nie zmieniony domyślny numer częstotliwości radia FM oraz nie zmienimy trybu pracy procesora audio.

Podsumowanie

Należy pamiętać, że po odwróceniu smartfona o 90° nasz Layout zostanie przerysowywany do pozycji horyzontalnej. Należy przygotować naszą aplikację, także do takiej pozycji smartfona, ponieważ po odwróceniu niektóre napisy mogą stać się nieczytelne.
Chcę jeszcze wspomnieć o kontrolce EditText (której ostatecznie nie użyłem). Pozwala ona wyświetlić dowolny tekst – podobnie jak kontrolka Spinner, ale tekst należy wprowadzić. Informacja o wprowadzonym tekście zostanie przesłana dopiero po naciśnięciu na dowolny przycisk.

Trzeba przyznać, że dość tanim kosztem (moduł BBMagic można kupić za około 55 złotych) można prawie dowolne urządzenie wyposażyć w interfejs z ekranem dotykowym. Polecam użycie do tego celu „drugiego” smartfona. Zwykle każdy z nas zmienia co około 2 lata swój smarfon na nowy. Warto stary, ale wciąż sprawny smartfon zastosować jako interfejs z aplikacją BBMobile.

Zbyszko Przybył
zbyszekjob@interia.pl

Artykuł ukazał się w
Elektronika Praktyczna
czerwiec 2021
DO POBRANIA
Pobierz PDF Download icon
Materiały dodatkowe
Elektronika Praktyczna Plus lipiec - grudzień 2012

Elektronika Praktyczna Plus

Monograficzne wydania specjalne

Elektronik listopad 2025

Elektronik

Magazyn elektroniki profesjonalnej

Raspberry Pi 2015

Raspberry Pi

Wykorzystaj wszystkie możliwości wyjątkowego minikomputera

Świat Radio listopad - grudzień 2025

Świat Radio

Magazyn krótkofalowców i amatorów CB

Automatyka, Podzespoły, Aplikacje listopad - grudzień 2025

Automatyka, Podzespoły, Aplikacje

Technika i rynek systemów automatyki

Elektronika Praktyczna listopad 2025

Elektronika Praktyczna

Międzynarodowy magazyn elektroników konstruktorów

Elektronika dla Wszystkich grudzień 2025

Elektronika dla Wszystkich

Interesująca elektronika dla pasjonatów