Generator skokowych obciążeń

Generator skokowych obciążeń
Pobierz PDF Download icon

Prezentujemy projekt przyrządu do testowania układów zasilania, od których często zależy prawidłowa praca urządzeń elektronicznych. Jednym z istotnych parametrów jest odpowiedź zasilacza na skokową zmianę obciążenia.

Podstawowe parametry:
  • cztery ustawienia impulsu: 20, 50, 100 lub 200 μs,
  • cztery ustawienia stromości zboczy impulsu,
  • cztery ustawienia wartości obciążenia, zasilanie napięciem 2,5…5 V

Niektórzy z producentów scalonych przetwornic DC/DC w kartach katalogowych prezentują dokładne charakterystyki swojego układu. Rysunek 1 pokazuje przykład zaczerpnięty z dokumentacji przetwornicy LT8609 od Analog Devices.

Rysunek 1. Przykład zaczerpnięty z dokumentacji przetwornicy LT8609 od Analog Devices

Aby prawidłowo wykonać tego typu test, impuls prądowy powinien cechować się szybkim zboczem narastającym oraz opadającym (typowo <1 μs), a także krótkim czasem trwania. Urządzenie zaprezentowane poniżej pozwala w łatwy sposób przeprowadzać takie pomiary.

Budowa i działanie

Schemat blokowy zaprezentowano na rysunku 2. Głównym komponentem jest nieśmiertelny timer NE555. Po naciśnięciu przez użytkownika przycisku, generuje impuls o odpowiedniej długości. Tranzystor unipolarny wraz z szeregowo włączonym rezystorem stanowi obciążenie dla badanego układu zasilającego. Układ TC4427 odpowiada za szybkie przeładowywanie bramki tranzystora MOSFET, dzięki czemu generowane impulsy poboru prądu cechują się stromymi zboczami narastającymi oraz opadającymi.

Rysunek 2. Schemat blokowy

Całość zasilana jest ze źródła napięcia 2,5...5 V (dobrym rozwiązaniem jest użycie 3 baterii typu AAA). Niewielka przetwornica boost podnosi napięcie do poziomu 8 V, co pozwala na prawidłową pracę układów scalonych. Zwróćmy uwagę, że urządzenie zaprojektowano bez zastosowania mikrokontrolera, zatem także bez konieczności tworzenia oprogramowania.

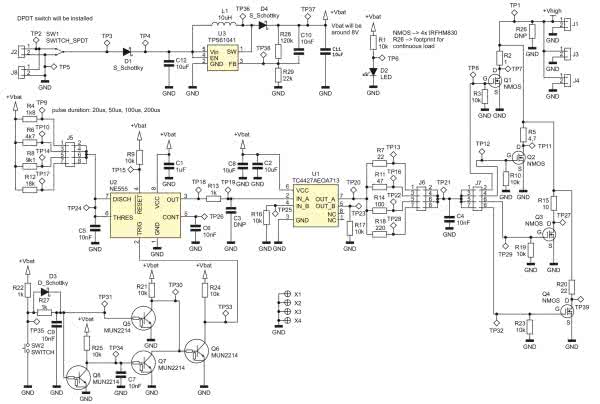
Schemat elektryczny pokazano na rysunku 3. W jego górnej części umieszczony został blok zasilania. Układ U3 typu TPS61041, jest niewielką przetwornicą boost produkowaną przez firmę Texas Instruments. Przełącznik SW1 służy do załączania urządzenia, natomiast dioda D1 chroni przed negatywnymi skutkami odwrotnego podłączenia źródła zasilania.

Rysunek 3. Schemat elektryczny

W dolnej części schematu widoczny jest przycisk SW2 oraz obwód filtrujący drganie styków. Tranzystory bipolarne Q5...Q8 tworzą prostą logikę zamieniającą dowolnie długie przyciśnięcie przycisku na krótki impuls. Naciśnięcie przycisku aktywuje układ czasowy zbudowany na bazie NE555, który poprzez driver TC4427 otwiera jeden z tranzystorów MOS na wyjściach układu (prawa część schematu).

Rezystory R4, R6, R8 oraz R10, przełączane przy pomocy zworki J5, regulują długość trwania impulsu obciążenia. Przy pomocy zworki J6 możemy zwiększać bądź zmniejszać stromość zboczy impulsu. Zworka J7 pozwala wybrać, które z obciążeń zostanie załączone. Rezystory R2, R5, R15 oraz R20 zostały dobrane tak, aby można było wygenerować obciążenie od kilkuset miliamperów do kilku amperów. Rezystor R26 służy do wstępnego, ciągłego obciążenia testowanego układu (tak aby skok obciążenia nie następował od wartości zerowej).

Montaż

Płytka PCB zaprojektowana na potrzeby projektu została pokazana na rysunku 4. Ma stosunkowo duże wymiary – 6×8 cm (możliwe było rozmieszczenie elementów na mniejszej powierzchni), ale dzięki temu na odwrocie płytki jest wystarczająco dużo miejsca aby zamontować koszyk mieszczący 3 baterie AAA.

Rysunek 4. Schemat płytki PCB

Urządzenie składa się w większości z elementów SMD, w związku z czym samodzielny montaż wymaga nieco wprawy w lutowaniu. Największą uwagę należy zwrócić na tranzystory Q1 do Q4, które mają obudowy typu QFN. Fotografia tytułowa pokazuje kompletny prototyp urządzenia.

Testy funkcjonalne

Testy generatora skokowych obciążeń przeprowadzono na gotowym module przetwornicy z układem LM2596 (fotografia 1).

Fotografia 1. Gotowy module przetwornicy z układem LM2596

Jest to bardzo tani a zarazem popularny układ obniżający napięcie. Został skonfigurowany tak, aby dostarczał napięcia o wartości 3,3 V. W trakcie przeprowadzonego testu, ustawienia generatora były następujące:

  • zworka J5 ustawiona w pozycji najwyższej (długość impulsu obciążenia około 20 μs),
  • zworka J6 zmieniana we wszystkich pozycjach, dzięki czemu przetestowano różne nachylenia zbocza prądowego,
  • zworka J7 ustawiona w pozycji drugiej (4,7 Ω),
  • rezystor R26 o wartości 33 Ω.

Wciśnięcie przycisku SW2 powodowało skok prądu z poziomu 100 mA do poziomu 800 mA. Na wszystkich oscylogramach kolor żółty przedstawia przebieg prądu pobieranego z testowanej przetwornicy LM2596, natomiast kolor zielony przebieg napięcia na jej wyjściu. Rysunek 5 pokazuje oscylogram całego impulsu o długości 20 μs.

Rysunek 5. Oscylogram całego impulsu o długości 20 µs

Widać, że w momencie wzrostu obciążenia napięcie na wyjściu LM2596 spada do wartości ok. 2,8 V. Natomiast po ustąpieniu wzmożonego poboru prądu, szpilka napięciowa sięga aż 4,1 V. Na rysunku 6 pokazano moment wzrostu obciążenia dla różnych stromości impulsu prądowego (czym większa, tym gorsze są parametry odpowiedzi modułu LM2596). Rysunek 7 pokazuje analogiczną sytuację, tym razem dla momentu skokowego zmniejszenia obciążenia.

Rysunek 6. Oscylogram pokazujący moment wzrostu obciążenia dla różnych stromości impulsu prądowego
Rysunek 7. Oscylogram pokazujący moment odłączenia obciążenia dla różnych stromości impulsu prądowego

Podsumowanie

Rezultaty wykonanych testów potwierdziły, że zaprojektowany generator obciążeń skokowych doskonale spełnia swoje zadanie. Urządzenie tego typu będzie przydatne nie tylko przy projektowaniu układów zasilających. Wiele usterek urządzeń jest spowodowanych niewłaściwą pracą bloków zasilających. Prezentowany przyrząd pozwoli zweryfikować ich działanie.

Krzysztof Pawula

krzysiek790@wp.pl

Wykaz elementów:
Rezystory: (SMD 0603 jeśli nie zaznaczono inaczej)
  • R1, R3, R9, R10, R16, R17, R19, R21, R23…R25: 10 kΩ
  • R28: 120 kΩ
  • R29: 22 kΩ
  • R4: 1,8 kΩ
  • R6: 4,7 kΩ
  • R7: 22 Ω
  • R8: 9,1 kΩ
  • R11: 47 Ω
  • R12: 18 kΩ
  • R13, R22, R27: 1 kΩ
  • R14: 100 Ω
  • R18: 220 Ω
  • R2: 1 Ω SMD2512
  • R5: 4,7 Ω SMD2512
  • R15: 10 Ω SMD2512
  • R20: 22 Ω SMD2512
Kondensatory:
  • C1: 1 μF SMD0603
  • C2, C8, C11, C12: 10 μF SMD1206
  • C4…C7, C9, C10: 10 nF SMD0603
  • C3: nie montować
Półprzewodniki:
  • U1: TC4427
  • U2: NE555 SMD
  • U3: TPS61041
  • Q1…Q4: IRFHM830
  • Q5…Q8: MUN2214
  • D1, D3, D4: PMEG4030ER
  • D2: LED SMD0603
Inne:
  • L1: 10 μH, SMD1210
  • J5, J6, J7: goldpin smd, 2×4 pin
  • SW1: przełącznik suwakowy
  • SW2: przycisk SMD
Artykuł ukazał się w
Elektronika Praktyczna
luty 2020
DO POBRANIA
Pobierz PDF Download icon
Elektronika Praktyczna Plus lipiec - grudzień 2012

Elektronika Praktyczna Plus

Monograficzne wydania specjalne

Elektronik listopad 2025

Elektronik

Magazyn elektroniki profesjonalnej

Raspberry Pi 2015

Raspberry Pi

Wykorzystaj wszystkie możliwości wyjątkowego minikomputera

Świat Radio listopad - grudzień 2025

Świat Radio

Magazyn krótkofalowców i amatorów CB

Automatyka, Podzespoły, Aplikacje listopad - grudzień 2025

Automatyka, Podzespoły, Aplikacje

Technika i rynek systemów automatyki

Elektronika Praktyczna listopad 2025

Elektronika Praktyczna

Międzynarodowy magazyn elektroników konstruktorów

Elektronika dla Wszystkich grudzień 2025

Elektronika dla Wszystkich

Interesująca elektronika dla pasjonatów