Wzmacniacz lampowy na lampach EL34

Wzmacniacz lampowy na lampach EL34
Pobierz PDF Download icon

Wzmacniacze lampowe nieprzerwanie cieszą się dużą popularnością w kręgach DiY. Opisana konstrukcja nie spodoba się audiofilom, gdyż w torze audio zawiera tylko pentody i to na dodatek pracujące, a jakże w trybie pentodowym - czasami warto zrobić coś wbrew oklepanym standardom. Pozostałe osoby, które po prostu słuchają muzyki i lubią zbudować coś samodzielnie zachęcam do eksperymentu. W konstrukcji zastosowano łatwo dostępne typowe lampy EF86 i EL34 oraz ogólnie dostępne typowe transformatory.

Podstawowe parametry:
  • moc wyjściowa ok. 7…9 W/8 Ω
  • bazuje na lampach EL34 i EL86
  • zbudowany w topologii Single-Ended

Zasada działania

Wzmacniacz jest zbudowany w topologii SE (Single-Ended - z pojedynczym elementem wzmacniającym. Niestety skrót SE nie doczekał się sensownego polskiego tłumaczenia).

Podstawowe założenia, które miała spełniać konstrukcja to osiągnięcie mocy ok. 7...9 W na kanał, czyli większej niż w popularnym układzie EL84SE, oraz zachowanie prostej konstrukcji i zastosowanie łatwo dostępnych elementów. W każdym kanale pracują po dwie lampy. W stopniu wzmocnienia napięciowego użyto niskoszumnej pentody małej mocy EF86 lub EF806 (rosyjski zamiennik 6Ż32P, cyr. 6Ж32П), a w stopniu mocy pentody EL34. Przykładowy wygląd oraz układ wyprowadzeń lamp przedstawia rysunek 1.

Rysunek 1. Lampy EL34 i EF86(EF806) wygląd i schemat wyprowadzeń

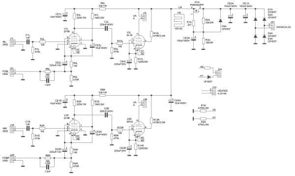
Schemat ideowy wzmacniacza pokazuje rysunek 2. Elementy kanału lewego mają oznaczenia zakończone literą L, kanału prawego literą R, zaś elementy zasilacza anodowego wyróżnione są literką A, a obwód żarzenia literką H. Sygnał wejściowy ze złącza J1L/R, po separacji składowej stałej w C1L podany jest na siatkę pentody V1L.

Rysunek 2. Schemat wzmacniacza

Stopień wzmocnienia napięciowego jest klasyczny, niskoszumna pentoda zapewnia odpowiedni poziom sygnału sterującego i pozwala wygospodarować zapas wzmocnienia na objęcie wzmacniacza globalną pętla sprzężenia zwrotnego przez R6L, R5L, C2L. Ujemne sprzężenie pozwala wyrównać pasmo przenoszenia i zmniejszyć zniekształcenia wzmacniacza. Wzmocniony wstępnie sygnał doprowadzony jest do lampy mocy V2L, pracującej z polaryzacją automatyczną zapewnianą przez R11L, CE4L. Z anody lampy poprzez złącze J3L sygnał podany jest na transformator wyjściowy. W modelu zastosowano transformator LOSE25-9 Ra=2,5 k/8 Ω, możliwe jest zastosowanie innych typów Ra=2,5-3,0 k/8 Ω po niewielkich doświadczalnych korektach R6L, C2R.

Zasilacz napięcia anodowego UA jest wspólny dla obu kanałów i składa się z mostka prostowniczego na szybkich diodach D1...D4 UF4007, kondensatorów filtrujących CE1A/CE2A oraz obwodu filtracji aktywnej opartej na tranzystorze Q1A typu P6NK60ZFP, kondensator CE3A zapewnia „łagodny” start zasilacza anodowego, eliminując konieczność opóźnianego załączania napięcia anodowego. Ze względu na wydzielane ciepło tranzystor Q1 zamontowany jest na radiatorze. Kondensator CE4A zapewnia dodatkową filtrację zasilania, stopnie wstępne zasilane są przez własne filtry odsprzęgające R8L/C1L. Żarzenie lamp wykorzystuje napięcie przemienne, rezystory R1, 2H ustalają potencjał grzejników względem masy, obwód R3H, D1H zasila didę LED sygnalizującą pracę wzmacniacza. Napięcie anodowe (240 VAC/0,3 A) z transformatora doprowadzone jest do złącza JA1, napięcie żarzenia (6,3 VAC/4 A) do złącza JH1.

Montaż wzmacniacza

Wzmacniacz wykonany jest na dwustronnym obwodzie drukowanym, zawierającym wszystkie elementy elektroniczne z wyjątkiem transformatorów. Rozmieszczenie elementów pokazują rysunki 3 i 4. Lampy zamontowane są na podstawkach, od strony podstawek nie umieszczono żadnych wysokich elementów, możliwe jest więc wyeksponowanie „żarzących” się lamp na obudowie wzmacniacza. Warto jednak pamiętać o zabezpieczeniu przed dotknięciem np. przy pomocy siatki ochronnej.

Rysunek 3. Schemat płytki PCB i rozmieszczenie elementów, strona TOP
Rysunek 4. Schemat płytki PCB i rozmieszczenie elementów, strona BOTTOM

Montaż płytki jest klasyczny i nie wymaga szczegółowego opisu. Przy montażu rezystorów mocy, należy odsunąć je nieco od powierzchni laminatu, aby zapewnić odpowiednią cyrkulację powietrza, tranzystor Q1A montowany jest na radiatorze, miejsce styku należy posmarować pastą termoprzewodzącą. Zmontowaną płytkę pokazuje fotografia 5 oraz fotografia tytułowa. Przygotowanie okablowania wewnątrz obudowy wzmacniacza wymaga dużej staranności. Przewody żarzenia powinny mieć przekrój 2,5 mm oraz powinny być skręcone, aby zapobiec rozpraszaniu pola elektromagnetycznego. Przewody pierwotnych stron transformatorów i napięcia anodowego muszą posiadać wzmocnioną izolację. Należy zastosować przewody sygnałowe w ekranie, masa wzmacniacza łączy się przed obwód RC z obudową w okolicach gniazda wejściowego. Schemat połączeń pokazuje rysunek 6.

Fototgrafia 5. Zmontowana płytka
Rysunek 6. Schemat połączeń płytki z elementami całego wzmacniacza

Przed ostatecznym zaprojektowaniem obudowy należy sprawdzić wpływ transformatora sieciowego na transformatory głośnikowe, odpowiednio orientując ich kolumny środkowe (prostopadle) lub odsuwając je możliwie daleko od siebie. Należy postępować zgodnie z ogólnymi regułami przy projektowaniu wzmacniaczy lampowych.

Szczególną uwagę należy zwrócić na dokładność napięcia żarzenia, przy niedokładnie wykonanym uzwojeniu zdarza się, że napięcie jest zbyt wysokie (nawet ponad 7 V), co skutkuje przeżarzeniem lamp, zwiększeniem poziomu przydźwięku pochodzącego od upływu grzejnika katody i oczywiście skróceniem trwałości lamp. W takim przypadku należy włączyć w szereg z uzwojeniem żarzenia dwa małe jednakowe rezystory o odpowiedniej mocy korygujące napięcie. Najlepiej jednak zaopatrzyć się w dobrej jakości transformator sieciowy.

Uruchomienie

Uruchomienie wzmacniacza, po kontroli wizualnej montażu i upewnieniu się o braku zwarć i prawidłowym rozmieszczeniu elementów, odbywa się etapami. Po obciążeniu transformatorów wyjściowych rezystorem 8 Ω/20 W i podłączeniu do wyjść oscyloskopu, a do wejść generatora funkcji (minimalny poziom sygnału), należy w pierwszej kolejności podać napięcie żarzenia. Jego wartość powinna wynosić 6,3 V ±5% przy pobieranym prądzie 3,5 A ±5%. W drugiej kolejności z zasilacza regulowanego lub autotransformatora należy podać napięcie anodowe, przy wartości ok. 50 V należy sprawdzić czy wzmacniacz ma poprawnie podpięte sprzężenie zwrotne, jeżeli układ wzbudzi się należy zamienić połączenie jednego z uzwojeń transformatora głośnikowego, tak aby sprzężenie zwrotne zmniejszało wzmocnienie. Jeżeli wzmacniacz jest stabilny, można dalej zwiększać napięcie anodowe. Przy wartości 240 VAC należy skontrować spadek napięcia na rezystorach katodowych R11L/R lamp EL34, który powinien wynosić ok. 13 V. Wartość napięcia anodowego powinna być zbliżona do 300 V, napięcia zasilającego stopień wstępny na kondensatorach CE1L/R, ok. 260 V, na katodach EF86 ok. 2,2 V. Napięcia podano z dokładnością 5%.

Jeżeli wzmacniacz został uruchomiony statycznie to nadszedł czas na bardziej szczegółowe pomiary. Po zwiększeniu wysterowania, warto sprawdzić przebiegi wyjściowe dla sterowania przebiegiem sinusoidalnym przy mocy 1 W/7 W dla kilku częstotliwości np. 100 Hz/1 kHz/10 kHz. Dla mniejszej mocy warto ocenić przenoszenie przebiegu prostokątnego, na jego podstawie należy skorygować wartości R6L/R, C2L/R, aby otrzymać prawidłowe odtworzenie przebiegu niezależnie od zastosowanego transformatora wyjściowego. Przebiegi otrzymane podczas pomiarów modelu pokazują rysunki 7a, 7b, 7c, 7d.

Rysunek 7a. Pomiary dla mocy 1 W/8 Ω
Rysunek 7b. Pomiary dla mocy 7 W/8 Ω
Rysunek 7c. Pomiary dla mocy 1 W/8 Ω przebieg prostokątny
Rysunek 7d. Orientacyjny rozkład harmonicznych dla 1 W i 7 W

W modelu, przy mocy 7 W, zniekształcenia THD+N utrzymują się poniżej 4% w paśmie 100 Hz/10 kHz. Pasmo przenoszenia wynosi 20 Hz...20 kHz przy obciążeniu znamionowym i mocy 7 W. Otrzymane wyniki mogą być różne w zależności od zastosowanych transformatorów i stanu lamp. Jeżeli wszystko przebiegło pomyślnie, można przełączyć się na sygnał audio, podłączyć głośniki i cieszyć się muzyką, nie naprzykrzając się otoczeniu...

UWAGA! We wzmacniaczu występują wysokie napięcia oraz wysoka temperatura, niebezpieczne dla zdrowia i życia. Uruchamianie należy przeprowadzić z zachowaniem szczególnej ostrożności.

Adam Tatuś, EP

Wykaz elementów:
Rezystory:
  • R10L, R10R ,R2L, R2R, R4L, R4R: 1,8 kΩ
  • R6L, R6R: 5,6 kΩ
  • R11L, R11R: 120 Ω/5 W
  • R12L, R12R: 470 Ω/0,5 W
  • R1A, R3H: 2,7 kΩ
  • R1H, R2H: 47 Ω/0,5 W
  • R1L, R1R, R9L, R9R: 470 kΩ
  • R2A: 33 kΩ/2 W
  • R3A, R7L, R7R: 1 MΩ/2 W
  • R3L, R3R: 220 kΩ/1 W
  • R5L, R5R: 470 Ω
  • R8L, R8R: 33 kΩ/1 W
Kondensatory:
  • C1L, C1R: 1 μF/50 V foliowy 5 mm
  • C2L, C2R: 1 nF/50 V foliowy 5 mm
  • C3L, C3R: 220 nF/400 V foliowy 25/30 mm
  • CE1A, CE2A, CE3A: 100 μF/400 V elektrolityczny
  • CE1L, CE1R, CE3L, CE3R, CE4A: 10 μF/400 V elektrolityczny
  • CE2L, CE2R: 220 μF/10 V elektrolityczny
  • CE4L, CE4R: 220 μF/35 V elektrolityczny
Półprzewodniki:
  • D1A, D1H, D2A, D3A, D4A, D5A: UF4007
  • Q1A: P6NK60
Inne:
  • V1L, V1R: EF86 + podstawka
  • V2L, V2R: EL34 + podstawka
  • J1H, J3L, J3R, JA1: ARK2/300
  • J1L, J1R, J2L, J2R: ARK2/500
  • J2H: Złącze KK proste 2 piny
  • HS: Radiator HS142
Artykuł ukazał się w
Elektronika Praktyczna
październik 2019
DO POBRANIA
Pobierz PDF Download icon
Elektronika Praktyczna Plus lipiec - grudzień 2012

Elektronika Praktyczna Plus

Monograficzne wydania specjalne

Elektronik listopad 2025

Elektronik

Magazyn elektroniki profesjonalnej

Raspberry Pi 2015

Raspberry Pi

Wykorzystaj wszystkie możliwości wyjątkowego minikomputera

Świat Radio listopad - grudzień 2025

Świat Radio

Magazyn krótkofalowców i amatorów CB

Automatyka, Podzespoły, Aplikacje listopad - grudzień 2025

Automatyka, Podzespoły, Aplikacje

Technika i rynek systemów automatyki

Elektronika Praktyczna listopad 2025

Elektronika Praktyczna

Międzynarodowy magazyn elektroników konstruktorów

Elektronika dla Wszystkich grudzień 2025

Elektronika dla Wszystkich

Interesująca elektronika dla pasjonatów