Modułowy odbiornik nasłuchowy na pasma 80 m i 40 m "Dosia" (4). Moduł wzmacniacza z ARW

Modułowy odbiornik nasłuchowy na pasma 80 m i 40 m "Dosia" (4). Moduł wzmacniacza z ARW
Pobierz PDF Download icon
Czwarta część cyklu publikacji o odbiorniku nasłuchowym na pasma KF 40m i 80m ?Dosia? stanowi ukłon nie tylko w stronę budowniczych tego urządzenia, ale także konstruktorów innych odbiorników. Opisano w niej moduł wzmacniacza z automatyczną regulacją wzmocnienia (ARW) na pasmo akustyczne, który ma dość uniwersalne zastosowanie.

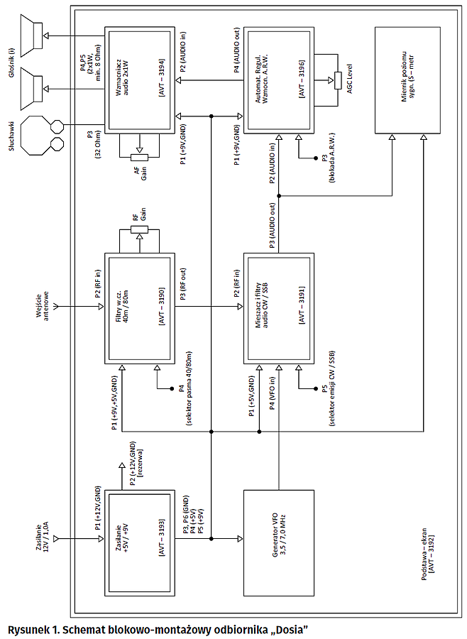
Na rysunku 1 przedstawiono schemat blokowo-montażowy odbiornika „Dosia”, uzupełniony o podłączenie opisanego tutaj modułu Automatycznej Regulacji Wzmocnienia A.R.W. (ang. Automatic Gain Control, AGC). Podwójną linią zaznaczono na nim moduły omówione we wcześniejszych publikacjach (AVT-3190..AVT-3194) oraz ten właśnie moduł AVT-3196. Szczegółowo opisano też wszystkie połączenia pomiędzy zaprezentowanymi modułami, niezbędne do uruchomienia odbiornika. Dalej omówiono wprowadzony tutaj moduł A.R.W. wraz z jego montażem i uruchomieniem w ramach całego urządzenia w minimalnej wersji układowej, pokazanej w całości na fotografii tytułowej oraz szczegółowo na fotografii 3. Przedstawiono też pokrótce charakterystyki automatyki regulacji wzmocnienia, których znajomość jest potrzebna do poprawnej eksploatacji modułu AVT-3196 w ramach odbiornika „Dosia” oraz do jego prawidłowej implementacji w torach odbiorczych innych urządzeń.

Zasada działania i właściwości modułu ARW

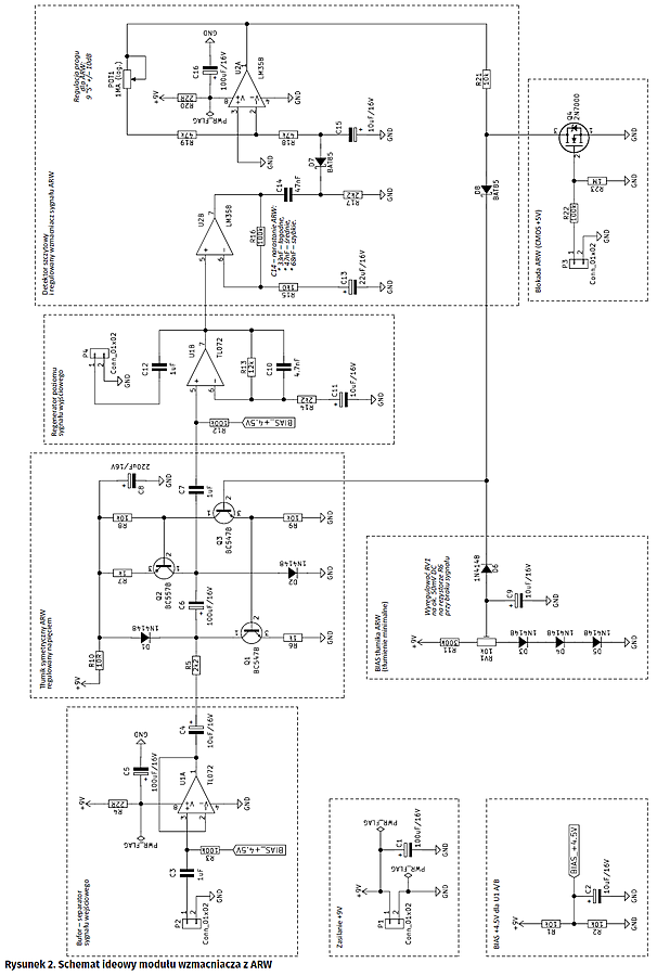
Na rysunku 2 przedstawiono schemat elektryczny modułu wzmacniacza z automatyczną regulacją wzmocnienia. Jest to moduł o uniwersalnym zastosowaniu w torze małej częstotliwości praktycznie dowolnego odbiornika radiokomunikacyjnego, ponieważ całość operacji na sygnale odbywa się wyłącznie w ramach tego jednego modułu i nie wymaga ingerencji w żaden inny blok odbiornika – nawet wtedy, gdy ma on regulowany wzmacniacz pośredniej częstotliwości. Wzmacniacz jest zasilany pojedynczym napięciem stabilizowanym +9 V, podawanym na port P1. Zastosowane wzmacniacze operacyjne U1 A/B (TL072) oraz U2 A/B (LM358) są polaryzowane z dzielnika rezystancyjnego z rezystorami R1/R2 oraz kondensatorem filtrującym C2 lub bezpośrednio z wyjścia poprzedniego stopnia.

Obrabiany sygnał wejściowy m.cz. podawany jest na port P2 modułu, skąd poprzez kondensator sprzęgający C3 trafia na wejście niskoszumnego wzmacniacza wtórnika (bufora-separatora) U1A z rezystorami R3, R4 i kondensatorem C5, zapewniającymi filtrowanie jego zasilania oraz polaryzację punktu pracy. Zadaniem tego wtórnika jest zapewnienie odpowiednio małej impedancji wyjściowej wysterowania dla kolejnego bloku, jednak bez szkodliwego obciążania wyjścia zewnętrznego układu sterującego. Tak wzmocniony prądowo sygnał, przez kondensator C4, jest podawany do bloku właściwego tłumika sygnału. Tłumik ten, z diodami D1, D2 oraz tranzystorami Q1…Q3, jest zasilany poprzez człon filtrujący R10/C8.

Zasada działania tego bloku oparta jest o właściwość diod krzemowych, polegająca na zmianie (spadku) ich rezystancji dynamicznych Rd odwrotnie proporcjonalnie do przyrostu wartości ich prądów przewodzenia Id. Dla niewielkich sygnałów zmiennych te rezystancje dynamiczne Rd można traktować jako liniowe i wykorzystać do regulowanego tłumienia sygnału. W omawianym module rolę zasadniczego tłumika pełni dzielnik z „górnym” rezystorem R5 oraz „dolną” opornością dynamiczną (dla sygnałów zmiennych), utworzoną przez równoległe połączenie rezystancji dynamicznych Rd diod D1 i D2 (elementem łączącym jest kondensator sprzęgający C6 o znacznej wartości). Blok filtrujący zasilanie z elementami R10 i C8 zastosowano przede wszystkim właśnie po to, by „masa” dla sygnału zmiennego, przechodzącego przez diodę D1, była bardzo dobrze zablokowana do rzeczywistej masy modułu. Wolnozmienne prądy przewodzenia, polaryzujące diody D1 i D2, są wymuszane poprzez prądy kolektorów komplementarnej pary tranzystorów: Q1 i Q2 (BC547B/BC557B). Tranzystory Q1 i Q2 pracują jako symetryczne źródła prądowe z rezystorami R6/R7 o takich samych wartościach. Symetrię prądów kolektorów tych tranzystorów zapewnia wzmacniacz sterujący z tranzystorem Q3 (BC547B), w którego kolektorze i emiterze umieszczono rezystory R8 i R9 o takich samych wartościach. W tej konfiguracji źródło prądowe z tranzystorem Q1 jest sterowane z wtórnika emiterowego (z założenia o jednostkowym wzmocnieniu), natomiast źródło z tranzystorem Q2 jest sterowane ze wzmacniacza odwracającego, także o jednostkowym wzmocnieniu równym R8/R9. W zasadzie, jako „dolnej” rezystancji w dzielniku oporowym tłumika można było użyć tylko jednej diody krzemowej, jednak zastosowanie dwóch diod w opisanym układzie antysymetrycznym poprawia liniowość tłumika i znacznie redukuje powstawanie wszystkich parzystych harmonicznych. Jakkolwiek, zarówno w opracowanym przez autora prototypie, jak i w modelu docelowym, nie dało się słyszeć jakichkolwiek zniekształceń regulowanego sygnału odbiorczego. Należy w tym miejscu podkreślić to, że stopień symetrii dzielnika-tłumika o transmitancji napięciowej (tu: tłumieniu) równym A = (Rd1||Rd2) / (R5 + Rd1||Rd2) jest silnie uzależniona od podobieństwa charakterystyk zastosowanych diod D1/D2, co w wypadku zastosowanych w projekcie popularnych elementów 1N4148 nie powinno być trudne (wystarczy po prostu użyć dwóch diod, pochodzących „z tego samego listka”).

Tłumienie A omawianego bloku jest regulowane poprzez zmiany potencjału bazy tranzystora Q3. Jego wstępną, minimalną wartość Amin ustala się potencjometrem montażowym RV1 w bloku BIAS-u tłumika. Blok ten stanowi skompensowany termicznie regulowany dzielnik rezystancyjny. Właściwy dzielnik stanowią elementy: R11 i RV1, natomiast diody D3…D5 w tym dzielniku są źródłem napięcia odniesienia, skompensowanym termicznie. Zastosowanie trzech diod szeregowo ma za zadanie skompensowanie termiczne trzech połączonych szeregowo krzemowych złączy półprzewodnikowych: z diodą D6 oraz złączami baza-emiter tranzystorów: Q3 i Q1/Q2. Zastosowana kompensacja termiczna była konieczna z uwagi na niewielkie początkowe wartości prądów polaryzacji diod D1/D2, których względne fluktuacje termiczne byłyby znaczne. Kondensator blokujący C9 uniemożliwia modulację amplitudy tłumionego sygnału poprzez zewnętrzne sygnały zakłócające, a szeregowa dioda D6 zapobiega tłumieniu przez omawiany blok wstępnej polaryzacji tłumika, zmiennego sygnału automatycznej regulacji wzmocnienia, podawanego przez diodę D8 w bloku detektora szczytowego i regulowanego wzmacniacza sygnału ARW z elementami U2A/U2B.

Następnym jest blok regeneratora poziomu sygnału wyjściowego, którego zadaniem jest kompensacja wstępnego (początkowego) tłumienia Amin bloku tłumika. Niskoszumny wzmacniacz operacyjny U1B, polaryzowany dla składowej stałej poprzez rezystor R12, ma wzmocnienie napięciowe dla składowej zmiennej równe około siedmiu razy (~17 dB) w pasmie akustycznym dla emisji SSB (do około 3 kHz), ustalone przez rezystory R13 i R14. Kondensator C11 realizuje zwarcie do masy dla składowej zmiennej, natomiast pojemność C10 dodatkowo ogranicza pasmo przenoszenia tego bloku od góry. Wzmocniony w tym bloku sygnał akustyczny jest następnie rozgałęziany, tzn. podawany dalej przez pojemność C12 na wyjście audio P4 tego modułu, oraz na wejście bloku detektora szczytowego i regulowanego wzmacniacza wolnozmiennego sygnału ARW. Blok ten ma za zadanie przetworzyć obrabiany zmienny sygnał akustyczny na wolnozmienny sygnał, sterujący tłumikiem ARW, z którym pracuje on w pętli ujemnego sprzężenia zwrotnego.

Napięcie m.cz. jest wprowadzane na wejście nieodwracające wzmacniacza U2B (LM358) z elementami R15, R16 i C13, który wzmacnia obrabiany sygnał zmienny około 100 razy (40 dB). Zabieg ten ma na celu obniżenie minimalnego progu zadziałania mechanizmu ARW (zwiększenie czułości), który wynika wprost z czułości zastosowanego detektora szczytowego. Elementy C14, R17, D7 i C15 realizują właśnie funkcję takiego detektora. Pojemność kondensatora C14 odpowiada za szybkość narastania (ang. „attack”) sygnału ARW, a zatem i za szybkość reakcji na gwałtowny wzrost sygnału akustycznego całego modułu. Można dokonać jej korekty, w zależności od potrzeb i upodobań użytkowników. W projekcie przyjęto wartość pośrednią (47 nF), przy czym zastosowanie C14=33 nF uczyni narastanie sygnału automatycznej regulacji wzmocnienia łagodniejszym, a C14=68 nF – szybszym. Eksperymentalnie i symulacyjnie sprawdzono to, że znaczne wychodzenie poza podane granice wartości pojemności C14 może uczynić pętlę ARW nieskuteczną (słabe działanie) lub mało stabilną (reakcja oscylacyjna). Kondensator C15 wraz z rezystorem R18, którego drugi koniec pracuje na potencjale wirtualnej masy (wejście odwracające wzmacniacza operacyjnego U2A), kształtują stałą czasową opadania sygnału ARW („decay”).

Warto zwrócić uwagę na fakt, że opisany detektor szczytowy reaguje na ujemne półokresy przetwarzanego sygnału (tłumaczy to odwrotną polaryzację kondensatora C15) – stąd kolejny stopień wzmacniacza wolnozmiennego napięcia sterującego ARW z elementami: U2A, R18, R19 i potencjometrem POT1 pracujący w klasycznym układzie wzmacniacza odwracającego (wzmacniacz operacyjny LM358 może pracować z wejściami na potencjałach zbliżonych do potencjału masy).

W pętli ujemnego sprzężenia zwrotnego U2A wprowadzono potencjometr logarytmiczny POT1, którym można regulować próg zadziałania (czułości) ogranicznika ARW. Dla parametrów charakterystycznych dla odbiornika „Dosia” (wzmocnienie przemiany na poziomie zbliżonym do 0 dB, tzn. 1 mV użytecznego sygnału radiowego na wejściu antenowym da sygnał akustyczny o zbliżonym poziomie na wyjściu mieszacza) próg zadziałania prezentowanego wzmacniacza z ARW wynosi około 9 „S” („S” jest logarytmiczną jednostką poziomu sygnałów radiowych, liczoną z krokiem 6 dB; więcej informacji na ten temat można znaleźć tutaj: https://pl.wikipedia.org/wiki/S-meter). Czułość ta występuje w okolicach środkowego położenia potencjometru POT1, natomiast dostępny zakres regulacji (położenia skrajne POT1) progu zadziałania ARW wynosi około ±10 dB.

Odpowiednio wzmocniony sygnał sterujący ARW, poprzez elementy R21 i D8, jest wprowadzany na wejście sterujące tłumika regulowanego (baza tranzystora Q3). Jako D8 zastosowano diodę Schottky po to, aby zminimalizować spadek napięcia sterującego, który mógłby obniżyć czułość automatyki. Dzięki zastosowaniu obu diod – D6 i D8, nie występują interakcje między blokami: wstępnej polaryzacji tłumika i wzmacniacza z ARW. Natomiast rezystor R21 ma wyłącznie za zadanie obniżyć obciążenie wyjścia wzmacniacza U2A w wypadku, gdy mechanizm automatycznej regulacji wzmocnienia jest zablokowany. Elementy R20 i C16 filtrują zakłócenia zasilania układu U2, zapobiegając tym samym powstawaniu szkodliwych sprzężeń generacyjnych.

Ostatnim, najmniejszym blokiem jest układ blokady jego działania. Oparty jest on o klucz półprzewodnikowy z tranzystorem N-MOSFET Q4 (2N7000), przełączany poziomami logicznymi CMOS (0/+5 V), podawanymi na wejście sterujące P3 układu. Układ ten po prostu zwiera wolnozmienny sygnał sterujący tłumikiem ARW, gdy na porcie P3 występuje poziom wysoki. Rezystory R22 i R23 zapewniają działanie automatyki wówczas, gdy żaden sygnał sterujący nie jest podany na port P3. Dynamika opisanego układu, określona jako zakres poprawnej (brak zniekształceń) i skutecznej (odpowiednio szybka reakcja) regulacji przetwarzanego sygnału, jest lepsza niż 34 dB, co wynika z możliwego zakresu zmian rezystancji dynamicznych Rd diod D1 i D2 w bloku tłumika (Id=50uA..2,5mA). Podana wartość dynamiki ARW w zupełności wystarcza do prowadzenia skutecznych i komfortowych nasłuchów w większości warunków radiowych. Natomiast w przypadku, gdyby okazała by się ona niewystarczająca, można posiłkować się dodatkową ręczną regulacją za pomocą pokręteł: „RF GAIN” (tłumienie sygnału radiowego) oraz „AF GAIN” (wzmocnienie w torze audio).

Montaż i uruchomienie

Na rysunku 3 pokazano schemat montażowy płytki drukowanej modułu omówionego w artykule. Jego montaż przeprowadzamy typowo, tzn. rozpoczynając od elementów najniższych i stopniowo montując coraz to wyższe komponenty. W miejsce wyprowadzeń wszystkich portów P1..P4 lutujemy podwójne proste męskie łączówki „goldpin”. Wygodnie też będzie wlutować potrójny goldpin w miejscu dołączenia potencjometru POT1.

Uruchomienie modułu sprowadza się do podłączenia napięcia zasilającego +9V i, po sprawdzeniu jego obecności na dodatnich biegunach kondensatorów filtrujących: C5, C8 i C16 można przystąpić do wstępnej regulacji układu. Polega ona na ustawieniu początkowego (minimalnego) tłumienia tłumika ARW za pomocą potencjometru montażowego RV1. Należy w temperaturze pokojowej ustawić nim napięcie stałe, równe około 50 mV na rezystorze R6, co odpowiada początkowym prądom Id diod D1 i D2, równym 50 mA. Moduł wzmacniacza z ARW montujemy w obudowie na podstawie AVT-3192 w miejscu pokazanym na na fotografiach 4 i 5, a następnie łączymy z resztą układu zgodnie z rys. 1, tzn. zasilanie do masy i dostępnego punktu +9 V zasilacza AVT-3193, wejście do wyjścia mieszacza odbiorczego AVT-3191, a wyjście do wejścia wzmacniacza audio AVT-3194.

Port P3, sterujący działaniem A.R.W. (blokada), można tymczasowo pozostawić niepodłączony – wówczas układ ARW będzie cały czas załączony. Potencjometr POT1 można tymczasowo podłączyć na krótkim (10..15 cm) odcinku taśmy trójżyłowej i przymocować do płyty podstawy za pomocą taśmy samoprzylepnej dwustronnej (fot. 2). W wypadku zastosowania przedstawionego układu w innym, niż „Dosia”, odbiorniku, na wejściu modułu AVT-3196 może być konieczne zastosowanie odpowiednio dopasowanego impedancyjnie rezystancyjnego tłumika sygnału, który skompensuje do poziomu 0 dB wzmocnienie przemiany wszystkich stopni poprzedzających moduł wzmacniacza z ARW (uwarunkowanie techniczne występujące w odbiorniku „Dosia”).

Podsumowanie

W tej części publikacji o odbiorniku nasłuchowym „Dosia” zaprezentowano moduł regulowanego wzmacniacza z automatyczną regulacją wzmocnienia o dynamice lepszej niż 34 dB i pracującego wyłącznie w pasmie akustycznym. Moduł ten można wykorzystać także w konstrukcjach innych, niż „Dosia”. W kolejnych odcinkach tego cyklu publikacyjnego zaprezentowane zostaną moduły: generatora VFO, miernika poziomu odbieranego sygnału (S-metra) oraz wspólnego bloku kontrolno-sterującego wraz z panelem czołowym.

Adam Sobczyk SQ5RWQ
sq5rwq@gmail.com
http://sq5rwq.pl/

Artykuł ukazał się w
Elektronika Praktyczna
luty 2018
DO POBRANIA
Pobierz PDF Download icon
Elektronika Praktyczna Plus lipiec - grudzień 2012

Elektronika Praktyczna Plus

Monograficzne wydania specjalne

Elektronik listopad 2025

Elektronik

Magazyn elektroniki profesjonalnej

Raspberry Pi 2015

Raspberry Pi

Wykorzystaj wszystkie możliwości wyjątkowego minikomputera

Świat Radio listopad - grudzień 2025

Świat Radio

Magazyn krótkofalowców i amatorów CB

Automatyka, Podzespoły, Aplikacje listopad - grudzień 2025

Automatyka, Podzespoły, Aplikacje

Technika i rynek systemów automatyki

Elektronika Praktyczna listopad 2025

Elektronika Praktyczna

Międzynarodowy magazyn elektroników konstruktorów

Elektronika dla Wszystkich grudzień 2025

Elektronika dla Wszystkich

Interesująca elektronika dla pasjonatów