Sterownik bojlera do instalacji PV

Sterownik bojlera do instalacji PV
Pobierz PDF Download icon
Odnawialne źródła energii cieszą się coraz większą popularnością, w szczególności przydomowe instalacje fotowoltaiczne. Wyprodukowane w ten sposób nadwyżki energii elektrycznej mogą z powodzeniem służyć np. do ogrzewania ciepłej wody użytkowej zamiast zostać odsprzedane do sieci. Rekomendacje: urządzenie służy do sterowania grzałką bojlera w taki sposób, aby zapewnić komfortowe użytkowanie domu przy jak najmniejszych wydatkach.

Opisywane urządzenie opracowano w odpowiedzi na rosnące zainteresowanie małymi elektrowniami fotowoltaicznymi, które jak grzyby po deszczu wyrastają na dachach polskich domów. Aktualne uregulowania prawne nakładają na takie gospodarstwa obowiązek odsprzedaży nadmiaru wyprodukowanej energii elektrycznej do sieci dystrybucyjnej za 80% ceny zakupu. Z tego powodu opłacalna jest taka optymalizacja poboru energii elektrycznej przez dom, aby jak najwięcej zużywać tej, która powstała za pośrednictwem modułów fotowoltaicznych. Szczyt domowej produkcji energii elektrycznej wypada w godzinach południowych i wczesnopopołudniowych, czyli wtedy, kiedy większość domowników znajduje się poza domem i zużycie energii jest właśnie najmniejsze. Jednym z możliwych rozwiązań jest sprawne zarządzanie systemem ogrzewania ciepłej wody użytkowej, która jest w stanie przez kilka godzin zmagazynować energię zużytą na jej podgrzanie.

Zalet takiego podejścia jest kilka, a najważniejszą z nich jest rozwiązanie problemu podgrzewania ciepłej wody użytkowej. Większość polskich domów jednorodzinnych nie ma podłączenia do miejskiej sieci ciepłowniczej, więc podgrzewanie odbywa się za pomocą pieców gazowych, węglowych lub na olej opałowy. Zastąpienie tego grzałką elektryczną, która może funkcjonować przez większość dnia za darmo, przyniesie wiele wygody i oszczędności.

Funkcjonowanie

Sterownik ma możliwość ustawienia trzech zadanych temperatur wody. Pierwsza (Temp1) jest utrzymywana zawsze, niezależnie od pory dnia – ma to na celu zapobieżenie całkowitemu wychłodzeniu wody w bojlerze. Druga (Temp2) i trzecia (Temp3) są do wyboru w ciągu doby, przy czym Temp3 jest aktywowana zawsze wtedy, kiedy Słońce świeci dostateczne mocno – niezależnie od aktualnie żądanej temperatury. W ten sposób układ wykorzystuje każdy słoneczny moment w ciągu dnia.

Czas „żądania” danej temperatury jest ustawiany swobodnie w ciągu doby, można go powiązać również z godzinami tańszych taryf energii elektrycznej. Załączenie i wyłączenie następuje o pełnej godzinie. Użytkownik ma do dyspozycji maksymalnie trzy „żądania” w ciągu doby. Ponadto, w zadanych godzinach (niezależnie od ustawień temperatury) układ może załączać pompę obiegową. Liczba tych programów w ciągu doby również wynosi trzy.

W sterowniku ustawia się poziom nasłonecznienia (w procentach), powyżej którego ma nastąpić załączenie Temp3. Zdecydowano się na oddzielny, niewielki moduł fotowoltaiczny, ponieważ jest to rozwiązanie znacznie bezpieczniejsze od dołączania się do przewodów wychodzących z instalacji fotowoltaicznej. Takie rozwiązanie jest również lepsze od fotorezystora czy fototranzystora, ponieważ te elementy będą w innym stopniu reagowały na zmianę temperatury czy rozproszenie światła przez chmury. Ustawienie odpowiedniego progu należy dokonać patrząc na wskazania aktualnej mocy chwilowej wytwarzanej przez inwerter. Powyższych ustawień dokonuje się oddzielnie dla lata i dla zimy. Przełączenie między tymi dwiema porami roku następuje ręcznie, w menu ustawiania aktualnego czasu.

Sterownik ma również kilka fundamentalnych zabezpieczeń. Pierwszym z nich jest zabezpieczenie przed zagotowaniem wody w bojerze, gdyby doszło do zwarcia wewnątrz modułu przekaźnika półprzewodnikowego. Drugim jest powiadomienie o nieprawidłowym odczycie temperatury z zewnętrznego czujnika temperatury, ponieważ taki błąd mógłby doprowadzić do zagotowania bojlera. Trzecie powiadomienie dotyczy błędu w komunikacji z wbudowanym zegarem RTC, ponieważ oznaczałoby to załączanie grzałki w nieprawidłowych porach. Wystąpienie każdego z tych błędów skutkuje:

- wyłączeniem grzałki oraz pompy,
- wstrzymaniem dalszego wykonywania programu,
- załączeniem wyjścia alarmowego.

Skasowanie alarmu nastąpi po całkowitym zresetowaniu sterownika poprzez odłączenie zasilania lub wciśnięcie odpowiedniego przycisku.

W razie wyjazdu na dłuższy czas, można sterownikowi zakazać podgrzewania wody aż do odwołania. Drugą przydatną funkcją jest możliwość ustawienia na stałe Temp1, Temp2 lub Temp3 zwłaszcza wtedy, gdy pobór ciepłej wody jest znaczący.

Schemat ideowy

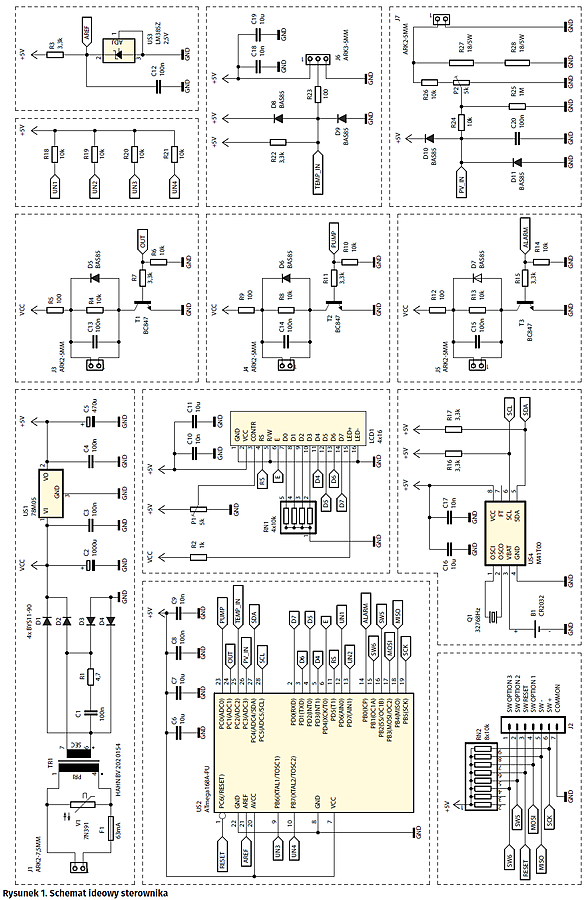
Schemat ideowy modułu sterownika przedstawia rysunek 1. Dla przejrzystości, zostanie omówiony blokami.

Zasilacz. Do zasilania sterownika użyto transformatora o mocy 0,5 VA firmy HAHN. Kompaktowe wymiary pozwalają na bezproblemowe zamknięcie go w obudowie na szynę DIN razem z resztą elektroniki. Ponadto, w przeciwieństwie do przetwornic impulsowych, cechuje się niemal nieskończoną trwałością i znacznie wyższą odpornością na przepięcia.

Do ochrony przed przepięciami służy warystor V1, którego zadaniem jest zwiększenie poboru prądu przez układ i przepalenie bezpiecznika B1. Takie zabezpieczenie zostało dodane, ponieważ sterownik może być włączony do sieci bez nadzoru domowników, którzy są np. na wakacjach, więc powinien móc się obronić przed chwilowymi skokami napięcia spowodowanymi np. burzą.

Po stronie wtórnej zastosowany prosty obwód tzw. snubbera, który składa się z elementów R1 i C1. Jego zadaniem jest częściowe pochłanianie zaburzeń o wysokiej częstotliwości, w tym szpilkowych, które mogą zostać przeniesione na stronę wtórną przez pojemność międzyuzwojeniową. Takie zaburzenia mogłyby zakłócić działanie układu, dlatego warto się przed nimi chronić.

Prostownik wykonano w układzie Graetza na diodach Schottky, aby zmniejszyć stratę napięcia na przewodzących diodach prostownika. W układzie wykorzystywane jest wyprostowane oraz odfiltrowane napięcie z transformatora (ok. 13 V), jak i stabilizowane napięcie 5 V do zasilania układów cyfrowych. Kondensatory C3 i C4 zapobiegają wzbudzeniu stabilizatora liniowego US1.

Mikrokontroler i wyświetlacz. Pracą sterownika zarządza mikrokontroler ATmega168 w obudowie przewlekanej DIP28. Taka obudowa znacząco ułatwia jego wymianę w razie uszkodzenia lub konieczności zmiany oprogramowania. Taktowany jest wewnętrznym generatorem RC o częstotliwości oscylacji 8 MHz, ponieważ w tym układzie nie ma krytycznych wymagań odnośnie do dokładności zegara. Sam mikrokontroler jest popularny i w zupełności wystarczający w tym zastosowaniu.

Jego napięcia zasilające są filtrowane czterema kondensatorami ceramicznymi o różnych pojemnościach. Nieużywane wyprowadzenia (UN1-UN4) są podciągnięte do dodatniego bieguna zasilania, a ponadto wejścia (zarówno analogowe, jak i cyfrowe) mają ustalony potencjał względem masy za pomocą zewnętrznych rezystorów. Takie podejście zmniejsza ryzyko wystąpienia błędu spowodowanego zaburzeniami.

Wyświetlacz ciekłokrystaliczny ma typowy sterownik, zgodny z HD44780. Cztery nieużywane wyprowadzenia są dołączone do masy poprzez rezystory drabinki RN1. Jego podświetlenie jest zasilane niewielkim prądem, rzędu 10 mA, który jest ograniczony przez rezystor R2. Moc transformatora jest niewielka, dlatego zachodzi konieczność oszczędzania pobieranego zeń prądu. Zasilanie podświetlenia z pominięciem stabilizatora zmniejsza moc strat na nim oraz redukuje wpływ temperatury na prąd diod podświetlenia. Do regulacji kontrastu służy wieloobrotowy potencjometr P1.

Dla przetwornika A/C mikrokontrolera zastosowano zewnętrze źródło napięcia odniesienia w postaci taniego i popularnego układu LM385Z-2,5V. Jego dużą zaletą jest poprawna praca przy niskim prądzie zasilającym – tutaj wynosi ok. 750 mA. Kondensator C12, umieszczony blisko mikrokontrolera, zwiera do masy ewentualne zaburzenia i zawęża pasmo szumowe.

Zewnętrzna klawiatura jest dołączana do złącza J2. Składa się z sześciu przycisków ze wspólnym przewodem masy, o czym dalej. Przez to samo złącze (piny 3-7) można zaprogramować mikrokontroler za pomocą ISP.

Wyjścia. Wyjścia sterujące diodami LED w przekaźnikach półprzewodnikowych są wykonane identycznie dla wszystkich trzech kanałów, dlatego zostanie omówiony tylko jeden z nich. Załączenie diody w zewnętrznym module SSR następuje w momencie wejście tranzystora T1 w stan nasycenia. Rezystor R6 ściąga potencjał bazy do zera w chwili, gdy mikrokontroler mógłby nie sterować prawidłowo wyjściami (np. przy zawieszeniu). Umieszczenie go przed rezystorem R7 (patrząc od strony bazy) zwiększa prąd do niej wpływający, co poprawia nasycenie. Czas przejścia między nasyceniem a zatkaniem nie jest w żaden sposób kluczowy, dlatego jakiekolwiek kondensatory przyspieszające były zbędne.

W kolektorze tranzystora umieszczono kilka elementów poprawiających działanie przekaźników półprzewodnikowych. Rezystor 10 kOhm powoduje, że prąd zerowy kolektora nie przepływa prawie w ogóle przez diodę w SSR, a to może być przyczyną fałszywych załączeń, zwłaszcza w wyższej temperaturze (tzw. rezystor bleederowy). Kondensator 100 nF pochłania zakłócenia (zwłaszcza szpilkowe), które mogą indukować się w przewodach i również powodować niestabilną pracę. Dioda D5 jest na pozór zbędna, lecz chroni układ i diodę w SSR przed uszkodzeniem, jeżeli w pobliżu znajdują się urządzenia emitujące silne pole magnetyczne – zwłaszcza wtedy, gdy przewody między sterownikiem a SSR byłyby długie. Jej rolą jest zwarcie impulsów o odwrotnej (względem polaryzacji przewodzenia) biegunowości.

Rezystor R5, włączony szeregowo z wyjściem, chroni układ przed nadmiernym uszkodzeniem w razie zwarcia wyprowadzeń wyjścia, co jest możliwe w plątaninie przewodów. Powinna wydzielić się na nim moc kilkukrotnie wyższa od nominalnej, co doprowadzi do jego przepalenia.

Zegar RTC. Do odmierzania czasu użyto zewnętrznego układu typu M41T00. Rezonator kwarcowy jest dołączony do wewnętrznego oscylatora, natomiast bateria CR2032 podtrzymuje pracę w razie zaniku zasilania. Komunikacja z mikrokontrolerem odbywa się za pomocą interfejsu I2C.

Czujnik temperatury. Do pomiaru temperatury wody w bojlerze wykorzystano cyfrowy czujnik typu DS18B20 w wersji z fabrycznie dołączonym przewodem (tzw. DS18B20MOD). Kondensatory C18 i C19 filtrują jego zasilanie, ponieważ z powodzeniem można podłączyć go w konfiguracji 3-Wire, tj. z oddzielnym przewodem zasilającym.

Szyna 1-Wire, zgodnie ze specyfikacją, wymaga rezystora podciągającego. Doświadczenia z tymi czujnikami wskazują, że rezystancja 3,3 kOhm jest odpowiednia do zapewnienia bezbłędnej transmisji – większa może oznaczać większą podatność na zakłócenia, pojemności pasożytnicze oraz upływności.

W żyle sygnałowej łączącej czujnik z płytką mogą indukować się przepięcia. Do ograniczenia ich amplitudy służą diody D8 i D9, które otwierają się, kiedy napięcie wejściowe wyjdzie poza zakres akceptowalny przez mikrokontroler. Wprawdzie ten ostatni posiada własne diody zabezpieczające, lecz energia, jaką można w nich wytracić, jest niewielka i dlatego dodano diody zewnętrzne. Rezystor R23 ogranicza prąd tych diod, a jednocześnie tworzy z rezystorem R22 dzielnik o tak małym stopniu podziału, że poziomy logiczne bez trudu są rozróżniane.

Pomiar natężenia promieniowania słonecznego. Jak wspomniano, do oszacowania, czy w danej chwili instalacja PV produkuje wystarczająco dużo mocy, aby bez dodatkowych kosztów zasilić grzałkę, służy dodatkowy moduł fotowoltaiczny. W urządzeniu prototypowym wykorzystano polikrystaliczny moduł 6 V/1 W z oferty AVT. Z dachu domu poprowadzono dwużyłowy przewód, który prowadzi do złącza J7.

Pomiar napięcia na rozwartych zaciskach modułu jest mało miarodajny, zaś długotrwały pomiar prądu zwarciowego może odbić się niekorzystnie na module pomiarowym, jeżeli Słońce świeci bardzo mocno. Dlatego zdecydowano się na rozwiązanie najprostsze, polegające na obciążeniu modułu odpowiednio dobranymi rezystorami. Napięcie na nich będzie najwyższe wtedy, gdy moc wytwarzana przez moduł będzie najwyższa, a właśnie chodzi tu o określenie poziomu wytwarzanej mocy.

Do obciążenia modułu użyto dwóch rezystorów o wypadkowej rezystancji 36 Ohm, Dwa rezystory o nominalnej mocy 5 W będą nagrzewały się w minimalnym stopniu. Wygodniej jest również dobrać żądaną rezystancję.

Napięcie referencyjne dla przetwornika A/C wynosi 2,5 V, więc zachodzi konieczność dostosowania napięcia z modułu do wejścia przetwornika. Do tego służy dzielnik rezystancyjny R26-P2, którego stopień podziału można dokładnie regulować – P2 jest potencjometrem wieloobrotowym. Rezystor R25 jest konieczny w sytuacji, gdyby potencjometr P2 uległ zużyciu lub uszkodzeniu. Zapewnia ustalenie potencjału na jego ślizgaczu po utracie kontaktu ze ścieżką oporową. Ponieważ ściągnie potencjał tego węzła do zera, to nie istnieje ryzyko, że sterownik pochopnie uruchomi grzałkę.

Diody D10 i D11 ograniczają zakres napięć wejściowych dla przetwornika A/C. W długich przewodach łączących sterownik z modułem fotowoltaicznym mogą indukować się poważne zakłócenia, których amplituda jest redukowana przez otwarcie się którejś z diod. Ponadto, nieprawidłowe ustawienie potencjometru P2 może spowodować zadziałanie tego zabezpieczenia.

Napięcie zbierane z rezystorów obciążających będzie cechowało się dużą zawartością zakłóceń. Rezystor R24 wraz z kondensatorem C20 tworzy prosty, dolnoprzepustowy filtr RC. Ponadto, ten rezystor ogranicza prąd diod zabezpieczających wejście.

Klawiatura. Do modułu sterownika, za pośrednictwem złącza J2, należy podłączyć prosta klawiaturę, która umożliwi jego obsługę. Jej schemat znajduje się na rysunku 2. Nie wykonano dla niej płytki drukowanej, lecz połączono wszystko metodą „na pająka”, o czym dalej.

Montaż

Układ sterownika zmontowano na dwustronnej płytce drukowanej o wymiarach 89 mm×83,6 mm, której schemat montażowy przedstawia rysunek 3. Wymiary płytki są dostosowane do obudowy Kradex Z101.

Na płytce znajdują się zarówno elementy montowane powierzchniowo jak i przewlekane, toteż lutowanie proponuję rozpocząć od tych pierwszych. Pod mikrokontroler polecam zastosować podstawkę, co ułatwi jego ewentualną wymianę. Po obsadzeniu płytki wszystkimi częściami należy pamiętać o włożeniu bezpiecznika F1 w zaciski. Gotowa płytka, osadzona już w obudowie, widoczna jest na fotografii 4. Wyświetlacz LCD został przykręcony do górnej części czterema śrubami M3, co wymagało nieznacznego rozwiercenia oryginalnych otworów w rogu płytki – fotografia 5.

Klawiatura została zmontowana w obudowie Z106. W jej przednim panelu, który można z łatwością wyjąć, należy wywiercić sześć otworów – tak, jak na rysunku 6. Po wkręceniu przycisków impulsowych i polutowaniu przewodów łączących je z płytką sterownika można przymocować taśmę do obudowy, chroniąc tym samym przewody przed oderwaniem – fotografia 7. Gotową klawiaturę widać na fotografii 8.

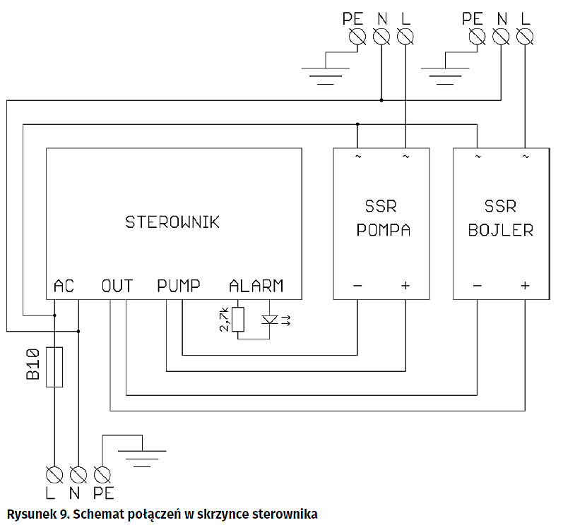
Sterownik prototypowy został zmontowany w obudowie z szyną DIN dedykowanej jako skrzynka rozdzielcza. Dymiona szybka pozwala na podgląd zawartości wyświetlacza bez konieczności jej otwierania. Wraz ze sterownikiem zamontowano wyłącznik nadmiarowo-prądowy o charakterystyce B10, którego główną rolą jest ochrona w razie wystąpienia zwarcia w grzałce lub pompie. Zasilanie do całego sterownika jest doprowadzone przez przewód zakończony wtyczką, co ułatwia wyłączanie. Do sygnalizacji wystąpienia alarmu służy czerwona, migająca dioda LED. Schemat elektryczny tej skrzynki widoczny jest na rysunku 9.

Szczegóły montażu skrzynki sterownika można obaczyć na fotografii 10. Zastosowano przekaźniki półprzewodnikowe firmy FOTEK, model SSR-25 DA (do pompy obiegowej) i SSR-40 DA (do grzałki bojlera). Na ten drugi konieczny był radiator, ponieważ przepływa przez niego prąd o wartości skutecznej ok. 6,5 A – grzałka ma moc znamionową 1500 W. W szereg z każdym zaciskiem wejściowym przekaźnika półprzewodnikowego dodano rezystor 390 V, co daje łącznie rezystancję 780 V. Zmniejszyło to pobór prądu z niewielkiego transformatora zasilającego, a jednocześnie nie ma wpływu na działanie przekaźników, ponieważ napięcie na ich zaciskach spadło z 10,7 V do ok. 5,5 V (minimum to 3 V).

Zaciski przekaźników półprzewodnikowych osłonięto szybkami z nieprzewodzącego poliwęglanu. Grzałka bojlera oraz pompa obiegowa są dołączane do zewnętrznych gniazd natynkowych. Wszystkie połączenia wysokonapięciowe wykonano przewodami o przekroju poprzecznym 1,5 mm2. Do przewodu ochronnego została podłączone również metalowa szyna DIN.

Zaproponowane podzespoły można zastąpić innymi, w zależności od potrzeb. Podczas testów okazało się, że radiator przekaźnika załączającego grzałkę osiąga temperaturę ok. 45°C, co można uznać za wartość bezpiecznie niską. Zastosowane przekaźniki mają bardzo duży zapas pod względem prądu, jaki może przez nie płynąć. Słabsze są niewiele tańsze (różnica rzędu 3-4 złotych), za to jest spory margines bezpieczeństwa, zwłaszcza, jeżeli chodzi o przekaźnik obsługujący grzałkę.

Zmontowaną, zamkniętą skrzynkę sterownika pokazano na fotografii 11.

Uruchomienie

Pierwszą rzeczą jest odpowiednie skonfigurowanie bitów zabezpieczających mikrokontrolera oraz zaprogramowanie jego pamięci odpowiednim wsadem. Wartości bitów zabezpieczających, zebranych w bajty, oraz dokonane zmiany są następujące:

- Low Fuse – 0xE2 – wyłączenie dzielnika częstotliwości zegara,
- High Fuse
– 0xD4 – ustawienie BOD na napięcie 4,3 V oraz zabezpieczenie EEPROM przed skasowaniem przy kasowaniu pamięci Flash,
- Extended Fuse
– 0x01 – bez zmian.

Po włączeniu sterownika do sieci, konieczne będzie ustawienie prawidłowego kontrastu wyświetlacza (potencjometr P1) oraz podziału napięcia z pomiarowego modułu fotowoltaicznego (potencjometr P2). Tę drugą regulację polecam przeprowadzić później, podczas zmiany innych ustawień, co opiszę dalej.

Ekran wyświetlacza podczas pracy może wyglądać tak, jak na rysunku 12. Na górze jest informacja o aktualnej porze roku (lato/zima) i godzinie. Pojawia się również napis „PV”, jeżeli moc wytwarzana przez instalację fotowoltaiczną jest dostatecznie wysoka, aby załączyć grzałkę. Wiersz niżej jest informacja o aktualnej temperaturze wody i zadanej na tę chwilę. W kolejnym wierszu wyświetla się informacja o załączeniu grzałki oraz pracy pompy obiegowej. Pompa pracuje cyklicznie, by nie wychładzać niepotrzebnie wody, więc również ten napis będzie pulsował.

Wykryte nieprawidłowości są pokazywane w ostatniej linijce – rysunek 13. W przypadku błędu połączenia z czujnikiem temperatury lub zegarem RTC, układ przestaje pracować aż do zresetowania. Alarm o przegrzaniu nie wstrzymuje działania, układ czeka na ostygnięcie wody.

W menu zmiany ustawień można wejść wciskając przycisk SW1 („Option 1”) on również służy do przewijania pozycji w menu. Opis ustawianych parametrów i funkcje przycisków na każdej pozycji prezentuje tabela 1.

Przechodząc do czwartej pozycji menu, można prawidłowo ustawić potencjometr P2. Wystarczy podać na wejście PV (złącze J7) napięcie o wartości nieco większej (rzędu 20-30%) od tej, jaką może wytworzyć pomiarowy moduł fotowoltaiczny i tak ustawić P2, aby aktualna wartość nasłonecznienia była bliska 100%. Wtedy mamy gwarancję, że sterownik będzie prawidłowo obsługiwał to wejście.

Ustawienie progu załączenia Temp3 (w tej samej pozycji menu) najprościej jest dokonać w słoneczny dzień, patrząc na wskazania mocy chwilowej na inwerterze. Jeżeli moc produkowana w danej chwili jest wystarczająca do zasilenia grzałki, wówczas należy ustawić taki sam procent nasłonecznienia, jaki aktualnie jest wskazywany przez moduł pomiarowy. Ta kalibracja może zająć kilka minut, zwłaszcza, gdy na niebie jest dużo chmur, lecz wykonuje się ją tylko raz.

Sterownik posiada pamięć na oddzielny komplet nastaw dla lata i zimy. Jeżeli nie zachodzi konieczność zmiany nastaw w ciągu roku, można ograniczyć się tylko do jednej pory i na niej operować przez cały rok.

Eksploatacja

Jeżeli ustawione w sterowniku godziny grzania lub pracy pompy pokrywają się (w dwóch lub trzech programach), wówczas działanie trwa nieprzerwanie. Gdyby ustawione wtedy temperatury były różne, to przyjęta zostanie ta z programu o najniższym numerze.

Moduł fotowoltaiczny, służący do pomiaru natężenia światła, najlepiej jest zamontować obok tych, które wytwarzają energię dla inwertera. W niektórych wypadkach może to nie być korzystne, ponieważ droga przewodu między sterownikiem a tym modułem może być bardzo skomplikowana. Warto wtedy rozważyć instalację tego modułu niżej, np. na garażu, pamiętając o tym, aby nie był niepotrzebnie zacieniany w ciągu dnia – np. przez drzewa.

Urządzenie ma możliwość zaalarmowania na wypadek przekroczenia dopuszczalnej temperatury wody. Pomimo tego, polecam nie rezygnować z prostego zabezpieczenia bimetalicznego, jakie producenci standardowo stosują w bojlerach elektrycznych, ponieważ zdarzają się zwarcia w przekaźnikach półprzewodnikowych. Dwa zabezpieczenia zawsze są pewniejsze od jednego.

Michał Kurzela, EP


Artykuł ukazał się w
Elektronika Praktyczna
luty 2018
DO POBRANIA
Pobierz PDF Download icon
Materiały dodatkowe
Elektronika Praktyczna Plus lipiec - grudzień 2012

Elektronika Praktyczna Plus

Monograficzne wydania specjalne

Elektronik listopad 2025

Elektronik

Magazyn elektroniki profesjonalnej

Raspberry Pi 2015

Raspberry Pi

Wykorzystaj wszystkie możliwości wyjątkowego minikomputera

Świat Radio listopad - grudzień 2025

Świat Radio

Magazyn krótkofalowców i amatorów CB

Automatyka, Podzespoły, Aplikacje listopad - grudzień 2025

Automatyka, Podzespoły, Aplikacje

Technika i rynek systemów automatyki

Elektronika Praktyczna listopad 2025

Elektronika Praktyczna

Międzynarodowy magazyn elektroników konstruktorów

Elektronika dla Wszystkich grudzień 2025

Elektronika dla Wszystkich

Interesująca elektronika dla pasjonatów