Zdalny włącznik radiowy

Zdalny włącznik radiowy
Pobierz PDF Download icon
Opisywany projekt to typowy włącznik/wyłącznik zdalny działający w paśmie ISM na częstotliwości 433 MHz. Pozwala na sterowanie pracą jednego urządzenia włączając je lub wyłączając, ale to tylko jedna z jego wielu funkcjonalności. Rekomendacje: włącznik przyda się w różnych zastosowaniach, między innymi w automatyce domowej.

Każde przyciśnięcie przycisku nadajnika powoduje wysłanie drogą radiową komunikatu do odbiornika. Po odebraniu komunikatu odbiornik sprawdza jego treść i jeśli jest prawidłowa, to wywołuje zmianę stanu wyjścia na przeciwny. W efekcie, każde użycie nadajnika powoduje załączenie lub wyłączenie urządzenia dołączonego do wyjścia odbiornika. Tak wygląda praca w trybie bistabilnym, który jest odpowiedni np. do zdalnego sterowania oświetleniem. Odbiornik może także pracować w trybie monostabilnym. Wtedy wyjście jest załączone tak długo, jak długo nadajnik wysyła komunikaty. Po zakończeniu nadawania wyjście zostaje wyłączone. Taki tryb pracy jest odpowiedni np. do sterowania ryglem furtki lub bramą garażową. Ostatni tryb pracy, jaki ma urządzenie, to załączenie wyjścia na zadany czas. Po załączeniu wyjścia i upływie ustawionego przez użytkownika czasu wyjście zostanie automatycznie wyłączone. Czas załączenia jest ustawiany potencjometrem w zakresie od kilku sekund do ok. 8 minut. Tryb pracy wybierany jest poprzez umieszczenie zworki na odpowiednich szpilkach złącza konfiguracyjnego.

Na danym obszarze może pracować wiele urządzeń, wiele niezależnych zestawów nadajnik – odbiornik, które nie będą sobie przeszkadzały. Możliwa jest także praca zestawów: jeden odbiornik – wiele nadajników oraz jeden nadajnik sterujący wieloma odbiornikami. Wszystko zależy od sposobu skonfigurowania. Nadawane z pilota komunikaty zawierają informację o adresie – numerze identyfikacyjnym. Odbiornik zadziała tylko wtedy, jeśli odebrany komunikat zawiera adres taki sam, jak ustawiony w odbiorniku. Grupa urządzeń z tym samym adresem będzie między sobą współpracowała i jednocześnie będzie ignorowała komunikaty urządzeń o innym adresie. Adresy urządzeń: pilota i odbiornika, może ustawić w łatwy sposób i w dowolnej chwili, każdy użytkownik urządzeń.

Praca wielu urządzeń na danym obszarze wymaga spełnienia jeszcze jednego warunku – w danej chwili może działać (nadawać) tylko jeden nadajnik. Jednoczesne nadawanie komunikatów z dwóch lub więcej pilotów powoduje, że przesyłane informacje się nakładają i stają się nieczytelne dla odbiorników znajdujących się w zasięgu nadających pilotów. Ta zasada dotyczy także wszystkich innych urządzeń nadających w paśmie radiowym 433 MHz.

Budowa

Kompletny zestaw składa się z nadajnika i odbiornika.

Schemat ideowy nadajnika pokazano na rysunku 1. Jest nieskomplikowany w budowie. Zasilanie z baterii jest dołączane do reszty układu tylko wtedy, gdy jest wciśnięty przycisk nadawania SW1, dzięki czemu nieużywany nadajnik nie pobiera prądu. Miniaturowy stabilizator IC2 przygotowuje napięcie +5 V do zasilania mikrokontrolera IC1, a rezonator kwarcowy Q1 zapewnia precyzyjny przebieg taktujący. Płytkę zaprojektowano w taki sposób, aby razem z baterią i modułem radiowym zmieściła w obudowie KM-P14N. Przeznaczony do pilota (nadajnika) moduł to YX-FST, ale budowa urządzenia pozwala na zastosowanie również innych, np. popularnego TX433. Najważniejszego elementu urządzenia nie widać na schemacie – jest to program sterujący zapisany w pamięci mikrokontrolera. Procesory w zestawach AVT są już zaprogramowane, ale na płytce przewidziano punkty lutownicze umożliwiające zaprogramowanie układu.

Główne zadanie programu polega na przygotowaniu komunikatu i wysterowaniu modułu radiowego. Po uruchomieniu urządzenia nadawanie komunikatu odbywa się cyklicznie z przerwami ok 10 ms i jest sygnalizowane pulsowaniem diody LED1. Drugim i ostatnim zadaniem programu jest obsługa procedury ustawiania adresu. Aktywowana jest wtedy, gdy przy uruchamianiu trzymamy wciśnięty przycisk pomocniczy SW2. Jej dokładny przebieg zostanie opisany w części poświęconej uruchomieniu zestawu.

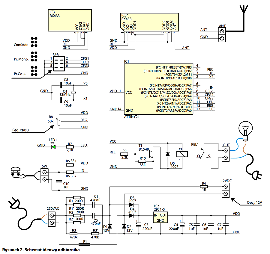
Drugą częścią urządzenia jest moduł wykonawczy – odbiornik. Jego ideowy pokazano na rysunku 2. Blok zasilania tworzy zasilacz beztransformatorowy z kondensatorami C1 i C2, zatem urządzenie można zasilać bezpośrednio z sieci energetycznej poprzez złącze opisane „230 VAC”. Jest ono zabezpieczone bezpiecznikiem F1 wlutowanym w płytkę, który zadziała w wypadku przepięcia w sieci lub awarii urządzenia. Opcjonalnie, urządzenie można zasilać napięciem stabilizowanym +12 V DC dołączonym do złącza „12 VDC” (polaryzacja nieistotna). Rolę bezpiecznika pełni tu rezystor małej mocy R4, który ulegnie uszkodzeniu w przypadku zasilania wyższym napięciem lub awarii urządzenia.

Elementem wykonawczym jest przekaźnik REL1, sterowany poprzez tranzystor T1. Styki zwierne przekaźnika wyprowadzone są na złącze OUT. Na schemacie widoczny jest prawidłowy sposób dołączenia żarówki zasilanej 230 V AC do złącza OUT, ale może być dołączony praktycznie każdy inny obwód, np. elektromagnes rygla z zasilaniem 24 V. Oprócz sterowania zdalnego, przełączanie stanu wyjścia możliwe jest przy pomocy przycisku dołączonego do złącza SW. Każde przyciśnięcie przycisku działa jak odebranie komunikatu pilota.

W odbiorniku można zastosować jeden z dwóch popularnych modułów radiowych: YX-MK-5V lub RX433. Atrakcyjne cenowo moduły, w sklepie AVT mają kod handlowy 03356. Takie moduły mają ważna cechę – są fabrycznie zestrojone i gotowe do pracy.

Pracą urządzenia steruje mikrokontroler z zainstalowanym w pamięci programem. Jego główne zadanie to wyszukiwanie komunikatów nadajnika w sygnale odebranym przez moduł radiowy. Jeśli zostanie odnaleziony komunikat i będzie zawierał adres zgodny z ustawionym adresem odbiornika to odbiornik zareaguje. W trybie pracy bistabilnej wyjście będzie zmieniało stan na przeciwny. Kolejne przełączenia muszą mieć co najmniej 1 s przerwy. W pracy monostabilnej wyjście będzie załączone tak długo jak długo będą odbierane komunikaty i jeszcze przez ok. 0,5 s. Takie dodatkowe opóźnienia pozwalają wyeliminować drobne zakłócenia i przypadkowe przełączenia wyjścia. W trybie pracy czasowej wyjście zostanie automatycznie wyłączone po ustawionym czasie o ile wcześniej nie zostanie wyłączone pilotem. Stan pracy urządzenia sygnalizuje dioda led. Gdy urządzenie jest aktywne a wyjście jest wyłączone to niezależnie od trybu pracy, dioda błyska krótko co 2 s. Gdy wyjście jest załączone, to dioda świeci ciągle, a w trybie czasowym przygasa na krótko co 2 s.

Struktura komunikatów

Do komunikacji radiowej urządzenie wykorzystuje sygnał modulowany metodą ASK (Amplitude Shift Keying) lub inaczej, bardziej intuicyjnie – OOK (On-Off Keying). Zatem komunikaty nadawane przez pilot to ciągi impulsów, czyli momentów nadawania sygnału i przerw pomiędzy nimi. Czasy trwania tych stanów mają istotne znaczenie – w ten sposób jest zakodowana informacja. Nie chodzi jednak o szyfrowanie, a o takie przekształcenie danych, które pozwoli na ich przesłanie drogą radiową. W urządzeniu zastosowano metodę zmiany szerokości impulsu, której działanie obrazuje rysunek 3.

Dane, które są przesyłane to zwykle wartość identyfikująca urządzenie (adres) oraz polecenie (komenda). Niezbędne są także elementy pomocnicze pozwalające na pewniejszy odczyt danych i unikanie błędów. Zakodowany pakiet danych zawierający te wszystkie elementy będzie nazywany ramką. Ramka w opisywanym urządzeniu, składa się z 26 impulsów, w których jest zawarty jeden bit startu, następnie jeden bajt tzw. rozruchowy, bajt adresu, bajt komendy i jeden bit końcowy, jak na rysunku 4. Kolejne ramki oddzielone są przerwą 10 ms.

Taki kształt komunikatu nie został wybrany przypadkowo. W sprzedaży dostępne są piloty samokopiujące, czyli takie, które mogą skopiować sygnał innego pilota zdalnego sterowania (fotografia 5). Ich cena oraz estetyka wykonania kuszą, aby wykorzystać je we własnych projektach. Oczywiście, istnieje wiele systemów komunikacji, a same piloty mają kilka ograniczeń i dlatego nie są w stanie zawsze funkcjonować poprawnie. Metodą wielu prób udało się określić parametry i budowę ramek akceptowanych i jeden z typów jest zastosowany w prezentowanym urządzeniu.

Pilot samokopiujący może współpracować z urządzeniem, ale najpierw trzeba „nauczyć go” nowych sygnałów. Należy przycisnąć i trzymać dwa górne przyciski przez ok 5...10 s, po tym czasie dioda w pilocie zacznie sygnalizować przebieg operacji. Przyciski można zwolnić dopiero wtedy, gdy dioda zacznie migać w powtarzający się sposób. Oznacza to, że pamięć pilota została wyczyszczona i można ja na nowo zapisać, a tym samym nauczyć nowych sygnałów. W pierwszej kolejności naciskamy i trzymamy przycisk pilota – nadajnika. Następnie zbliżamy pilot samokopiujący do nadajnika i naciskamy i trzymamy jeden z przycisków pilota samokopiującego. Jeśli dioda zacznie szybko pulsować to znaczy, że operacja powiodła się. Jeśli nie będzie reakcji pilota samokopiującego to należy spróbować z jego różnymi ustawieniami względem nadajnika. Jest to metoda sprawdzona z pilotami z fot. 2, w innych pilotach taka procedura może przebiegać inaczej.

Montaż i uruchomienie

Schemat montażowy nadajnika pokazano na rysunku 6, natomiast odbiornika na rysunku 7. Montaż urządzenia nie jest łatwy, ponieważ elementy są gęsto rozmieszczone i w obudowach do montażu powierzchniowego. Dodatkowo, odbiornik może być zasilany napięciem niebezpiecznym dla człowieka, więc montaż musi być wykonany profesjonalnie.

Rozmieszczenie elementów widoczne jest na schematach montażowych, pomocne będą także fotografie urządzenia. Wyprowadzenia modułu radiowego nadawczego należy mocno zagiąć, aby trafiły w punkty na płytce. Moduł radiowy odbiorczy nie ma zamontowanego wyprowadzenia w punkcie sygnału antenowego. Należy ten punkt połączyć z punktem oznaczonym „A” na płytce drukowanej. Po zmontowaniu, odbiornik warto wyposażyć w przycisk dołączony do złącza „IN” oraz kawałek przewodu dołączony do złącza „ANT” – będzie on pełnił rolę anteny. Najpierw należy sprawdzić działanie zasilając odbiornik napięciem +12 V DC i jeśli będzie działał prawidłowo, to dopiero wtedy można sprawdzić działanie z zasilaniem 230 V AC.

Domyślnie oba urządzenia mają ustawiony adres o wartości „1”. Można to sprawdzić i ewentualnie zmienić. W nadajniku należy najpierw nacisnąć i trzymać przycisk pomocniczy SW2 a następnie należy nacisnąć i trzymać przycisk główny SW1. Gdy dioda LED zgaśnie, można zwolnić przycisk pomocniczy trzymając wciśnięty przycisk główny. Teraz dioda LED błyśnie co pewien czas, a liczba błysków oznacza wartość adresu. Naciskając krótko przycisk pomocniczy można zwiększyć o jeden wartość adresu (maksymalnie do „24”). Przytrzymując dłużej można powrócić do wartości domyślnej równej „1”. Wartość adresu będzie na bieżąco obrazowana miganiem diody LED i zostanie zapamiętana po zwolnieniu przycisku głównego.

Procedura ustawiania adresu w odbiorniku przebiega podobnie. Najpierw należy założyć zworkę na złączu konfiguracyjnym oznaczonym CFG, w pozycji 1, jak na rysunku 8. Po dołączeniu zasilania dioda błyska co jakiś czas, a liczba błysków oznacza wartość adresu. Naciskając krótko przycisk można zwiększyć o jeden wartość adresu (maksymalnie do „24”), przytrzymując dłużej można powrócić do wartości domyślnej równej „1”. Wartość adresu będzie na bieżąco obrazowana miganiem diody LED i zostanie zapamiętana po zdjęciu zworki ze złącza CFG.

Po ustawieniu adresu można jeszcze ustawić tryb pracy odbiornika. Założenie zworki w pozycji 2 wymusza pracę monostabilną, czyli wyjście będzie załączone tak długo, jak długo będzie wciśnięty przycisk w nadajniku. Założenie zworki w pozycji „3” wymusza pracę bistabilną z automatycznym wyłączaniem czasowym. Czas może być regulowany potencjometrem R8 w zakresie od kilku sekund do ok 10 min. Brak zworki wymusi pracę bistabilną – każde naciśnięcie przycisku zmieni stan przekaźnika na przeciwny.

KS

Artykuł ukazał się w
Elektronika Praktyczna
czerwiec 2017
DO POBRANIA
Pobierz PDF Download icon
Materiały dodatkowe
Elektronika Praktyczna Plus lipiec - grudzień 2012

Elektronika Praktyczna Plus

Monograficzne wydania specjalne

Elektronik listopad 2025

Elektronik

Magazyn elektroniki profesjonalnej

Raspberry Pi 2015

Raspberry Pi

Wykorzystaj wszystkie możliwości wyjątkowego minikomputera

Świat Radio listopad - grudzień 2025

Świat Radio

Magazyn krótkofalowców i amatorów CB

Automatyka, Podzespoły, Aplikacje listopad - grudzień 2025

Automatyka, Podzespoły, Aplikacje

Technika i rynek systemów automatyki

Elektronika Praktyczna listopad 2025

Elektronika Praktyczna

Międzynarodowy magazyn elektroników konstruktorów

Elektronika dla Wszystkich grudzień 2025

Elektronika dla Wszystkich

Interesująca elektronika dla pasjonatów