Stereofoniczny przedwzmacniacz lampowy zasilany niskim napięciem

Stereofoniczny przedwzmacniacz lampowy zasilany niskim napięciem
Pobierz PDF Download icon
Moda na lampy elektronowe małymi krokami nadchodzi od kilku lat. Kojarzą się ze wzmacniaczami o wartości tysięcy złotych, trudno dostępnymi podzespołami i wysokimi napięciami. Prezentowany projekt udowadnia, że te trzy paradygmaty niekoniecznie są prawdziwe. Rekomendacje: przedwzmacniacz jest przeznaczony przede wszystkim do współpracy ze wzmacniaczami lampowymi.

Fotografia 1. Lampy PCL805 użyte w projekcie

Użyta w projekcie lampa nosi oznaczenie PCL805. Starsi Czytelnicy mogą ją pamiętać, ponieważ była stosowana w układzie odchylania pionowego większości lampowych odbiorników telewizyjnych. Dzisiaj można ją dostać za darmo lub prawie za darmo, ponieważ nie znalazła zastosowania we współcześnie budowanych przez wielu entuzjastów wzmacniaczach akustycznych. Dla ułatwienia ewentualnych poszukiwań giełdowych pokazano ją na fotografii 1.

Jakie parametry ma ta lampa? Przede wszystkim, co można odczytać z pierwszej litery symbolu, jest to lampa żarzona prądem o natężeniu 300 mA. W telewizorach wszystkie żarniki były połączone szeregowo i zasilane z sieci energetycznej, co eliminowało konieczność stosowania drogiego transformatora. Przybliżone napięcie żarzenia należy odczytać z noty katalogowej - typowo wynosi ono ok. 17,5 V.

Kolejną cechą tej lampy jest umieszczenie w jednej bańce dwóch systemów: triody i pentody. Trioda jest lampą trójelektrodową, w której sterowanie odbywa się poprzez zmiany potencjału tylko jednej siatki (zwanej sterującą), natomiast pentoda ma aż trzy siatki: sterującą, ekranującą i hamującą. W tym projekcie użyto triody w układzie wzmacniacza napięciowego i pentody w roli wtórnika zmniejszającego impedancję wyjściową.

Teoretycznie, do prawidłowej pracy tej lampy jest wymagane wysokie napięcie anodowe, rzędu 100...200 V. W tej aplikacji nie jest to konieczne, ponieważ nie jest wymagany przepływ dużego prądu przez katodę. Oznacza to, że nie będzie możliwe oddanie do obciążenia dużej mocy, lecz w tym zastosowaniu nie jest to jakąkolwiek przeszkodą. Układ ten jest przeznaczony do niewielkiego wzmocnienia amplitudy sygnału małej częstotliwości, a nie do sterowania głośnikami. Stanowi uzupełnienie istniejącego systemu, swego rodzaju lampowy akcent włączony między źródło sygnału a wzmacniacz.

Zasada działania

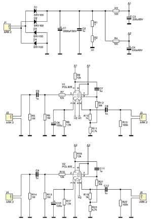
Rysunek 2. Schemat ideowy przedwzmacniacza

Schemat ideowy przedwzmacniacza pokazano na rysunku 2. Podzielono go na trzy części: zasilacz i dwa identyczne kanały. Zasilacz użyty w projekcie jest bardzo prosty, lecz wystarczający. Napięcie sinusoidalnie jest prostowane przez mostek Graetza wykonany z diod Schottky D1...D4. Ma to na celu zredukowanie spadku napięcia i ograniczenie strat mocy na mostku w porównaniu do zwykłych diod prostowniczych. Napięcie tętniące jest filtrowane za pomocą kondensatorów C1 i C2, przy czym rolą tego drugiego jest zwieranie do masy zakłóceń o wysokiej częstotliwościach.

Wyprostowanie i odfiltrowanie napięcia powoduje jego wzrost (w odniesieniu do napięcia skutecznego), przez co może być ono użyte do zasilania dwóch żarników lamp, połączonych szeregowo. Rezystory R1 i R2 służą do ustalenia właściwego prądu żarzenia, o czym dalej. To samo napięcie służy zasilaniu elektrod lamp. Dlatego przed każdym kanałem znajdują się dodatkowe człony filtrujące, zrealizowane w postaci prostych filtrów RC. Ograniczają one przesłuchy między kanałami oraz dodatkowo filtrują tętnienia o częstotliwości 100 Hz powstałe po wyprostowaniu napięcia przemiennego przez mostek Graetza.

Należy przejść teraz do omówienia bloku sygnałowego. Ponieważ obydwa kanały są zbudowane w ten sam sposób, zostanie omówiony tylko jeden z nich.

Sygnał małej częstotliwości jest podawany na zaciski złącza J2. Kondensator C5 odcina ewentualna składową stałą, która mogłaby się w tym sygnale znajdować i niekorzystnie wpływać na punkt pracy lampy. Rezystor R5 rozładowuje go oraz ustala rezystancję wejściową. Impedancja wejściowa jest już jednak dwukrotnie mniejsza, ponieważ dla składowej zmiennej od strony wejścia widoczne jest równoległe połączenie R5 i R6. Dla nowoczesnych źródeł sygnału obciążenie o impedancji rzędu 500 kV nie stanowi najmniejszego problemu. Celowo pomijam tutaj wpływ kondensatora C5 na sygnał, ponieważ jego wartość została tak dobrana, aby w paśmie akustycznym można go było traktować jak zwarcie. Impedancja wejściowa lampy jest tutaj pomijalnie wielka i można ją zaniedbać.

Jak wspomniano, trioda pełni rolę wzmacniacza napięciowego. Prąd płynący przez anodę przepływa przez R8 (prąd płynący przez siatkę jest o wiele rzędów wielkości mniejszy) i wywołuje na nim spadek napięcia, co podnosi potencjał katody. Siatka, za pośrednictwem rezystorów R6 i R7, utrzymywana jest na potencjale masy, dzięki czemu istnieje na niej ujemne - względem katody - napięcie. Dzięki temu, zarówno dodatnie połówki sygnału, jak i ujemne, mogą zostać przeniesione bez zniekształceń, które pojawiają się, gdy siatka zyskuje potencjał dodatni względem katody.

Zmiany napięcia na siatce modulują prąd anody. Te zmiany prądu są, poprzez rezystor R9, przekładane na zmiany jej napięcia. Rolą kondensatora C6 jest stabilizacja potencjału katody, tak, aby była niezależna od aktualnej wartości sygnału. Zwiększa to wzmocnienie tego stopnia. Rezystor R7 jest tzw. rezystorem antyparazytowym, umieszczonym możliwie blisko lampy i zapobiega jej wzbudzeniu poprzez ograniczenie wzmocnienia dla wielkich (rzędu megaherców) częstotliwości.

Kondensator C7 odcina składową stałą z anody triody i wprowadza wzmocniony sygnał na siatkę sterującą pentody. Pentoda pracuje jako wtórnik napięciowy (w konfiguracji wspólnej anody) co oznacza, że jej anoda jest (z punktu widzenia sygnału) zwarta z masą. Podobnie została potraktowana siatka ekranująca. Wyjście sygnału znajduje się na katodzie lampy. Rezystory R10, R11 i R12 służą jej polaryzacji: część prądu katody odkłada się na R10 i wywołuje na nim spadek napięcia. Jest to analogiczna sytuacja, jaka miała miejsce w przypadku triody. Kondensator C8 usuwa składową stałą, zaś rezystor R13 polaryzuje go tak, by jego lewa okładka była zawsze na potencjale masy. Rolą tego stopnia jest zmniejszenie impedancji wyjściowej układu - stopień triodowy ma opór wyjściowy równy anodowemu, czyli 12 kV.

W układzie prototypowym została wyznaczona charakterystyka częstotliwościowa dla stałej amplitudy napięcia wejściowego, wynoszącej 50 mV. Pokazano ją na rysunku 3. Czerwona linia obrazuje przebieg charakterystyki, natomiast niebieska - pasmo przepustowe układu przy 3-decybelowym spadku wzmocnienia. Charakterystyka jest płaska od częstotliwości rzędu pojedynczych Hz aż do 100 kHz, która jest częstotliwością znacznie wykraczającą poza pasmo akustyczne.

Montaż i uruchomienie

Rysunek 3. Charakterystyka częstotliwościowa układu

Układ przedwzmacniacza zmontowano na jednostronnej płytce drukowanej o wymiarach 120 mm×60 mm, której schemat montażowy pokazano na rysunku 3. Montaż podzespołów na płytce drukowanej należy przeprowadzić w typowej kolejności, od elementów najniższych do najwyższych, z pominięciem rezystorów R1 i R2, które zostaną dobrane podczas uruchamiania. Na płytce znajdują się dwie zwory z drutu, od których warto zacząć. Pod lampy należy koniecznie zastosować podstawki typu "noval" - nie ma znaczenia, czy są one nowe, czy pochodzą z demontażu.

Do zmontowanej płytki z włożonymi lampami należy doprowadzić zasilanie z transformatora sieciowego. W układzie prototypowym użyto transformatora 2×12 V z uzwojeniami połączonymi szeregowo. Wyższe wartości napięcia, jak 26 V czy 27 V są tutaj mile widziane. Minimalna moc takiego transformatora to 20 VA. Zamiast rezystorów R1 i R2 należy włączyć amperomierz prądu stałego, włączyć zasilanie i obserwować prąd płynący przez żarniki. Jeśli wynosi 300 mA (±5%), wówczas rezystory można zastąpić zworami z drutu. Gdyby okazał się zbyt duży, należy dobrać odpowiedni rezystor szeregowy o odpowiedniej mocy. Na płytce przewidziano miejsce na dwa rezystory, ponieważ umożliwia to lepsze rozproszenie mocy.

Rysunek 4. Schemat montażowy przedwzmacniacza

Po wyłączeniu zasilania i ostudzeniu lamp, można przystąpić do podłączenia przewodów sygnałowych. Do zacisków J2 i J4 trafiają kable ekranowane prowadzące sygnał na wejście przedwzmacniacza, a, odpowiednio, J3 i J5 - do wyjścia. Układ nie wymaga dodatkowych regulacji i jest gotowy do działania. Warto umieścić go w metalowej obudowie, aby dodatkowo zaekranować obwody.

Gdyby sygnał wyjściowy był bardzo zniekształcony lub nie byłoby go w ogóle, warto rozpocząć poszukiwanie usterki od pomiaru napięć stałych w obwodzie. W tabeli 1 zgromadzono wyniki pomiarów najważniejszych napięć w układzie prototypowym, zmierzone względem masy.

Uzupełnić w tym miejscu należy, iż żarniki obydwu lamp połączone są szeregowo, dlatego układ może działać wyłącznie z dwiema lampami jednocześnie. Brak widocznego żarzenia się lamp (spowodowane przerwaniem żarnika lub brakiem kontaktu w podstawce) jest podstawą do poszukiwania błędu w samych lampach lub zasilaczu.

Wykaz elementów

Rezystory: (0,25 W)
R1, R2: opis w tekście
R3, R4: 100 Ω
R5, R6, R12, R14, R15, R21: 1 MΩ
R7, R9, R16, R18: 12 kΩ
R8, R17: 1,5 kΩ
R10, R19: 1 kΩ
R11, R20: 4,7 kΩ
R13, R22: 100 kΩ

Kondensatory:
C1: 3300 µF/50 V
C2, C5, C7...C9, C11, C12: 1 mF (monolityczne)
C3, C4: 220 µF/63 V
C6, C10: 100 µF/25 V

Półprzewodniki:
D1...D4: SR1100

Inne:
J1...J5: ARK2/5 mm
V1, V2: PCL805 lub PCL85 (opis w tekście)
Dwie podstawki "noval"
Transformator sieciowy (opis w tekście)

Eksploatacja

Tabela 1. Najważniejsze napięcia w układzie

Użytkowanie opisanego wyżej układu nie nastręcza jakichkolwiek trudności, o ile został poprawnie złożony. Trwałość lamp sięga tysięcy godzin, zatem ich wymiana nie będzie prawdopodobnie konieczna, jeśli tylko użyte egzemplarze nie były nadmiernie wyeksploatowane. Można tu użyć również lampy typu PCL85 (starsza wersja PCL805), byleby w obydwu kanałach pracowały te same typy.

Nie ma ryzyka uszkodzenia układu spowodowanego przesterowaniem wejścia lub zwarciem wyjścia do masy. Można dodać potencjometr regulujący głośność, włączony między gniazda wejściowe a zaciski J2 i J4 na płytce. Jego obecność jest o tyle przydatna, że sam układ oferuje ok. 11 dB wzmocnienia napięciowego, co może niekiedy skutkować przesterowywaniem wzmacniacza.

Michał Kurzela, EP

Artykuł ukazał się w
Elektronika Praktyczna
marzec 2015
DO POBRANIA
Pobierz PDF Download icon
Materiały dodatkowe
Elektronika Praktyczna Plus lipiec - grudzień 2012

Elektronika Praktyczna Plus

Monograficzne wydania specjalne

Elektronik listopad 2025

Elektronik

Magazyn elektroniki profesjonalnej

Raspberry Pi 2015

Raspberry Pi

Wykorzystaj wszystkie możliwości wyjątkowego minikomputera

Świat Radio listopad - grudzień 2025

Świat Radio

Magazyn krótkofalowców i amatorów CB

Automatyka, Podzespoły, Aplikacje listopad - grudzień 2025

Automatyka, Podzespoły, Aplikacje

Technika i rynek systemów automatyki

Elektronika Praktyczna listopad 2025

Elektronika Praktyczna

Międzynarodowy magazyn elektroników konstruktorów

Elektronika dla Wszystkich grudzień 2025

Elektronika dla Wszystkich

Interesująca elektronika dla pasjonatów