Licznik czasu pracy

Licznik czasu pracy
Pobierz PDF Download icon
Uniwersalny licznik czasu przeznaczony do wmontowania w większe urządzenie. Rejestruje przepracowane godziny z funkcją zapisu w nieulotnej pamięci w momencie nagłego odcięcia zasilania. Prezentuje czas w formacie DD:GG:MM na sześciu wyświetlaczach z możliwością ich wygaszenia, oferuje też funkcję zapauzowania licznika sygnałem podanym z zewnątrz. Rekomendacje: Urządzenie szczególnie polecane jako uzupełnienie gotowych urządzeń, w przypadku których potrzebne jest monitorowanie przepracowanego przez nie czasu.

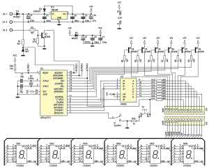
Rysunek 1. Schemat ideowy licznika czasu pracy

Na rysunku 1 pokazano schemat ideowy rejestratora. Wykonano go w oparciu o mikrokontroler ATtiny2313 taktowanym rezonatorem kwarcowym o częstotliwości 2 MHz. Zajmuje się on zliczaniem czasu i obsługą wszystkich funkcji urządzenia. Za pośrednictwem układu IC2 (4543) steruje katodami wyświetlaczy, zaś anodami steruje przez tranzystory - oszczędzamy w ten sposób piny mikrokontrolera.

Pin 7 (BL) układu IC2 służy do wygaszania wyświetlacza, co zostało wykorzystane do wyeliminowania prześwitów powstających podczas multipleksowania. Katody kropek są obsługiwane osobnym portem mikrokontrolera, który dodatkowo służy do przyłączenia przycisku S2 przeznaczonego do zerowania licznika.

Można to zrobić jedynie podczas włączania zasilania urządzenia, kiedy to jest sprawdzany stan przycisku, a linia jest skonfigurowana w roli wejścia. Przełącznik S1 (bistabilny) służy do włączania/wygaszania wyświetlaczy, co pozwala na zaoszczędzenie energii, zwłaszcza, kiedy rejestrator ma pracować zamknięty wewnątrz obudowy pracującego sprzętu. Zamiast przycisku można również podać do układu sygnał logiczny z zewnątrz (może być typu otwarty kolektor zwierający do masy).

Obwód zasilania mikrokontrolera zrealizowano za pomocą diody Schottky D2 i kondensatorów C7...C9. Kondensatory są źródłem zasilania tylko dla mikrokontrolera, kiedy napięcie zasilania zostanie wyłączone. ATtiny2313 wykryje to dzięki wystąpieniu poziomu niskiego na diodzie Zenera D4. Wówczas wyłącza wyświetlacze, peryferia i natychmiast zapisuje odliczony czas do nieulotnej pamięci EEPROM. Potem urządzenie wraca do normalnej pracy ponieważ może się zdarzyć tak, że utrata zasilania będzie chwilowa i mikrokontroler nie zostanie wyzerowany.

Do złącza X1-3 doprowadzono sygnał pauzujący. Podanie na to złącze jedynki logicznej lub napięcia, które spowoduje przewodzenie tranzystora Q2, zatrzyma odliczanie czasu przez mikrokontroler. Kropki na wyświetlaczach przestają wtedy migać. Wejście X1-3 można zostawić niepodłączone. Do zasilania rejestratora zastosowany został popularny stabilizator 78M05 współpracujący z kondensatorami filtrującymi C3...C5 oraz C10. Diody D1 i D3 pełnią funkcje zabezpieczające. Zasilanie doprowadzamy do pinów X1-1 i X1-2.

Wykaz elementów

Rezystory: (SMD 0805)
R1, R3: 4,7 kΩ
R2: 47 kΩ
R4...R9: 4,7 kΩ (SMD 1206)
R10...R17: 470 Ω SMD 0805
R18: 10 kΩ
R19: 1 kΩ

Kondensatory: (SMD 0805)
C1, C2: 33 pF
C3: 220 µF/35 V (SMD "E")
C4...C8: 100 nF
C9: 1000 µF/16 V (SMD "F")
C10: 22 µF/35 V (SMD "C")

Półprzewodniki:
D1, D3: 1N4007 (SMD)
D2: BAS85 (SMD)
D4: dioda Zenera 4,7 V/0,4 W
DIS1...DIS6 - wyświetlacze 7-seg czerwone, 7 mm np. WA LTS2801
Q2: BC846
Q3...Q8: BC858
IC1: ATtiny2313 (SOIC20)
IC2: 4543 (DIP16)
IC3: 78M05 (DPAK)

Inne:
Q1: rezonator kwarcowy 2 MHz
S1: przełącznik miniaturowy (np. AVT: HSS1270R lub HSS1260R)
S2: microswitch (najniższa ośka)
X1: potrójne gniazdo ARK (np. AVT: DG301-5.0/3)
Podstawka pod układ scalony DIP16
Obudowa KM-61
Listwa goldpin męska kątowa jednorzędowa - 14 pinów

Montaż

Rysunek 2. Schemat montażowy licznika czasu pracy

Schemat montażowy rejestratora pokazano na rysunku 2. Składa się on z dwóch płytek drukowanych: głównej i wyświetlacza. Całość zaprojektowano w taki sposób, aby zmieściła się w obudowie KM-61. Ta obudowa ma specjalny kształt i zatrzaski umożliwiające łatwe umieszczenie jej w panelu większego urządzenia. Montaż zaczynamy od mikrokontrolera i elementów SMD.

Następnie lutujemy pozostałe elementy, pod IC2 warto zastosować podstawkę. Na końcu łączymy obie płytki ze sobą. Używamy do tego kątowych gniazd goldpin, wcześniej przysuwamy plastikowy łącznik do kąta na kołkach. Ustawiamy tak, aby płytka wyświetlaczy spoczywała na płytce sterownika, inaczej jej wysokość nie pozwoli na umieszczenie elektroniki w obudowie.

Do zamocowania układu w obudowie wykorzystujemy dwa otwory z tyłu obudowy. Nadają się do tego krótkie śruby M3. Po odpowiednim przylutowaniu płytki wyświetlaczy, można zastosować półprzeźroczysty czerwony panel czołowy bez konieczności wykonywania w nim jakichkolwiek otworów. Jedyną modyfikacją, którą trzeba wykonać jest ścięcie dwóch wsporników na górnej części obudowy - zawadzają one o płytkę wyświetlaczy.

Rejestrator zaczyna pracę od razu po włączeniu zasilania i nalicza czas, jeśli na X1-3 nie ma podanego napięcia otwierającego tranzystor. W zależności od pozycji przełącznika S1, wyświetlacze albo są wyłączone, albo ukazany jest na nich naliczony czas w formacie DD.GG. MM. Jeśli urządzenie nie jest zapauzowane zewnętrznym sygnałem, migają też kropki.

Czasami z pewnością zajdzie potrzeba wyzerowania licznika. Jak wspomniałem, do tego służy przycisk S2. Należy nacisnąć i przytrzymać go, kiedy rejestrator jest wyłączony, a następnie włączyć zasilanie i po chwili zwolnić przycisk. Urządzenie zacznie naliczać od samych zer na wyświetlaczu.

Michał Pędzimąż
mpedzimaz@gmail.com

Artykuł ukazał się w
Elektronika Praktyczna
listopad 2014
DO POBRANIA
Pobierz PDF Download icon
Materiały dodatkowe
Elektronika Praktyczna Plus lipiec - grudzień 2012

Elektronika Praktyczna Plus

Monograficzne wydania specjalne

Elektronik listopad 2025

Elektronik

Magazyn elektroniki profesjonalnej

Raspberry Pi 2015

Raspberry Pi

Wykorzystaj wszystkie możliwości wyjątkowego minikomputera

Świat Radio listopad - grudzień 2025

Świat Radio

Magazyn krótkofalowców i amatorów CB

Automatyka, Podzespoły, Aplikacje listopad - grudzień 2025

Automatyka, Podzespoły, Aplikacje

Technika i rynek systemów automatyki

Elektronika Praktyczna listopad 2025

Elektronika Praktyczna

Międzynarodowy magazyn elektroników konstruktorów

Elektronika dla Wszystkich grudzień 2025

Elektronika dla Wszystkich

Interesująca elektronika dla pasjonatów